收藏 分销(赏)

监控系统施工技术方案.docx

上传人:精*** 文档编号:9738669 上传时间:2025-04-05 格式:DOCX 页数:11 大小:20.22KB 下载积分:8 金币
下载 相关 举报
监控系统施工技术方案.docx_第1页
第1页 / 共11页
监控系统施工技术方案.docx_第2页
第2页 / 共11页


点击查看更多>>
资源描述
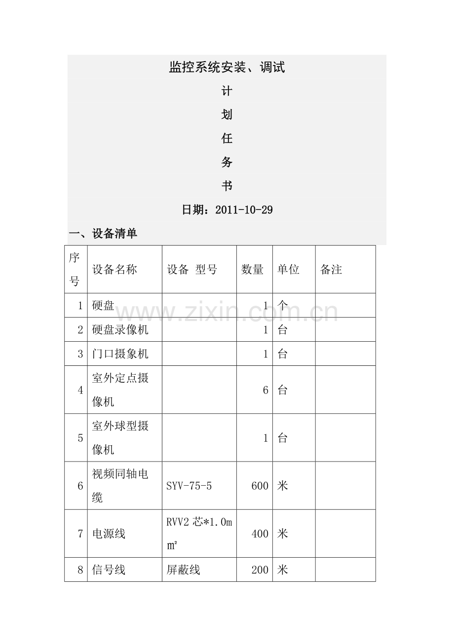
监控系统安装、调试 计 划 任 务 书 日期:2011-10-29 一、设备清单 序号 设备名称 设备 型号 数量 单位 备注 1 硬盘   1 个 2 硬盘录像机   1 台   3 门口摄象机 1 台 4 室外定点摄像机   6 台   5 室外球型摄像机   1 台   6 视频同轴电缆 SYV-75-5 600 米   7 电源线 RVV2芯*1.0m㎡ 400 米   8 信号线 屏蔽线 200 米   9 摄像机支架   4 个   序号 设备名称 设备型号 数量 单价(元) 总价(元) 备注 1 硬盘   1 680 680 1T/BIT 2 硬盘录像机   1 1180 1180 16路 3 门口摄象机   1 1680 1680 辨别率高 4 室外定点摄像机   6 520 3120   5 室外球型摄像机   1 1800 1800   6 视频同轴电缆 SYV-75-5 600 1.8 1080   7 电源线 RVV2芯*1.0m㎡ 400 2.2 880   8 信号线 屏蔽线 200 2 400   9 pvc塑料管   400 1.5 600   10 摄像机支架   4 200 800   11 辅料   1000   12 材料小计(A)   13220   13 施工、调试费(B)   1000   14 税金   568.8   15 总计   14788.8   二、设备安装图 三、工程实施步骤: 3.1.施工程序 线缆敷设→设备安装→设备调试→投入试运行→竣工资料整理→验收交付运用 3.2.主要施工方法 1)系统安装 依据施工技术图的要求,明确安防系统中各种设备及摄像机的安装位置,明确各位置的设备型号和安装尺寸,依据供应商供应的产品样本确定安装要求。 依据安防系统设备供应商供应的技术参数,协作土建做好各设备安装所需的预埋和预留位置。 依据安防系统设备供应商供应的技术参数和施工设计图纸的要求。配置供电线路和接地装置。 摄像机应安装在监视目标旁边,不易受外界损伤的地方。其安装位置不易影响现场设备和工作人员的正常活动。通常最低安装高度室内为2.50米,室外3.50米。 摄像机的镜头应从光源方向对准监视目标,镜头应避开受强光直射,摄像机避开逆光安装 摄像机采纳75Ω-5同轴视频电缆,云台限制箱及视频矩阵主机之间连线采纳2芯屏蔽通讯线缆(RVVP)或3类双绞线。 必需在土建、装修工程结束后,各专业设备安装基本完毕,在整齐的环境中安装摄像机。 从摄像机引出的电缆留有0.5m的余量,以便不影响摄像机的转动和后期的维护。 监控室内电缆理直后从地槽或墙槽引入机架、限制台底部,再引到各设备处。全部电缆成捆绑扎,在电缆两端留适当余量。并标示明显的永久性标记。 3.3系统的调试 1)调试打算工作 检查本系统接线、电源、设备就位、接地、测试表格等。 用对线工具检查各种设备、器件之间线路连接正确性,并做好测试记录。 2)单体调试 检查摄像机开通、关断动作,云台操作和防护罩动作的正确性,检查画面分割器切换动作正确性。能够进行独立单项调试的设备、部件的调试、测试在设备安装前进行。如:摄像机的电气性能调试、协作镜头的调整、终端解码器的自检、云台转角限位的测定和调试、放大器的调试等。 开启主机系统,运行系统软件时的各种信息,确认总控室和各分控机房中心设备运行正常。各智能限制键盘操作正确。 3)系统调试 首先检查供电电源的正确性,然后检查信号线路的连接正确性、极性正确性、对应关系正确性。系统进入工作状态后,把全部摄像机的图像阅读一遍,再逐台对摄像对的上下左右角度、镜头聚焦和光圈细致调整,若是带云台和变焦镜头的摄像机,还要摇动操作杆,使云台对应地转动,再调整镜头。把摄像机的图像显示在各监视器上,检查监视器的工作状态。把全部摄像机分组显示在全部监视器上,视察图像切换状况。检查录像机时,自动倒带后对操作多画面处理器或限制台自动录像,放像后实现录像带的重放。 3.4系统试运行 依据系统软件功能逐项进行功能和系统参数测定,以确认系统运行正确性和牢靠性,并做好测试记录。 3.5施工进度支配、工期支配 依据工程施工进度要求制定设备材料进场需求,支配如下表: 1)工程材料选购 、进场支配表 序号 系统(材料)名称 到货时间 进场安装时间 备注 1 系统用电缆 开工后1天 开工后1天   2 安防系统设备 开工后1天 开工后1天   2)施工进度支配、工期支配 序号 支配名称 工期支配 备注 1 电缆铺设 开工后2天内完成   2 安防系统设备安装试 开工后3天内完成   3.6、安防系统项目组及相关方面的协作 1)按合同规定供应所需的有关设备和人员,以确保于分工交接点上能及其它承包方满足地协作,并确保负责的工作按正确的程序施工。在施工进行的各个阶段中还将主动及其它有关方探讨、协调、落实各分工交接点。 通过业主和其它相关承包方得到全部相关图纸和技术资料,以使我方的设计及施工工作更精确。 2)向其它工种承包方供应全部必需的图纸和技术资料,以便进行综合设备施工图和综合土建要求图的设计。 3)依据其它专业承包方所建议的,并经设计方批准的施工程序进行安装工作。 4)把按已有设计方案批准的施工图提交给本专业业主方管理人或其它工种承包方,以进行绘制综合设备施工图等。以下将分别列举项目部同主要合作伙伴之间的协作宗旨及双方的权责义务关系。 3.7、及业主方面的协作 安防系统指派专人及业主和相关联单位联络和监理单位对工程进行管理,并负责在规定的时间内将系统按业主和设计单位规定的设计标准交付业主运用。使业主刚好驾驭工程进展状况。 具体的产品技术资料和深化设计图纸。业主方应会同设计院具体介绍整个建筑物的设计思想、功能等基本状况,并供应必要的盘片、参数等资料,并协调及其它各专业的关系,使整个建筑设计合理、好用。 供应所需的有关设备和人员,以确保于能及其它承包方满足地协作,并确保负责的工作按正确的程序施工。在施工进行的各个阶段中,还将主动及其它有关承包方探讨,协调落实各分工交接点。 3.8、保证工程质量的技术措施说明 (1)工程质量目标及措施 1)工程质量目标 本工程要求达到的施工安装质量等级:合格标准。 2)质量保证措施 a) 质量方针 科学设计、细心施工、诚信服务、全员参及、持续改进。用我方全体工程技术人员的工作质量来保证工程的质量。 b) 质量目标 全部智能化系统工程合同履约率100%,工程一次交验合格率100%,顾客满足率98%。 3.9、 质保体系、安保体系、文明施工措施及其他 (1)质保体系 要重视工程项目及产品的售后服务,将其视为生存及发展的生命线,是团结老客户、争取新客户的一大根本所在。对本监控系统工程项目,证供应刚好、快速、优质的服务,包括快速供应设备的备件,刚好供应设备和系统运用和维护技术方面的信息,以及供应刚好牢靠的技术后援支持。慎重做出以下承诺: 1) 确保全部供应的技术建议以及所供应的软、硬件设备的完整性、好用性,保证全部系统刚好投入正常运行; 2) 在项目结束系统进入系统试运行期间,派专人监测监控系统的运行,并供应现场的技术指导服务。 3) 确保所供应的设备是原装正品,并且这些设备的质量、规格和技术特性都应及其所附的清单相一样; 4) 对于所供应的设备,在保修期内由于材料和(或)工艺而导致零件或部件故障,应无偿修理和更换; 5) 在保修期内,由我公司供应的设备出现故障,如现场工程师不能解决问题,保证无偿修理或免费用同样的品牌、规格或更高的部件更换到位; 6) 假如设备在质保期内发生软、硬件故障,保证在24小时内予以解决; 7) 设备故障的维护,应视为该设备在正常运用的状况下发生的故障。设备的非正常运用的状况举例如下:不经我公司工程师授权的擅自修理设备和更改设备;自然灾难;用户的马虎大意;操作失误;不当运用或滥用设备。由以上种种造成设备损坏,此外还包括湿度、温度或电力的浮动、改变超过许可范围等缘由。由这些缘由造成的故障修理时,只收取成本费用; 8) 系统售后服务满一年后,须要接着为甲方供应技术支持及服务,具体服务内容和收费标准另行协商解决。 (2)安保体系 在本工程中我们的平安施工目标是:无伤亡事故。平安生产对工程来说是一个非常重要的管理内容,只有确保平安生产,才能保证施工进度,提高质量。因此工程项目施工过程中平安管理是否完善,平安生产的制度是否健全、平安保证技术措施是否得力,干脆关系到施工平安和企业的形象。从平安保证的措施方面,我们实行如下几点: a) 全部参与该工程的施工人员必需坚持平安第一,预防为主的方针,层层建立岗位责任制。 b) 建立平安管理网络,平安管理网络应当项目总承包施工单位牵头,各专业施工单位、各分包单位共同组成,齐抓共管。各单位应设置专职平安员、将平安管理的责任落实到人,实行“四全”即全员、全过程、全方位、全天候的动态管理,保证平安生产的顺当进行。 c) 建立健全平安管理制度,在施工现场统一建立平安生产管理制度,全部现场施工人员都必需严格执行。这些制度包括: · 平安生产责任制; · 新工人上岗前的平安教化制度(进场前对其进行平安技术交底); · 施工组织设计中平安技术措施的技术负责人审批制度; · 施工中分部、分项工程的平安技术交底制度; · 特种作业持证上岗规定; · 定期平安检查的制度; · 悬挂平安标记牌和佩戴标记的规定; · 工伤平安和事故报告及处理规定; · 施工现场平安用电的规定; · 施工现场防火及平安保卫规定。 d) 加强平安检查工作:平安检查是发觉担心全行为、消退事故隐患的重要方法。要细致执行平安检查制度,实行定期、不定期、突击性、特别性检查的多种形式坚持作业前、作业中、作业后的全过程检查。并且抓好检查后的整改工作。使担心全因素刚好解除。 e) 施工平安工作以肃穆法规、落实责任、歼灭违章、强化管理为中心, 努力提高企业的平安技术管理水平,在保证质量、工期的前提下,确保本工程的平安。 f) 进入施工现场必需严格遵守工地现场各项规章制度,协作业主及总包单位作好工地平安工作,设置专职安检人员对施工人员做好工程现场状况介绍和现场平安教化。在施工过程中衣着整齐,说话文明,不在工地范围内吸烟、打闹、大声喧哗、随意走动和随意损害其它工程的设备和线路。 g) 防止人员高空坠落和物体坠落伤人事故。 (3)文明施工管理及环保措施 一般状况下,工地施工时间严格限制在早8点到晚18点,遇到特别状况必需进行夜间施工时,首先必需在告知甲方后方可施工;其次还要对工人反复进行教化,要求他们在施工中尽量削减撞击声、噪声、严峻乱扔横板、拖铁器、大声喧哗等人力噪声。楼内的垃圾严禁向楼内、外随意抛撒。 在施工过程中衣着整齐,说话文明,不在工地范围内吸烟、打闹、大声喧哗、随意走动。施工现场堆放的设备、材料要整齐,废旧纸箱及线头随时清理,做到活完脚底清。在运用电动工具的时候要留意噪音的影响,严格依据国家的规定时间内运用,不影响周边居民的正常作息时间;每次施工完后要随时清理现场,将废品废料倒在指定地点。上道工序必需为下道工序主动创建优良的条件。
展开阅读全文

开通  VIP会员、SVIP会员  优惠大
下载10份以上建议开通VIP会员
下载20份以上建议开通SVIP会员


开通VIP      成为共赢上传

当前位置:首页 > 包罗万象 > 大杂烩

移动网页_全站_页脚广告1

关于我们      便捷服务       自信AI       AI导航        抽奖活动

©2010-2026 宁波自信网络信息技术有限公司  版权所有

客服电话:0574-28810668  投诉电话:18658249818

gongan.png浙公网安备33021202000488号   

icp.png浙ICP备2021020529号-1  |  浙B2-20240490  

关注我们 :微信公众号    抖音    微博    LOFTER 

客服