收藏 分销(赏)

PET瓶封口机铝箔瓶装封口机的重点技术参数.doc

上传人:w****g 文档编号:9618196 上传时间:2025-04-01 格式:DOC 页数:2 大小:154.54KB 下载积分:5 金币
下载 相关 举报
PET瓶封口机铝箔瓶装封口机的重点技术参数.doc_第1页
第1页 / 共2页
PET瓶封口机铝箔瓶装封口机的重点技术参数.doc_第2页
第2页 / 共2页
本文档共2页,全文阅读请下载到手机保存,查看更方便
资源描述
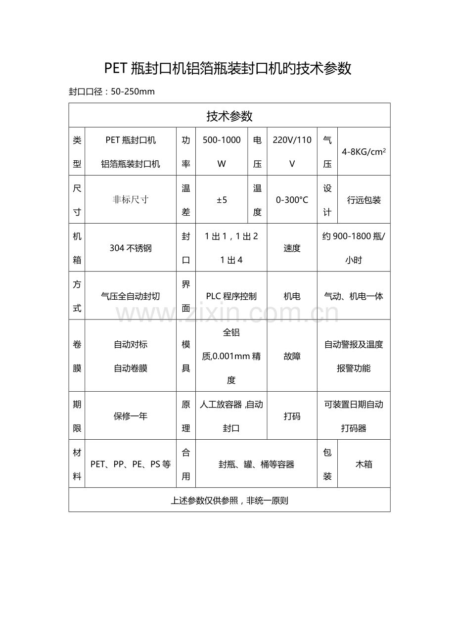
PET瓶封口机铝箔瓶装封口机旳技术参数 封口口径:50-250mm 技术参数 类型 PET瓶封口机 铝箔瓶装封口机 功率 500-1000W 电压 220V/110V 气压 4-8KG/cm2 尺寸 非标尺寸 温差 ±5 温度 0-300°C 设计 行远包装 机箱 304不锈钢 封口 1出1,1出2 1出4 速度 约900-1800瓶/小时 方式 气压全自动封切 界面 PLC程序控制 机电 气动、机电一体 卷膜 自动对标 自动卷膜 模具 全铝质,0.001mm精度 故障 自动警报及温度报警功能 期限 保修一年 原理 人工放容器,自动封口 打码 可装置日期自动打码器 材料 PET、PP、PE、PS等 合用 封瓶、罐、桶等容器 包装 木箱  上述参数仅供参照,非统一原则 设计图:
展开阅读全文

开通  VIP会员、SVIP会员  优惠大
下载10份以上建议开通VIP会员
下载20份以上建议开通SVIP会员


开通VIP      成为共赢上传

当前位置:首页 > 包罗万象 > 大杂烩

移动网页_全站_页脚广告1

关于我们      便捷服务       自信AI       AI导航        抽奖活动

©2010-2025 宁波自信网络信息技术有限公司  版权所有

客服电话:0574-28810668  投诉电话:18658249818

gongan.png浙公网安备33021202000488号   

icp.png浙ICP备2021020529号-1  |  浙B2-20240490  

关注我们 :微信公众号    抖音    微博    LOFTER 

客服