收藏 分销(赏)

分部单位关键工程质量评级统计汇总表.doc

上传人:a199****6536 文档编号:9607944 上传时间:2025-04-01 格式:DOC 页数:8 大小:169.04KB 下载积分:6 金币
下载 相关 举报
分部单位关键工程质量评级统计汇总表.doc_第1页
第1页 / 共8页
分部单位关键工程质量评级统计汇总表.doc_第2页
第2页 / 共8页


点击查看更多>>
资源描述
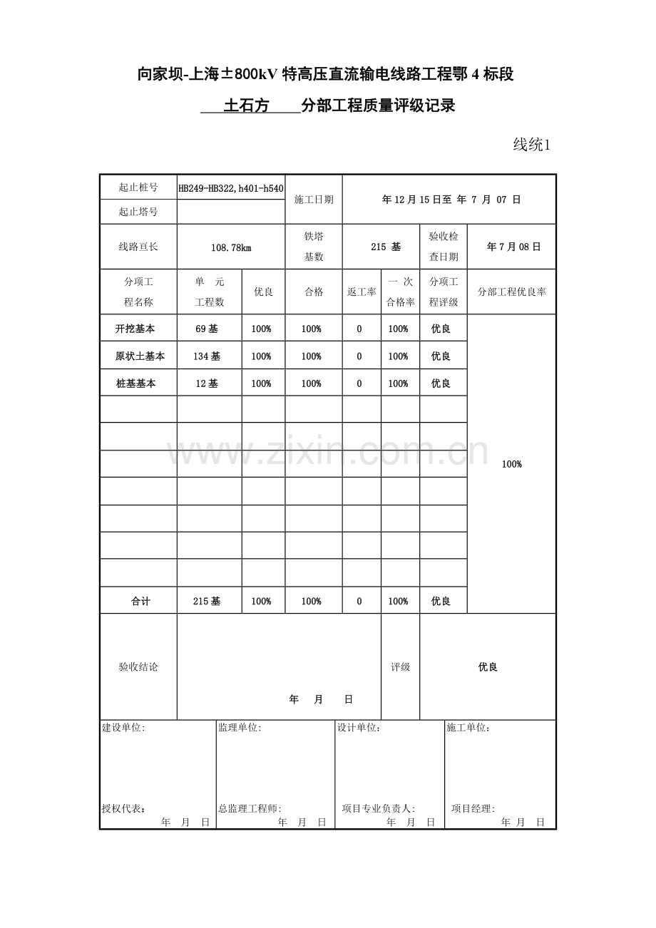
向家坝-上海±800kV特高压直流输电线路工程鄂4标段 土石方 分部工程质量评级记录  线统1 起止桩号 HB249-HB322,h401-h540 施工日期 年12月15日至 年 7 月 07 日 起止塔号 线路亘长 108.78km 铁塔 基数 215 基 验收检 查日期 年7月08日 分项工 程名称 单 元 工程数 优良 合格 返工率 一 次 合格率 分项工 程评级 分部工程优良率 开挖基本 69基 100% 100% 0 100% 优良 100% 原状土基本 134基 100% 100% 0 100% 优良 桩基基本 12基 100% 100% 0 100% 优良 合计 215基 100% 100% 0 100% 优良 验收结论       年 月 日 评级 优良 建设单位: 授权代表: 年 月 日 监理单位: 总监理工程师: 年 月 日 设计单位: 项目专业负责人: 年 月 日 施工单位: 项目经理: 年 月 日 向家坝-上海±800kV特高压直流输电线路工程鄂4标段 基本 分部工程质量评级记录  线统1 起止桩号 HB249-HB322,h401-h540 施工日期 年12月15日至 年 7 月 07 日 起止塔号 线路亘长 108.78km 铁塔 基数 215 基 验收检 查日期 年7月08日 分项工 程名称 单 元 工程数 优良 合格 返工率 一 次 合格率 分项工 程评级 分部工程优良率 开挖基本 69基 100% 100% 0 100% 优良 100% 原状土基本 134基 100% 100% 0 100% 优良 桩基基本 12基 100% 100% 0 100% 优良 合计 215基 100% 100% 0 100% 优良 验收结论       年 月 日 评级 优良 建设单位: 授权代表: 年 月 日 监理单位: 总监理工程师: 年 月 日 设计单位: 项目专业负责人: 年 月 日 施工单位: 项目经理: 年 月 日 向家坝-上海±800kV特高压直流输电线路工程鄂4标段 铁塔组立 分部工程质量评级记录  线统1 起止桩号 HB249-HB322,h401-h540 施工日期 年05月05日至 年 09 月 20 日 起止塔号 线路亘长 108.78km 铁塔 基数 215 基 验收检 查日期 年10月18日 分项工 程名称 单 元 工程数 优良 合格 返工率 一 次 合格率 分项工 程评级 分部工程优良率 铁塔组立 215基 100% 100% 0 100% 优良 100% 合计 215基 100% 100% 0 100% 优良 验收结论       年 月 日 评级 优良 建设单位: 授权代表: 年 月 日 监理单位: 总监理工程师: 年 月 日 设计单位: 项目专业负责人: 年 月 日 施工单位: 项目经理: 年 月 日 向家坝-上海±800kV特高压直流输电线路工程鄂4标段 接地 分部工程质量评级记录  线统1 起止桩号 HB249-HB322,h401-h540 施工日期 年04月18日至 年 09 月 20 日 起止塔号 线路亘长 108.78km 铁塔 基数 215 基 验收检 查日期 年10月18日 分项工 程名称 单 元 工程数 优良 合格 返工率 一 次 合格率 分项工 程评级 分部工程优良率 接地工程 215基 100% 100% 0 100% 优良 100% 合计 215基 100% 100% 0 100% 优良 验收结论       年 月 日 评级 优良 建设单位: 授权代表: 年 月 日 监理单位: 总监理工程师: 年 月 日 设计单位: 项目专业负责人: 年 月 日 施工单位: 项目经理: 年 月 日 向家坝-上海±800kV特高压直流输电线路工程鄂4标段 架线 分部工程质量评级记录  线统1 起止桩号 HB249-HB322,h401-h540 施工日期 年07月26日至 年 11 月 14 日 起止塔号 线路亘长 108.78km 铁塔 基数 215 基 验收检 查日期 年11月16日 分项工 程名称 单 元 工程数 优良 合格 返工率 一 次 合格率 分项工 程评级 分部工程优良率 架线工程 215基 100% 100% 0 100% 优良 100% 合计 215基 100% 100% 0 100% 优良 验收结论       年 月 日 评级 优良 建设单位: 授权代表: 年 月 日 监理单位: 总监理工程师: 年 月 日 设计单位: 项目专业负责人: 年 月 日 施工单位: 项目经理: 年 月 日 向家坝-上海±800kV特高压直流输电线路工程鄂4标段 线路防护 分部工程质量评级记录  线统1 起止桩号 HB249-HB322,h401-h540 施工日期 年04月18日至 年 11月14 日 起止塔号 线路亘长 108.78km 铁塔 基数 215 基 验收检 查日期 年11月16日 分项工 程名称 单 元 工程数 优良 合格 返工率 一 次 合格率 分项工 程评级 分部工程优良率 线路防护工程 215基 100% 100% 0 100% 优良 100% 合计 215基 100% 100% 0 100% 优良 验收结论       年 月 日 评级 优良 建设单位: 授权代表: 年 月 日 监理单位: 总监理工程师: 年 月 日 设计单位: 项目专业负责人: 年 月 日 施工单位: 项目经理: 年 月 日 向家坝-上海±800kV特高压直流线路工程鄂4标段 单位工程质量评级记录  线统2 电压级别 ±800 kV 施工日期 年 月 日动工至 年 月 日竣工 线路亘长 108.78km 导地线规格 ACSR-720/50 LBGJ-180-20AC OPGW-180 铁塔基数 215 基 分部工程 名 称 单 元 工程数 优良 合格 优良率 一 次 合格率 验收评级 单位工程优良率 土石方工程 215基 215基 215基 100% 100% 优良 100﹪ 基本工程 215基 215基 215基 100% 100% 优良 铁塔工程 215基 215基 215基 100% 100% 优良 架 线 工 程 导地线展放 12放线段 12放线段 12放线段 100% 100% 优良 OPGW展放 28放线段 28放线段 28放线段 100% 100% 优良 导地线连接管 1449个 1449个 1449个 100% 100% 优良 导地线紧线 35耐张段 35耐张段 35耐张段 100% 100% 优良 光缆紧线 28耐张段 28耐张段 28耐张段 100% 100% 优良 附件 安装 215基 215基 215基 100% 100% 优良 接地工程 215基 215基 215基 100% 100% 优良 线路防护工程 215基、处 215基 215基 100% 100% 优良 合 计 2840 2840 2840 100% 100% 优良 验收结论 评级 优良 参 加 验 收 单 位 建设单位 监理单位 设计单位 施工单位 授权代表: 年 月 日 总监理工程师: 年 月 日 项目负责人: 年 月 日 项目经理: 年 月 日
展开阅读全文

开通  VIP会员、SVIP会员  优惠大
下载10份以上建议开通VIP会员
下载20份以上建议开通SVIP会员


开通VIP      成为共赢上传

当前位置:首页 > 包罗万象 > 大杂烩

移动网页_全站_页脚广告1

关于我们      便捷服务       自信AI       AI导航        抽奖活动

©2010-2026 宁波自信网络信息技术有限公司  版权所有

客服电话:0574-28810668  投诉电话:18658249818

gongan.png浙公网安备33021202000488号   

icp.png浙ICP备2021020529号-1  |  浙B2-20240490  

关注我们 :微信公众号    抖音    微博    LOFTER 

客服