收藏 分销(赏)

18m跨三角形钢桁架课程设计.docx

上传人:可**** 文档编号:956202 上传时间:2024-04-09 格式:DOCX 页数:12 大小:333.03KB 下载积分:10 金币
下载 相关 举报
18m跨三角形钢桁架课程设计.docx_第1页
第1页 / 共12页
18m跨三角形钢桁架课程设计.docx_第2页
第2页 / 共12页


点击查看更多>>
资源描述
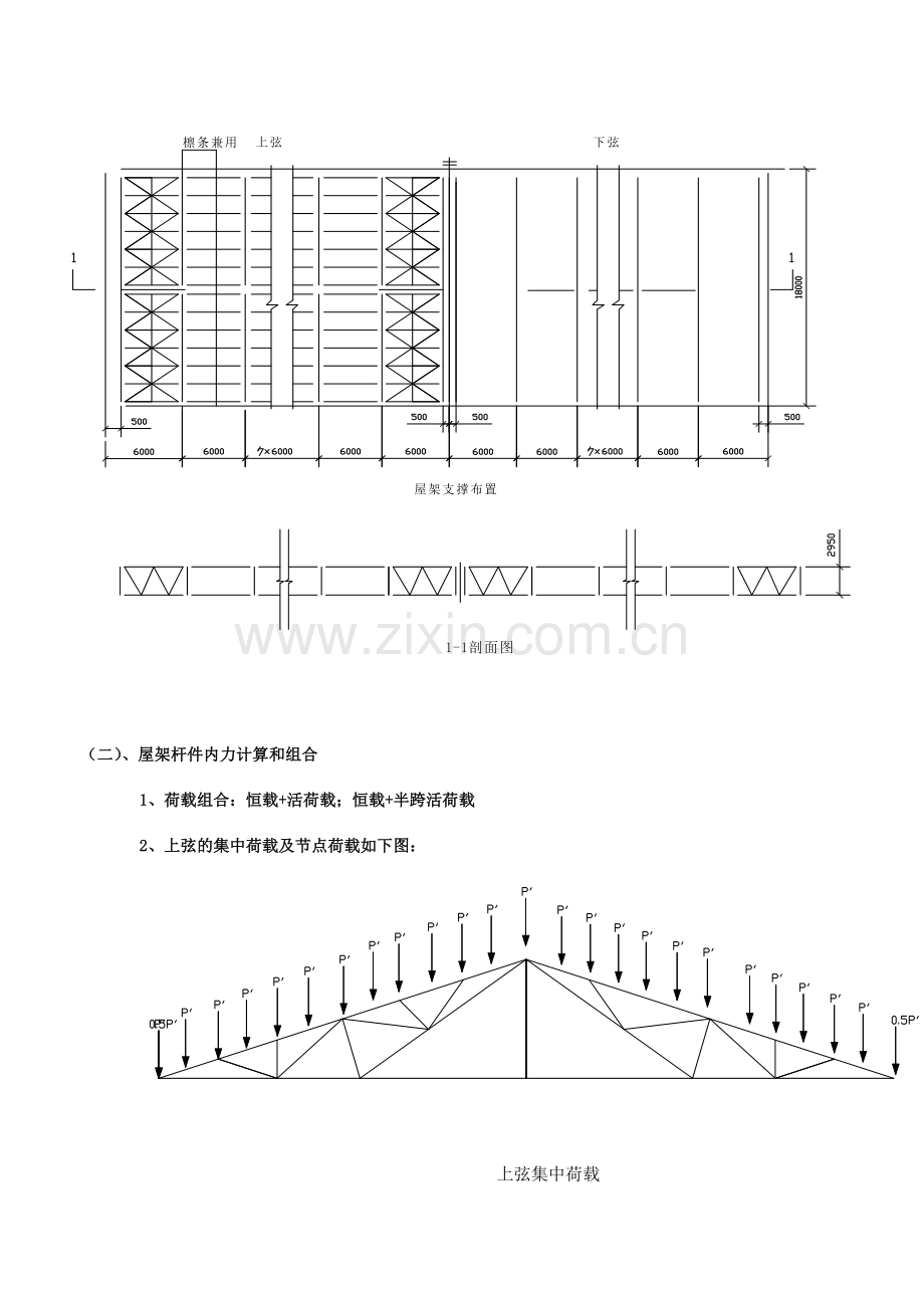
一、设计题目 18m跨三角形钢桁架 二、设计资料 1、某单层轻型工业厂房,平面尺寸18m×90m,柱距6m,柱高6m,采用三角形钢屋架,跨度18m,屋面坡度i=1/3,屋面防水材料为波形彩钢瓦+50厚玻纤棉+钢丝网铝箔,冷弯薄壁C型钢檩条,檩条斜距1.555m,支撑布置自行设计,无吊车。采用钢筋混凝土柱,混凝土强度等级为C20,钢屋架与柱铰接,柱截面尺寸400×600mm;使用温度-5摄氏度以上,地震烈度8度,连接方法及荷载性质,按设计规范要求。屋架轴线图及杆件内力图见图。 2、荷载标准值如下: (1)、永久荷载(沿屋面分布) 屋面防水结构+檩条 0.2KN/m2 钢屋架及支撑等自重 0.35KN/m2 (2)、可变荷载 屋面活荷载(按水平投影)0.50KN/m2 基本风压(地面粗糙度为B类)0.80KN/m2 三、要求设计内容 1、屋盖结构布置 2、屋架杆件内力计算和组合 3、选择杆件截面型号,设计节点 4、绘制施工图 四、课题设计正文 (一)屋盖结构布置: 上弦节间长度为两个檩距,有节间荷载。上弦横向水平支撑设置在房屋两端及伸缩缝处的第一开间内,并在相应开间屋架跨中设置垂直支撑,在其余开间屋架下弦跨中设置一道通长的水平系杆。上弦横向水平支撑在交叉点处与檩条相连。上弦杆在屋架平面外的计算长度等于其节间几何长度;下弦杆在屋架平面外的计算长度为屋架跨度的1/2。具体支撑布置如下图: (二)、屋架杆件内力计算和组合 1、荷载组合:恒载+活荷载;恒载+半跨活荷载 2、上弦的集中荷载及节点荷载如下图: 上弦集中荷载及节点荷载表 荷载形式 荷载分类 集中荷载 (设计值) P丿/KN 节点荷载 (设计值)P=2 P丿/KN 备 注 恒载 5.84 11.68 P丿=1.2×0.55×1.555×3/√10×6=5.84KN 活荷载 6.20 12.4 P丿=1.4×0.5×1.555×3/√10×6=6.20KN 恒载+活荷载 12.04 24.08 P丿=5.84KN+6.20KN=12.04KN 3、上弦节点风荷载设计值如图所示。 (1)按照规范可知风荷载体形系数:背风面-0.5;迎风面-0.5 (2)上弦节点风荷载为: W=1.4×(-0.5)×0.8×1.556×6=-5.228KN 4、内力计算 (1)杆件内力及内力组合如下表: (2)上弦杆弯矩计算。 端节间跨中正弯矩为 M1=0.8M0=0.8×P丿l=0.8(1/4×12.04kNm×3/√10×1.555m) =3.553kNm 中间节间跨中正弯矩和中间节点负弯矩为 M2=0.6M0=0.6×1.862kNm=1.1172kNm (三)杆件截面选择、设计节点 (1)上弦杆截面 整个上弦不改变截面,按最大内力计算。杆1内力N=-175.6kN,M1x=1.49kNm,M2x=1.117kNm。选用2∟70×6,A=16.32cm2, W1x=38.74cm3,W2x=14.96cm3。ix=2.15cm,iy=3.11cm。 长细比 λx=<[λ]=150 Λy=<[λ]=150 <0.58×=0.58×=12.9 λyz= 由λx λy查表得(b类截面), 塑性系数 1) 弯矩作用平面内的稳定性。此端节间弦杆相当于规范中两端支承的杆件,其上作用有端弯矩和横向荷载并为异号曲率的情况,故取等效弯矩系数 用跨中最大正弯矩验算,代入公式得 对于这种组合T形截面压弯杆,在弯矩的效应较大时,可能在较小的翼缘一侧因受拉塑性区的发展而导致构件失稳,补充验算如下: = =6.3N/mm2<f=215N/mm2 显然另一侧不控制构件平面内的失稳。故平面内的稳定性得以保证。 2)弯矩作用平面外的稳定性。由于 ,所以梁的整体稳定系数可由下式计算 等效弯矩系数。用跨中最大正弯矩验算,代入公式得 =166.2N/mm2<f=215N/mm2 根据支撑布置情况,可知上弦节点处均有侧向支承以保证其不发生平面外失稳。因此,可不必验算节点处的平面外稳定,只需验算其强度。 3)强度验算。上弦节点2处(见节点编号图)的弯矩较大,且W2x又比较小,因此截面上无翼缘一边的强度,按下式验算(An=A) (2)下弦杆截面 下弦杆也不改变截面,按最大内力计算。杆7的轴心力 选用2∟56×4,A=8.78cm2 ix=1.73cm,iy=2.52cm。 长细比 λx=<[λ]=400 Λy=<[λ]=400 强度验算 (3)腹杆截面 杆10内力N=-13.54kN。选用∟36×4,A=2.756cm2,iy=0.7cm。 长细比 Λy=<[λ]=200 <0.54×=0.54×=14.9 λyz=<[λ]=200 由λx λy查表得(b类截面), 上式中0.812为单面连接单角钢的折减系数。 上述计算也可采用表格形式进行。现将上述计算以及其他腹杆的计算一并列如下表: 屋架杆件截面选用表 杆件名称 杆件编号 内 力 计算长度/㎝ 截面规格/㎜ 长细比 稳定系数 计算应力/N/mm2 N/kN M1/kN·m l0x l0y λx λx(λyz) M2/kN·m 上弦杆 1 -418.75 3.55 — 2.665 155.5 155.5 2∟80×8 63.7 43.8(56.6) 0.937 0.825 0.915 199.4 下弦杆 7 397.32 245.8 885 2∟50×8 8 325.08 245.8 885 2∟50×4 9 216.72 393.4 885 2∟50×4 228 351 腹 杆 10 -32.27 0.9×110=99 2∟50×4 43 0.341 0.294 113.2 11 -68.63 0.8×156=124 156 2∟50×4 138 104(105) 0.353 124.3 12 72.24 0.8×246=197 246 2∟80×8 219 165.1 43.5 13 108.36 246 492 2∟50×4 273 330 76.4 14 180.6 246 492 2∟50×4 273 330 121.3 15 0.00 0.9×295=266 +50×4 193 4、节点设计 节点编号如图所示。 (1) 一般杆件连接焊接 设焊缝厚度hf=4㎜,焊缝长度可由公式计算列于下表。 (2) 节点“1” 1) 支座底板厚度。支座底板尺寸如图7-40所示。支座反力为 R =6P+1.15×1.74×6=6×10.098kN+1.15×0.74×6kN=65.69kN 屋架杆件连接焊缝表 杆件名称 杆件编号 杆件内力/KN 肢背焊缝 肢尖焊缝 备 注 下弦杆 7 166.62 150 4 70 4 焊缝长度已考虑施焊时起弧或落弧的影响;杆件10的焊缝,已按规范规定考虑了焊缝强度折减系数0.85 腹 杆 10 -13.54 45 4 45 4 11 -28.78 45 4 45 4 12 30.29 45 4 45 4 13 45.44 50 4 45 4 14 75.74 75 4 45 4 设a=b=12cm,a1=1.414×12cm=16.9cm, b1=a1/2=8.45cm 底板的承压面积为An=24cm×24cm-3.14×4cm2-2×4cm×5cm=523cm2 板下压应力为 b1/a1=0.5,查表得 则 所需底板厚度为 t 2) 支座节点板与底板的连接焊缝。设hf=8mm,lw=(240-10)mm×2+(120-4-10-10)mm×4=844mm,按下式计算 支座节点板与加劲助的连接焊缝厚度计算从略。 3) 上弦杆与节点板的连接焊缝。 N=175.6kN,设焊缝厚度为4mm,焊缝计算长度lw=(160+360-10)=510mm,如图所示: 假定杆件轴心力N全由角钢肢尖焊缝传递,并考虑传力的偏心影响,其中偏心矩e=(70-20)=50mm则 (3)节点2、3如图所示,节点荷载P假定由角钢肢背的塞焊缝承受,按构造要求节点板较长,故焊缝强度可以满足,计算从略。 节点两侧上弦杆轴心力之差,假定由角钢肢尖焊缝承受,并考虑偏心力矩的影响,计算结果如下表所示: 节点名称 节点号 上弦节点 1 162.88 175.6 12.72 4 50 120 1.22 43.2 160 2 166.01 169.25 3.24 4 50 530 1.22 1.21 160 (4)节点4,如下图所示,节点荷载P,假定由角钢肢背的塞焊缝承受,同上按构造要求考虑,即可满足,计算从略。 1)上弦杆拼接角钢的连接焊缝以该节点的最大轴力N计算。设hf=4mm,则有 2)上弦杆角钢与节点板的连接焊缝以上述轴心力的15%按下式计算。设hf=4mm=50mm,l丿m按构造要求为220mm,取lw=(220-10)=210mm,则 (5)节点5(见下图) 1)下弦杆拼接角钢的连接焊缝按全截面的等强度条件计算。设,则,取125mm拼接角钢选用∟56×4切成,长度为2+10mm=260mm。接头的位置视材料长度而定,最好设在跨中节点处,当接头不在节点时,应增设垫板。 2)下弦杠角钢与节点板的连接焊缝,以该节间的最大轴力N的15%计算,设。 ,取55mm。 (四)绘制施工图(见CAD图)
展开阅读全文

开通  VIP会员、SVIP会员  优惠大
下载10份以上建议开通VIP会员
下载20份以上建议开通SVIP会员


开通VIP      成为共赢上传

当前位置:首页 > 包罗万象 > 大杂烩

移动网页_全站_页脚广告1

关于我们      便捷服务       自信AI       AI导航        抽奖活动

©2010-2026 宁波自信网络信息技术有限公司  版权所有

客服电话:0574-28810668  投诉电话:18658249818

gongan.png浙公网安备33021202000488号   

icp.png浙ICP备2021020529号-1  |  浙B2-20240490  

关注我们 :微信公众号    抖音    微博    LOFTER 

客服