收藏 分销(赏)

消防采购标书范本.doc

上传人:精**** 文档编号:9530963 上传时间:2025-03-29 格式:DOC 页数:8 大小:101.04KB 下载积分:6 金币
下载 相关 举报
消防采购标书范本.doc_第1页
第1页 / 共8页
消防采购标书范本.doc_第2页
第2页 / 共8页


点击查看更多>>
资源描述
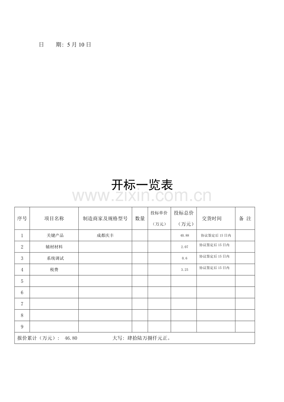
投标函 广安市政府采购中心: 我方全方面研究了 “广安职业技术学院消防隐患整改工程 ”项目招标文件(招标编号: GAZFCG-024号), 决定参与贵单位组织本项目投标。我方授权 企业总经理王利平 代表我方成都沁弘消防工程有限企业全权处理本项目投标相关事宜。 1、 我方自愿根据招标文件要求各项要求向采购人提供所需货物及服务, 总投标价为人民币 46.80 万元(大写: 肆拾陆万捌仟元正 )。 2、 一旦我方中标, 我方将严格推行协议要求责任和义务, 确保于协议签字生效后 15 日内完成项目安装、 调试, 并交付采购人验收、 使用。 3、 我方同意根据招标文件要求, 向贵单位交纳人民币 0.49 万元(大写: 肆仟玖佰元正 )投标确保金。并承诺: 下列任何情况发生时, 我方将不要求退还投标确保金: (1)假如我方在投标使用期内撤回投标; (2)我方提供了虚假响应招标文件投标文件; (3)在投标过程中有违规违纪行为; (4)我方在投标使用期内收到中标通知书后, 因为我方原因未能根据招标文件要求提交履约确保金或与采购人签署并推行协议。 4、 我方为本项目提交投标文件正本一份, 副本四份, 用于开标唱标“开标一览表”一式两份。 5、 我方愿意提供贵中心可能另外要求, 与投标相关文件资料, 并确保我方已提供和将要提供文件资料是真实、 正确。 6、 我方完全了解采购人不一定将协议授予最低报价投标人行为。 7、 我方已仔细阅读招标文件全部内容, 包含参考资料及相关附件, 我方完全了解并接收, 没有任何含糊不清或误解招标文件质疑。我方同意从采购人要求投标日期起遵照我单位全部承诺。 投 标 人(盖章): 成都沁弘消防工程有限企业 法定代表人(签字或盖章): 通讯地址: 成城市武侯区晋阳路215号 邮政编码: 610045 本项目联络人: 王利平 联络电话: 联络电 话: 传 真: 日 期: 5月10日 法定代表人授权书 广安市政府采购中心_: 本授权申明: 成都沁弘消防工程有限企业法定代表人王利平授权 企业总经理王利平 为我方 “ 广安职业技术学院消防隐患整改工程 ” 项目(招标编号: GAZFCG-024号)投标活动正当代表, 以我方名义全权处理该项目相关投标、 签署协议以及实施合相同一切事宜。 特此申明。 法定代表人(签字或盖章): 授权代表(签字或盖章): 投标人: 成都沁弘消防工程有限企业 日 期: 5月10日 开标一览表 序号 项目名称 制造商家及规格型号 数量 投标单价 (万元) 投标总价 (万元) 交货时间 备 注 1 关键产品 成都庆丰 40.88 协议签定后15日内 2 辅材材料 2.07 协议签定后15日内 3 系统调试 0.6 协议签定后15日内 4 税费 3.25 协议签定后15日内 5 6 7 8 9 报价累计(万元): 46.80 大写: 肆拾陆万捌仟元正。 投标人: 成都沁弘消防工程有限企业 法定代表人或授权代表(签字或盖章): 投标日期: 4月10日 序号 产品名称 规格 型号 品牌 单位 数量 单价 金额 (元) 备注 1 热镀锌钢管 DN65 成都庆丰 m 60 170.00 10200.00 2 热镀锌钢管 DN80 成都庆丰 m 346 239.00 82694.00 3 热浸镀锌钢管 DN125 成都庆丰 m 174 392.00 68208.00 4 蝶阀 DN65 成都庆丰 个 13 309.00 4017.00 5 蝶阀 DN80 成都庆丰 个 19 518.00 9842.00 6 蝶阀 DN125 成都庆丰 个 1 760.00 760.00 7 消火栓 成都庆丰 套 4 653.00 2612.00 8 塑料PE管 DN100 成都庆丰 m 380 157.00 59660.00 9 管道支架制作安装 角钢 成都庆丰 kg 300 17.00 5100.00 10 水灭火系统控制装置调试 1 5600.00 5600.00 11 安全出口标志灯 1*8W 成都庆丰 套 26 107.00 2782.00 12 管吊式疏散指示标志灯 1*8W 成都庆丰 套 293 108.00 34574.00 13 吸顶应急灯 1*8W 成都庆丰 套 153 116.00 17748.00 14 电气配管 SC20 成都庆丰 m 6536 9.80 64052.80 15 管内穿线 ZRBV-2.5mm2 成都庆丰 m 14340 3.00 43020.00 16 管内穿线 ZRBV-4mm2 成都庆丰 m 169 4.20 709.8 17 双联单控暗开关 GKB62/1250V10A 成都庆丰 个 100 45.00 4500.00 18 事故照明切换装置调试 1 430.00 430.40 19 辅材材料 沙、 水泥、 砖、 漆 20710.00 20 安全文明施工费 9800.00 21 规费 6700.00 22 税 17010.00 21 分项报价累计: 肆拾陆万捌仟元正。 468000.00 分项报价明细表 投标人: 成都沁弘消防工程有限企业 法定代表人或授权代表(签字或盖章): 投标日期:: 5月10日 投标人基础情况表 投标人名称 成都沁弘消防工程有限企业 注册地址 成城市武侯区晋阳路215号 邮政编码 610045 联络方法 联络人 王利平 电话 传 真 网址 组织结构 法定代表人 姓名 王利平 技术职称 电话 技术责任人 姓名 张海深 技术职称 电话 成立时间 9月 职员总人数: 35人 企业资质等级 其中 项目经理 3人 营业执照号 428 高级职称人员 1人 注册资金 100万人民币 中级职称人员 3人 开户银行 工行成都白马寺支行 初级职称人员 4人 账号 4892872 技工 24人 经营范围 消防工程设计、 安装、 施工、 咨询; 安防工程设计、 安装、 施工; 建筑装饰工程设计、 施工、 咨询; 销售: 防火防盗门、 防火卷帘门、 消防材料、 建筑材料。 备注 投 标 人 : 成都沁弘消防工程有限企业 法定代表人或授权代表(签字或盖章): 投标日期: 5月10日 投标人本项目管理、 技术、 服务人员情况表 招标编号: GAZFCG-024号 类别 职务 姓名 职称 常住地 资格证实(附复印件) 证书名称 等级 证号 专业 管 理 人 员 项目经理 屈勇 成都 技 术 人 员 工程师 张海深 成都 施工员证 水电 技术员 樊朝雨 邻水 技术员 张爱武 达州 售后 服务 人员 技师 杨兴国 成都 投 标 人: 成都沁弘消防工程有限企业 法定代表人或授权代表(签字或盖章): 投标日期: 5月10日
展开阅读全文

开通  VIP会员、SVIP会员  优惠大
下载10份以上建议开通VIP会员
下载20份以上建议开通SVIP会员


开通VIP      成为共赢上传

当前位置:首页 > 包罗万象 > 大杂烩

移动网页_全站_页脚广告1

关于我们      便捷服务       自信AI       AI导航        抽奖活动

©2010-2025 宁波自信网络信息技术有限公司  版权所有

客服电话:0574-28810668  投诉电话:18658249818

gongan.png浙公网安备33021202000488号   

icp.png浙ICP备2021020529号-1  |  浙B2-20240490  

关注我们 :微信公众号    抖音    微博    LOFTER 

客服