收藏 分销(赏)

丛峰公路临漳段施工组织设计.docx

上传人:胜**** 文档编号:934390 上传时间:2024-04-08 格式:DOCX 页数:45 大小:151.36KB 下载积分:10 金币
下载 相关 举报
丛峰公路临漳段施工组织设计.docx_第1页
第1页 / 共45页
丛峰公路临漳段施工组织设计.docx_第2页
第2页 / 共45页


点击查看更多>>
资源描述
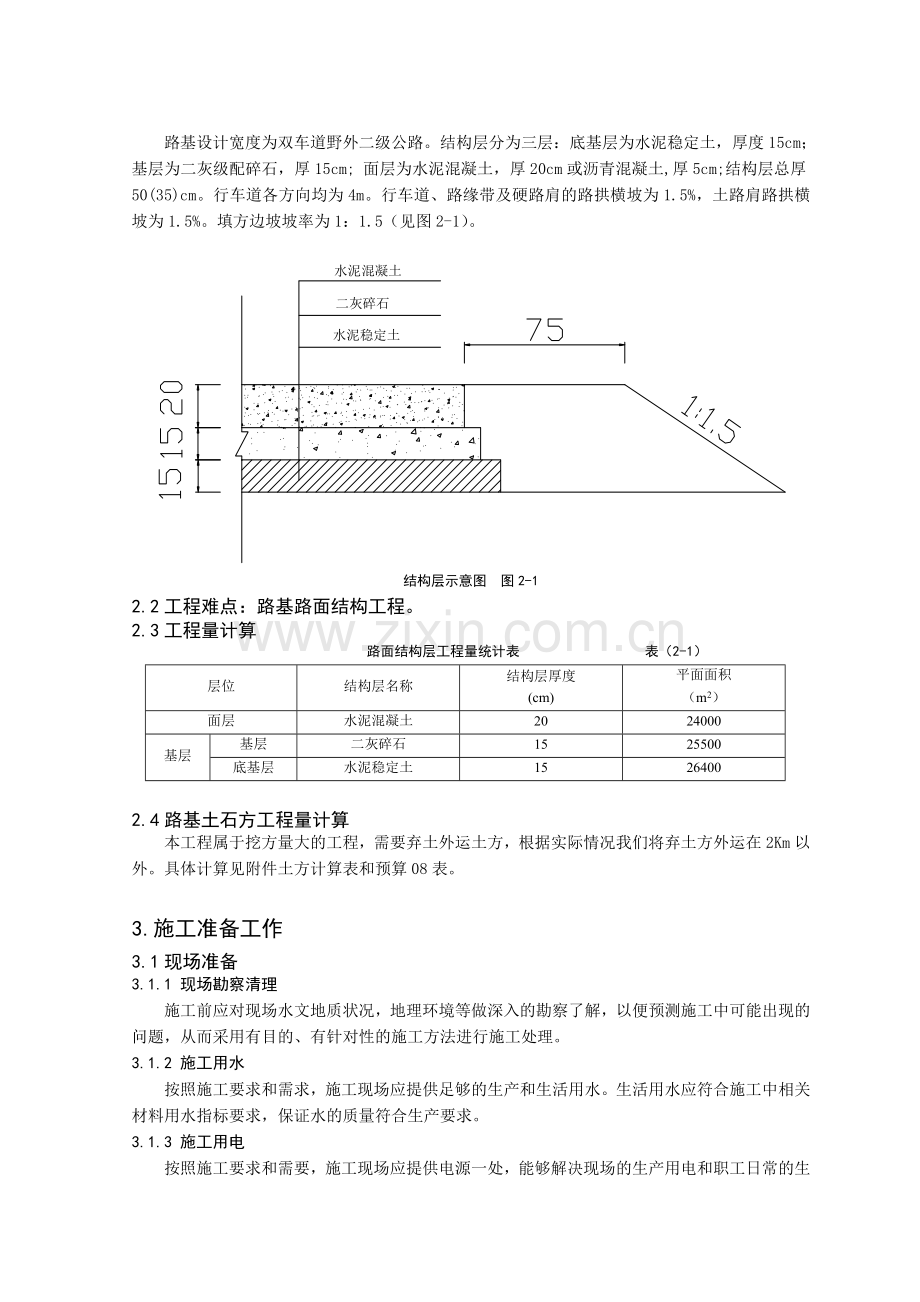
丛峰公路临漳段施工组织设计 学生 李×× 指导教师 ××× 河北工程大学土木工程学院土木工程专业道桥方向 0.绪论 公路施工组织设计是公路工程基本建设项目在设计、施工阶段必须提交的技术文件,是准备、组织指导施工和编制工作计划的基本依据,是整个施工活动实行全面有效管理的基础。从工程施工的全局出发,根据工程的特点,按照客观的施工规律和当时当地的具体施工条件和工期要求等,综合考虑施工活动中的人工、材料、机械、资金和施工方法这五个主要因素。对整个工程的施工进度和相应的资源分配、消耗等做出科学合理的安排,达到降低费用,减少人工和缩短工期的目的,让公路工程的施工能优质、高效、按时、低耗完成。 1.工程概况 1.1地理情况 本标段位于临漳县附近,起点桩号为 k0+000,沿线经蔡村、水牛李、常小庄、耿小庄、兴王村、西孙村、西郝村、古辛屯、孙陶、冯村、李村、刘家村、王家庄、郭村、韩村、伴屯、东太平、西太平、时固。终点桩号为k13+000,路线全长13公里。 本工程位于临漳县西北部,属大陆性季风气候,年平均气温约为摄氏13度,最低温度在1月,极限约为摄氏20度,最高温度在7月,可达摄氏38度。年降雨量627毫米,主要集中在7—8月,无霜期为235天。春季多干旱。该区公路自然区划为Ⅱ4区(冀北山地付区),且地下水对路基基本无影响。 1.2设计依据 根据公路工程集料试验规程[JTJ058-94]、公路环境保护设计规程[JTJ/T006-98]、公路路基施工技术规范[JTJ033-95]、公路路面基层施工技术规范[JTJ034-2000]、公路工程沥青及沥青混合料试验规程[JTJ052-93]、公路沥青路面施工技术规范[JTJ032-94]、公路路基路面现场测试规程[JTJ059-95]、公路土工试验规程[JTJ051-93]、公路工程质量检验评定标准[JTJ071-98]、公路水泥混凝土路面设计规范、公路水泥混凝土施工技术规范、《丛峰公路临漳段柴村至孙陶、板屯至107国道改建工 程施工图及设计说明书》、院《测设任务书》、院《作业指导书》及外业调查资料,现行规范、规程和省颁布的有关规定、定额、规程等。 建设地区的工程勘测和技术经济资料,包括地质、地形、气象、河流水位、降雨以及地区条件等。 计划文件:国家批准的基本建设计划、单位工程项目一览表、分期分批投资的期限、投资指标、管理部门的批件、施工单位上级下达的施工任务书等。 建设文件:批准的初步设计或技术设计文件,总概算已批准的计划任务书等。 2.结构及工程量 2.1结构形式和特点 路基设计宽度为双车道野外二级公路。结构层分为三层:底基层为水泥稳定土,厚度15cm;基层为二灰级配碎石,厚15cm; 面层为水泥混凝土,厚20cm或沥青混凝土,厚5cm;结构层总厚50(35)cm。行车道各方向均为4m。行车道、路缘带及硬路肩的路拱横坡为1.5%,土路肩路拱横坡为1.5%。填方边坡坡率为1:1.5(见图2-1)。 结构层示意图 图2-1 2.2工程难点:路基路面结构工程。 2.3工程量计算 路面结构层工程量统计表         表(2-1) 层位 结构层名称 结构层厚度 (cm) 平面面积 (m2) 面层 水泥混凝土 20 24000 基层 基层 二灰碎石 15 25500 底基层 水泥稳定土 15 26400     2.4路基土石方工程量计算 本工程属于挖方量大的工程,需要弃土外运土方,根据实际情况我们将弃土方外运在2Km以外。具体计算见附件土方计算表和预算08表。 3.施工准备工作 3.1现场准备 3.1.1 现场勘察清理 施工前应对现场水文地质状况,地理环境等做深入的勘察了解,以便预测施工中可能出现的问题,从而采用有目的、有针对性的施工方法进行施工处理。 3.1.2 施工用水 按照施工要求和需求,施工现场应提供足够的生产和生活用水。生活用水应符合施工中相关材料用水指标要求,保证水的质量符合生产要求。 3.1.3 施工用电 按照施工要求和需要,施工现场应提供电源一处,能够解决现场的生产用电和职工日常的生活用电,如施工另外需要用电,可考虑与沿线单位协商有偿用电,以保证正常的施工需要。 3.1.4 现场通道 根据实际情况,在施工现场周围地势平坦地区设置施工临时便道,如果现场地势复杂,不能满足该项要求,则将施工的前段道路作为后段道路的施工临时便道,但是要确保施工完的道路不至于被毁坏。 3.1.5 临时占地及临时建筑 为方便施工,在施工现场地势平坦区建立石灰消解站等生产建筑,此外应该有综合办公室、库房、现场实验室、职工宿舍、食堂以及其他生产生活设施等。 3.2技术准备 合同签订前,由公司组织技术、质量、材料、设备、劳资、财务、预赛、施工等有关人员认真学习招标文件和合同条款。 技术部组织主要施工技术人员勘察地形、地貌,并复测标高,绘制现场平面图,报监理工程师审批。 技术部编制单位施工组织设计或工序施工组织设计,完成工程施工配套作业图纸,经项目部技术负责人审核后,报监理工程师审批执行。 配套的现场实验设备要准备齐全。 3.3实验准备 应根据施工需求健全各种实验室,配置各项实验设施,以满足施工中对材料的实验,并在实验工程中作好每次试验的详细数据记录。实验室要求有专业的试验员,持证上岗。 4.施工现场平面布置 4.1施工平面图总的设计原则: 通过施工平面图设计,为主体工程提高功效、革新技术、保证质量、安全生产、降低成本以及为文明安全施工创造条件。 4.1.1其具体原则主要是: (1)充分利用原有地形、地物,少占农田,因地制宜,以利降低工程成本。 (2)充分考虑水文、地质、气象等自然条件的影响。 4.1.2场区规划必须科学合理: (1)生产作业区,对于主体工程施工区域的布局及其设施,必须从所采用的施工手段和施工方法出发;对于辅助生产区域的布局和设施,必须方便基本生产,在内部也要满足工艺流程的需求;对于服务生产区域的布局及设施,应使其生产单位靠近原料产地或汇集点。 (2)行政区或施工指挥机构的位置,必须有利于行政领导和生产管理。 (3)生活区的布局,必须方便职工生活,有利于休息和文化娱乐。 (4)场内运输的形式的选择及运输路线的布设,应尽量减少物资的运输量和起重量,亦即减少二次搬运和运输距离。 (5)一切设施和布局,必须适应施工进度、施工方法、工艺流程及所采用新技术、新工艺和科学组织生产的需求。 施工平面图须符合安全生产、保安防火和文明生产的规定和要求。 4.2 施工现场总平面图 详图见附件施工现场总平面图。 5.设备、人员、材料运到现场的方法 5.1设备运到施工现场的方法 根据设备进场计划,提前组织运输队伍,调查运输路线,以安全第一,节能降耗为原则,以避免对道路的破坏。设备运输过程中,除运输车、油罐车、砼罐车、洒水车和吊车可直接自行到达施工现场外,其余设备一律采用拖车运输。注意上下拖车时严格按照操作规程进行,以确保机械设备的完好及人员的安全。设备到达现场后,严格按照事先规划的停放方式停放在设备存放场内,并注意保养,并派专人看护。试验设备进入试验室,按照规定安放到各自试验台上。 5.2人员到达施工现场的方法 目前我项目经理部管理人员已分批进驻项目部内。各阶段施工人员按照阶段施工顺序分批到达现场。来往过程中注意安全。 5.3材料运到施工现场的方法 5.3.1 进场计划 我部大范围的进行材料调查,以材料质量符合设计标准和施工规范要求为第一原则,之后考虑运输路途远近、运输路线路线是否畅通、材料价格、供应能力等因素,选取最佳供料商,提前签定供料合同,以确保施工过程中的材料供应。 5.3.2 各种材料进入现场后按照规划好的存料场有序存放。 (1)材料供应保证措施 材料的供应本着“广泛调查、及时定货、快捷运输、充分储备”的原则进行。材料从采购到运输进行系统的管理,首先通过事先大范围的调查筛选,包括材料质量、运输路途、供应能力等诸多因素要全面考虑,确定各种材料的供应厂商,并及时签定供应合同要明确规定供应计划,并突出规定违反合同的惩罚措施,同时多方调查类似厂商,作到有备无患,确保材料供应的数量和质量。按照材料需求计划,通过拟定运输路线,采用最佳运输方式将材料安全运到施工现场,水泥、砂、规格石料等材料要视存料场的大小和材料需求的周期提前储备,并时刻调查市场的供应能力来调节材料储备量,避免出现材料供应紧张。 (2)材料储存保证措施 为确保材料达到存料场后有序存放,并保证使用时的材料质量,提前对材料进行处理。我部计划租用的场地为原地方用地,处理方式采用8%石灰土(20cm)填筑整平压实,并浇筑15cm厚的混凝土面层。为保证场地在施工过程中的正常使用,于全部场地周围开挖临时排水沟,并控制好场地地面与排水沟的高程,以便排水顺畅,因材料场地内无污染性水源,所以排水沟集中至附近河道内,场区及场区内临时道路要高出地面20cm,并作成双向2%的路拱以利排水。竣工后按照场主要求进行整修。 6.主要分项工程施工方案 6.1路基土石方施工方案 6.1.1 编制依据 《施工设计图》 《公路路基施工技术规范》(JTJ033-95) 6.1.2 施工准备 (1)积极与设计、监理单位联系,备齐施工文件、图纸及各种试验、检测、观测表格。组织技术人员认真熟悉设计文件和进行图纸会审,深刻领会设计意图。组织精测队,全标段进行高精度的复测,并与相邻标段贯通,对线路重要桩点加设护桩。 (2)根据路堤填料的设计要求以及设计指定的取土场,做好路堤填料的土工试验。并根据设计做好弃土场的先期准备工作。 (3)根据工程数量及工期要求,配足、配齐先进的施工机械设备及测、试、检仪器。各种检验测量设备进场后均需进行鉴定,校正无误后使用,机械设备认真进行维修和养护。 (4)对参加本项目施工的所有人员在施工准备阶段进行技术培训,提高参战人员的业务素质。 (5)做好物资供应的调查、评价与控制物资的进货检验和试验,确保材料供应及时、质量优良。 (6)安排各施工队进行场地建设,安排工地试验室建设,安排临时住房、水、电的供应及堆料场、拌合场的搭设,尽快搞好三通一平工作。根据施工计划,进行有关的试验准备工作,选定合格材料,并着手备料工作。 6.1.3 路基土石方施工方案 (1)路基土石方施工的工艺流程见图(6-1) 路基土石方施工工艺流程 图(6-1) 挖 刨 旧 路 面 清 理 表 土 土方挖除及摊铺 分层压实至标高 整 平 施 工 准 备 测 量 放 样 边 坡 防 护 (2)填方施工 1)清平及整理 利用推土机及人工清除地表垃圾,集中堆放。采用装载机自卸车外运,自找弃土场丢弃,不能随便丢弃而造成环境污染。清表后采用压路机静压,保证压实度不小于设计值。 所经农田必须清除表层耕植土10cm厚,在填筑前路基翻松30cm,进行翻挖压实,压实度不小于设计值。当压实度无法满足要求,通过掺6%石灰的措施进行基底处理。 2)施工控制 严格按照土石方横断面图来控制填挖方范围。测量人员在施工前一天放样出填挖方范围,并根据填方高度划分填筑区域,必要时撒石灰线。 土石方压实度及含水量控制。为确保填方质量,每层压实检测是必须的。路基压实度依据挖填类型及土层深度按照以下规定控制。土的含水量控制在最佳含水量的±1%~2%之间,以保证达到上述压实度。 为控制回填质量,土方采用分层填筑法,每层虚铺厚度不大于30cm,压实厚度不大于25cm。 3)碾压控制 路基填筑前,首先在全线用地范围内砍树、挖根、并使用推土机、挖掘机结合人工清除表土。清表后,基底应平整并按规定要求进行压实,其压实度不应小于规范要求。路堤填筑按照试验确定的填料严格按规范要求的层厚进行分层填筑,每层填筑厚度不超过30cm,严格控制每层的压实度,每填筑一层经试验室压实度自检、现场监理抽检符合规范要求并经监理工程师签证后再进行下一层的填筑,确保路堤填筑质量。桥台、涵洞、护坡及挡土墙等构造物背后回填采用砂砾分层填筑,每层松铺厚度不超过20cm,采用蛙式打夯机、人工配合夯实,其压实度符合规范要求。路基边缘两侧多压两遍。 碾压由慢到快,从边到中,小半径曲线段由内到外,后轮重叠0.5m,应达到无漏压,无死角,确保碾压均匀。 4)施工中密切注意天气变化,当天填筑不过夜,避免受雨水影响。雨过天晴后,土的含水量偏大,不可立即填筑,需晾晒后检查含水量符合要求,方可进行填筑。 (2)挖方施工 1)测量人员严格按照图纸放样边线撒出清晰的石灰线,有测量人员跟踪控制。 2)采用挖掘机与人工控制,严格按照设计图控制。 3)碾压控制采用手扶式振动夯进行碾压,直到达到按轻型击实试验法确定要求的压实度为止。 6.1.4 边坡施工 路堤边坡施工是路堤作业的重要环节,如果注意不够,不但延误工期,降低工程质量,造成经济损失,而且可能给运输安全带来很大的威胁,施工过程中务必充分重视。路堤边坡的要求应符合《公路工程技术标准》(JTJ001—97)中的规定,还要在施工时注意以下几点: (1)做好坡度式样:按照规定,首先在适当位置做出边坡式样,作为全面施工的参照,以免沿错误边坡延续施工。 (2)放样:根据线路中桩和设计图纸,通过放样定出边坡的位置和坡度,确定路基轮廓,要求放样准确可靠。 (4)随时测量:对高路堤每做一段距离就要抄平放线一次,发现问题,及时纠正,变坡点外更要注意测量检查。 (5)留有余量:路基修筑时,边坡部位要留有一定的余量,以方便进一步修正后,达到设计要求的标准。 填土边坡面,除了截面符合施工图纸形状,并注意上述各点外,施工中最注意的一点是边坡的压实,如果边坡面层和路堤主体相比不够密实,在遇降雨天气时,很可能在水的作用下发生滑坡等破坏,为了防止这种情况,要对路堤边坡尽可能采用机械压实的方法,达到密实要求。 路基经过填土、压实后,要进行整形作业,除路基顶面以外,施工作业比较复杂的也是边坡坡面的整形,可用平地机进行。由于平地机的性能和刮刀长度的限制,坡面在平地机刮刀宽度以内时,可以用一台平地机在一个平面上行驶作业;如果坡面超过刮刀宽度时,一台平地机在一个平面上无法完成坡面整形,可用两台平地机在上下两个平面上同时进行作业,或一台平地机分两次在上下两个平面内分别作业。对于平地机在上下两平面仍不能完成整形作业的大坡面,则必须在分层填筑过程中,在适当时候就进行修正。 在施工作业前,必须在作业段两端做好标准坡面,以便在刮削时有所参照,或者随时用线绳联结两端标准坡面同一位点,指导、检查平地机作业情况,防止超刮及欠刮。对于有找平装置的平地机,也可以用拉线的方式,设置基准进行作业。 当坡面一旦出现超刮,要用人工分层夯实的方法,超高回填后,再做刮削,使之与原坡面构成一体。对于要求较高的过水坡面,上述回填应采取齿阶接合,这个工作一般较为困难,且不易保证工程质量,故要尽量避免发生超刮现象。 6.1.5 土方路基质量检查项目 (1)基本要求 1)在路基用地和取土坑范围内,认真清除地表植被、杂物、积水、淤泥和表土,处理坑塘,并按规范和设计要求对基底进行压实。 2)路基填料应该符合规范和设计规定,经认真调查、试验后合理使用。 3)填方路基须分层填筑压实,每层表面平整,路拱合适,排水良好。 4)施工临时排水系统应该与设计排水系统结合,勿使路基附近积水,避免冲刷边坡。 5)在设定取土区内合理取土,不得滥开滥挖,完工后应该按要求对取土坑和弃土场进行修整,保持合理的几何外形。 (2)实测项目 土方路基检查项目 表(6-1) 1 压实度 % 零填及路 堑上路床(m) 0~0.3 ≥95    按JTJ 071-989和JTJ 059-95检查 密度法:每2000m2每压实层测4处 路堤 m 上路床 0~0.3 ≥95    下路床 0.3~0.8 上路堤 0.8~1.5 ≥93     下路堤 >1.5 ≥90    2 弯沉值(0.01mm) 不大于设计计算值 按JTJ 071-989和JTJ 059-95检查 3 纵断面高程(mm) +10,-15 水准仪:每200m测5断面 4 中线偏差(mm) 50 经纬仪:每200m测5点,弯道加测HY,YH两点。 5 宽度(mm) 不小于设计值 米尺:每200m测5处 6 平整度(mm) ≤15 3米直尺:每200m测4处×4尺 7 横坡(mm) 0.5 水准仪:每200m测4断面 8 边坡 不陡于设计值 每200m抽查4处 (3)外观鉴定 1)路基应该表面平整,边坡直顺。不符合要求时,单向累计长度每50m减1~2分。 2)路基边坡坡面平顺稳定,不得亏坡,曲线圆滑。不符合要求时,单向累计长度每50m减去1~2分。 3)取土坑、弃土堆、护坡道、碎落台的位置适当,外形整齐、美观,防止水土流失。不符合要求时,每处减去1~2分。 4)设计植草的路段,发现明显缺陷时,单向累计长度每50m减1~2分。 6.1.6 质量控制措施 (1)建立健全的岗位责任制,强抓个人职责,明确分工,定岗定责。 (2)完善工地实验室,全面检查仪器设备,保证有效使用,确保试验和检测的准确性。 (3)坚持按设计施工,不得擅自修改设计,危害工程质量。 (4)控制填方的含水量。由于含水量是影响路基土压实度的主要因素,填土碾压前,需测土的含水量,控制在最佳含水量的±1%~2%之间。 (5)除地表杂物,处理好临时排水。 (6)保证路基边坡的压实度,路堤两侧加宽填筑60cm的碾压宽度。 6.2底基层水泥稳定土施工方案 6.2.1 编制依据 《公路路基路面施工技术规范》(JTJ033-95) 《施工设计图》 《公路土工试验规程》(JTJ051-93) 6.2.2 施工准备 (1)组织准备 开工前建立健全的管理机构和施工队伍,明确各自的施工任务。制定施工过程中必要的相关规章制度,明确工程应达到的目标要求等。 (2)材料准备 确保施工中所用材料齐备完善,材料强度符合设计要求,材料供应应及时到位,且应避免浪费。 (3)实验准备 对基层材料及拌和料及时做好实验,确保材料中各项技术指标满足设计要求,对拌和物的配合比严格控制,确保成品强度。同时作好材料的储存保管工作,保证材料在施工前不流失,不造成材料浪费现象。 (4)机械准备 各机械应及时到位,确保每道工序按时完成,确保工期。还要作好机械的保养与维修工作,按时对施工机械进行检修,确保施工中机械的正常进行。 (5)技术准备 做好施工中的技术准备,主要包括施工人员的技术培训,对材料的实验工作等,确保施工技术合理先进,做好混合料的组成设计。 6.2.3 水泥稳定土施工方案 (1)水泥稳定土施工工艺流程见图(6-2)。 (2)准备下承层 1)在土基上恢复中线,直线段每15~20m设一桩,平曲线每10~15m设一桩,并在对应断面的路肩外侧设指示桩。在两侧指示桩上,标出水泥稳定土层边缘的设计标高。 2)下承层表面应平整,坚实,具有规定的路拱,没有任何松散的材料和软弱地点。 3)逐个断面检查下承层标高是否符合设计要求。 (3)施工放样 1)在下承层上恢复中线。直线段每15~20m设一桩,平曲线每10~15m设一桩,并在两侧路肩边缘外0.3~0.5m设指示桩。 2)进行水平测量。在两侧指示桩上用明显标记标出底基层边缘的设计高。 (4)备料 备料应根据各段水泥稳定土层的宽度、厚度及预定的压实度(换算为压实密度),计算各路段需要的干集料质量,根据料场集料的含水量和运料车辆的吨位,确定每车料的摊铺面积及堆放距离。 粉碎土或运送摊铺选料 施工放样 准备下承层 摊铺水泥 洒水预湿 接缝和调头的处理 补充洒水和拌和 养 生 碾 压 整 形 水泥稳定土施工工艺流程 图(6-2) 1)集料:采备集料前,应将树木、草皮和杂土清除干净,并在预定采料深度范围内自上而下采集集料,不宜分层采集,不应将不合格材料采集在一起。如分层采集集料,则应将来料先分层堆放在一场地上,然后从前往后(上下层一起装车),将料运到施工现场。料中的超尺寸颗粒应予剔除。对于塑性指数小于 15 的粘性土,机械拌和时,可视土质和机械性能确定土是否需要过筛。人工拌和时,应筛除 1.5 cm 以上的土块。 2)水泥:水泥稳定土搅拌站应安装调试完毕,具备正常生产能力。搅拌站人员、配套机械设备、材料准备、原材料实验设备人员都应齐备,经试拌、生产的水泥稳定土符合要求。水泥稳定土拌合站应有足够的料场,储存一定数量的土,应有贮存水泥的房间,应有充足的水源,并有准确的水量计。 (5)运输及摊铺 1)运料:运料时,要注意对预定堆料的下层在堆料前应先洒水,使其湿润,不应过分潮湿而造成泥泞;集料装车时,应控制每车料的数量基本相等;在同一料场供料的路段,由远及近将料按计算的距离(间距)卸置于下承层中间或一侧。卸料距离应严格掌握,避免料不够或过多;料堆每隔一定距离应留有缺口;集料在下承层的堆置时间不宜过长。运料较摊铺集料工序宜只提前 1 ~ 2 d ;同料场集料做水泥稳定土时,如路肩用料与稳定土层用料不同,应采取培肩措施,先将两侧路肩培好。路肩料层的压实厚度应与稳定土层的压实厚度相同。在路肩上,每隔 5 ~ 10 m 应交错开挖临时绁水沟。 2)摊铺集料应预先通过试验确定集料的松铺系数。在摊铺集料前,应先在未堆料的下承层上洒水使其湿润,但不应过分潮湿而造成泥泞。摊铺长度应与施工工日进度相同,以次日施工需要量为准。用平地机或其他合适的机具将集料均匀摊铺在预定的宽度上,表面应力求平整,并有规定路拱。摊铺过程中,应注意将土块、超尺寸颗粒及其他杂物拣除,如集料中较多土块,也应进行粉碎。松铺材料层的厚度应符合预计要求(松铺厚度= 压实厚度×松铺系数)。必要时,有应进行减料或补料工作。 3)摊铺水泥:如粘性土过干,应事先洒水闷料,使土的含水量略小于最佳值。细粒土宜闷料一夜;中粒土和粗粒土,视细土含量的多少,可闷 1 ~ 2 h 。在人工摊铺的集料层上,用 6 ~ 8 t 两轮压路机碾压 1 ~ 2 遍,使其表面平整,并有一定密实度。然后,按计算的每车水泥的纵横间距,用水泥在集料层土上做卸置水泥标记,同时划出摊铺水泥的边线,用刮板将卸置的水泥均匀摊开。水泥摊铺完后,表面应没有空白位置。量测水泥的厚度,根据水泥的含水量和松密度,校核水泥用量是否合适。 (6)拌和与洒水 1)集料:应用稳定土拌和机拌和,拌和深度应达到稳定层底。应设专人跟随拌和机,随时检查拌和深度并配合拌和机操作员调整拌和深度,除直接铺在土基上的一层外,严禁在拌和层底部留有“素土”夹层。拌和应适当破坏(约 1 cm 左右,不应过多)下承层的表面,以利上下层的粘结,通常应拌和两遍以上,在进行最后一遍拌和之前,必要时先用多铧犁紧贴下承层表面翻拌一遍。直接铺在土基上的拌和层也应避免“素土”夹层。 2)在拌和过程中,及时检查含水量。用喷洒式洒水车补充洒水,使混合料的含水量等于或略大于最佳值,洒水车距离应长些。水车起洒处和另一端调头处都应超出拌和段 2 m 以上。洒水车不应在正进行拌和的以及当天计划拌和的路段上调头和停留,以防局部水量过大,拌和机械应紧跟在洒水车后面进行拌和,尤其在纵坡大的路段上更应配合紧密,减少水分流失。 3)在洒水过程中,要人工配合拣出超尺寸颗粒,清除粗细石料“窝”,以及局部过湿之处。拌和完成的标志:混合料色泽一致,没有灰条、灰团和花面,没有粗细石料“窝”,且水分合适均匀。 (7)整形和碾压 1)整形:平地机整形,混合料拌和均匀后,先用平地机初步整平和整形,在直线段,平地机由两侧向路中心进行刮平。在平曲线段,平地机由内侧向外侧进行刮平。需要时,再返回刮一遍。用平地机或轮胎压路机快速碾压 1 ~ 2 遍,用轮胎压路机碾压时,因轮胎表面没有花纹,压后表面比较光滑。在用平地机整平前,应先用齿耙把低洼处表层 5 cm 以上耙松,避免在较光滑的表面产生薄层找补情况,用平地机进行整形后再碾压一遍。对于局部低洼处,应先用齿耙将其表层 5 cm 以上耙松,并用新拌和的水泥混合料进行找补平整,再用平地机整形一次,,每次整形都要按照规定的坡度和路拱进行。特别要注意接缝处的整平,接缝必须顺适平整。 2)碾压:整形后,当混合料处于最佳含水量 +1% 时(如表面水分不足,应适当洒水),立即用 12 t 以上三轮压路机, 重型压路机或振动压路机在路基全宽内进行碾压。直线段,由两侧路肩向路中心碾压。平曲线段,由内侧路肩向外侧路肩进行碾压。碾压时后轮应重叠 1/2 倍轮宽,后轮必须超过两段的接缝处,后轮压完路面全宽即为一遍。碾压一直进行到要求密实度为止,一般需 6 ~ 8 遍。碾压过程中,水泥稳定土的表面应始终保持湿润,如表面水分蒸发得快,应及时补洒少量的水。如有“弹簧”、松散、起皮等现象,应及时翻开重新拌和,或用其他方法处理,使其达到质量要求。在碾压结束之前,用平地机再终平一次,使其纵向顺适路拱和超高符合设计要求。终平应仔细进行,必须将局部高出部分刮除并扫出路外,对于局部低洼之处,不再进行找补,留待铺筑面层时处理。 (8)养生 1)水泥稳定土在养生期间应保持一定的湿度,不应过湿。养生期一般不少于7d,养生方法可视具体情况采用洒水、覆盖砂、低塑性土或沥青薄膜等。在养生期间水泥土表层不宜忽干忽湿,每次撒水后,应用两轮压路机将表层压实。 2)在养生期间未采用覆盖措施的水泥稳定土层上,除撒水车外,应封闭交通。在采用覆盖措施的水泥稳定土层上,不能封闭交通时,应限制车速不能超过30km/h,如水泥稳定土层分层施工时,下层水泥稳定土碾压完后,可以立即铺撒另一层水泥稳定土,不需专门的养生期。 3)养生结束后,应立即喷洒透层沥青或做下封层,并在5-10天内铺筑沥青面层。在喷洒沥青透层后,应撒布3~8mm或5~10mm的小碎(砾)石,小碎石不完全覆盖,均匀覆盖约60%的面积,露黑。如喷洒的透层沥青能透入基层,运料车辆和面层混合料摊铺机在上行驶不会破坏沥青膜时,可以不撒小碎石。 (9)接缝和“调头”处的处理 1)两工作段的塔接部分,应采用对接形式。前一段拌和后,留5~8m不进行碾压。后一段施工时,将前段留下未压部分,一起再进行拌和。拌和机械及其他机械不宜在已压成的水泥稳定土层上调头,如必须在上进行调头时,应采用措施(如覆盖10cm厚的砂或砂砾)保护调头部分,使水泥稳定土表层不受破坏。 2)纵缝处理:水泥稳定土层的施工应尽可能避免纵向接缝,一般情况可按下述方法处理,在前一幅施工时,在靠中央一侧用方木或钢模板做支撑,其高度与稳定土层的压实厚度相同。混合料拌和结束后,靠近支撑木或板的一条带,应人工进行找补拌和,然后进行整形和碾压。在铺筑另一幅时,或在养生结束时,拆除支撑木或板。第二幅混合料拌和结束后,靠近第一幅的一条带,亦应做如此处理。 6.2.4 水泥稳定土底基层防治裂缝措施 (1)控制压实含水量:水泥稳定土因含水量过多产生的干缩裂缝显著,因而压实时含水量一定不要大于最佳含水量,其含水量应略小于最佳含水量。 (2)严格控制压实标准:实践证明,压实度小时产生的干缩要比压实度大时严重,因此,应尽可能达到最大压实度。 (3)温缩的最不利季节是材料处于最佳含水量附近。而且温度在0~-10℃时。因此施工要在当地气温进入0℃前一个月结束,以防在不利季节产生严重温缩。 (4)干缩的最不利情况是水泥稳定土成型初期,因此,要重视初期养护,保证水泥土表面处于潮湿状态,禁防干晒。 (5)水泥稳定土施工结束后要及早铺筑上面层,使水泥土含水量不发生大的变化,可减轻干缩裂缝。 (6)在水泥土中掺入集料(砂砾、碎石等),使其集料含量为60%~70%,使混合料满足最佳组成要求,不但提高强度和稳定性,而且具有较好的抗裂性。 6.2.5 水泥稳定土质量检查项目 (1)基本要求 1)土的性质应符合设计要求,土块要经过粉碎。 2)水泥质量应符合设计要求,块灰须经充分消解才能使用。 3)水泥和土的用量按设计控制准备,未消解生水泥块必须剔除。 4)路拌深度要达到底层。 5)混合料处于最佳含水量状况下,用重型压路机碾压至要求的压实度。 (2)外观鉴定 1)表面平整密实、无坑洼。不符合要求时,每处减1~2分。 2)施工接茬平整、稳定。不符合要求时,每处减1~2分。 6.2.6 质量控制措施 (1)建立健全的岗位责任制,强抓个人职责,明确分工,定岗定责。 (2)完善工地实验室,全面检查仪器设备,保证有效使用,确保试验和检测的准确性。 (3)坚持按设计施工,不得擅自修改设计,危害工程质量。 (4)精确控制混合料的配比。 6.3二灰碎石施工方案 6.3.1 编制依据 《施工设计图》 《公路路面基层施工技术规范》(JTJ034-93) 《公路土工试验规程》(JTJ051-93) 《公路工程集料实验规程》(JTJ058-94) 6.3.2 施工准备 (1)组织准备 开工前建立健全的管理机构和施工队伍,明确各自的施工任务。制定施工过程中必要的相关规章制度,明确工程应达到的目标要求等。 (2)材料准备 确保施工中所用材料齐备完善,材料强度符合设计要求,材料供应应及时到位,且应避免浪费。对水泥、粉煤灰和碎石的材料要求: 1)水泥:水泥质量应符合III级水泥的技术指标。有效钙含量20%以上的等外水泥、贝壳水泥、珊瑚水泥、电石渣等的应用,应通过试验,其水泥工业废渣混合料的强度符合规定的强度标准方可应用。 2)粉煤灰:粉煤灰是火力发电厂燃烧煤粉产生的粉状灰渣。绝大多数粉煤灰的主要成分为氧化硅和氧化铝,其总含量应大于70%,在700℃时的烧失量应小于10%。 3)碎石:碎石应洁净、坚硬有棱角。粒径宜为35~70mm,其中大于70mm含量不超过10%,小于35mm含量不超过15%。碎石的压碎值应小于30%,或洛杉矶磨耗率小于40%,含泥量小于3%,针片状颗粒含量小于15%。 (3)实验准备 对基层材料及拌和料及时作好实验,确保材料中各项技术指标满足设计要求,对拌和物的配合比严格控制,确保成品强度。同时做好材料的储存保管工作,保证材料在施工前不流失,不造成材料浪费现象。取有代表性的样品进行下列试验:颗粒分析,液限和塑性指数,粒料的压碎值试验,有机质含量(必要时做)。 (4)机械准备 各机械应及时到位,确保每道工序按时完成,确保工期。还要作好机械的保养与维修工作,按时对施工机械进行检修,确保施工中机械的正常进行。 (5)技术准备 做好施工中的技术准备,主要包括施工人员的技术培训,对材料的实验工作等。确保施工技术合理先进。作好混合料的组成设计,通过实验选取最适合于稳定的碎石材料。 6.3.3 二灰碎石基层施工方案 (1)二灰碎石厂拌法施工的工艺流程见如图(6-3) 接缝和调头处理 准备下承层 施 工 放 样 运输和摊铺拌和料 养生 整型 碾压 二灰碎石厂拌法施工的工艺流程 图(6-3): (2)准备下承层 当二灰碎石用作基层时要准备下承层,对其总的要求是:表面应平整、坚实,具有规定的路拱,没有任何松散的材料和软弱地点。对下承层必须按规范规定进行验收,凡验收不合格的路段,必须采取措施,使其达到标准后,方能在其上铺筑二灰碎石层。 (3)施工放样 1)在底基层上恢复中线。直线段每15~20m设一桩,平曲线每10~15m设一桩,并在两侧路肩边缘外设指示桩。 2)进行水平测量。在两侧指示桩上用明显标记标出二灰碎石层边缘的设计高。 (4)拌和混合料 各种粗、细集料和水泥、粉煤灰按试验取得的配合比,控制含水量,经粒料拌和机拌和均匀后,用自卸车运至施工路段,由粒料摊铺机摊铺,最后人工修整成型。 拟采用中心站集中拌和法施工。集中拌和时,必须掌握下列各个要点: 1)土块、粉煤灰要粉碎,土块最大尺寸不应大于15mm; 2)配料要准确,拌和要均匀; 3)含水量要略大于最佳值,使混合料运到现场、摊铺后碾压时的含水量能接近最佳值; 4)二灰稳定碎石的集中拌和流程如图(6-4): 5)当采用连续式稳定土厂拌设备时,应保证原集料的最大粒径和级配都符合要求,配料应准确。必要时,应先筛除原集料中不符合要求的颗粒; 6)在正式拌制二灰稳定碎石混合料之前,必须先调试所用的厂拌设备,使混合料的颗粒组成和含水量都达到规定的要求。原集料的颗粒组成发生变化时,应重新调试设备; 7)在潮湿多雨地区或其它地区的雨季施工时,应采取措施保护水泥、粉煤灰和细集料免受雨淋。 (5)运输和摊铺 1)应根据集料混合料含水量的大小,及时调整向拌和室中填加的水量;拌成混合料的堆放时间不宜超过24小时,宜在当天将拌成的混合料运送到铺筑现场,不应将拌成的混合料长时间堆放; 粉煤灰或煤渣 有棚料仓或料堆 手推车或装卸机定比例送料 下 料 斗 沥干或洒水 强制式拌和机或双转轴浆叶式拌和机或自落式拌和机(后者宜用不含或少含粘土的集料) 石 灰 有棚料仓或料堆 下 料 斗 充分消解或生石灰粉 手推车或装载机定比例进料 皮带运输机 细土或集料 符合规定技术要求 料 堆 下 料 斗 手推车或装载机定比例进料 二灰稳定碎石的集中拌和流程 图(6-4) 2)事先通过试验确定混合料的松铺系数,将料均匀的摊铺在预定的宽度上,表面应力求平整,并具有规定的路拱。 3)宜采用沥青混凝土摊铺机、水泥混凝土摊铺机或稳定土摊铺机摊铺混合料;在摊铺机后面设专人消除粗细集料离析现象,特别是局部粗集窝或粗集料带应铲除,并用新混合料填补。 (6)整型 碾压按先低后高、先轻后重的原则进行,控制碾压最佳时间,先用压路机静压2~3遍,使该层达到一定的密实度和平整度,然后按试验取得的碾压次数进行碾压,使达到规定的压实度为止。表面必须平整,无轮迹,并采取有效措施保证标高、平整度和每段成型时间符合技术规范的要求。有关具体施工方法和要求如下: 1)平地机整型 混合料摊铺均匀后,先用平地机初步整平和整型。在直线段,平地机由两侧向路中间进行刮平;在平曲线段,平地机由内侧向外侧进行刮平。必要时可再返回刮一遍。用拖拉机、平地机或轮胎压路机快速碾压1~2遍,以暴露潜在的不平整。再用平地机进行整形,并再次碾压一遍。整型过程中,及时消除粗细集料离析现象。对于局部低洼处,应用齿耙将其表层5cm以上耙松,并用新拌的二灰混合料进行找平。再用平地机整平一次。每次整型都要按规定的坡度和路拱进行,并特别要注意接缝处的整平,以保证接缝顺适平整。 2)人工整型 人工用锹和耙先将混合料摊平,用路拱板进行初步整型。用拖拉机初压1~2遍后,根据实测的压实系数,确定纵横断面的标高,并钉桩、挂线,利用锹耙按线整平,并再用路拱板校正成型。 3)在整型过程中禁止任何车辆通行。初步整型后,检查混合料的松铺厚度,必要时进行补料或减料。二灰土的松铺系数为1.5~1.7;二灰集料的松铺系数为1.3~1.5;人工铺筑水泥煤渣土的松铺系数为1.6~1.8;水泥煤渣集料的松铺系数为1.4。用机械拌和及机械整型时,集料松铺系数为1.2~1.3。 (7)碾压 1)整型后,当混合料处于最佳含水量±0.1%时,即可进行碾压,如表面水分不足,应适当洒
展开阅读全文

开通  VIP会员、SVIP会员  优惠大
下载10份以上建议开通VIP会员
下载20份以上建议开通SVIP会员


开通VIP      成为共赢上传

当前位置:首页 > 品牌综合 > 施工方案/组织设计

移动网页_全站_页脚广告1

关于我们      便捷服务       自信AI       AI导航        抽奖活动

©2010-2025 宁波自信网络信息技术有限公司  版权所有

客服电话:0574-28810668  投诉电话:18658249818

gongan.png浙公网安备33021202000488号   

icp.png浙ICP备2021020529号-1  |  浙B2-20240490  

关注我们 :微信公众号    抖音    微博    LOFTER 

客服