收藏 分销(赏)

固化土施工方案.doc

上传人:a199****6536 文档编号:9229735 上传时间:2025-03-17 格式:DOC 页数:15 大小:75.54KB 下载积分:8 金币
下载 相关 举报
固化土施工方案.doc_第1页
第1页 / 共15页
固化土施工方案.doc_第2页
第2页 / 共15页


点击查看更多>>
资源描述
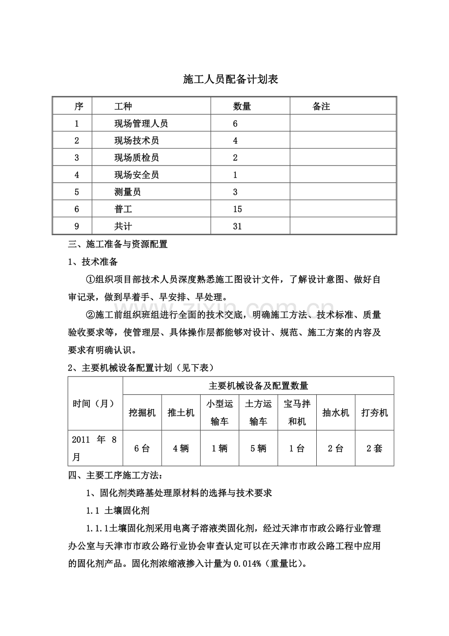
固化土施工方案 固化土专项技术施工方案 一、工程概况 1、建设概况 本工程位于中新天津生态城03片区,起于中生大道环绕营城污水处理厂南东北三侧终点接入中生大道,道路总长约1.5km,道路红线宽16m。 参建单位 建设单位:天津市政景观工程有限公司 监理单位:天津开发区建设工程监理公司 设计单位:天津城建设计院 施工单位:中铁十八局集团第三工程有限有限公司 2、固化土主要工程量表: 20cm厚5%石灰固化土26065.27㎡; 20cm厚2%水泥3%石灰固化土23744.57㎡。 二、施工安排 1、工程施工目标 ①施工进度目标:工期2012年8月11日至2012年8月16日,历时6天。 ②质量目标:合格 ③安全生产目标:安全生产是工程顺利进行的重要保证,也是提高企业经济效益的重要因素,排水工程安全生产控制目标是:重大安全隐患整改率100%、安全检查合格率100%、零伤亡事故。 2、工程施工顺序安排 根据目前施工施工场地情况,施工路段依次为:南段(k0+007-k0+460),东段(k0+460-k1+50),北段(k1+50-k1+502) 3、工程管理机构设置(见下表) 施工人员配备计划表 序号号 工种 数量 备注 1 现场管理人员 6 2 现场技术员 4 3 现场质检员 2 4 现场安全员 1 5 测量员 3 6 普工 15 9 共计 31 三、施工准备与资源配置 1、技术准备 ①组织项目部技术人员深度熟悉施工图设计文件,了解设计意图、做好自审记录,做到早着手、早安排、早处理。 ②施工前组织班组进行全面的技术交底,明确施工方法、技术标准、质量验收要求等,使管理层、具体操作层都能够对设计、规范、施工方案的内容及要求有明确认识。 2、主要机械设备配置计划(见下表) 时间(月) 主要机械设备及配置数量 挖掘机 推土机 小型运输车 土方运输车 宝马拌和机 抽水机 打夯机 2011年8月 6台 4辆 1辆 5辆 1台 2台 2套 四、主要工序施工方法: 1、固化剂类路基处理原材料的选择与技术要求 1.1 土壤固化剂 1.1.1 土壤固化剂采用电离子溶液类固化剂,经过天津市市政公路行业管理办公室与天津市市政公路行业协会审查认定可以在天津市市政公路工程中应用的固化剂产品。固化剂浓缩液掺入计量为0.014%(重量比)。 1.1.2 土壤固化剂的技术性能指标符合现行行业标准《土壤固化剂》CJ/T 3073-1998的规定,其技术要求如下: (1)固体含量 溶液的固体含量不得大于3%,不得有沉淀或絮状现象 (2)固化剂掺入土中,在最佳含水量状态下施工作业,其初凝时间大于4h。即用固化土混合料停放4h,制试件,抗压强度损失不大于10%。 (3)安定性 养护1天的固化土试件经65℃蒸养24h后,在蒸煮箱中自然冷却,试件表面无裂痕。 (4)无侧限抗压强度及水稳定性 固化类混合料的强度及压实度标准 表1.1 层位 处理形式 7d强度要求(标准养护6d,浸水1d)(MPa) 14d强度要求(标准养护6d,浸水8d)(MPa) 压实度(%) 上层 20cm土壤固化剂固化水泥石灰土(2%水泥+3%石灰) 0.8 1.2 96 下层 20cm土壤固化剂固化水泥石灰土(5%石灰) 0.6 0.9 94 1.2 石灰 1.2.1石灰用消石灰,不含生石灰颗粒,石灰等级三级以上。 1.2.2 钙质消石灰中有效钙加氧化镁含量大于55%。 1.2.3 石灰剂量=石灰质量/干土质量 1.3 水泥 1.3.1水泥符合国家技术标准。 1.3.2 终凝时间小于10小时、大于6小时。 1.4 土 1.4.1 选用塑性指数12-16的土质。 1.4.2 细粒土粒径不大于15mm。 1.5 水 1.5.1 采用PH大于或等于6的水。 2、路基处理混合料组成与配合比设计要求 2.1 路基处理层及路面结构底基层混合料配制比例: 1)下层20cm土壤固化剂固化石灰土,石灰占干土重量为5%。 2)上层20cm土壤固化剂固化水泥石灰土,水泥占干土重量为2%,石灰占干土重量为3%。 2.2通过击实实验确定各层混合料的最佳含水量和最大干密度。 2.3 各处理层7d的抗压强度及压实度符合表1.1要求。 2.4 施工现场石灰或土壤固化剂用量高于以上确定剂量。 3、路基处理层施工 3.1一般规定 3.1.1 取现场土样测定天然含水量及土的液、塑限数值并进行标准击实试验确定最佳含水量和最大干密度。 3.1.2 采用现场土及设计要求配比进行7d无侧限抗压强度试验,以备现场施工检测使用。 3.1.3 细粒土应尽量粉碎,土块最大尺寸不大于15mm。配料应准确,路拌法施工时,石灰、水泥应摊铺均匀,洒水、拌合应均匀。 3.1.4 应在混合料处于最佳含水量或略小于最佳含水量(1%-2%)时进行碾压,直到达到设计要求的压实度为止。 3.1.5 应严格控制各层厚度和高程,其路拱横坡应与面层一致。 3.1.6 必须保湿养生,不应使各处理层表面干燥,也不应忽干忽湿。 3.2固化土施工 道路路基处理层施做20cm土壤固化剂石灰土(5%石灰)+20cm土壤固化剂固化水泥石灰土(2%水泥+3%石灰)。 3.2.1下层固化处理层施工工艺 ⑴ 下层固化处理层施工工艺:准备碎石层→施工放样→备料拌合混合料→摊铺整平→碾压→养生。 ⑵ 准备碎石层及防渗土工膜 对已实施碎石层进行整平,采用12吨或以上压路机静压至无轮迹为止,保证应有的路拱。在碾压工程中,如发生弹簧“现象”,应采用挖开、重新回填或掺石灰或水泥等进行处理。 在碎石层上铺筑防渗土工膜,铺设好后用砂袋压住,进行焊接后铺筑固化土。 ⑶ 施工放样 碎石层上恢复中线,直线段每15-20m设一桩,平曲线段每10-15m设一桩,并在两侧固化剂处理层边缘设指示桩,在两侧指示桩上明显标记出固化处理层边缘的设计高。 ⑷ 备料及拌和混合料 将现场所需固化素土进行晒晾。土中树根、草皮和杂物应清除干净。根据固化处理层的宽度、厚度及预定的干密度、石灰剂量、固化剂剂量,计算路段需要的干燥土数量,计算每一立方米固化处理土需要的石灰用量和固化剂用量。在预定堆料的场地堆放满足要求的现场素土,将晒晾的土和石灰先干拌1-2遍,在堆拌过程中使大粒径土自然滑落,然后用推土机排压、碾碎,如此反复数遍。干拌数遍后加水拌和,含水量宜大于最佳值,使混合料运到现场摊铺后碾压时的含水量不小于最佳值,拌和至均匀(应不少于3遍)、灰土最大粒径不超过15mm为止,闷放1-2天。 测定混合料的含水量,按土壤固化剂稀释液中掺水量=(石灰土最佳含水量-石灰土实际含水量)石灰土总重量计算,再根据固化剂占干土重量比确定加入固化剂浓缩液的用量,固化剂稀释液中掺水量确定固化剂稀释比例。用水罐将固化剂浓缩液按比例稀释,采用压力式洒水车或喷管式洒水车均匀喷洒灰土中,待掺入固化剂40分钟后继续拌和,应不少于3遍,直到均匀。 土壤固化剂稀释比计算示范如下: 若土壤固化剂浓缩液每桶重32.5kg(净重),每桶浓缩液的体积为20升,土的干密度为1.75×103kg/m3,混合料的最佳含水量为17%,现场检测混合料天然含水量15%,固化土施工段落长100米,宽17.4米,厚度0.2米,土壤固化剂浓缩液占干土重量采用比例为0.014%。 则计算如下: ① 用途质量: 100米×17.4米×0.2米=348m3(实方) 348m3×1750kg/m3=609000kg ② 稀释水量计算: 最佳含水量-实际含水量=17%-15%=2% 609000kg×2%=12180kg=12.18吨(水) 即需要12.18吨水稀释固化剂浓缩液后加入到348m3土中。 ③ 土壤固化剂用量计算: 720000kg×0.014%=100.8kg 100.8kg÷32.5kg=3.11桶 ④稀释比计算: 土壤固化剂浓缩液体积:3.11桶×20升/桶=62.2升=0.0622m3 稀释用水体积:14400kg÷1000kg/m3=14.4 m3 则土壤固化剂浓缩液:水=0.0622÷14.4=1:231.5(体积比) 若稀释比大于1:150,则需要加强固化用土的翻拌晾晒以降低加入固化剂前土壤的含水量,再实测晾晒后的土壤含水量、重新计算,要保证稀释比小于1:150。 如现场土塑性指数较高,较难拌和,应采用两次拌和,第一次加70%-100%预定剂量的石灰进行拌和,闷放1-2d;此后补足需要的石灰,再进行二次拌和。 (5)摊铺整平 确定松铺系数:考虑下层固化处理层摊铺在相对平整的灰土层上,因此将拌和好的固化土按松铺30cm进行摊铺,即摊铺厚度为20cm*l.5(松铺系数)=30cm或根据现场高程情况确定。 摊铺整平:将拌和好的混合料运到道路中进行摊铺,立即用平地机整形。在直线段,平地机由两侧向路中心进行刮平;在平曲线,平地机由内侧向外侧进行刮平。 用推土机在初平的路段上快速排压一遍,以暴露潜在的不平整。 对于局部低洼处,应将其表层5cm以上翻松,并用新拌和的混合料进行找平。 再用平地机整形一次,应将高出的料直接刮出路外,不应形成薄层填补现象。 每次整形都应达到规定的坡度和路拱,并应注意接缝必须顺适平整。 在整形过程中,严禁任何车辆通行,并保持无明显颜色不一现象。 (6)碾压 整形后,当混合料的含水量为最佳含水量(+1%--+2%)时,应立即用轻型压路机配合12t路机全宽内进行碾压,静压两遍后,采用18t以上三轮压路机进行碾压(不挂振),碾压时两侧向路中心碾压,需重叠1/2轮宽,后轮必须超过两段的接缝处,一般需碾压6—8遍。压路机的碾压速度,头两遍以1.5-1.7km/h为宜,以后以2.0-2.5km/h为宜。 应使各部分碾压到的次数尽量相同,路面的两侧应多压2-3遍。严禁压路机在已完成的或正在碾压的路段上调头或急刹车,保证固化处理层表面不受破坏,碾压过程中,固化处理层的表面应始终保持湿润,如水分蒸发过快,应及时补洒少量的水,但严禁洒大水碾压。 在碾压结束之前,用平地机再终平一次,使其纵向顺适,路拱符合设计要求。终平应仔细,必须将局部高出部分刮除并扫出路外;对局部低洼之处,不再进行找补,可留待铺筑上层时处理。 (7)养生 混合料碾压完成后进行7天的洒水养生,不应过湿或忽干忽湿,每次洒水后,应用两轮压路机将表层压实。在养生期间未采用覆盖措施的固化处理层,除洒水车外,封闭交通。如塑性指数过大,为防止出现裂缝,洒水养生不得间断,尤其在高温天气下。 3.2.2上层固化处理层施工工艺 固化剂固化水泥石灰土施工工艺流程:准备下承层→施工放样→备料拌合混合料→摊铺初平→掺加水泥、固化剂及拌合→碾压→拌合 (1)准备下承层:各项指标满足要求后,方可进行该层固化土施工。 (2) 施工放样 碎石层上恢复中线,直线段每15-20m设一桩,平曲线段每10-15m设一桩,并在两侧固化剂处理层边缘设指示桩,在两侧指示桩上明显标记出固化处理层边缘的设计高。 (3)备料及拌和混合料 将现场所需固化素土进行晒晾。土中树根、草皮和杂物应清除干净。根据固化处理层的宽度、厚度及预定的干密度、石灰剂量、固化剂剂量,计算路段需要的干燥土数量,计算每一立方米固化处理土需要的石灰用量和固化剂用量。在预定堆料的场地堆放满足要求的现场素土,将晒晾的土和石灰先干拌1-2遍,在堆拌过程中使大粒径土自然滑落,然后用推土机排压、碾碎,如此反复数遍。干拌数遍后加水拌和,含水量宜大于最佳值,使混合料运到现场摊铺后碾压时的含水量不小于最佳值,拌和至均匀(应不少于3遍)、灰土最大粒径不超过15mm为止,闷放1-2天。 测定混合料的含水量,按土壤固化剂稀释液中掺水量=(石灰土最佳含水量-石灰土实际含水量)*石灰土总重量计算,再根据固化剂占干土重量比确定加入固化剂浓缩液的用量,固化剂稀释液中掺水量确定固化剂稀释比例。用水罐将固化剂浓缩液按比例稀释,采用压力式洒水车或喷管式洒水车均匀喷洒灰土中,待掺入固化剂40分钟后继续拌和,应不少于3遍,直到均匀。 (4)摊铺初平:确定松铺系数 将拌和好的固化土按松铺28-30cm进行摊铺,即摊铺厚度为20cm*l.4(或1.5,松铺系数),或根据现场高程情况确定。 将拌和好的混合料运到道路中进行摊铺,立即用平地机整形。在直线段,平地机由两侧向路中心进行刮平;在平曲线,平地机由内侧向外侧进行刮平。 用推土机在初平的路段上快速排压一遍,以暴露潜在的不平整。 对于局部低洼处,应将其表层5cm以上翻松,并用新拌和的混合料进行找平。 (5)掺加水泥、固化剂及拌和 掺加水泥:根据固化剂固化水泥石灰土的宽度、厚度及预定的干密度、水泥剂量,计算出每袋水泥的间距,在固化层上安放标记;根据纵横间距划出方格,在每方格内将一袋水泥卸在指定位置,检查有无遗漏和多余;用刮板将水泥均匀摊开,并注意使每袋水泥的摊铺面积相等。水泥摊铺完后,表面应没有缸置,也没有水泥过分集中地点。 宝马拌和机初拌:使水泥与摊铺的灰土拌和均匀,推土机排压正。 掺加土壤固化剂:测定混合料的含水量,将土壤固化剂按最佳含水量-实际含水量=实际掺入量计算需掺入中的水量,用水灌按比例稀释,采用压力式洒水车或喷管式洒水车均匀喷洒在排压后的表面撒有水泥的石灰土层上;喷洒土壤固化剂水溶液时,喷洒应均匀、不遗漏,中途不停车,应防止喷洒量过大。 宝马拌和机二次拌和:宝马拌和机应紧跟洒水车后进行拌和,根据固化剂固化水泥石灰土层厚度的要求,确定拌和深度,由两侧拌向中心,并略破坏下层表面,其深度宜为1cm。两层之间不得留有未掺拌的“素土“夹层;每次拌和应有重叠和翻透,并不得漏拌,且固化类混合料拌和颜色应一致,拌和应不少于三遍或粒径达到要求为止。 整形:再用平地机整形一次。应将高出料直接刮出路外,不应形成薄层填补现象;整形应达到规定的坡度和路拱,并应注意接缝必须顺适平整。 (6)碾压:整形后,当混合料的含水量为最佳含水量(+1%--+2%)时,应立即用轻型压路机配合12t路机全宽内进行碾压,静压两遍后,采用18t以上三轮压路机进行碾压(不挂振),碾压时两侧向路中心碾压,需重叠1/2轮宽,后轮必须超过两段的接缝处,一般需碾压6—8遍。压路机的碾压速度,头两遍以1.5-1.7km/h为宜,以后以2.0-2.5km/h为宜。 应使各部分碾压到的次数尽量相同,路面的两侧应多压2-3遍。严禁压路机在已完成的或正在碾压的路段上调头或急刹车,保证固化处理层表面不受破坏,碾压过程中,固化处理层的表面应始终保持湿润,如水分蒸发过快,应及时补洒少量的水,但严禁洒大水碾压。 在碾压结束之前,用平地机再终平一次,使其纵向顺适,路拱符合设计要求。终平应仔细,必须将局部高出部分刮除并扫出路外;对局部低洼之处,不再进行找补,可留待铺筑上层时处理。 (7)养生 混合料碾压完成后进行7天的洒水养生,不应过湿或忽干忽湿,每次洒水后,应用两轮压路机将表层压实。在养生期间未采用覆盖措施的固化处理层,除洒水车外,封闭交通。如塑性指数过大,为防止出现裂缝,洒水养生不得间断,尤其在高温天气下。 五、质量要求与检查验收 1、一般规定 1.1施工中,应建立健全工地试验、质量检查以及工序间的交接验收等规章制度。试验、检测、验收,应做到原始记录齐全、数据准确和资料完整。 1.2 施工单位应设有对所用材料进行压实度、平整度等各项室内试验的实验室和工地检测的设备和仪器。 1.3每道工序完成后,均应进行检查验收,合格后方可进行下道工序。经检测不合格的,应进行翻修,达到合格要求。 2、材料试验 2.1固化处理层使用的原材料,其试验项目和方法应符合下表规定。 表2固化处理层材料的试验项目和方法 试验项目 材料名称 取样 仪器和试验方法 含水率 素土及固化土 每天使用前测两个样品 烘干法或含水量快速测定仪、酒精法 液限 素土 每天使用前测两个样品,使用过程没2000m³测2个样品 100g平衡椎测限搓条法塑限 有效钙镁的测定 石灰 每批混合料分别测2个样品 有机质 土 对于有怀疑时做此试验 2.2对各层固化处理层应按下表项目进行试验。 表3固化处理层混合料的试验项目 试验项目 仪器和试验方法 重型击实试验 重型击实试验仪器 抗压强度 路面材料测试仪或其他合适的压力仪 3质量要求 3.1施工过程中的质量要求包括外形尺寸的控制和检查以及质量的控制和检查。 3.2外形尺寸的测量频率和质量标准应符合施工图说明书中的规定。 3.3 施工单位应进行质量控制。质量控制的项目、频率和标准应符合下表规定。 表4质量控制的项目、频率和标准 项次 规定值 检查方法和频率 压实度 大于96% 每一个作业段或不大于2000m检查6次以上 弯沉 上层应小于266.2(1/100mm) 每100延米1处 4、施工注意事项 1)现场拌和灰土时一定要保证灰土粒径不大于15mm,且要把灰土中的杂质、未消解的灰块、石块、大粒径灰块剔除干净。 2)不要直接在土壤中加入固化剂浓缩液,要按150-200:1或更高的体积比用水稀释固化剂浓缩液,稀释浓缩液时,应吧固化剂浓缩液加入水中,不要吧水加入浓缩液中。 3)整型后的混合料应在最佳含水量时压实,当表层含水量不足时,应洒水再进行碾压。 4)碾压时下层不能挂振进行碾压,上层可进行强振碾压。 5)混合料碾压成型后,不应忽干忽湿,养护期不应少于7天,且由于本工程土壤的特殊性,洒水养生不能间断,未达到强度要求之前,禁止各类车辆通行。 六、安全控制 1、为杜绝重大事故和人身伤亡事故的发生,把一般事故减少到最低限度,确保施工的顺利进展,特制订安全措施如下:建立安全保证体系,项目部和各施工队设专职安全员,专职安全员属质检科,在项目经理和副经理的领导下,履行保证安全的一切工作。 2、利用各种宣传工具,采用多种教育形式,使职工树立安全第一的思想,不断强化安全意识,建立安全保证体系,使安全管理制度化,教育经常化。 3、各级领导在下达生产任务时,必须同时下达安全技术措施检查工作,必须总结安全生产情况,提出安全生产要求,把安全生产贯彻到施工的全过程中去。 4、认真执行定期安全教育,安全活动,安全检查制度,设立安全监督岗,鼓励和发展全员参与的安全管理良好模式,对发现事故隐患和危及到工程、人身安全的事项,及时处理,作出记录,及时改正,落实到人。 5、固化土施工机械较多,专人负责机械指挥。 七、工期控制 1、在该过程施工过程中,充分发挥我公司施工管理方面的优势,加强施工现场人员、材料、机械设备等管理,规划好施工平面布置,确保工期目标顺利实现。 2、根据本工程的工作内容、工作顺序、持续时间和衔接关系,充分考虑影响工期的因素如:人员、技术含量、运输、施工机具、资金、工程地质、气候现场工作环境等; 3、在本工程施工过程中随时关注天津地区的天气状况,施工正值雨季,针对这一不利因素,必须精心组织。施工期间有专人负责收集天气信息,并向项目经理汇报,以便于工作安排,及时采取相应措施。 ①大风或大雨时,现场有专人值班,发现险情,立即启动应急预案,进行排险工作;风雨过后,对现场设备、设施进行全面细致的检查、整修,特备是用电设备和供电线路,合格后方可继续施工; ②施工场地内做好防洪排水,经常检查、疏通排水系统,确保排水沟渠通畅,排水设备运行正常; ③管好场内排水系统,雨季定专人负责管理,确保场内主要运输道路通畅,必要时路面加铺防滑材料; ④大风、大雨来临前,保护好用电设备和用电线路,必要时切断电源。雨后及时对各种用电设备和线路进行检查尽快恢复正常施工。
展开阅读全文

开通  VIP会员、SVIP会员  优惠大
下载10份以上建议开通VIP会员
下载20份以上建议开通SVIP会员


开通VIP      成为共赢上传

当前位置:首页 > 品牌综合 > 施工方案/组织设计

移动网页_全站_页脚广告1

关于我们      便捷服务       自信AI       AI导航        抽奖活动

©2010-2025 宁波自信网络信息技术有限公司  版权所有

客服电话:0574-28810668  投诉电话:18658249818

gongan.png浙公网安备33021202000488号   

icp.png浙ICP备2021020529号-1  |  浙B2-20240490  

关注我们 :微信公众号    抖音    微博    LOFTER 

客服