收藏 分销(赏)

皮革和毛皮场等级认定评分细则试行.doc

上传人:胜**** 文档编号:903145 上传时间:2024-04-03 格式:DOC 页数:6 大小:176.50KB 下载积分:11 金币
下载 相关 举报
皮革和毛皮场等级认定评分细则试行.doc_第1页
第1页 / 共6页
皮革和毛皮场等级认定评分细则试行.doc_第2页
第2页 / 共6页


点击查看更多>>
资源描述
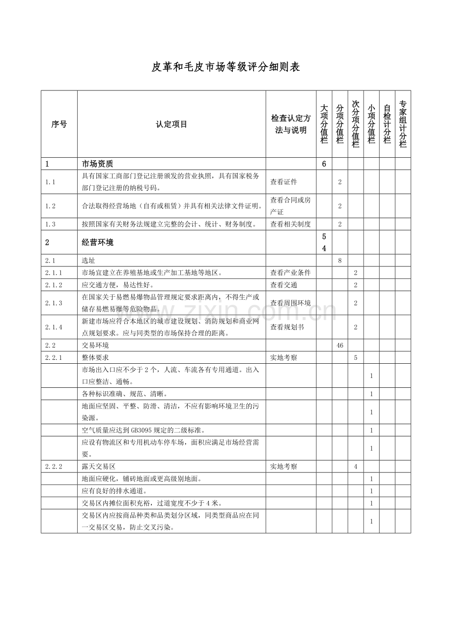
皮革和毛皮市场等级认定评分细则(试行) 说明:依据国内贸易行业标准《皮革和毛市场管理技术规范》和《皮革和毛皮市场等级认定管理办法》(试行)的相关规定制定本细则。皮革和毛皮市场等级认定评分采用得分制,总分满分为200分,其中市场资质满分为6分,经营环境满分为54分,经营设施设备满分为20分,经营管理满分为56分,安全卫生管理满分为48分,防疫管理满分为16分。示范市场总分应不低于160分,达标市场总分应不低于120分。 等级最低分值表 评定指标 等 级 各指标最低分值 市场 资质 经营 环境 经营设施设备 经营 管理 安全卫生管理 防疫 管理 总分 示范市场 6 43 16 45 38 12 160 达标市场 6 32 12 33 28 9 120 皮革和毛皮市场等级评分细则表 序号 认定项目 检查认定方法与说明 大项分值栏 分项分值栏 次分项分值栏 小项分值栏 自检计分栏 专家组计分栏 1 市场资质 6 1.1 具有国家工商部门登记注册颁发的营业执照,具有国家税务部门登记注册的纳税号码。 查看证件 2 1.2 合法取得经营场地(自有或租赁)并具有相关法律文件证明。 查看合同或房产证 2 1.3 按照国家有关财务法规建立完整的会计、统计、财务制度。 查看相关制度 2 2 经营环境 54 2.1 选址 8 2.1.1 市场宜建立在养殖基地或生产加工基地等地区。 查看产业条件 2 2.1.2 应交通方便,易达性好。 查看交通 2 2.1.3 在国家关于易燃易爆物品管理规定要求距离内,不得生产或储存易燃易爆等危险物品。 查看周围环境 2 2.1.4 新建市场应符合本地区的城市建设规划、消防规划和商业网点规划要求。应与同类型的市场保持合理的距离。 查看规划书 2 2.2 交易环境 46 2.2.1 整体要求 实地考察 5 市场出入口应不少于2个,人流、车流各有专用通道。出入口应整洁、通畅。 1 各种标识准确、规范、清晰。 1 地面应坚固、平整、防滑、清洁,不应有影响环境卫生的污染源。 1 空气质量应达到GB3095规定的二级标准。 1 应设有物流区和专用机动车停车场,面积应满足市场经营需要。 1 2.2.2 露天交易区 实地考察 4 地面应硬化,铺砖地面或更高级别地面。 1 应有良好的排水通道。 1 交易区内摊位面积充裕,过道宽度不少于4米。 1 交易区内应按商品种类和品类划分区域,同类型商品应在同一交易区交易,防止交叉污染。 1 皮革和毛皮市场等级评分细则表(续) 序号 认定项目 检查认定方法与说明 大项分值栏 分项分值栏 次分项分值栏 小项分值栏 自检计分栏 专家组计分栏 2.2.3 棚厅交易区 实地考察 5 棚厅应明示交易的商品类型。 1 棚厅宜为封闭或半封闭结构。 1 棚厅应宽敞明亮、通风顺畅。 1 棚厅出入口应不少于2个。有车摊的棚厅,出入口宽度应不少于3米。 1 棚厅过道宽度不应少于2米。 1 2.2.4 门店交易区 实地考察 3 门店招牌宜统一形象设计、统一安放位置。 1 门店前3米内不宜设立露天摊位。 1 门店内仓储区和生活区应相互独立,严禁使用明火。 1 2.2.5 货栈交易区 实地考察 2 应分品分垛管理。 1 应做好防腐、防蚊虫、防鼠、防雨、排水处理。 1 2.2.6 楼宇交易区 实地考察 3 摊位分布合理,按产品类别分区销售。 1 过道宽度不少于1.8米,过道上不得堆放杂物,不得占道经营,保持过道通畅。 1 多层建筑,邻层间应有不少于2条消防通道。 1 2.2.7 活体交易区 实地考察 14 活体交易区应单独隔离,与其它交易区保持一定距离。 2 活体交易区应有单独的活体动物运输通道。 2 活体动物销售商应为销售中活体动物提供充足的食物和清洁的饮水,并定时喂食。 2 活体动物销售商应尽量缩短运输时间,保证其充足舒适的睡眠和休息。 2 不得销售生病或受伤的活体动物,销售过程中发现动物生病或受伤应及时诊治。不得销售未经防疫的活体动物。 2 应给活体动物提供足够的空间,以保证其单独或与同伴自由活动。水貂、狐狸、貉和獾的单体笼舍规格应符合国家林业局《毛皮野生动物(兽类)驯养繁育利用技术管理暂行规定》中的要求,具体见表1。 2 禁止噪音等不良条件妨碍毛皮动物身心健康,以及各种虐待和伤害活体动物的行为。 2 皮革和毛皮市场等级评分细则表(续) 序号 认定项目 检查认定方法与说明 大项分值栏 分项分值栏 次分项分值栏 小项分值栏 自检计分栏 专家组计分栏 2.2.8 屠宰处置区 实地考察环境 10 应在远离活体交易区处设立封闭的屠宰处置区,避免同类看到处死、取皮、刮油等场景。 2 设立电机室或药物注射室,采取人道、安全的电击或药物注射处死,禁止使用击打、敲击等不规范的处死方式。 2 貂、狐、貉、獾等活体动物的取皮工作应经过毛皮成熟鉴定后进行,严禁对毛皮尚未成熟的动物进行提前取皮。 2 取皮操作应在毛皮动物死亡30分钟后进行。严禁在毛皮动物尚未彻底死亡的情况下剥皮。取皮后的毛皮动物胴体应妥善处理,合理利用,严禁随意处置。 2 鼓励市场建设集中定点取皮区,对貂、狐、貉、獾进行定点取皮。 2 3 经营设施设备 实地考察 20 3.1 应设立导购图、车行路线标示图等公共服务设施,各类公共设施应标识明确,符合GB/T10001.1的规定。 4 3.2 应有良好的照明、通风、排水、广播通讯、物流等设施。 4 3.3 应设有信息发布公告设施,发布本市场商品价格、供需状况,同时提供国内外同类市场的相关信息。 4 3.4 应在明显处设立意见箱,并设有专人负责投诉接待工作。 4 3.5 宜根据市场需要配备与市场交易商品要求相关的检测设备或检验检疫设施设备,或临近相关检测、检验检疫单位,便于检测和检验检疫。 4 4 经营管理 查看资料 56 4.1 招商管理 16 4.1.1 对销售商应进行资质审查,资质审查符合要求的方可入场经营。 4 4.1.2 销售商应提供下列有效资质证明: 8 工商行政管理部门核发的营业执照; 2 税务部门批准核发的税务登记或注册税务登记证; 2 企业法定代表人身份证、经营人员身份证及法人代表授权书和身份证; 2 个体销售商应提供身份证、家庭住址、通讯方式等相关必要信息。 2 皮革和毛皮市场等级评分细则表(续) 序号 认定项目 检查认定方法与说明 大项分值栏 分项分值栏 次分项分值栏 小项分值栏 自检计分栏 专家组计分栏 4.1.3 市场应与销售商依法订立、变更及终止合同,并建立合同档案。 4 4.2 商品质量管理 20 4.2.1 交易商品清洁卫生、堆放整齐,商品宜规格化、标准化、等级化。 4 4.2.2 建立商品质量抽检制度,定期或不定期的对市场内的商品进行抽检。已鞣皮革和毛皮应符合GB20400要求。 4 4.2.3 建立商品可追溯制度,实现“场人挂钩”、“场厂挂钩”、“场地挂钩”。 4 4.2.4 建立商品购销查验登记制度,各项经营活动留有交易凭证或记录,完善市场商品台帐档案管理。 4 4.2.5 宜实行貂、狐、貉、獾皮产品专用标识。 4 4.3 销售商管理 8 4.3.1 应建立市场信用记录制度。 4 4.3.2 应建立销售商违规处理制度。 4 4.4 交易服务管理 12 4.4.1 维护公平合理的交易秩序,防止哄抬或打压价格,禁止强买强卖。 4 4.4.2 市场应为现货交易双方的大额资金安全提供保障,市场宜建立现金交易大厅。 4 4.4.3 销售商宜采用合同,拍卖等先进交易方式。 4 5 安全卫生管理 实地考察 48 5.1 消防管理 16 5.1.1 应按照国家有关规定配置消防设施和器材,并定期组织检验、维修,确保完好有效。 4 5.1.2 应定期检查并维护电路、用电设施,确保用电安全。 4 5.1.3 市场应按照消防法规要求设立消防组织,制定灭火和应急疏散预案并定期演练,保证随时启动和安全有效运转。 4 5.1.4 销售人员、管理人员应定期进行消防知识和技能培训。 4 5.2 卫生管理 12 5.2.1 应设有卫生间,卫生间的数量、面积、条件应与市场面积、条件相匹配。 3 5.2.2 应有污水排放管道设施,污水排放应符合GB8978的规定。 3 皮革和毛皮市场等级评分细则表(续) 序号 认定项目 检查认定方法与说明 大项分值栏 分项分值栏 次分项分值栏 小项分值栏 自检计分栏 专家组计分栏 5.2.3 应有垃圾分类收集设施,应及时清运。 3 5.2.4 应建立卫生防疫、环境卫生工作制度,国家公告的传染性疾病传播时期,市场管理应符合GB19085的要求。 3 5.3 保卫管理 12 5.3.1 市场应设有治安值班室。 4 5.3.2 应配备电子监控设备和专职保安人员。 4 5.3.3 保安人员要经过专业培训。 4 5.4 应急管理 8 5.4.1 市场应有突发事件应急预案。 4 5.4.2 建立突发事件应急预案有效启动机制。 4 6 防疫管理 实地考察 16 6.1 有活体交易区或屠宰处置区的市场应设置检疫员岗位,检疫员持证上岗,或当地检疫单位驻场检验。 4 6.2 进入市场的活体毛皮动物、毛皮原料必须来自非疫区,健康无病,有产地动物防疫监督机构出具的动物检疫合格证明。毛皮动物皮张数量与检疫证明数量相符,并具有完整记录(包括产地、检疫情况、数量等)。 4 6.3 活体动物、毛皮动物皮张进行交易前,市场检疫人员应对其进行检疫,并出具检疫证明。 4 6.4 市场活体交易区、屠宰处置区,必须定期对建筑物、运输车辆、设备设施等清洗消毒。 4 总分 200分
展开阅读全文

开通  VIP会员、SVIP会员  优惠大
下载10份以上建议开通VIP会员
下载20份以上建议开通SVIP会员


开通VIP      成为共赢上传

当前位置:首页 > 包罗万象 > 大杂烩

移动网页_全站_页脚广告1

关于我们      便捷服务       自信AI       AI导航        抽奖活动

©2010-2026 宁波自信网络信息技术有限公司  版权所有

客服电话:0574-28810668  投诉电话:18658249818

gongan.png浙公网安备33021202000488号   

icp.png浙ICP备2021020529号-1  |  浙B2-20240490  

关注我们 :微信公众号    抖音    微博    LOFTER 

客服