收藏 分销(赏)

安装施工方案QTZ80.docx

上传人:pc****0 文档编号:8843999 上传时间:2025-03-04 格式:DOCX 页数:32 大小:511.51KB 下载积分:10 金币
下载 相关 举报
安装施工方案QTZ80.docx_第1页
第1页 / 共32页
安装施工方案QTZ80.docx_第2页
第2页 / 共32页


点击查看更多>>
资源描述
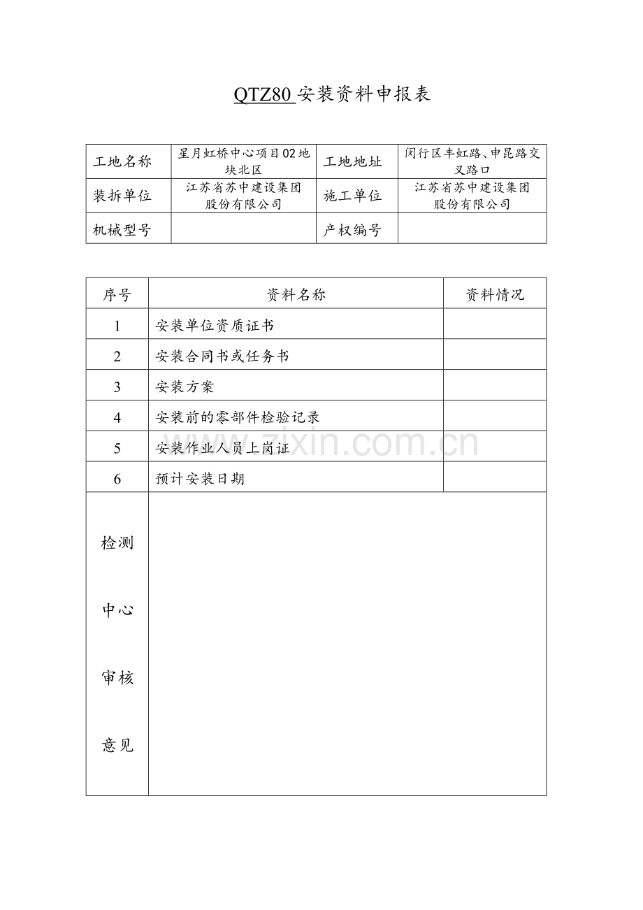
虹桥商务区主功能区物流片区02地块北区 3#、5# QTZ80塔吊安装施工方案 江苏省苏中建设集团股份有限公司 二0一六年九月 QTZ80安装资料申报表 工地名称 星月虹桥中心项目02地块北区 工地地址 闵行区丰虹路、申昆路交叉路口 装拆单位 江苏省苏中建设集团 股份有限公司 施工单位 江苏省苏中建设集团 股份有限公司 机械型号 机 产权编号 序号 资料名称 资料情况 1 安装单位资质证书 2 安装合同书或任务书 3 安装方案 4 安装前的零部件检验记录 5 安装作业人员上岗证 6 预计安装日期 检测 中心 审核 意见 附件2 作业前检查记录 序号 检查内容 检查结果 检查人 1 混凝土固定基础 2 各机械、各部位、结构焊缝 3 重要部位螺栓、销轴 4 卷扬机构、钢丝绳、吊钩吊具 5 电气设备、线路 6 顶升液压系统的液压缸和油管,顶升套架结构、导向轮、挂靴爬爪 7 作业人员的工具、安全帽、安全带 8 电源闸箱及供电线路 9 作业场地、运输道路 10 安全岗设置及安全措施的落实 11 12 13 14 15 塔式起重机安装任务书 根据生产计划安排,要求你项目部于2016年9月在工地组织安装型号为QTZ80塔吊2台。并落实专人指挥,操作人员持证上岗,加强安全监护,严格按规程操作,安装完备自检合格后报工程公司。 签发部门:江苏省苏中建设集团股份有限公司 第三工程公司 签发人: 签发日期: 年月日 目 录 一、工程概况……………………………………………………… 4 二、编制依据:…………………………………………………… 4 三、塔式起重机安装位置平面和安装作业范围平面图 4 四、作业人员组织和职责………………………………………… 5 五、塔式起重机技术参数、主要零部件重量和吊点位置……… 6 六、安装(拆卸)辅助设备的型号、性能及布置位置………… 6 七、吊索具的配置、安装与拆卸工具及仪器……………………7 八、施工条件及安装前的准备……………………………………7 九、塔式起重机的安装…………………………………………… 9 十、安装(拆卸)安全技术措施………………………………… 21 十一、安全保证体系…………………………………………… 23 十二、文明施工及环境保护………………………………………23 十三、塔式起重机的拆卸…………………………………………23 十四、安全装置的调整……………………………………………24 十五、塔机附着的安装……………………………………………26 十六、方案附件: 附件一:塔式起重机基础图 附件二:塔式起重机定位平面图 附件二:塔式起重机安装位置平面图 塔式起重机安装、拆卸施工方案 一、工程概况 1、本工程为上海市虹宇物流有限公司开发的虹桥商务区主功能区物流片区02地块北区项目,包括1#、2#、3#、4#、5#楼及地下室,位于上海市闵行区丰虹路与申昆路交叉路口。 2、1#、2#、3#、4#、5#楼,高度为42.1米,总建筑面积为76588.40㎡。结构为框架剪力墙结构体系。建筑安全等级均为二级,结构设计年限50年。建筑抗震设防为丙类,设防烈度为七度。防火等级为二级,地下室防水等级为二级。 二、 编制依据: 1、业主提供的由上海天华用建筑设计院有限公司设计的本工程施工图纸; 2、业主提供的由北京航天勘察院设计有限公司提供的的《岩土工程勘查报告》; 3、建筑地基处理技术规范(JGJ79-2012) 4、中华人民共和国建筑设计规范、标准以及相关的施工及验收规范; 三、塔式起重机安装位置平面和安装作业范围平面图 1选型:根据工程长、宽、高和吊装要求,特选择安装为QTZ80型塔机,起重臂长55m,独立高度为40m,塔身标准节截面外型为1.8×1.8×3m每节之间用8只高强螺栓连接。 2定位:塔机安装在3#楼3-D轴交3-5至3-6轴中心向西4.5米的位置;5#楼塔基位于5-A轴交5-3至5-4轴中心交5-A轴向南平移4.5米的位置。 3、塔机基础为4.5m×4.5m,1.35 m高。基础配筋:上下层钢筋为22根Φ15双层双向。3#楼混凝土标号为:C35、5#楼混凝土标号为:C35 P6。 3、供电条件: 电源频率: 50Hz        电源电压:三相380V±5% 供电电源的容量≥25KVA     电缆截面:3×25+2×16㎜2 控制电路电压:~48 V 50 Hz 安装位置平面、立面图和安装作业范围平面图附后。 四、 作业人员组织和职责 一、拆、装、运人员落实 总指挥 周华俊 ;现场指挥 王德荣 ; 技术负责人 刘汉飞 ;安全负责人 钱祥贵 ; 施工员 范存晶 ;安全员 丁忠荣 ; 起重工 崔益根 曹彪 卢庆友 ; 装拆操作人员 徐孝春 陈广稳 袁宝根 陈云 张怀友 ; 机修工 周俊峰 ;电工 李荣俊 ; 吊运设备驾驶员 罗集泉、顾振卫 ; 焊工 许福利; 1. 项目经理:确保安装、拆卸现场满足作业面要求;指定专人对设备安拆现场进行安全监护。 2. 安装负责人:现场总指挥,与工地协调关系; 3. 安全员:负责设备安装过程中的安全监督。 4. 安拆技术员:负责调配人员及设备安装过程中的技术、安全工作。 5. 安拆操作工:严格按照安拆工艺要求操作,按操作规程进行设备安装、拆卸工作(5人)。 五、塔式起重机技术参数、主要零部件重量和吊点位置 1. 主要技术参数 QTZ63塔式起重机起重臂长56m,独立高度为42m,采用附着式高度可达220m,起重力矩800KN.M,最大工作幅度为56m,最小工作幅度为2.5m,最大额定起重量6 T,整机额定总功率32.8KW,塔身标准节截面外型为1.6×1.6×2.8m每节之间用8只高强螺栓连接。本机完全能满足施工需要。 2. 主要零部件吊点位置 a、平衡臂:吊点为四个焊接在平衡臂两侧主弦杆的耳板 b、起重臂:吊点中心距起重臂根部17.5m。 c、塔 顶: 吊点在塔顶上部耳板轴销处。 d、回转总成: 吊点在回转上支座塔顶安装耳板处。 e、爬升架: 吊点在安装回转下支座的四个轴销孔处。 f、基础节: 吊点为标准节螺栓连接孔。 六、安装(拆卸)辅助设备的型号、性能及布置位置 1、辅助设备的型号:QY50 2、辅助设备的性能及布置 (1)设备距起吊物10m起升高度17m时,其主臂仰角为59.5°,可吊载7100kg,满足吊装需要。 (2)设备距起吊物7m起升高度17m时,其主臂仰角为67.6°,可吊载9400kg,满足吊装需要(该处进行平衡臂、起重臂的安拆作业)。 七、吊索具的配置、安装与拆卸工具及仪器 1、8磅、3磅大锤各一把;撬棍两根;吊装钢丝绳一付;标准节专用扳手两把;专用扳手、钢丝绳、大绳、吊索、对讲机等;常用电工工具;水平仪、经纬仪; 八、施工安装前的准备 (一) 安装前的准备 1. 塔式起重机基础砼的施工: (1) 塔机基础砼浇筑方案如下: a. 混凝土标号C35、C35 P6; b. 平整基础场地,浇注素混凝土层,厚度150mm; c. 混凝土基座的钢筋网由上下两层钢筋组成,相互间用铁丝扎接,每层钢筋又由两排互相交叉的钢筋组成。另见基础图。 d.用水平仪找正,各支脚处于同一水平面内,允差≤4mm; e. 将塔机基础与拟建物接地网相联,确保接地电阻≤4Ω。 f. 4#楼塔机基础在塔机安装完备后用标准砖在塔机四周砌挡土墙,内部作防水,砂浆抹面。 基础由施工单位负责浇注(另见该项目提供的隐蔽资料)。 2. 安装前的准备: (1)检查塔机基础是否符合技术要求。混凝土强度等级应不低于C35的90%,具体数值见基础混凝土试压报告,方可进行基础安装。基础表面平整度偏差小于1/1000。 (2)对所拆装塔式起重机的各机构、各部位、结构焊缝、重要部位螺栓、销轴、卷扬机构和钢丝绳、吊钩、吊具以及电气设备、线路等进行检查,发现问题及时处理。 (3)对自升塔式起重机顶升液压系统的液压缸和油管、顶升套架结构、导向轮、挂靴爬爪等进行检查,发现问题及时处理。 (4)对安装人员所使用的工具、安全带、安全帽等进行全面检查,不合格者立即更换。 (5)检查安装作业中的铺助机械,如起重机、运输汽车等必须性能良好,技术要求能保证安装作业需要。 (6)检查电源闸箱及供电线路,保证电力正常供应。 3. 其它事项: 签订设备安装合同、安全协议书 → 车辆配备 → 人员配备 → 工具、安全防护用品配备 → 装车现场检查、清点设备 → 安全技术交底 → 设备安装 (1)吊装车辆:一辆50吨吊车。 (2)运输车辆:一辆自卸车。 (3)安装现场 安装负责人:现场总指挥,与工地协调关系; 安全员:负责设备安装过程中的安全监督; 技术员:负责调配人员及设备安装过程中的技术、安全工作。 安装操作工:设备安装(5人) (4)装车现场 技术员(1人); 装卸工(2人); (5)工具:专用扳手、钢丝绳、大绳、吊索等; (6)安全防护用品:安全帽、安全带、对讲机; (7)安全、技术交底; (8)装车前,清点设备,螺栓、销轴准备; (9)检查施工现场:电、场地、道路; 九、塔式起重机的安装 (一)吊装方案: 1、安拆作业选择白天进行,基础节、回转、塔帽、平衡臂安装时,吊车应调整至距塔机中心7m处,安装起重臂时,吊车应调整至距塔机中心20.21m处。 2、塔机起重臂(加节方向)朝西。 3、塔机平衡臂、起重臂及配重的安装在拟建物东面完成,且塔机安装完毕,一次顶升至自由高度,方可检测使用。 4、吊车作业时应派专人负责监护设立警示牌。 (二)安装作业中的安全技术: 该塔机作业不得在大风、高温(40℃)或雪雨天气中进行。 1、在安装作业的全过程,必须保持现场的整洁和秩序。周围不得堆存杂物,以免防碍作业并影响安全。对放置起重机金属结构的下面,必须垫放枋子,不少于4个支点,防止损坏结构或造成结构变形。 2、安装架设用的钢丝绳及其连接和固定,必须符合标准和满足安装要求。 3、在进行逐件组装或部件安装之前,必须对部件各部分的完好情况、连接情况和钢丝绳穿绕情况、电气线路等进行全面检查。 4、在安装起重臂和平衡臂时,要始终保持起重机的平衡,严禁只安装一个就中断作业。 5、在安装作业过程中,如突然发生停电、机械故障、天气骤变等情况不能继续作业,或作业时间已到需要停机休息时,必须使起重机已安装的部位达到稳定状态并已锁固牢靠,所有结构件已连接牢固,塔顶的重心线处于塔底支承四边中心处,再经过检查确认妥善后,方可停止作业。 6、安装时应按规范要求使用规定的螺栓、销、轴等连接件,螺栓紧固时应符合规定的预紧力,螺栓、销、轴都要有可靠的防松或保护装置。 7、在安装起重机时,必须装上各部位的栏杆、平台、护栏、扶杆、护圈等安全防护装置。 8、安装作业的程序,辅助设备、索具、工具等,均应遵照该机使用说明书中的规定。 (三)安装工艺: 设备装配工艺:塔机基础节→ 爬升架总成→ 回转总成安装 → 塔顶、驾驶室安装 → 平衡臂的安装 → 起重臂、拉杆安装 → 配重 → 穿绕大钩、小车钢丝绳 → 顶升爬升架、调试限位 → 整机试运转 → 自检 → 外检 1、基础节 ①、安装步骤 将2800㎜的基础节起吊,与预埋在毛脚上的标准节穿螺栓连接。 ②、安装要求 (1)带顶升耳座的一侧应处在平衡臂方向。 (2)每个螺栓应施加拧紧力矩在5540~6637kN•m之间。 ③、注意事项 (1)定位销外露部分要经常涂抹黄油。 (2)连接螺栓螺母及垫圈在扳手力矩的作用下有相对磨擦的部位均涂抹一层3#复合钙基润滑脂。 2、塔身标准节 ①、安装步骤 (1)先将两节标准节在地面用16根M33高强度螺栓联接成一体。 (2)吊装在基础节上面,并紧固好,应将有踏步的两根主弦杆对准基础节上有踏步的主弦。 ②、安装要求 (1)安装后,端面与基础节的中心线的垂直度不大于3mm。 (2)每个螺栓应施加拧紧力矩在5540~6637kN•m之间。 ③、注意事项 (1)定位销外露部分要涂抹黄油。 (2)连接螺栓螺母及垫圈在扳手力矩的作用下有相对磨擦的部位均涂抹一层3#复合钙基润滑脂。 3、顶升套架 ①、安装步骤 顶升套架总成由四部分组装而成,即:顶升套架、顶升撑脚、平台及扶栏、液压泵站及油缸。 (1)地面组装: A、用Ф60销轴将油缸固定在套架上,活塞杆朝下; B、用支撑杆和销轴Ф25将平台安装在套架上; C、装上平台扶栏,用销固定在平台上,并用固定箍将护栏固定在一起; D、将液压泵站吊放在平台适当位置。 (2)将顶升撑脚持在调整节最底部的耳座上; (3)将顶升架吊起,插入基础节,用销轴Ф60连接油缸与顶升撑脚; (4)将套架上的爬升搁在基础节踏步上,使有油缸的一面对准塔机加强节上有踏步的一面套入。 ②、安装要求 (1)拉杆与外伸框架连接好后,调整螺母,使其外端上挠其长度的1 / 1000。 (2)顶升套架滚轮和塔身之间的间隙均匀,套架各面与塔身各面相平行。 ③、注意事项 (1)在不顶升时,须将液压顶升装置驱动电机的起动开关锁紧,严禁起动电机。 (2)在不顶升时,顶升横梁搁于塔身踏步上,也可将爬升架下降到塔身根部。 (3)液压顶升机构装在固定位置,活塞杆为收进状态。 4、回转支承总成 回转支承总成由上、下支承、回转大轴承、回转机构及加节导轨组成,且回转上支承上三面布置平台,工作方便、安全。 ①、安装步骤 (1)地面组装 除加节导轨外,回转支承总成各部件均已在厂内安装完毕,加节导轨按下述方法组装。 用两个销轴Ф20×70及两个销轴Ф20×120将导轨固定于回转支承底部,用销轴Ф20×140固定两块轨道支承板。 (2)吊具挂在上支承主角钢连接块的销油上; (3)在回转支承上系一导向绳; (4)吊起回转支承总成,使加节导轨与臂架方向一致,插入基础节内用定位套及高强螺栓M33×310连接。 ②、安装要求 (1)回转总成整体吊装与基础节联接。 (2)回转支承与上支座连接时,28个螺栓应施加833N•m的预紧力矩,且螺栓表面涂抹一层复合钙基润滑脂。 ③、注意事项 上支承结构和右走台的联板一定要用M16—70的螺栓拧紧,检查时不允许有松动现象。 5、驾驶室节总成 驾驶室节总成由驾驶室节,重量限制器,驾驶室以及电气柜组成。 ①、安装步骤 (1)在地面上,将重量限制器装于驾驶室节前侧顶部。将司机室的各电气设备检查好; (2)吊起驾驶室节,将菱形腹杆一面朝平衡臂方向,以利于工作人员进出,驾驶室节用销轴及开口销联接在回转上支承上; (3)吊起驾驶室,用螺栓连接将驾驶室固定在回转支承左侧平台上。(即回转机构对面平台上) ②、安装要求 (1)安装销轴时,应抹一层钙基润滑脂。 (2)驾驶室用销轴与平台联接。 (3)回转塔身安装在上支座上,8根M42×310螺栓副以2100N• m。 6、塔帽总成 塔帽总成由塔帽结构,力矩限制器、拉板,安装滑轮组以及平台组成。 ①、安装步骤 (1)将塔机起吊至回转塔身正上方; (2)用4个销轴与回转塔身连好,并使开口销张开。 ②、安装要求 (1)在地面上将上述各部分组装在塔帽结构上。 (2)起吊塔帽总成,用四个销轴与驾驶室节连接并插入开口销。 7、平衡臂总成 平衡臂总成由平衡臂、扶栏、平台,起升机构及电气柜、拉杆等组成。 ①、安装步骤 a. 将起升机构、配电箱、电阻箱等装在平衡臂上; b. 接好各部分所需电线; c. 风帆板共四块,根据起重臂的长度,变化风帆的安装位置,全部或部分安装风帆,安装在两护栏外侧; d. 安装拉杆。(事先将每根拉杆的最后一节在地面上装在塔帽上); e. 用方木在平衡臂上将拉杆担起(以保持拉杆的位置); f. 平衡臂系一缆绳作为吊装时在地面上导向使用。 ②平衡臂吊装 a. 用四条Ф18,长4m的钢丝绳挂在平衡臂吊点上,将平衡臂稍微吊离地面,检查起吊是否平衡; b. 提起平衡臂离地50cm,停留几分钟,检查吊钩是否下滑; c. 吊起平衡臂,并将其固定在塔头上,两个轴销必须在销孔内就位,然后加开口销锁住; d. 将平衡臂端部提高,使之倾斜,操作者系好安全带,将平衡臂上的拉杆与塔头上的拉杆销联,并加开口销; e. 将平衡臂缓慢放平,使拉杆张紧; f. 放下连接通道,松开吊索及牵引绳; 8、起重臂总成及起重臂拉杆总成 起重臂总成 由起重臂结构,小车牵引机构,起重小车等组成。 (1)起重臂的安装准备 a. 在地面用相应的销轴把臂架节装配在一起,组装成整体臂架,全长范围内支架不应少于6个,且每个支架应垫好受力,为了穿绳方便,可分别支在两边主弦杆下; b. 安装小车,且固定在吊臂根部,应使小车离开地面; c. 在起重臂上弦杆上安装拉杆支架及横梁支架; d. 用销轴把吊臂拉杆连起来,且固定在吊臂上弦杆的相应支架上; e. 安装托架总成,其两端分别与起重臂端部、根部拼接的拉杆用轴销固定; f. 将安全钢丝绳系在起重臂端部,穿过起重臂的钩子,固定在起重臂根部最后一根斜腹杆上; g. 安装吊索(两根8m长,直径为Ф21.5)按54m起重臂重心应处于17.3m处,选择挂绳处,试吊是否平稳,否则可适当移动吊点位置;应确保吊索安装在臂架上弦杆的节点前或后,严禁放在斜腹杆之间。吊点处钢丝绳之间不要挤压拉杆; h. 在起重臂端部系上一根牵引绳,以便于地面引导; (2)起重臂的安装 a. 由地面吊起臂架,检查其稳定性及横向水平性; b. 吊起臂架至销接位置,在臂根处联结就位。 c. 使用起升机构由起重臂上面提起托架横梁,尽快将托架处长短拉杆间的两连杆用轴销相连并开口销固定。 d. 汽车吊继续提升起重臂,使其头部抬起,然后起升机构提升,将拉杆托架与塔头轴销连接并开口销固定; e. 松驰起升机构钢丝绳,把吊臂缓慢放下,使拉杆处于拉紧状态,然后,松脱滑轮上的起升钢丝绳,拆除吊索,解下臂架端部导引绳; f. 吊装剩余平衡重,安装完毕,用锁杆将整个组件锁紧; g. 穿绕起升钢丝绳; 将起升钢丝绳引经排绳器及塔顶导向滑轮;再绕过在回转塔身上的测力环滑轮;然后,引向小车滑轮与吊钩滑轮穿绕;将绳头固定在臂端点上。 h. 检查吊臂上的电路是否完善,然后,穿绕小车牵引钢丝绳; (3)安装要求 a. 组装后,起重臂纵轴线的直线应平直,无过大变形,纵轴线对其根部铰轴线的垂直度允差为4/1000。 b. 下弦杆的上平面及外侧平面高差小于3mm。 c. 各销轴应先涂黄油,销轴上的开口销必须张开。 d. 拉杆托架的位置,可根据实际需要进行调整。 (4)注意事项 a.在安装起重臂之前,应先在平衡臂上安装一块配重B(1.3吨),安装完起重臂之后,才能将其余配重安装在平衡臂上。 b.吊装时,吊车距塔机13m,但也不能大于20m。吊点距根部铰点17.3m。 c.装配后,两吊点销孔位置应保证吊臂拉杆装配顺利。 d.整体臂架用支架放在地面时,严禁为了穿绕小车牵引绳方便仅支承两端。 e.若由于制造误差,引起起重臂过分上翘或下挠,必须更换调节板。 f.起重臂吊装完后,即刻根据所使用的臂架长度,按规定安装不同重量的平衡重,以免倾倒。 9、穿绕起升钢丝绳 起升钢丝绳规格为6W(19)-11-170-I-光-右绞(GB/T8918-1996),卷筒的最大容绳量为260m。 将钢丝绳经卷筒,穿过排绳滑轮,塔帽滑轮,再经驾驶室顶部的重量限制器滑轮引至起重小车上,最后将绳头固定在起重臂端部。 10、顶升加节 ①、顶升加节准备 (1) 套架安装就位 当套架距回转支承很近时,使用液压顶升装置逐次顶升,直至套架立柱插入下支承四角固定; 当套架距回转支承较远时,可用一根Ф15,长4米的钢绳系在油缸固定件同一水平上的套架后梁上,利用起升机构提起套架,固定在下支承四角。提升过程应严防卡阻现象。 (2) 顶升撑脚安装 顶升油缸活塞杆回缩,用销轴把撑脚挂在顶升耳座上。 (3) 导轨的安装 如果回转支承安装时未装上导轨,可按下法进行安装: 用吊钩吊起吊轨,用轴销Ф20×140与支承板相连。然后缓缓放下使导轨水平。最后将支承板拉杆转至导轨前端耳板固定。 ②、项升前塔机的配平 必须使塔机顶升部分的重心落在顶升油缸的轴线上,才能保证顶升组件(油缸和套架)工作良好可靠。 塔机配平前,应将标准节挂在导轨上。 不可忽视风力对塔机配平的影响,风力超过4级时,严禁加节作业。 塔机配平分两步进行: (1) 在规定幅度上悬挂载荷进行理论配平。 (2) 调整起重小车进行实际配平。 (3) 配平作业过程 塔机理论配平后,拆除回转支承支脚与标准节的连接; 操纵顶升机构,使套架顶升至回转支承的主角钢平面刚刚离开塔身主弦上的连接块; 通过观察连接块与支承角钢的位置,找出实际配平的距离,按有关规定移动起重小车; 起重小车的配平位置可用布条系在该处的斜腹杆作为标志,此标志随臂架长度不同而改变。事后应将该标志取消。 ③、顶升加节 (1) 工作原理 顶升加节是一个重复多次的动作过程,其步骤是: 由支撑在撑脚上的油缸顶起上塔部分; 借助于套架上的棘爪把顶升部分支撑在塔身的顶升耳座上; 拆卸撑脚与耳座的连接,收缩油缸,升起撑脚; 把撑脚销定在上方顶升耳座上; 将上述动作反复进行三次,获得加节空间,这时塔机处于加节位置。 (2) 引入标准节 塔机顶升部分通过套架棘爪支撑在塔身的最后一个标准节的上耳座上。活塞杆几乎全部伸出,但在整个顶升过程中,不应使套架上的导轮超出塔身的固定部分; 把标准节滑向塔身,并引入套架; 操作顶升机构,套架上升使棘爪脱离顶升耳座,通过控制杆使棘爪离开塔身; 操作顶升机构,使标准节插入下塔身,用M33×310高强螺栓连接,其顶紧力矩为2100N•m,并在螺栓副有相对磨擦的部位涂上一层3#复合钙基润滑脂;如不再加节,则用M33×310高强螺栓副连接回转支承与塔身,预紧力矩为2100N•m; 重复上述步骤,反复顶升加节,直至达到要求高度。 标准节连接未使用标准销时,严禁起吊重物; 最后一节标准节连接必须做到:下部与塔身连接,上部与回转支承支脚连接。 ④、顶升作业的安全技术 (1)顶升前必须检查液压顶升系统各部件连接情况,并调整好顶升套架导向滚轮与塔身的间隙,然后放松电缆,其长度略大于顶升高度,并紧固好电缆卷筒。 (2)顶升作业,必须在专人指挥下操作,非作业人员不得登上顶升套架的操作台,操作室内只准1人操作,严格听从信号指挥。 (3)风力在四级以上时,不得进行顶升作业。如在作业中风力突然加大时,必须立即停止作业,并使上下塔身连接牢固。 (4)顶升时,必须使起重臂和平衡臂处于平衡状态,并将回转部分制动住。严禁回转起重臂及其他作业。顶升中如发现故障,必须立即停止顶升进行检查,待故障排除手方可继续顶升。如短时间内不能排队故障,应将顶升套架降到原位,并及时将各连接螺栓紧固。 (5)顶升时,必须确认顶升撑脚稳妥就位后,方可继续下一动作。 (6)顶升时工作中,随时注意液压系统压力变化,如有异常,应及时检查调整。还要有专人用经纬仪测量塔身垂直度变化情况,并做好记录。 (7)安装工作的顶升完毕后,各连接螺栓应按规定的预紧力紧固,顶升套架导向滚轮与塔身吻合良好,液压系统的左右操纵杆应在中间位置,并切断液压顶升机构的电源。 十、安装(拆卸)安全技术措施、应急预案 1、安装、拆卸的起重机时,安拆人员必须遵照下列原则: (1)了解起重机的性能; (2)必须详细了解并严格按照说明书中所规定的拆卸程序进行作业,严禁对说明书规定的拆卸程序做任何改动。 (3)熟知起重机各拆卸部件相连处所采用的联接形式和使用的联接件的尺寸、规定及要求。 (4)了解每个拆卸部件的重量和吊点位置。 (5)油泵工作压力为16Mpa。 2、作业过程中,安拆工人必须对所使用的机构设备和工具的性能及操作规程有全面了解,并严格按照规定使用。 3、安拆起重机的电气部分,必须按照国家劳动人事部门的规定,由持有供电局发给的电工操作证的正式电工和由他带领电工进行,严禁其他人拆卸。 4、自升式起重机在升降塔身时,必须按说明书规定,使起重机处于最佳平衡状态,并将导向装置调整到规定的间隙。 5、在升降塔身的过程中,有专人仔细注意检查,严防电缆被押拉、刮碰、挤伤等。 6、凡有下列情况时,不得进行塔身升降作业。 (1)作业高度处的风力超过说明书中的规定; (2)在雨、雪、大雾等容易打滑的环境里; (3)在烟雾熏呛的环境时; (4)在40℃以上时不能安装、拆卸作业。 7、设专人操作油泵、注意油泵压力,压力不正常应停止作业。 8、起重臂拉杆应捆绑牢固,每根拉杆应用8#铁丝捆绑不少于3道。 9、起重臂放在地面时,应用垫木垫平、垫稳。 10、塔吊施工应急救援预案: 塔吊是建筑施工的大型机械设备,也是施工过程中的一个重大危险源,特别是在塔吊安装与拆卸过程中,一旦发生事故,后果将不堪设想,为防止突发事件发生,本着安全第一,预防为主的原则,做到统一指挥,分工负责积极自救,现结合本项目及机械的具体情况,特制订本预案: 1、应急处置领导小组: 姓名 职务 职 责 联系电话 组长 陆海兵 项目经理 负责全面指挥、调度及处理 13002151311 副组长 钱祥贵 安全负责人 应急救援处置、现场控制、检查监督 13501833253 刘汉飞 技术负责 应急救援处置、现场控制、检查监督 13002155323 成 员 宗周平 生产经理 应急救援处置、现场控制、协调 13818692026 徐孝春 设备员 应急救援处置、现场控制、协调 15021013866 丁忠荣 安全员 应急救援处置、现场控制、监控 18606122996 范存晶 施工员 应急救援处置、现场控制、监控 18516692286 周俊峰 机工 设备抢修、处理、监控 13636589319 李荣俊 电工 设备抢修、处理、监控 15216657273 应急救助电话:急救:120 火警:119 十一、安全保证体系 现场安全施工管理: 1. 塔式起重机的安装(拆卸)人、电工、司机具有建筑施工特种作业操作资格证书。 2. 安装(拆卸)过程中必须有专人负责统一指挥。 3. 安拆技术负责人在安拆前,组织安拆人员学习安拆技术方案,同时对作业人员进行技术交底,对分项作业内容、技术要求、安全措施进行单独交底。 4. 应有足够的工作面、作业安拆场地,场地周围设置警戒线和醒目的安全警示标志,并派专人监护。 5. 安装(拆卸)作业人员应按空中作业要求,必须戴安全帽、安全带、穿防滑鞋等,并正确使用。 6. 严禁作业时高空抛物。 十二、文明施工及环境保护 1. 爱护环境,讲究卫生,不随意乱丢杂物。 2. 工完、料尽、场地清,检测、移交、人撤离。 十三、塔式起重机的拆卸 1. 拆卸的方式和顺序基本上和安装的顺序相反,先装后拆、后装先拆,即:拆卸配重 → 起重臂、拉杆拆卸 → 平衡臂的拆卸 → 塔顶、回转总成拆卸 → 爬升架拆卸 → 塔机基础节拆卸。 2.拆卸方案 (1)起重臂采取一次空中拆卸,吊车调整到距塔机中心15m处,起重臂吊点为17.3m。 (2)平衡臂、塔帽、回转、基础节、拆卸时,吊车应调整到距塔机中心7m处。 (3)吊车作业时应派专人负责监护设立警示牌,设立警界区,非作业人员不得入内。 十四、安全装置的调整 塔机安装完毕,开始工作前,必须先调整安全装置。 1、起重力矩限制器的调整:调整时,所吊重物离地,小车能够运行即可,小车以稳定速度运行。每次调整都要使塔机稳定一下,臂架不上下晃动时再开动小车。 (1)臂架中部点的调整 ①吊重3000Kg,开动小车至26m处,调整预报警开关使其动作,发出预报警信号。再将小车开至26.5m处,调整断电开关使其动作,切断上升及向外变幅电源 ②开回小车直至解除报警。待整机稳定后,重复①动作两次。使其报警点和断电点分别在26m处和26.5m处附近为宜。 (2)臂架根部点校核 ①吊重6000Kg开动小车作向外变幅动作直至断电,此时R断应在13.6m~13.87m之间。 ②重复上一次动作两次,检验其重复性 2、起重量限制器的调整 吊钩采用2倍率工作 (1)高速档调整 ①吊重3000Kg,吊钩以低、高二档速度各升降一次,不允许任何一档产生不能上升现象。 ②再加重120-150Kg,以高速档提升,使其不能起升,但中底速度能起升。 ③ 重复②的全部动作 ,调节断电开关,使断电时所吊重量2米高度。 (2)低速档调整(幅度不能超过11.4m) ①吊重6000Kg,吊钩以低速档升降一次,低速档不允许产生不能起升现象,但操作高速档时,应不能动作。 ②再加重100Kg,以低速档提升2-3米, 调节断电开关,使断电时所吊重量在6100Kg。 3、起升高度限位器的调整 (1)当起升高度 发生变化(如顶升加节等)时,高度限位器应重新调整。 (2)调整限位器里的凸轮,使吊钩达到预定高度时,行程开关动作,切断上升方向的电源。此时吊钩只能作向下方向的动作。 (3)吊钩升降三次,效果一样即可。 (4)调整时空钩无负载。 4、变幅限位器的调整 变幅限位器装于变幅卷筒一侧。它具有两幅开关,即向内、向外变幅极限开关,调整限位开关位置,使小车向外或向内运动到极限位置时,向外或向内极限开关动作。切断该方向电源。此时机构只能向相反的方向动作。 5、回转限位器装于回转支承内外圈之间。它具有两幅限位开关,即左转限位开关和右转限位开关。调整六槽轮位置,使塔机向左或向右回转超过360度时,左转或右转限位开关动作。切断该方向电源,此时,机构只能向相反的方向动作。重复三次,效果一样即可。 十五、塔机附着的安装 将四根连杆用M20的高强螺栓连接起来,组成一个环梁,再提升到附着点位置。调整螺栓,使得节点板能卡紧标准节主弦杆。吊装四根撑杆,使其与附着点支铰和环梁相连。调整塔身侧向垂直度,使其在规定范围内4‰(在支铰座上调整)。第一道附着高度为15.95米、第二道附着高度为31.95米塔机附着见附图: 附图:一 1、注:QTZ80塔基的标准节为1800mm*1800mm 基础布置图 2、QTZ63承台基础图 承台尺寸为:4500×4500×1350,配筋如下图所示: 基础配筋图 塔基承台及桩配筋图
展开阅读全文

开通  VIP会员、SVIP会员  优惠大
下载10份以上建议开通VIP会员
下载20份以上建议开通SVIP会员


开通VIP      成为共赢上传

当前位置:首页 > 品牌综合 > 施工方案/组织设计

移动网页_全站_页脚广告1

关于我们      便捷服务       自信AI       AI导航        抽奖活动

©2010-2025 宁波自信网络信息技术有限公司  版权所有

客服电话:0574-28810668  投诉电话:18658249818

gongan.png浙公网安备33021202000488号   

icp.png浙ICP备2021020529号-1  |  浙B2-20240490  

关注我们 :微信公众号    抖音    微博    LOFTER 

客服