收藏 分销(赏)

设备作业指导书.docx

上传人:xrp****65 文档编号:8804528 上传时间:2025-03-03 格式:DOCX 页数:33 大小:55.45KB 下载积分:10 金币
下载 相关 举报
设备作业指导书.docx_第1页
第1页 / 共33页
设备作业指导书.docx_第2页
第2页 / 共33页


点击查看更多>>
资源描述
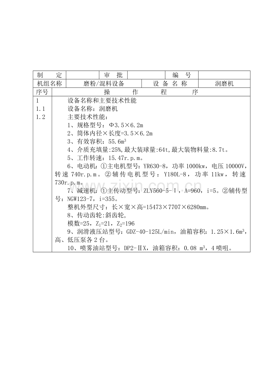
设备作业指导书 球团车间 制 定 审 批 编 号 机组名称 磨粉/混料设备 设 备 名 称 润磨机 序号 操 作 程 序 1 1.1 1.2 设备名称和主要技术性能 设备名称:润磨机 主要技术性能: 1、规格型号:Ф3.5×6.2m 2、筒体内径×长度=3.5×6.2m 3、有效容积:55.6m3 4、介质充填量:25%,最大装球量:64t,最大装物料量:8.7t。 5、工作转速:15.47r.p.m。 6、电动机:①主电机型号:YR630-8,功率1000kw,电压10000V,转速740r.p.m。②辅传电机型号:Y180L-8,功率11kw,转速730r.p.m。 7、减速机:①主传动型号:ZLY560-5-Ι,A=960,i=5。②辅传型号:NGW123-7,i=355。 整机外型尺寸:长×宽×高=15473×7707×6280mm。 8、传动齿轮:斜齿轮, 模数=25,Z1=21,Z2=196 9、润滑液压站型号:GDZ-40-125L/min,油箱容积:1.25×1.6m3,高、低压泵各2台。 10、喷雾油站型号:DP2-ⅡX,油箱容积:0.08 m3,4喷咀。 2 2.1 2.2 主要结构及工作原理: 主要结构: 主要由筒体、主轴承、大小齿轮、电机减速机、高低压油站组成,同时设有慢速传动装置和顶起装置。 工作原理: 1、磨机筒体为钢板卷制,内镶有橡胶衬板,衬板结构形式,能实现带球功能,筒内装有磨矿介质(钢球),物料进入筒体后,自然与磨矿介质混在一起,随筒体转动,筒内所有介质被牵带运动有抛落、冲击、流动、蠕动相互摩擦等,从而将矿粉进一步磨细、混匀。在筒体出料端,沿筒体圆周设有漏料板,当物料运动至漏料板处时,逐步排出筒体。 2、为保证设备安全运行,对静压轴承的润滑,实行电控联锁控制。 ①首先启动低压润滑站30秒后,压力继电器控制高压泵自动启动。 ②在高压油出口处安有电接点压力表与主机联锁,当高压油压力达到主机要求的调定值时,发出信号主机方可开车,否则,主机不工作。③当主机已经启动高压油泵自动停止,由低压油泵正常供油润滑。 序号 操作程序 3 3.1 3.2 3.3 3.4 操作程序: 开机前准备程序: 1、首先检查确认润滑油站正常喷设油站运转正常,各部位润滑正常。 2、冷却水循环正常。 3、检查确认安全信号,显示正常,安全保护装置正常,事故联锁正常。 4、检查确认给料机运转正常,原料供应正常。 5、检查确认,无任何运转障碍物,并试盘车运转灵活。 正常开机操作程序: 首先启动慢速传动 (使筒体转动1~2周) 脱开慢速传动离合器 起动低压油泵 起动高压油泵(自控) 起动主电机 起动给料电机。一般情况下,磨机连续起动两次的间隔时间不得少于1小时。 正常停机操作程序: 停机给料 (3~5分钟) 停主电机 启动高压油泵(自控) 磨机停转后 停低压油泵。此时,如果磨机轴承和筒体温度偏高(高于室温)时,每间隔30分钟,手动起动高压油泵2分钟,直至磨机轴承和筒体冷却至室温位为止。 停机的善后处理: 1、短期停机: 磨机停机后,筒体逐渐冷缩,由于筒体重量大,轴颈将对轴瓦产生轴向磨擦拉延,因此,长期停机时要针对环境温度和筒体温度的变化,间隔性手动开启高压油泵2分钟,以保持轴瓦内表面油膜。停机时间过长时应将磨机筒体内磨料卸出,以免筒体产生应力松弛变形。 2、长期停机: ①将筒体内介质倒出,防止筒体变形。 ②根据环境温度和筒体温度差,每间隔一段时间,启动高压油泵送油2分钟,以保持瓦表面油膜。 ③长期停机,可使用顶起装置,适当受力,减轻巴氏合金瓦负荷。 ④冬季长期停机,应将冷却水放出排净。 4 运转中的检查: 1、 磨机运转过程中,严格按点巡检制度进行检查。 2、①磨机正常运转应保证均匀给料,不得断料,不得断料空转。 ②磨机正常运转时,岗位工应及时按巡查制度和润磨五定卡,对各 部进行巡检确认。③磨机正常运转时,岗位应按工艺技术规程规定 序号 操作程序 的技术指标及时对磨料(钢球)进行补加。 5 主要故障原因分析与排除方法: 故障现象 原因分析 排除方法 轴瓦温度升高 ①润滑油压油量不足。 ②运转负荷大。 ③冷却水循环不好。 检查润滑站工作情况 检查给料、排料情况 检查疏通 启动、振动力大 ①油压不足。 ②启动前,物料角度不良。 检查调整油压 盘车调整 大小齿传动振动噪音大 ①润滑不良。 ②传动齿轮基础螺栓松动。 检查喷油情况 紧固 排料不畅 物料湿度大 控制物料含水量 制定 审批 编号 机组名称 磨粉/混料设备 设备名称 烘干机 序号 操作程序 1 1.1 2 2.1 2.2 3 3.1 3.2 设备名称和重要技术性能: 设备名称:筒式烘干机 主要技术性能: 1、筒体直径×长度:3×20m 2、筒体设计斜度:4% 3、筒体转速:7.1rpm 4、生产能力:100t/h 5、电动机型号:Y355m1-6,160kw,980rpm 6、减速机型号:ZL1000-7-1,A=1000mm,i=14 7、托轮2组。 8、挡轮1组。 9、燃烧炉规格: 10、助燃风机型号: 结构及工作原理: 主要结构:筒体为钢板卷制,倾斜安装上在4个托轮上,为防止转后倾斜下滑,设有挡轮阻抗,筒体外壳镶有大齿圈,电机减速机通过小齿轮带动筒体转动。 工作原理: 烘干机进料端(筒体高端)设有煤气燃烧炉,燃烧炉的热量直接送入筒体内形成烘干热源,物料在筒体运转时,物料被带动,进行螺旋式翻滚,从而均匀进行热交换,通过温度控制,实现物料水分的控制。 操作程序: 煤气点火操作程序: ①有煤气专业人员检查窑内CO浓度,确认CO含量符合标准要求。 ②检查窑内无其他任何爆炸性混合气体。 ③启动助然风机,打开煤气烧咀前的送风蝶阀,稍开送风阀,一 般阀门开度为(5~10%)。 ④点燃引火物,送至烧咀口,缓慢开启煤气阀门,引燃煤气,而 后,据燃烧情况,调整煤气量和助燃风风量,直至煤气燃烧正常。 煤气熄火操作程序: ①关闭窑前煤气阀门,同时将助燃风风量调至最小。 ②关闭煤气眼镜阀。 ③打开末端煤气放散阀,打开蒸汽阀,吹扫残留煤气,直至煤气 序号 操作程序 3.3 3.4 3.5 4 5 含量为零。 ④关闭末端煤气放散阀,打开氮气阀向煤气末端支管充氮气保压。 正常开机点火程序: 开冷却水 热风预热筒体 出口温度达120℃ 开主电机。 正常熄灭停机程序: 停供料 (停热风) 开冷风门 筒内料卸完 废气温度达50℃ 停主电机 停机后的善后操作程序: 1、烘干机停机后,要及时清理筒体内的粘附料层。 2、烘干机停机后,要及时排除冷却水,减速部件锈蚀。 3、托轮轮带表应及时涂抹润滑油。 运行中的检查: ①烘干机在工作期间不得用冷水冲刷筒体。 ②及时调整控制托轮中心线与筒体中心线保持平行。 ③控制烘干机进风温度不得>900℃。 ④突发性停电时,应立即停止燃烧炉向筒体内供热。 主要故障原因分析与排除方法: 故障现象 原因分析 排除方法 托轮与轮带接触不良 ① 托轮轴线出现大小“八”字。 ② 传动齿轮齿合不良引起振动。 ③ 托轮与轮带产生滑动摩擦。 ④ 托轮与轮带润滑不良。 按说明书进行调整 检查调整齿轮啮合 调整托轮受力 加强润滑措施 结圈 ①磨料含水过高。 与配料工序联系,控制湿料量。 红窑 给热温度过高 控制燃料量,给热<900℃。 制定 审批 编号 机组名称 造球设备 设备名称 造球机 序号 操作程序 1 1.1 1. 2 2 2.1 2.2 设备名称及主要技术性能 设备名称:圆盘造球机 主要技术性能: 1、球盘直径:Φ6000mm。 2、球盘边高:700mm。 3、球盘转速:7、7.5、8、8.5rpm四级。 4、球盘倾角:40~55º。 5、生产能力:65~70t/h。 6、电动机型号:Y315S-4,110kw,1480rpm。 7、减速机型号:ZSY315~25,A=699mm,i=25。 8、刮刀减速机型号:XLED4-74-1/121,i=121。 9、刮刀电机型号:HRM-74,4kw。 10、润滑油站: ①稀油站油泵:CB-B20,3台。 ②干油站:SGZ-8型。 主要结构与工作原理: 主要结构:造球盘为钢板焊接而成带边的平盘安装在主轴装置上端,主轴装置固定在倾斜支架上,倾斜角度,可以根据工艺需要在一定期范围内进行调整,为使原料成球均匀,成球在球盘上方安装有底刮刀和侧刮刀装置以及洒水装置。 工作原理: 物料进入造球盘后,随球盘一起转动,由于洒水装置不断洒水物料迂水后,在粘结力集聚力作用下,形成小的团粒,小团粒在不断的接受水分后,不断长大成团。但是,团粒粒度大小不等,因此,运动过程中的动能和贯性不一致,所以,各自按不同的轨迹进行运动,大颗粒球团,首先滚至球盘边缘,因为球盘在倾斜状态下运转,成品球团就从盘边跌落出盘外。 3 3.1 操作程序: 开机前的准备程序: 1、检查各部三角带有无松脱,是否齐全完好。 2、试开润滑油站确认供油正常。 3、手动盘车确认无任何刮卡和障碍。 序号 操作程序 3.2 3.3 3.4 4、与回转窑、链篦机取得联系和信号反馈。 正常开机程序: 开稀油润滑站 开手动干油站 开主电机。 正常停机程序: 停止供料 (3~5分钟后) 停主电机 停稀油润滑站。 长期停机程序: 1、造球机长期停机,停机前要将物料清理干净。 2、切断所有电源。 3、关闭水源。 4、松脱传动三角带。 4 运转中的检查: ①球盘运转正常后及时洒水成球,并据成球效果适当调整洒水量。 ②及时调节加压泵阀门,控制水压稳定在0.3kpa左右。 ③认真观察开机后的成球情况,从母球生成、长大到成球的情况,控制产量均匀。母球量少时加大洒水量;母球生长慢时加大给料量。 ④球盘中超大颗粒球过多,应及时人工击碎,以免影响产量。 ⑤根据生产情况,发现原料粒度、水分和膨润土含量误差较大时,应及时向有关专业人员汇报,进行针对性工艺技术调整。 5 主要故障原因分析及排除方法: 故障现象 原因分析 排除方法 成球率低 ① 粘结剂配比不当。 ② 球盘角度、转速不协调。 ③ 料粉含水量小,洒水少。 ④ 料粉粒度大。 与工艺调整 探讨、调整 适当调整加大洒水量。 适当配比或加大粘结剂用量。 生球强度低 ① 粘结剂配比小。 ② 料粉粒度大。 ③ 成球时间短。 适当加大配比。 粗细粉配合使用,充分利用润磨。 调整成球时间。 制定 审批 编号 机组名称 原料供应 设备名称 抓斗天车 序号 操作程序 1 1.1 1.2 设备名称与主要技术性能: 设备名称:10t电动双桥抓斗起重机 主要技术性能: 1、起重量:10t 2、跨度:19.5m 3、提升高度:20m 4、工作级别:A6 5、起重运行轨道:钢轨43kg/m 6、大车运行速度:84.2m/min 7、小车运行速度:44.60m/min 8、提升速度:40m/min 9、抓斗型号:U48-2通用型四绳抓斗,容积2m3,自重:3.966t 10、电动机:①大车运行:YZR160M2-6,7.5KW×2台,940rpm。 ②小车运行:YZR132M2-6,3.7KW,908rpm。 ③起重(开闭):YZR2805-10,37KW×2台,572rpm。 11、减速机: 大车运行: ① 大车运行:ZHQ350-V-1(1台),ZHQ350-V-2(1台),i=21.05。 ② 小车运行:ZSC400,i=22.4 ③ 提升(开闭)ZQ650,i=23.34 12、提升钢直径:Ф19.5mm。 2 2.1 2.2 主要结构与工作原理: 主要结构: 1、该机主要有机架结构,小车、大车运行机构,电气控制系统,缓冲设施,操纵室等组成。 2、机架为双桥式钢板组焊桥架,两端设有横梁和行走轮及大车运行机构整机,可在轨道上行走并设有小车行走轨道,可与大车形成横向运动。 3、小车上设有起重(开闭)机构和小车行走,既可开闭抓斗,又可提升,同时,可带动抓斗做横向运动。 4、天车的角钢作为电电滑线。 工作原理: 1、天车轨道形成空中运行的基础。 2、机架两端横梁的车轮在运行电机减速机带动下,可沿轨道纵向 序号 3 3.1 3.2 3.3 4 操作程序 运行,使抓斗在纵向工作。 3、沿机架纵向设有轨道小车轮在电机减速机带动下,可以带动抓斗运动(横向),从而形成了抓斗的前、后、左、右运动,实现全方位工作。 4、为控制各个方向运动大车运行机构,小车运行机构提升机构在传动过程中,均有液压制动器和电磁制动器控制。 5、抓斗利用开闭提升机进行开与闭操作,由提升机进行提升操作。 基本操作程序: 行车前的准备程序: 1、断开电源检查各部联接是否牢固,结构件有无变形、损坏、钢绳缠绕是否正确,确认无误。 2、检查各部制动器,调整螺栓有无松动,间隙有无异常,安全设施是否齐全可靠。 3、检查电气系统有无异常现象,各主令开关,旋转按钮是否灵活可靠,电动机是否接零,照明是否满足运行需要。 4、检查确认各部润滑是否良好。 正常开机操作程序: 1、观察作业现场条件、环境、撑握、作业要求,等待现场指挥的开机命令。 2、将所有控制手柄定在零位。 3、将总电源合闸。 4、首先,按动警铃,提醒有关人员注意。 5、空载进行全方位(大车运行、小车运行、提升、开闭)试车确认无误。 6、按照现场指挥进行作业。 正常停机操作程序: 1、正常停机,天车应为空载,不得带负荷停机。 2、将天车停在指定的位置,抓斗落地停放。 3、拉断电源,断开电锁。 4、检查各部,无任何安全隐患后上锁离岗。 运转中的检查: ①岗位工要服从地面指挥人员的指挥信号,每次提升行走要发出警铃信号,接近限位处时要及时减速慢行。 ②天车工作中,抓斗尚未离地面时不得行走,行走时,抓斗不得从人体或设备的上空行走。 序号 操作程序 ③两天车之间要相互了望,相互协调、保持安全距离、并服从现场的协调指挥。 ④运行中,刹车制动要按制动规范程序操作,不得简化操作程序,更不得采取打反车制动的办法制动。 ⑤天车工要按工艺规程规定,据原料的产地、品位、粒度对号入仓。 ⑥天车抓料后,不得长时间悬吊不卸,斗料不卸时司机不得离岗。 ⑦各料仓要保持正常储料,储料量不得低于该仓储料能力的2/3。 ⑧天车工在天车运行中,要集中精力操作,一律不得吸烟、餐饮、闲聊、看小说。 5 主要故障原因分析和排除方法: 故障现象 原因分析 排除方法 运行啃轨: ①运行始终一个方向啃轨 ①车轮水平超差 ②端梁主动轮偏斜方向相同 调整水平偏差 调整端梁主动轮偏斜方向 ②往返运行时啃轨,方向相反 ①两主动轮直径偏差大 ②两机或制动器不同步 调整轮直径 调整测定差速 ③钢轨端部啃轨 钢轨变形 调整 ④全长啃内缘或处缘 跨度或轨距不符 调整轨距 车轮打滑 ① 车轮着轨面不在同一平面 ② 个别轨面不清洁 调整 清洁轨面或在轨面撒细砂 运转速度慢 ① 制动器未完全松开。 ② 起动电阻接线有误。 检查调整 检查更改 限位开关失灵 开关部件发生卡滞或松脱 更新 制定 审批 编号 机组名称 风循环 设备名称 循环风机 序号 操作程序 1 1.1 1.2 设备名称及主要技术性能: 设备名称:耐热循环风机 主要技术性能: 1、规格型号:W9-192×17.5F 2、耐热温度t≤500℃,瞬时耐热温度t=550℃。 3、全压:P=5500Pa。 4、风量:Q=110000~140000m3/h。 5、电动机型号:YKK450-4,355kw,1450rpm,10kv。 6、液压偶合器型号:YOTQCD560。 2 2.1 2.2 主要结构和工作原理: 主要结构 1、该机主要由电动机、液力偶合器、传动部、主机四部分组成。 2、主机主要由叶轮、机壳、轴承、进出口组成。 3、传动部主要由轴承箱、轴承,采用储油润滑。 4、液压偶合器主要由偶合器、仪表、冷却器组成,用于变速和节能, 减少需动和噪音。 工作原理: 1、基本原理是将叶轮旋转的机械能,转换为气体的动能和压力能, 将气体从进风口吸入,从出风口带压输出,形成气流运行。 2、风机的传动方式要由电动机带动液力偶合器,液力偶合器带动 风机叶轮转动,西两联结采用了弹性柱销联轴器进行结合。 3、液力偶合器工作原理: 液力偶合器相当于离心泵与涡轮机的组合,电动机带动偶合器的泵轮 时,泵轮工作腔中的油液沿叶片的流道向外缘流动,穿过相邻蜗轮缝 隙后,冲向涡轮叶片,将油液的动能通过涡轮叶片转换为涡轮的机械能, 驱使涡液轮旋转(输出轴旋转),在油泵的作用下油液不断供给循环, 偶合器不断输出传递功率和转速。 4、液力偶合器的调速原理: 如上所述,泵轮用出的油液驱动涡轮旋转,如果改变泵轮用的油液 的方向或距离,涡轮叶片受力的方向和大小将随之改变(转速和输出功 率随之改变)。偶合器的泵轮给油是通过油勺管实现的,当改变油勺管 的径向伸缩时,也就改变了涡轮叶片的受力,从而实现了转速的调整。 5、风机的进风口设有调节门可用来关闭或调节进风门的大小,风门 的调节由电动执行器操作,可以手动,也可电动(控制)。偶力偶合器 序号 操作程序 3 3.1 3.2 3.3 4 5 转速的调节(油勺管的调节),由电动操作器操作,可以手动,也可电 动(远控)。 基本操作程序: 开机前的准备程序: 1、确认液力偶合器油位指示正常(在最高位置与最低位置之间)。 2、油温不得低于5℃。 3、液力偶合器的勺管处于低速位置。 4、确认电动执行器“手动”或“自动”的位置,当有主控室调节时,电动执行器在“自动”的位置,电动操作器旋在“手动”的位置。当自动调节时,电动操作器旋在“自动”位置。 5、风机出口处于关闭状态。 6、冷却水循环正常。 7、手动盘车,转动灵活,无任何挂卡现象。 正常开机操作程序: 启动电机 调节液力偶合器转速 调节风机风门。 正常停机操作程序: 关闭风机风门 液力偶合器转速调至最低 停电动机。 运转中的检查: ①岗位工要经常检查设备基础稳固情况,地脚螺栓的紧固情况和设备润滑情况。 ②岗位工要经常检查设备喷涂耐磨料的稳固情况,发生脱落时,要及时向值班长汇报,采取相应措施。 ③各部轴承、偶合器、电机温度不得超过60℃。 ④及时检查冷却水的循环情况,保证冷却效果。 ⑤液力偶合器油温、油压: 出口油温:45~85℃,上限90℃(报警),下限5℃(报警)。 出口油压(mpa):0.05~0.35,上限(报警),下限0.03(报警)。 回油温度:≤45℃。 主要故障原因分析和排除方法: 故障现象 原因分析 排除方法 振动剧烈 ①机壳与进风口或与叶轮摩擦。 ②基础不牢固。 ③叶轮变形或铆钉松动。 检查调整 检查紧固 检查、紧固、整型 序号 操作程序 故障现象 原因分析 排除方法 振动剧烈 ④叶轮轮毂与轴承松动。 ⑤机壳、轴承座、松动。 ⑥进出风管安装不良。 ⑦叶片积尘、磨损严重、轴弯曲。 更换磨损件 检查紧固 检查调整 检查整形或更换配件 轴承温升过高 ①轴承箱振动所致。 ②润滑不良。 ③轴承箱上盖与下座联接过紧或过松。 ④轴承损坏或轴弯曲。 ⑤冷却水循环不畅。 检查调整 检查油质、油量 检查调整间隙 检查更换 检查输通 电机电流过大或温升过高 ①开机前未关闭进风口风门。 ②电动机输入电压低或电源单项。 ③传动部振动影响。 ④主轴转速过高。 按规范操作 检查更改 检查处理振动源 调整在额定转速内运行 制定 审批 编号 ZDS07 机组名称 焙烧设备 设备名称 回转窑 序号 操作程序 1 1.1 1.2 设备名称和主要技术性能: 设备名称:回转窑 主要技术性能规格:Ф4×30m。 1、筒体内径×长度:4m×30m。 2、设计斜度:3.5%。 3、筒体转速: ①工作速度:0.47~1.4rpm。 ②辅助传动:0.065rpm。 4、生产能力:90t/h。 5、电动机: ①主电机型号:ZSN4-315-092,功率:190kw,转速:100~/1000rpm(变频调速)。 ②辅助电机型号:Y180L-6,功率:15kw,转速:970rpm。 6、减速机: ①主减速机型号:ZSY630,A=1395mm,i=63。 ②辅减速机型号:QC500,A=500mm,i=20.49。 7、支撑轮:2托、4轮、1挡轮。 8、传动齿轮:模粒=28,Z1=19,Z2=218。 9、挡轮液压站: ①型号:JHY326,容量:380L,输出压力16mpa,输出量18L/min。 ②电机型号:Y100L2-4B5,2.2kw。 2 2.1 2.2 结构及工作原理: 主要结构: 1、筒体为钢板卷制,内镶耐火衬,倾斜安装在4个托轮之上,为防止倾斜运转后下滑,设有挡轮,挡轮调整设有液压站,筒体外表上镶有大齿圈,电机减速机通过大小齿轮传动,使筒体转动。 工作原理: 1、 在窑头(筒体低端)喷射燃烧煤气,形成氧化焙烧热源,物料从窑尾进入窑体,由于筒体的不断旋转和其倾斜作用,使物料形成沿圆周翻流和轴向位移双向运动,逐步移向窑头,排出筒体之外。物料在窑内期间,在热交换的同时,形成氧化反应,生成氧化球矿产品。 2、在物料与燃料热交换后的废气及余热,通过窑尾来出。 序号 操作程序 3、为保证设备安全运行和防止筒体下滑,实行电控联锁,当筒体下滑到一定位置时,行程开关动作,操作挡轮液压站工作,高压油缸推动筒体上移,当移至一定程度时,定位开关动作通知油站停止工作。 3 3.1 3.2 3.3 3.4 操作程序: 煤气点火操作程序: ①有煤气专业人员检查窑内CO浓度,确认CO含量符合标准要求。 ②检查窑内无其他任何爆炸性混合气体。 ③启动助然风机,打开煤气烧咀前的送风蝶阀,稍开送风阀,一般阀门开度为(5~10%)。 ④点燃引火物,送至烧咀口,缓慢开启煤气阀门,引燃煤气,而后,据燃烧情况,调整煤气量和助燃风风量,直至煤气燃烧正常。 煤气熄火操作程序: ①关闭窑前煤气阀门,同时将助燃风风量调至最小。 ②关闭煤气眼镜阀。 ③打开末端煤气放散阀,打开蒸汽阀,吹扫残留煤气,直至煤气含量为零。 ④关闭末端煤气放散阀,打开氮气阀向煤气末端支管充氮气保压。 点火启动的准备工作: ①由于本岗位的运转牵动所有生产系统设备的运转,因此,回转窑开机前,通知全系统所有岗位进入准备工作状态,并等待准备就序的信息反馈。 ②回转窑点火启动前,首先确认润滑系统正常,冷却水循环正常,风系统正常,冷风系统正常,助燃风系统正常,原燃料系统正常,造球系统正常。 ③回转窑点火前,首先确认各工序的设备、炉窑、链篦机内均已撤离人员,而且,所有人孔、检查孔等处于良好的关闭状态,同时,回转窑体的热电偶要处于窑体铅垂的上方位置。 ④非回转窑、链篦机的工作人员撤离现场。 正常开机点火程序: 打开窑前煤气管道终端放散 打开N2气阀吹扫煤气管道 待吹扫彻底(O2含量<2%) 关闭放散阀 关闭N2气吹扫阀 打开煤气眼睛阀 打开煤气放散阀 取样进行爆发试验合格 开助燃风机(控制小风量) 开主抽风(控制小风量) 点燃火把 送于烧咀口处 缓慢打开窑前煤气插板阀点燃烧咀 调整助燃 风机的风量使煤气燃烧充分 启动附助传动慢速转窑 窑内升 温 开启窑尾冷风机送风 温升达400℃~450℃时 通知链 序号 操作程序 3.5 3.6 篦机布料 温升达600℃时停附助传动(打开离合器) 合上主传动离合器启动主电机 通知环冷机准备开机 随温升调整引风机的引风量逐渐达到正常生产。 正常熄火停机程序: 通知前面各系统准备停机 通知链篦机阶段性供料 关闭窑前煤气插板阀 将助燃风机风量调至最小 关闭煤气眼睛阀 打开放散阀 吹扫残留煤气 关闭放散阀 通N2气保压 温度降至600℃时 停主电机(打开离合器) 合上附助传动离合器 启动附助传动 温度降至450℃时停布料 温度降至300℃时停循环风机 主抽风机风量控至到50%左右 温度降至250℃ 停窑头窑尾冷风机 停主抽风机 打开事故烟囱放散阀 温度降至100℃以下 停冷却水。 熄火停机的善后操作程序: 短期停窑: 1、短期停窑主要因素是窑体处于炽热状态,容易因自重产生塑性弯曲变形,采取连续或间断转窑方式进行位置调整。 2、连续方式即按3.5所述,直至窑温降至100℃以下。 3、间断方式即: ①停窑后第1小时内每5~10分钟用辅助传动将窑体旋转90℃。 ②停窑后第二个小时内,每隔15~20分钟,用辅传将窑体旋转90℃。 ③停窑后第三个小时内,每隔30分钟,用辅传将窑体旋转90℃。 ④三个小时之后,每间隔1小时,用辅传将窑体旋转90℃,直至窑体温度,接近环境温度为止。 长期停窑: 1、将喷咀拉出窑体。 2、将窑体内物料及结圈全部卸出清净。 3、将离合器脱开。 4、将动力电源断开。 5、将冷却水排净。 6、作好系统护保容工作。 4 运行中的检查: ①正常生产中岗位工应及时查看煤气源的压力,一般不得<4.0kpa, 当<4.0kpa时,应采取减薄布料量或窑内保温措施。 序号 操作程序 ②当煤气源压力≤2.5kpa时,应立即关闭烧咀闸阀,并及时通知值班长。 ③及时检查冷却水的循环情况,供水压力要控制在0.3kpa左右,回水温度应<55℃ ④及时检查各部位运转情况,各部轴承温度、电机温度、减速机温度均不得>60℃。 ⑤临时停窑时,要停止烧咀燃烧,采取窑内保温措施, ⑥及时观察窑内结圈结块情况,一旦发生结圈、结块及时汇报值班长组织处理。 ⑦及时巡回检查,杜绝“红窑”现象,一旦发生红窑,立即汇报值班长和调度员采取相应处理办法。 ⑧发生突发性停电,立即停止输送煤气,启动备用电源和附助传动,使窑体慢速转动。 ⑨发生突发性停电,立即将冷却水替换到备用循环水源,继续供给冷却水。 ⑩如果发生突发性停电或煤气泄露事故,立即通知值班长,采取应急救援措施。 5 主要故障原因分析与排除方法: 故障现象 原因分析 排除方法 红窑 火焰直接接触耐火砖,使耐火砖脱落或磨损较大。 停窑修补或重砌 托轮与轮带接触面磨损不均匀 ①托轮轴线出现大、小“八”字线。 ②传动齿轮啮合不良,引起冲击。 ③托轮表面与轮带产生滑动摩擦。 ④托轮面面与轮带润滑不良。 ⑤托轮材质出不均匀,硬度不一致。 按说明书调整 检查调整齿轮啮合 调整托轮受力 加强润滑措施 控制结合面,力求磨合平滑,必要时,进行车削加工处理。 结圈 ①粉料过多。 ②温控不协调。 ③窑体转速控制不良。 控制筛分和造球 控制预热温度,减少爆裂 寻求最佳转速 制定 审批 编号 ZDS06 机组名称 预热设备 设备名称 链篦机 序号 操作程序 1 1.1 1.2 设备名称:主要技术性能 设备名称:链篦机 主要技术性能: 1、规格:长×宽=36×2.8m 2、篦床有效面积:100.8m2 3、篦床运行速度:1.5~2.0m/min 4、头轮节圈直径:1151.75mm 5、头尾轮中心距:41075mm 6、链轮节距:200mm 7、下料区长度:3m 8、边板有效高度:80mm 9、电动机: ①主电机型号(双传动)YP-225S-8,18.5kw,750rpm。 ②事故烟囱提升电机型号:Y90L-6,1.1kw,930rpm。 10、减速机: ①主传动:NGW-123-6,i=315。 ②烟帽提升:NGW-42-22,i=160, 11、整机外型尺寸:长×宽×高=46.2×11×9.6m(不含烟囱高)。 2 2.1 2.2 主要结构与工作原理: 主要结构: 1、主要由骨架、罩体、传动装置、运行部分、风箱、润滑、冷却、烟囱等组成,骨架是整机的支撑框架罩体将整体机间隔为三个不同温度的段室各室两侧用风箱联接,用于抽风循环,电动机减速机通过传动链轮带动,篦床运行,由于该机属热工设备,因此,设有完整的冷却系统和润滑和及时放热、降温的事故烟囱,以及相应的事故烟囱提升设施。 2、由于链速需要不断调整,设计选用变频电机。 主要工作原理: 1、该机热源来自于回转窑窑尾余热和环冷机中温段余热。 2、热风的循环靠两台热循环风机和一台主抽风机形成负压运行。 3、篦床的篦板铸有条形漏孔,具有极好的透气性,加上料球均为圆球状,相互之间具有间隔缝隙。 4、罩体将整机分隔为三段,靠近窑尾温度最高,高达1500℃左右, 为预热Ⅱ段,中间段的热风来源于环冷机中温段,高达500℃,为预热 序号 操作程序 Ⅰ段,由于风箱的阻挡和循环风机的作用,预热Ⅱ段热风由上而下穿过料层、篦床经过除尘器,由循环风机送至篦床尾端的干燥上部。 5、环冷机中温段热风经管道进入链篦机预热Ⅰ段,在风箱阻挡和主抽风作用下,热风穿过料层,篦床与干燥段的废气同时经除尘器,送入烟囱,进入大气层。 6、布料机设在篦床最尾端控制,料层厚度和均匀,随着篦床的不断运行料球随之经过干燥段,预热Ⅰ段,预热Ⅱ段,到达篦床头部。篦床头部设有铲料板,铲料板将料球铲下溜槽,溜槽末端伸入的回转窑窑尾,料球自然进入回转窑。 7、料球在篦床带动运行过程中,经干燥段时,脱去附着水分,增加强度,在预热Ⅰ段时,随着温度升高脱去料球中的结晶水,结晶水已经去除料球不会因水分解气化而爆裂,所以,进入预热Ⅱ时,即可按受高温预热,此时,料球不但增加了机械强度,在进入窑中进行翻流运动时不会破裂,而且,也能部分实现氧化反应。 3 3.1 3.2 3.3 操作程序: 开机前的准备程序: 1、链篦机开机前,首先确认润滑正常,冷却水循环正常,风系统正常,各观察孔、人孔均处于严窑关闭状态。 2、冷却水压力要控制在0.3kpa左右,回水温度<55℃,若回水温度过高应及时加大循环水压力,并汇报值班长,协调篦床运行速度和预热温度。 3、首先进行手动盘车,确认灵活,无任何运动障碍物。 4、点动盘车进一步确认无任何刮卡,碰撞。 5、与回转窑和造球车间取得联系和信息反馈。 正常开机程序: 1、开循环水 盘车试转 点动试转 起动主电机 待窑内温度达到300℃时 开时布料。 2、根据升温速度,及时通知造球车间,进行布料。 正常停机程序: 1、停止供料 (待篦床上断料到达预热段时) 窑头燃烧咀熄火 (待烟罩高温点温度<200℃时) 停主电机 (待回水温度接近室温时) 停循环水。 2、 根据降温情况及时通知造球车间,停止造球。 3、短时间停机时,篦床上要留料层,以保护篦床,防止烧环。 4、长时间停机时要将料层卸净后再停止运转。 4 运转中的检查: 序号 操作程序 ①篦床运行速度要根据工艺规程规定进行调整和控制。 ②各部轴承、减速机、电动机的温度不得>60℃。 ③链篦机作业期间不得用水冲刷地面和对设备降温,防止设备零部件受冷断裂;冬季停机时,必须待铲料板处温度降至接近室温时
展开阅读全文

开通  VIP会员、SVIP会员  优惠大
下载10份以上建议开通VIP会员
下载20份以上建议开通SVIP会员


开通VIP      成为共赢上传

当前位置:首页 > 包罗万象 > 大杂烩

移动网页_全站_页脚广告1

关于我们      便捷服务       自信AI       AI导航        抽奖活动

©2010-2026 宁波自信网络信息技术有限公司  版权所有

客服电话:0574-28810668  投诉电话:18658249818

gongan.png浙公网安备33021202000488号   

icp.png浙ICP备2021020529号-1  |  浙B2-20240490  

关注我们 :微信公众号    抖音    微博    LOFTER 

客服