收藏 分销(赏)

工厂作业方式管理课程.docx

上传人:xrp****65 文档编号:8791183 上传时间:2025-03-02 格式:DOCX 页数:28 大小:51.49KB 下载积分:10 金币
下载 相关 举报
工厂作业方式管理课程.docx_第1页
第1页 / 共28页
工厂作业方式管理课程.docx_第2页
第2页 / 共28页


点击查看更多>>
资源描述
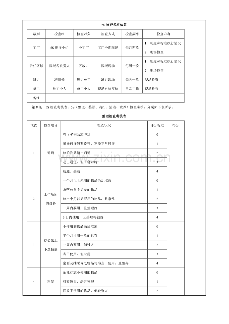
第6章 工厂作业方式管理 6.1 5S活动检查及奖惩办法 制度 名称 ××工厂5S活动检查及奖惩办法 受控状态 编 号 执行部门 监督部门 考证部门 第1章 总则 第1条 目的。为使5S活动持续有效地运行,维持工厂良好的环境,特制定本办法。 第2条 范围。本办法规定了5S活动检查办法的基本规则,适用于本工厂所属各区域及相关场所。 第3条 检查种类。 1.工厂5S推行小组检查。 2.责任区内部检查。 3.班组检查。 4.员工自查与互查。 第4条 责任。 1.工厂巡回检查,由工厂5S推行委员会进行现场5S日常巡回检查。 2.责任区域内部检查,由工厂各责任区责任人进行现场5S日常巡回检查。 3.班组检查,由各个责任区域内的班组进行现场5S日常巡回检查。 4.员工自查与互查,由员工本人检查。 第2章 检查实施 第5条 检查标准。5S推行委员会根据检查对象的工作性质制定检查标准: 1.根据区域类别分为科室、生产、库房、后勤四类。检查时,各责任区域可根据区域内班组的类别参照相关的检查标准。 2.根据检查5S责任的对象不同,生产类分为车间、班组、员工三个层次。 3.5S推行小组、各责任区域、班组可根据工作特点的不同,制定5S日常巡回检查表相关内容。 第6条 检查工具的准备。 1.检查档案夹准备。 2.检查表准备。 3.检查记录表准备。 4.检查细则。 第7条 5S检查考核体系。5S检查考核体系如下表所示。 5S检查考核体系 级别 检查组 检查对象 检查方式 检查频率 检查内容 工厂 5S推行小组 全工厂 工厂全面现场 每月两次 1.制度和标准执行情况 2.现场检查 责任区域 区域各负责人 区域内 区域现场 每周一次 1.制度和标准执行情况 2.现场检查 班组 班组长 班组员工 班组现场 每天一次 现场检查 员工 员工个人 员工个人 现场自检互检 日常工作 现场检查 备注 第8条 5S检查考核表。5S(整理、整顿、清扫、清洁、素养)检查考核,分别如下表所示。 整理检查考核表 项次 检查项目 检查状况 评分标准 得分 1 通道 有很多物品或脏乱 0 虽能通行但要避开,不能正常通行 1 放的物品超出通道 2 超出通道,但有警示牌 3 畅通,整洁 4 2 工作场所的设备 一个月以上未用的物品杂乱堆放 0 角落放置不必要的物品 1 放半个月以后要用的物品,且紊乱 2 一周内要用,且整理好 3 3日内使用,且整理得很好 4 3 办公桌上下及抽屉 不使用的物品杂乱堆放 0 半个月才用一次的也有 1 一周内要用,但过多 2 当日使用,但杂乱 3 桌面及抽屉内之物品均为当日使用,且整齐 4 4 料架 杂乱存放不使用的物品 0 料架破旧,缺乏整理 1 摆放不使用的物品,但较整齐 2 料架上的物品整齐摆放 3 摆放物为近日用,很整齐 4 5 仓库 塞满物品,人不易行走 0 物品杂乱摆放 1 有定位规定,但没被严格遵守 2 有定位,有管理,但进出不方便 3 6 计算机 文件夹 私人文件与公用文件混杂,无用、重复、过期文件充斥其间 0 有所整理,但较为紊乱 1 文件按照分类进行存储,排列较为整齐 2 文件归类整齐、标识明确、易于查找,且对重要的旧文件进行备份 3 合计 备注 整顿检查考核表 项次 检查项目 检查状况 评分标准 得分 1 设备 机器 仪器 破损不堪,不能使用,杂乱放置 0 不能使用的集中在一起 1 能使用、较脏乱 2 能使用,有保养,但不整齐 3 摆放整齐、干净,呈最佳状态 4 2 工具 不能用的工具杂放置 0 勉强可用的工具多 1 均为可用工具,但缺乏保养 2 工具有保养,有定位放置 3 工具采用目视管理 4 3 零件 不合格品与合格品堆放在一起 0 不合格品虽没及时处理,但有区分及标示 1 只有合格品,但保管方法不好 2 保管有定位标示 3 保管有定位,有图示,任何人都很清楚 4 4 图纸作业标示书 过期与正使用的物品杂放在一起 0 不是最新的,且随意摆放 1 是最新的,但随意摆放 2 有卷宗保管,但无次序 3 有目录、次序且整齐,任何人很快能使用 4 5 文件档案 零乱放置,使用时没法找 0 虽显零乱,但可以找得到 1 共同文件被定位,集中保管 2 以机器处理而容易检索 3 明确定位,使用目视管理,任何人都能使用 4 合计 备注 清扫检查考核表 项次 检查项目 检查状况 评分标准 得分 1 通道 有烟蒂、纸屑、铁屑及其他杂物 0 虽无脏物,但地面不平整 1 有水污、灰尘 2 早上有清扫 3 用拖把清洁并定期打蜡,保持光亮 4 2 作业场所 有烟蒂、纸屑、铁屑及其他杂物 0 虽无脏物,但地面不平整 1 有水污、灰尘 2 零件、材料、包装材料存放不妥 3 使用拖把清洁并定期打蜡,保持光亮 4 3 办公桌 作业台 文件、工具、零件很脏乱 0 桌面、作业台布满灰尘 1 桌面、作业台面虽干净,但破损未修理 2 桌面、作业台面干净整齐 3 桌面、椅子及四周均干净亮丽 4 4 门窗 墙板 天花板 任凭破烂,没有处理 0 破烂但仅做应急简单处理 1 乱贴乱挂不必要的东西 2 还算干净 3 干净亮丽,很舒爽 4 5 设备 工具 仪器 生锈 0 虽无生锈,但有油污 1 有轻微灰尘 2 保持干净 3 使用中有防止不干净的措施,并随时清理 4 合计 备注 清洁检查考核表 项次 检查项目 检查状况 评分标准 得分 1 通道 作业区 没有划分 0 有划分 1 划线感觉尚可 2 划线清楚,地面有清扫 3 通道及作业区感觉很舒畅 4 2 地面 有油或水 0 有油污或水,显得不干净 1 不是很平 2 经常清理,没有脏物 3 地面干净亮丽,感觉舒服 4 3 办公桌 作业台 椅子 架子 很脏乱 0 偶尔清理 1 虽有清理,但还显脏乱 2 自己感觉很好 3 任何人都会觉得很舒服 4 4 洗手台 厕所等 容器或设备脏乱 0 破损未修补 1 有清理,没异味 2 经常清理,没异味 3 干净亮丽,还加以装饰,感觉舒服 4 5 储物室 阴暗潮湿 0 虽阴湿,但可通风 1 照明不足 2 照明适度,通风好,感觉清爽 3 干干净净,整整齐齐,感觉舒服 4 合计 备注 第8条 检查组工作细则。 1.5S推行小组依据每月工厂5S值班计划,参照检查内容每月两次对所划分的责任区域进行全面检查。任何5S推行小组检查人员不得借故缺席,有特殊情况,可申请他人代为值班,但替代人由其自行协商。 2.责任区内部检查由各责任区域负责人自行组织实施,参照相关检查标准每周对所在责任区的班组进行检查。 3.班组检查由班组长组织实施,参照相关检查标准每天对所在责任班组进行检查。 4.日常工作期间随时进行员工个人自检与互检。 第3章 检查结果 第9条 检查结果处理 1.5S推行小组在检查时,对检查发现的问题应明确记录在5S巡回检查记录表上,并交由责任班组长或区域负责人加以确认。 2.若遇相关负责人缺勤或否认既成事实,5S推行小组组长有权判定并形成相关记录。 3.能当场整改的,检查者有权责令其立即纠正;若不能当场整改的,应开具5S整改通知书限期整改,同时5S推行委员会在编制5S检查内容时,将其列为检查项目,加以跟踪监督。 第10条 检查情况公示。 1.5S推行小组的值班主任于每次检查后的次日,将形成结果的检查表上报到工厂5S推行委员会秘书处汇总。 2.5S推行委员会执行秘书将前一天巡查的问题、责任区域、责任人、值班主任、检查得分、整改状况等情况加以统计或汇总,每天定时通过公布栏加以公示。 3.责任区内部检查及各班组自我检查也可参照同样办法在现场看板上予以公示。 第4章 考核与奖惩 第11条 考核得分规定。 1.5S检查得分作为各责任区责任人每月绩效考核表中的5S得分。 2.责任区内部检查月均分作为各班组长每月绩效考核表中的5S得分。 3.班组内部检查月均分作为员工每月绩效考核表中的5S得分。 第12条 申诉。任何被检查人或班组如对5S检查结果有异议,可向工厂5S推行委员会进行申诉,由主任委员最后裁决,但不得借故向值班主任做无休止的纠缠。 第13条 奖惩办法。 奖惩以5S推行小组巡查的平均得分为准,以“月”为单位分别加以统计进行奖惩。奖金由主任委员或工厂领导颁发。部门内部检查的奖惩事项由本部门自行制定,并报工厂5S推行委员会备案。 1.对在工厂巡查活动中工作表现突出的区域、班组,5S推行委员会根据各区域、各班组的问题汇总数进行集体评议,授予“5S先进集体”锦旗一面,并发给相应的奖金。奖金按30元×n定,n为区域内员工人数;对工作表现落后的班组,悬挂“5S加油队”黄旗,意在鞭策和促进。 2.对在工厂检查活动中工作表现突出的人员,经5S推行委员会集体评议,授予“5S优秀员工”荣誉称呼,并发给奖金100元。 3.对检查中所暴露的问题,推行委员会将汇总分发给有关部门进行限期整改,一次不改的将对责任人处以罚款20元,两次不改的将对责任人处以罚款50元,连续三次不改或整改效果不明显的,将对责任人和当事人处以罚款500元。 第14条 本办法由总经理办公室制定,解释权归总经理办公室所有。 第15条 本办法自颁布之日起执行。 编制日期 审核日期 批准日期 修改标记 修改处数 修改日期 6.2 废弃物处理管理规定 制度 名称 废弃物处理管理规定 受控状态 编 号 执行部门 监督部门 考证部门 第1条 目的。为保护作业环境,减少污染,顺利、有效地推行5S活动,特制订本规定。 第2条 范围。本办法适用于工厂废弃物的分类、存放和标识等工作。 第3条 责任。 1.各责任区负责对本责任区产生的一般废弃物和危险废弃物进行控制并加以分类标识,集中回收。 2.后勤部门负责联系回收工厂并将各部门的废弃物进行分类回收。 第4条 废弃物处理 废弃物分为一般废弃物与危险废弃物,其处理办法如下表所示。 废弃物处理办法一览表 类别 废弃物细分 责任部门 处理办法 一般废弃物 办公活动产生的废包装材料、废旧纸张和报纸、办公垃圾等 所在部门 集中存放,清洁工每天进行清理 生产活动中产生的废弃包装物、废边角料以及各种生产垃圾等 所在部门 集中存放,清洁工每天进行清理 实验活动中产生的玻璃仪器、无毒废液、实验垃圾等 所在部门 集中存放,清洁工每天进行清理 员工食堂的剩饭剩菜、除油烟系统收集的动植物油、生活垃圾等 食堂 统一管理,并由专人负责回收处理 员工宿舍产生的生活垃圾等 后勤部 集中存放,清洁工每天进行清理 危险废弃物 办公室活动产生的废旧灯管、电池等 1.所在部门分类存放 2.后勤部进行回收 1.办公活动、生产活动和实验活动产生的危险废弃物,由生产废弃物的部门进行分类存放,做好标识,并运送到指定区域2.挥发性大的废液,用有盖的容器盛装,不得直接从洗手池或下水道排出 3.所有的危险品废弃物,由后勤联系有资质的回收工厂做回收处理 生产活动产生的废机油及其污染物、废旧危险化学品包装物、废溶剂、废油漆及其污染物等 实验活动产生的危险废液、混有危险化学品包装物、布袋等 生产活动产生的废旧灯管、废电池等 备注:各种报废设备以及报废产品的处理需经工厂5S会议集体研究或经主任委员批准 第5条 尽量避免生产废弃物。工厂各部门应遵循不生产废弃品的原则,尽量回收、利用废弃物,把好质量关,不省工,不浪费,充分利用每一种资源。 第6条 本规定由工厂5S推行委员会制定,解释权归5S推行委员会所有。 第7条 本规定自颁布之日起执行。 编制日期 审核日期 批准日期 修改标记 修改处数 修改日期 第12章 工厂生产安全管理 12.1 安全生产管理流程 部门 步骤 总经理 生产总监 安全生产 委员会 安全主管 下属单位 安全员 制定 安全 生产 新措施 制订 安全 生产 计划 执行 安全 生产 计划 处理 安全 事故 执行安全 生产计划 重大 制订安全 生产计划 生产过程 安全检查 确定安全 生产指标 组织执行安全生产计划 填写月度、季度、年度 安全报表 是否发生事故 审核 审批 分析事故 原因 是 否 制定事故处理办法 审批 审批 一般 执行事故处理措施 汇总安全报表做出 安全报告 审核 审批 制定安全生产新措施 审核 12.2 工厂安全生产管理制度 制度 名称 安全生产管理制度 受控状态 编 号 执行部门 监督部门 考证部门 第1章 总 则 第1条 为加强工厂生产工作的劳动保护,改善劳动条件,保护员工在生产过程中的安全和健康,促进工厂的发展,根据国家有关劳动保护的法律、法规,结合工厂的实际情况,特制定本制度。 第2条 工厂的安全生产工作必须贯彻“安全第一,预防为主”的方针,坚持“谁主管、谁负责”的原则,坚持生产经营管理要服从安全需要的原则,实现安全生产和文明生产。 第3条 对在安全生产方面有突出贡献的团体和个人,工厂给予奖励;对违反安全生产制度和具体管理规定造成事故的责任者,要给予严肃处理;触及法律的依法追究其法律责任。 第2章 机构设置 第4条 工厂成立安全生产委员会,由生产总监担任主席,其主要职责如下。 1.全面负责工厂安全生产、防火安全、安全教育管理、安全事故处理工作; 2.研究制订安全管理技术措施和劳动保护计划。 第5条 工厂生产部设安全办,主要职责如下。 1.制定安全生产管理制度,制订安全生产工作计划。 2.实施安全生产的检查和监督。 3.安全教育工作的实施与监督检查。 4.配合安全生产委员会开展事故的调查处理等工作。 第3章 教育与培训 第6条 对新员工、临时工、实习人员,必须先进行所在部门、班组、岗位安全生产三级教育才能准其进入操作岗位。对改变工种的工人,必须重新进行安全教育才能上岗。 第7条 对从事压力容器设备、电气、车辆驾驶、易燃易爆等特殊工种人员,必须进行专业安全技术培训,经有关部门考核取得合格操作证后,才能准其独立操作,严禁无证人员操作。对特殊工种的在岗人员,必须进行经常性的安全教育。 第4章 劳动场所安全管理 第8条 劳动场所的布局要合理,保持清洁、整齐。对于有毒、有害的作业,必须配备防护设施。 第9条 生产用房、建筑物必须坚固、安全;通道平坦、顺畅,要有足够的光线;为生产所设的走台、升降口等有危险的处所,必须有安全设施和明显的安全警示标志。 第10条 有高温、低温、潮湿、雷电、静电等危险的劳动场所,必须采取相应的有效防护措施。 第11条 雇请外单位人员在工厂的场地进行施工作业时,安全办应加强管理,对违反作业规定并造成工厂财产损失的,需向其索赔并对其严加处理。 第12条 库房要定期进行通风降温、降湿,保持库内温、湿度达到规定的标准。库房内应装置烟雾报警器,照明灯具要装置防爆设备。 第13条 凡新建、改建、扩建、迁建生产场地以及技术改造工程,都必须安排劳动保护设施的建设,并要与主体工程同时设计、同时施工、同时投产。 第14条 工程建设主管部门在组织工程设计和竣工验收时,应提出劳动保护设施的设计方案、完成情况和质量评价报告,经安全生产委员会、生产部安全办等部门审查验收并签字后,才可施工、投产。 第5章 生产设备安全管理 第15条 各种生产设备和仪器要正确使用、经常维护、定期检修,不符合安全要求的陈旧设备,应有计划地更新和改造。 第16条 各种压力容器设备要定期检修维护,认真配合国家劳动部门实施年检。操作人员要认真记录工作日志。压力容器上主要安全部件要定期送到国家指定部门进行校验。 第17条 电气设备和线路应符合国家有关安全规定。具体要求有以下几点。 1.电气设备应有可熔保险和漏电保护,绝缘必须良好,并有可靠的接地或接零保护措施。 2.有易燃易爆危险品的工作场所,应配备防爆型电气设备。 3.潮湿场所和移动式的电气设备,应采用安全电压。 4.电气设备必须符合相应防护等级的安全技术要求。 第18条 引进国外设备时,对国内不能配套的安全附件,必须同时引进,引进的安全附件应符合我国的安全要求。 第6章 易燃、易爆物品安全管理 第19条 易燃、易爆物品的运输、贮存、使用、废品处理等,必须设有防火、防爆设施,严格执行安全操作守则和定员、定量、定品种的安全规定。 第20条 易燃、易爆物品的使用和贮存地点严禁烟火,并严格消除可能发生火灾的一切隐患。 第21条 在易燃、易爆物品附近需要动用明火时,必须进行以下申请审批程序。并且在作业过程中采取妥善的防护措施,在专人监护下进行。 1.一级动火作业由安全主管填写动火申请表并编制安全技术措施方案,报生产部部长和安全生产委员会审查批准后方可进行。 2.二级动火作业由所在车间主任填写动火申请表并编制安全技术措施方案,经安全主管和生产部部长审查批准后方可进行。 3.三级动火作业由所在班组填写动火申请表,经车间主任及安全主管审批后方可进行。 第7章 职业危害的预防与治疗 第22条 根据工作性质和劳动条件,为员工配备或发放劳动保护用品。发放标准按照《企业职工各个防护用品发放标准》并结合工厂实际情况由人力资源部制定。 第23条 各生产车间必须指导员工正确使用劳动保护用品,并随时检查员工使用情况。 第24条 做好防暑降温、防冻、防噪音、防粉尘工作,进行经常性的卫生监测,对超过国家安全卫生标准的作业点,应进行技术改造或采取卫生防护措施,不断改善劳动条件。 第25条 对特殊工种作业人员按规定发放保健食品补贴和特殊工种津贴。 第26条 对工厂员工每年定期进行体检。对确诊为职业病的患者,应立即上报人力资源部,由人力资源部上报安全生产委员会并视情况调整其工作岗位,同时做出治疗或疗养的决定。 第27条 禁止安排女员工在怀孕期、哺乳期从事影响胎儿、婴儿健康的有毒、有害工作。 第8章 安全生产检查 第28条 安全办组织全厂的检查,每年不少于四次,每季度保证一次;各车间每月不少于四次,每周保证一次;各生产班组应实行班前班后检查制度;特殊工种和设备的操作者应进行每天检查。检查时要认真做好记录和总结。 第29条 发现安全隐患,必须及时整改,并跟踪存在安全隐患单位的整改情况,直至符合整改要求为止。 第9章 奖励与惩罚 第30条 对认真执行工厂颁布的各项安全生产制度、防止事故发生和职业病危害做出贡献的集体和个人,有下列情况之一的,给予适当奖励。 1.对安全生产的合理化建议被采纳,且有明显效果的。 2.制止违章指挥、违章作业且避免事故发生的。 3.及时发现或消除重大事故隐患,避免重大事故发生的。 4.对抢险救灾有功的。 5.积极参加工厂、部门组织的各种形式的安全生产活动,被评为先进集体或个人。 6.被评为省、市、局、总工厂的安全生产积极分子给予表彰和奖励。 7.对消防、安全工作和其他方面做出特殊贡献的。 第31条 奖励程序。 1.安全生产先进个人由生产车间负责人汇总材料上报安全办审核后报生产部部长,经审核后报工厂安全生产委员会通过。 2.先进集体由安全办提出意见,报生产部长审核,再经安全生产委员会讨论审核通过。 第32条 对有下列情形之一的应予惩罚。 1.事故责任者。 2.违章指挥或强令员工冒险作业导致事故发生的。 3.违章违纪,情节严重,性质恶劣的。 4.破坏或伪造事故现场隐瞒或谎报事故的。 5.事故发生后,不采取措施,导致事故扩大或重复事故发生的。 6.对坚持原则,认真维护各项安全生产工作制度的人员进行打击报复的。 7.其他各种违反安全生产规章制度造成严重后果的。 8.对提出的整改意见有条件整改而拖延整改的责任人。 9.擅自挪用消防器材、损坏消防器材的。 第33条 惩罚类型。 1.经济处罚。根据危害程度和损失情况、责任大小,可采用罚款100~1000元、赔偿损失3%~50%、降低工资、扣除奖金等措施。 2.行政处罚:根据危害程度、损失情况、责任大小可对其采用警告、辞退警告、降职、降级、留用察看、辞退、开除等处罚措施。 3.性质特别严重、情节恶劣,触犯刑律者,追究法律责任。 第34条 处罚程序。 1.经济处罚由安全主管提出,报生产部部长批准后执行。 2.行政处罚由安全生产委员会提出,按工厂有关规定参照任命程序,报有关领导批准后执行。 第10章 安全事故及处理 第35条 事故报告。 1.事故最先发现者,除立即采取紧急措施处理外,应同时向领导和有关部门报告,而后逐级上报;对重大事故,应立即向上级有关部门报告。 2.发生死亡、重大伤亡事故的部门应保护好事故现场,并迅速采取措施抢救人员和财产,防止事故扩大。 3.发生重大火灾、化学爆炸及多人伤亡(含急性中毒)的事故应同时立即报告消防部门。 4.发生事故的部门应填写事故报告,经主管领导审查后,报送上级领导。一般事故不超过一天,重大事故不超过一小时。对重大事故,应写出调查报告,并于20天内报送政府机关。 第36条 事故抢救。 1.一旦发生事故,必须积极组织抢救,妥善处理,以防事故蔓延扩大。 2.发生事故时,各级领导应亲临现场,直接指挥组织抢救,并注意保护事故现场。 3.对有毒、有害物料大量外泄的事故场所和火场,必须设立警戒线,抢救人员应佩戴好防毒面具,对中毒、灼伤、烫伤人员应及时进行抢救。 第37条 事故调查和处理。 1.发生事故后,所在单位和部门都要按“三不放过”(即事故原因没有查清不放过、事故责任者和周围群众没有受到教育不放过、没有防范措施不放过)的原则,调查分析,找出原因,查明责任,确定改进的措施。 2.一般事故或重大未遂事故,应在事故发生当天由车间主任或部门领导组织调查分析。 3.重大事故,由安全生产委员会及时组织有关部门进行调查和分析。 4.伤亡事故的调查处理按国务院《工厂职工伤亡事故报告和处理规定》、《工伤保险条例》和GB6442-86《工厂职工伤亡事故调查分析规则》的规定执行。 5.轻伤、重伤事故由安全办组织生产、技术、动力、安全等有关人员参加事故调查。 6.死亡事故由安全委员会会同当地劳动、公安、人民检察院及其他有关部门人员和专家组成事故调查组进行调查。 7.在事故调查中,要实事求是地分清事故的性质和责任,并提出处理意见。对事故责任者的处分,可根据事故大小、损失多少、情节轻重以及影响程度等情况,令其赔偿经济损失或给予行政警告、记过、降职、降薪、撤职、留厂察看、开除等处分,直至追究刑事责任。 8.对一般事故责任者的处理意见,由所在车间提出,经安全办审核报安全生产委员会批准;对重大事故,应由调查组提出处理意见,经总经理签署意见,根据审批权限报上级机关批准;对重大责任事故、破坏性事故需追究刑事责任的,应移交司法机关依法处理。 9.对发生事故隐瞒不报、谎报、故意拖延不报或破坏事故现场以及无正当理由拒绝调查的单位和个人,要追究其责任,从严处理。对防止和抢救事故有功的单位和个人,应予以表彰和奖励。 第11章 附 则 第38条 本制度由生产部制定并负责解释。 第39条 本制度报总经理批准后施行,修改时亦同。 第40条 本制度施行后,凡既有的类似制度自行终止,与本制度有抵触的规定以本制度为准。 第41条 本制度自颁布之日起施行。 编制日期 审核日期 批准日期 修改标记 修改处数 修改日期 12.3 安全生产教育制度 制度 名称 安全生产教育制度 受控状态 编 号 执行部门 监督部门 考证部门 第1章 总 则 第1条 为确保工厂的安全生产,提高全员的自我保护和保护他人意识,在员工中牢固树立“安全第一”的观念,使员工懂得安全生产的基本知识,掌握安全生产的操作技能,特制定本制度。 第2条 本制度适用于生产部的所有员工。 第3条 安全教育要本着“要精、要管用”的原则,并且有针对性和实效性。 第2章 安全教育组织 第4条 工厂的培训由人力资源部组织实施,车间的培训由车间主任组织实施,班组的培训由各班组长负责组织实施。 第3章 安全教育实施 第5条 新入工厂员工均需经过工厂、车间、班组三级安全教育。 1.工厂级教育(一级)内容包括:国家有关安全生产的方针、政策、法规、制度及安全生产重要意义、一般安全知识、本厂生产特点。重大事故案例、厂规、厂纪以及入厂后的安全注意事项、工业卫生和职业病预防等知识。 2.车间级教育(二级)内容包括:车间生产特点、工艺及流程、主要设备的性能、安全技术规程和制度、事故教训及安全注意事项等。 3.班组级教育(三级)内容包括:岗位生产任务、特点、主要设备结构原理、操作注意事项、岗位责任制、岗位安全技术规程、事故案例及预防措施、安全装置和工(器)具、个人防护用品、防护器具和消防器材的使用方法等。 第6条 必须对车间内部调动的员工进行二级或三级安全教育,并进行岗位培训与考核,成绩记入其本人档案内,考核成绩合格后方准上岗作业。 第7条 进入工厂参观、学习的人员,安全办负责对其进行安全注意事项教育并指派专人负责带队。 第8条 各级领导和各车间要对员工进行经常性的安全思想、安全技术和遵章守纪教育,增强员工的安全意识和法制观念,定期研究员工安全教育中的有关问题。 第9条 各班组应定期开展安全活动,班组安全活动每周一次(即安全活动日)。 第10条 在大修或重点项目检修以及进行重大危险性作业(含重点施工项目)时,安全办应督促指导各检修(施工)单位进行检修(施工)前的安全教育。 第11条 员工违章及重大事故责任者和工伤人员复工,应由所属车间主任进行安全教育,并将内容记入员工档案内。 第12条 特种作业人员必须按《特种作业人员安全技术考核管理规则》的要求进行安全技术培训考核,取得特种作业证后方可从事特种作业。 第13条 对特种作业人员,按各车间的有关规定期限组织复审。 第14条 在新工艺、新技术、新制备、新材料、新产品投产前要按新的安全操作规程,对岗位作业人员和有关人员进行专门安全教育,考试合格后方能进行独立作业。 第15条 发生重大事故和恶性未遂事故后,应组织有关人员进行现场教育,吸取事故的教训,防止类似事故再次发生。 第16条 生产部各级管理人员的安全技术考核由安全生产委员会负责组织进行,考核内容如下。 1.国家有关安全生产和劳动保护的方针、政策、法规、制度和标准。 2.各项安全生产管理制度; 3.生产工艺和特点; 4.所接触的易燃易爆、有毒有害物质的理化性质,对人体的危害,预防措施和急救处理原则。 5.所管部门或业务范围内要害岗位的安全管理制度和注意事项。 6.各类安全装置的种类和作用,以及管理方法。 7.劳动保护用品和器具以及消防器材的正确使用方法。 第17条 工人的安全技术考核,由安全办负责组织,考核内容如下。 1.国家有关安全生产和劳动保护方针、政策、法规、制度和标准。 2.本工厂的生产特点以及所接触的易燃易爆、有毒有害物质的理化性质,对人体的危害、预防方法和急救处理原则。 3.本工厂的各项安全生产规程和管理制度。 4.本工厂的各类安全装置的类型、作用及其维护保养方法。 5.本工厂的劳动保护用品器具以及消防器材的正确使用方法; 6.本工厂的工艺流程的开停机安全注意事项。 第4章 附 则 第18条 本制度由生产部解释、补充,经总经理批准后实施。 第19条 本制度自颁布之日起执行。 编制日期 审核日期 批准日期 修改标记 修改处数 修改日期 12.4 安全生产责任书范本 文案 名称 安全生产责任书范本 受控状态 编 号 执行部门 监督部门 考证部门 为了严格执行安全生产各项规章制度,切实搞好劳动保护工作,提高全体员工的自我保护意识,杜绝事故和违章现象的发生,工厂与各聘用员工签订《安全生产责任书》,以资遵守。 一、责任双方 甲方: 乙方: 二、责任目标 严格按照《安全生产法》及工厂安全生产管理制度进行作业,指标如下。 1.不发生重、特大安全生产事故、事件。 2.不发生因工死亡、重伤。; 3.不发生火灾、爆炸、职业病等事故。 4.不发生危化品泄漏、急性中毒事故。 5.不发生负主责以上道路交通死亡事故。 三、甲方权利和义务 1.督促乙方遵章守纪、按章操作,强化现场安全防护工作。乙方若有违反,甲方有权按规章制度进行处罚。 2.对新聘员工进行安全生产的三级教育(即所在部门、班组、岗位)才能准其进入操作岗位。对特殊工种人员,必须进行专业安全技术培训,经有关部门考核取得合格操作证后,才准其独立操作。 3.加强员工的安全生产教育工作,使员工树立起“安全第一、生产必须安全、安全为了生产”的思想,在工作中严格执行各项安全管理规定,遵守安全生产规章制度。 4.教育引导员工积极参与安全生产工作,发现隐患及时整改,多提有助于安全生产的合理化建议。 5.发生人身、设备事故必须按规定的处理原则和程序进行处理。 四、乙方权利与义务 1.乙方应服从工厂领导和现场负责人的指挥和管理,不违章作业。有权制止他人的违章行为,有权拒绝违反安全劳动保护法规、安全操作规程的指令。 2.乙方应遵守各项安全操作规程,严禁带火种进入厂区,严禁酒后作业,严禁疲劳作业,严禁不经培训或不受安全教育就上岗作业。 3.乙方应按照工厂规定参加岗前培训,培训结束后,经生产线主管和生产部部长考核认可并签订相关的劳动合同后才可上岗。 4.乙方应严格遵守劳动纪律,按时上下班,不得私自串岗作业,工作时不得打闹、开玩笑或从事与工作内容无关的其他事情,做到“不伤害自己,不伤害别人,不被别人伤害”,严禁带无关人员进入工厂。 五、奖罚办法 1.乙方在工作中凡因个人违章行为发生工伤事故或造成他人伤害的,除对事故负有全部责任外,应承担伤者医疗费的50%,造成财产损失或他人伤害的,视情节给予经济赔偿,直至追究刑事责任,并解除劳动合同。 2.乙方积极参加各项安全教育活动,对安全工作做得好的班组和个人,由工厂给予适当的奖励。对发现重大安全隐患的员工,工厂予以特别奖励。 3.乙方在生产中因个人过失而造成险情或造成小的事故,工厂将视情节分别给予警告、记过或开除等处罚。 4.乙方因违反工厂安全生产管理制度而造成工厂设备、财产的重大损失,除应承担相应的赔偿外,严重的将追究法律责任。 5.乙方恶意破坏工厂设备、财产的个人,工厂将追究其经济责任及刑事责任。 六、其他 1.对已签订安全生产责任书能遵守安全规定的人员才可上岗作业,凡未签订安全责任书的一律不得上岗,一旦发生事故,一切经济损失均由个人承担。 2.本安全责任书一式两份,自签字之日起生效,甲、乙双方各执一份。 甲方: 乙方: 日期: 年 月 日 日期: 年 月 日 编制日期 审核日期 批准日期 修改标记 修改处数 修改日期 12.5 消防安全生产管理制度 制度 名称 消防安全生产管理制度 受控状态 编 号 执行部门 监督部门 考证部门 第1章 总 则 第1条 为加强消防管理,预防和减少火灾危害,保护工厂的财产和员工的生命安全,保证工厂的生产正常运行,根据《中华人民共和国消防条例》和有关规定,特制定本制度。 第2条 本制度适用于工厂全体员工。 第2章 组织机构 第3条 工厂成立消防安全管理办公室,由生产总监担任主任,生产部部长担任副主任,成员是保安员。 第4条 安全办成立消防安全小组,由安全主管副总担任组长,各车间主任担任副组长,成员是安全办其他工作人员和各班组长。 第3章 消防安全教育 第5条 每年以创办消防知识宣传栏、开展知识竞赛等多种形式,提高全体员工的消防安全意识。 第6条 定期组织员工学习消防法规和各项规章制度,做到依法防范。 第7条 各生产车间应针对岗位特点进行消防安全教育培训。 第8条 对消防设施维护保养和使用人员应进行实地演示和培训。 第9条 对新员工进行岗前消防培训,经考试合格后方可上岗。 第10条 因工作需要,换岗前必须进行再教育培训。 第4章 防火巡查、检查 第11条 落实逐级消防安全责任制和岗位消防安全责任制,落实巡查、检查制度。 第12条 安全消防小组每周对各车间进行一次防火检查,并复查追踪改善情况。 第13条 检查中发现火灾隐患,检查人员应填写防火检查记录,并按照规定请车间主任在记录上签名。 第14条 安全消防小组应将检查情况及时通知受检车间,对存在的火灾隐患应及时整改。 第15条 对检查中发现的火灾隐患未按规定时间及时整改的,根据奖惩制度给予处罚。 第5章 安全疏散设施 第16条 各车间应保持疏散通道、安全出口畅通,严禁占用疏散通道,严禁在安全出口或疏散通道上安装栅栏等影响疏散的障碍物。 第17条 应按规范设置符合国家规定的消防安全疏散指示标志及应急照明设施。 第18条 应保持防火门、消防安全疏散指示标志、应急照明、机械排烟送风、火灾事故广播等设施处于正常状态,并定期组织检查、测试、维护和保养。 第19条 严禁在工作期间将安全出口上锁。 第20条 严禁在工作期间将安全疏散指示标志关闭、遮挡或覆盖。 第6章 消防设施、器材维护 第21条 消防设施日常使用管理由专职管理员负责,专职管理员定期检查消防设施的使用状况,保持设施整洁、卫生、完好。 第22条 消防设施及消防设备的技术性能的维护保养和定期技术检测由管理部负责,设专职管理员每日按时检查消防设备的运行状况。查看运行记录,发现异常及时安排维修,使设备保持完好的技术状态。 第23条 消防设施和消防设备定期测试。 1.烟感、温感报警系统的测试由消防安全小组负责组织实施,每个烟感、温感探头至少每半年检测一次。 2.消防水泵、喷淋水泵每
展开阅读全文

开通  VIP会员、SVIP会员  优惠大
下载10份以上建议开通VIP会员
下载20份以上建议开通SVIP会员


开通VIP      成为共赢上传

当前位置:首页 > 教育专区 > 职业教育

移动网页_全站_页脚广告1

关于我们      便捷服务       自信AI       AI导航        抽奖活动

©2010-2025 宁波自信网络信息技术有限公司  版权所有

客服电话:0574-28810668  投诉电话:18658249818

gongan.png浙公网安备33021202000488号   

icp.png浙ICP备2021020529号-1  |  浙B2-20240490  

关注我们 :微信公众号    抖音    微博    LOFTER 

客服