收藏 分销(赏)

表3监理文件组卷参考目录.doc

上传人:s4****5z 文档编号:8778676 上传时间:2025-03-02 格式:DOC 页数:16 大小:978.27KB 下载积分:10 金币
下载 相关 举报
表3监理文件组卷参考目录.doc_第1页
第1页 / 共16页
表3监理文件组卷参考目录.doc_第2页
第2页 / 共16页


点击查看更多>>
资源描述
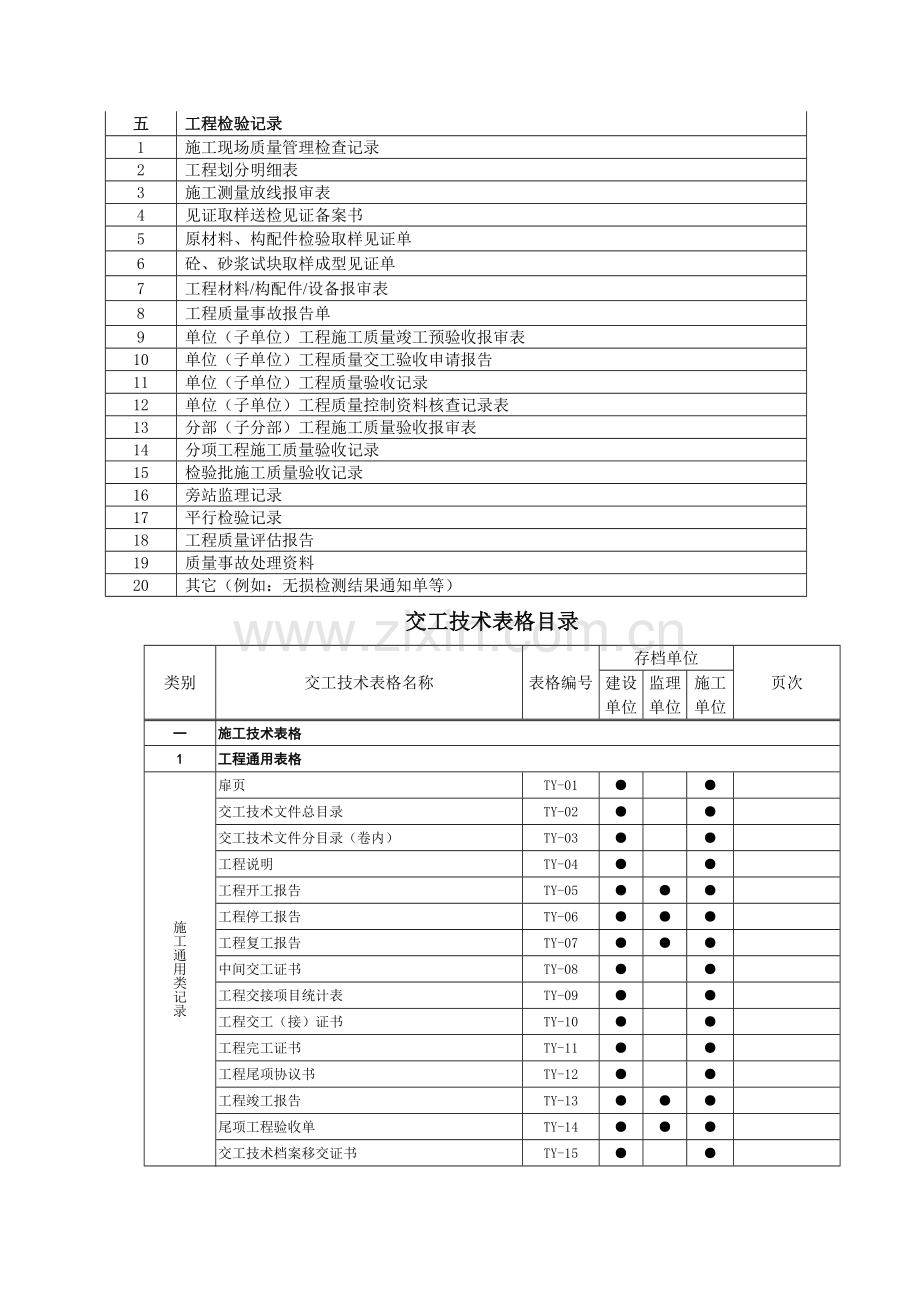
表3 监理文件组卷参考目录 序号 文件材料题名 一 监理项目管理 1 监理大纲 2 监理合同 3 监理规划 4 HSE监理规划 5 监理实施细则 6 工程竣工报告/尾项工程验收单 7 监理工作总结 二 监理指令 1 监理工程师通知单、监理工程师通知回复单 2 工作联系单 3 工程暂停令 三 监理内业 1 监理月报 2 监理会议纪要 3 监理工作日志(包括日常安全监理记录) 4 其他(包括市场调查、考察报告、情况反映等) 四 审核签认文件 1 施工现场质量管理检查记录 2 工程开/复工报审表 3 施工组织设计(方案)报审表 4 分包单位资格报审表 5 试验室资格报审表 6 施工人员资质报审表 7 施工机具报审表 8 施工测量放线报审表 9 施工进度计划报审表 10 无损检测报审表 11 无损检测复探报审表 12 工程款支付报审表 13 工程延期报审表 14 工程变更费用报审表 15 费用索赔报审表 16 工程质量事故处理方案报审表 17 工程款支付证书 18 工程延期审批表 19 费用索赔审批表 20 无损检测指令 21 无损检测复探指令 22 焊口返修指令(检测不合格部位通知单) 23 现场经济签证 五 工程检验记录 1 施工现场质量管理检查记录 2 工程划分明细表 3 施工测量放线报审表 4 见证取样送检见证备案书 5 原材料、构配件检验取样见证单 6 砼、砂浆试块取样成型见证单 7 工程材料/构配件/设备报审表 8 工程质量事故报告单 9 单位(子单位)工程施工质量竣工预验收报审表 10 单位(子单位)工程质量交工验收申请报告 11 单位(子单位)工程质量验收记录 12 单位(子单位)工程质量控制资料核查记录表 13 分部(子分部)工程施工质量验收报审表 14 分项工程施工质量验收记录 15 检验批施工质量验收记录 16 旁站监理记录 17 平行检验记录 18 工程质量评估报告 19 质量事故处理资料 20 其它(例如:无损检测结果通知单等) 交工技术表格目录 类别 交工技术表格名称 表格编号 存档单位 页次 建设单位 监理单位 施工单位 一 施工技术表格 1 工程通用表格 施工通用类记录 扉页 TY-01 ●   ●   交工技术文件总目录 TY-02 ●   ●   交工技术文件分目录(卷内) TY-03 ●   ●   工程说明 TY-04 ●   ●   工程开工报告 TY-05 ● ● ●   工程停工报告 TY-06 ● ● ●   工程复工报告 TY-07 ● ● ●   中间交工证书 TY-08 ●   ●   工程交接项目统计表 TY-09 ●   ●   工程交工(接)证书 TY-10 ●   ●   工程完工证书 TY-11 ●   ●   工程尾项协议书 TY-12 ●   ●   工程竣工报告 TY-13 ● ● ●   尾项工程验收单 TY-14 ● ● ●   交工技术档案移交证书 TY-15 ●   ●   归档电子文件移交、接收检验登记表 TY-16 ●   ●   卷内备考表 TY-17 ●   ●   主要设备及备品、备件交接清单 TY-18 ●   ●   施工日志 TY-19     ●   特种作业人员操作资格证统计表 TY-20 ●   ●   焊工登记表 TY-21     ●   设计变更单明细表 TY-22 ●   ●   设计变更单 TY-23 ●   ●   施工单位图纸会审记录 TY-24     ●   图纸会审记录 TY-25 ●   ●   施工组织设计审批表 TY-26 ●   ●   设计联络单明细表 TY-27     ●   设计联络单 TY-28 ●   ●   设备材料改代核定单 TY-29 ●   ●   现场经济签证 TY-30 ● ● ●   技术交底记录 TY-31 ●   ●   施工现场质量管理检查记录 TY-32 ● ● ●   工程划分明细表 TY-33 ● ● ●   分项工程质量验收记录 TY-34 ● ● ●   分部(子分部)工程质量验收记录 TY-35 ● ● ●   单位(子单位)工程质量交工验收申请报告 TY-36 ● ● ●   单位(子单位)工程质量验收记录 TY-37 ● ● ●   单位(子单位)工程质量控制资料核查记录表 TY-38 ● ● ●   质量事故处理记录 TY-39 ● ● ●   隐蔽工程检查记录 TY-40 ●   ●   工序交接记录 TY-41 ●   ●   焊接工艺评定记录(报告) TY-42     ●   安装(试验)记录 TY-43 ●   ●   接地电阻测试记录 TY-44 ●   ●   机器、设备、仪表、工具交接记录 TY-45 ●   ●   设备开箱检查记录 TY-46 ●   ●   合格证(质量证明文件)汇总表 TY-47 ●   ●   合格证(质量证明文件)粘贴表 TY-48 ●   ●   2 工程检测表格 理化试验类 试样委托单 JC-01 ●   ● 不列 钢材物理性能试验报告 JC-02 ●   ● 不列 钢材化学分析试验报告 JC-03 ●   ● 不列 水泥试验报告 JC-04 ●   ● 不列 砂试验报告 JC-05 ●   ● 不列 碎(卵)石试验报告 JC-06 ●   ● 不列 混凝土早强、减水类外加剂试验报告 JC-07 ●   ● 不列 混凝土引气剂试验报告 JC-08 ●   ● 不列 混凝土缓凝剂试验报告 JC-09 ●   ● 不列 混凝土泵送剂试验报告 JC-10 ●   ● 不列 砂浆防水剂试验报告 JC-11 ●   ● 不列 混凝土防水剂试验报告 JC-12 ●   ● 不列 混凝土防冻剂试验报告 JC-13 ●   ● 不列 混凝土膨胀剂试验报告 JC-14 ●   ● 不列 混凝土速凝剂试验报告 JC-15 ●   ● 不列 砌筑砂浆增塑剂试验报告 JC-16 ●   ● 不列 掺合料试验报告 JC-17 ●   ● 不列 轻集料试验报告 JC-18 ●   ● 不列 烧结普通砖试验报告 JC-19 ●   ● 不列 烧结空心砖、空心砌砖、多孔砖试验报告 JC-20 ●   ● 不列 粉煤灰砖试验报告 JC-21 ●   ● 不列 轻骨料混凝土小型空心砌块试验报告 JC-22 ●   ● 不列 普通混凝土小型空心砌块试验报告 JC-23 ●   ● 不列 膨胀珍珠岩试验报告 JC-24 ●   ● 不列 聚苯乙烯泡沫塑料板试验报告 JC-25 ●   ● 不列 门窗力学性能试验报告 JC-26 ●   ● 不列 门窗物理性能试验报告 JC-27 ●   ● 不列 门窗保温性能试验报告 JC-28 ●   ● 不列 外墙饰面砖试验报告 JC-29 ●   ● 不列 土工击实试验报告 JC-30 ●   ● 不列 回填土密度检测报告 JC-31 ●   ● 不列 钢筋(材)焊接接头物理性能检测报告 JC-32 ●   ● 不列 钢筋机械连接接头抗拉强度检测报告 JC-33 ●   ● 不列 砂浆配合比试验报告 JC-34 ●   ● 不列 砂浆抗压强度检测报告 JC-35 ●   ● 不列 混凝土配合比试验报告 JC-36 ●   ● 不列 混凝土抗压强度检测报告 JC-37 ●   ● 不列 混凝土抗渗性能检测报告 JC-38 ●   ● 不列 墙体传热系数检测报告 JC-39 ●   ● 不列 钢结构用钢材化学分析试验报告 JC-40 ●   ● 不列 焊接材料试验报告 JC-41 ●   ● 不列 绝热用挤塑聚苯乙烯泡沫塑料试验报告 JC-42 ●   ● 不列 绝热用模塑聚苯乙烯泡沫塑料试验报告 JC-43 ●   ● 不列 复合硅酸盐保温制品试验报告 JC-44 ●   ● 不列 硬质聚氨酯泡沫塑料试验报告 JC-45 ●   ● 不列 绝热用岩棉保温制品试验报告 JC-46 ●   ● 不列 防水卷材试验报告 JC-47 ●   ● 不列 聚乙烯胶粘带试验报告 JC-48 ●   ● 不列 聚乙烯颗粒试验报告 JC-49 ●   ● 不列 聚乙烯防护层试验报告 JC-50 ●   ● 不列 玻璃棉保温制品试验报告 JC-51 ●   ● 不列 聚氯乙烯工业膜试验报告 JC-52 ●   ● 不列 辐射交联聚乙烯热收缩带试验报告 JC-53 ●   ● 不列 辐射交联聚乙烯热收缩套试验报告 JC-54 ●   ● 不列 防水帽试验报告 JC-55 ●   ● 不列 玻璃纤维布试验报告 JC-56 ●   ● 不列 沥青补口毡试验报告 JC-57 ●   ● 不列 沥青试验报告 JC-58 ●   ● 不列 膨胀珍珠岩试验报告 JC-59 ●   ● 不列 防腐涂料试验报告 JC-60 ●   ● 不列 醇酸涂料试验报告 JC-61 ●   ● 不列 光谱分析报告 JC-62 ●   ● 不列 阀门检验报告 JC-63 ●   ● 不列 石料强度试验报告 JC-64 ●   ● 不列 混凝土路面砖检测报告 JC-65 ●   ● 不列 混凝土实心砖检测报告 JC-66 ●   ● 不列 水泥混凝土弯拉强度检测报告 JC-67 ●   ● 不列 回弹法混凝土强度检测报告 JC-68     ● 不列 取芯法混凝土强度检测报告 JC-69     ● 不列 水泥砼芯样劈裂抗拉强度试验报告 JC-70     ● 不列 钢管脚手架直角扣件试验报告 JC-71     ● 不列 钢筋保护层厚度检测报告 JC-72     ● 不列 预应力钢材力学性能试验报告 JC-73 ●   ● 不列 预应力锚具、夹具和连接器试验报告 JC-74 ●   ● 不列 混凝土路缘石试验报告 JC-75 ●   ● 不列 土工合成材料试验报告 JC-76 ●   ● 不列 石灰试验报告 JC-77 ●   ● 不列 粉煤灰试验报告 JC-78 ●   ● 不列 路面基层、沥青面层粗集料试验报告 JC-79 ●   ● 不列 路面基层、沥青面层细集料试验报告 JC-80 ●   ● 不列 矿粉试验报告 JC-81 ●   ● 不列 土物理性质试验报告 JC-82 ●   ● 不列 乳化沥青试验报告 JC-83 ●   ● 不列 承载比(CBR)试验报告 JC-84     ● 不列 无机结合料稳定材料配合比试验报告 JC-85 ●   ● 不列 无机结合料稳定材料无侧限抗压强度试验报告 JC-86 ●   ● 不列 无机结合料剂量标准曲线试验报告 JC-87     ● 不列 无机结合料剂量检测报告 JC-88     ● 不列 沥青混合料配合比试验报告 JC-89 ●   ● 不列 沥青混合料检测报告 JC-90     ● 不列 压实度检测报告 JC-91 ●   ● 不列 沥青砼压实度检测报告 JC-92 ●   ● 不列 弯沉检测报告 JC-93 ●   ● 不列 沥青路面抗滑试验报告 JC-94     ● 不列 路面构造深度试验报告 JC-95     ● 不列 3 土建工程表格 土建施工技术记录 试样委托单 TJ-01     ● 不列 现场检测委托单 TJ-02     ● 不列 混凝土、砂浆委托单 TJ-03     ● 不列 钢筋保护层厚度检测委托单 TJ-04     ● 不列 安装抄测记录 TJ-05 ●   ● 不列 工程定位测量记录 TJ-06 ●   ● 不列 基槽(孔)验线记录 TJ-07 ●   ● 不列 楼层平面放线记录 TJ-08     ● 不列 楼层标高抄测记录 TJ-09     ● 不列 地基验槽(孔)记录 TJ-10 ●   ● 不列 地基处理记录 TJ-11 ●   ● 不列 预拌混凝土运输交接记录 TJ-12 ●   ● 不列 混凝土开盘鉴定 TJ-13     ● 不列 混凝土工程施工记录 TJ-14 ●   ● 不列 混凝土拆模申请批准单 TJ-15     ● 不列 混凝土养护测温记录 TJ-16     ● 不列 大体积混凝土养护测温记录 TJ-17 ●   ● 不列 混凝土结构同条件养护试件测温记录 TJ-18 ●   ● 不列 构件安装记录 TJ-19 ●   ● 不列 涂料施工记录 TJ-20 ●   ● 不列 钢结构防腐(火)涂料施工记录 TJ-21 ●   ● 不列 钢结构制作记录 TJ-22 ●   ● 不列 钢结构安装记录 TJ-23 ●   ● 不列 钢结构焊接记录 TJ-24 ●   ● 不列 钢结构焊接记录附图 TJ-25 ●   ● 不列 保温、保护层施工记录 TJ-26 ●   ● 不列 砌筑砂浆试块强度统计、评定记录 TJ-27 ●   ● 不列 混凝土试块强度统计、评定记录 TJ-28 ●   ● 不列 结构同条件养护混凝土强度验收记录 TJ-29 ●   ● 不列 地下工程防水效果检验记录 TJ-30 ●   ● 不列 防水工程淋(蓄)水检验记录 TJ-31 ●   ● 不列 混凝土预制桩打桩施工记录 TJ-32 ●   ● 不列 静力压桩施工记录 TJ-33 ●   ● 不列 灌水、满水检测记录 TJ-34 ●   ● 不列 通水检测记录 TJ-35 ●   ● 不列 室内排水管道通球检测记录 TJ-36 ●   ● 不列 室内消火栓试射记录 TJ-37 ●   ● 不列 风管漏光检测记录 TJ-38 ●   ● 不列 除尘器、空调漏风检测记录 TJ-39 ●   ● 不列 防排烟系统联合试运行记录 TJ-40 ●   ● 不列 通风空调系统调试记录 TJ-41 ●   ● 不列 等电位联结导通性检测记录 TJ-42 ●   ● 不列 大型照明灯具载荷测试记录 TJ-43 ●   ● 不列 电气器具通电安全测试记录 TJ-44 ●   ● 不列 建筑物照明通电试运行记录 TJ-45 ●   ● 不列 电气设备空载试运行记录 TJ-46 ●   ● 不列 大容量电气线路结点温度检测记录 TJ-47 ●   ● 不列 4 站内工艺安装工程表格           工艺管道施工记录 管件检查验收记录 GY-01     ●   钢管检查验收记录 GY-02     ●   阀门试压记录 GY-03 ●   ●   管道焊接工作记录 GY-04     ●   焊缝热处理记录 GY-05 ●   ●   通、排风管道施工记录 GY-06     ●   管道补偿器安装记录 GY-07 ●   ●   管架安装记录 GY-08 ●   ●   管道试压检查记录 GY-09 ●   ●   安全阀调试记录 GY-10 ●   ●   管道系统压力试验报告 GY-11 ●   ●   工艺管道吹扫(清洗)记录 GY-12 ●   ●   设备基础检查验收记录 GY-13 ●   ●   机器拆检及组装记录 GY-14 ●   ●   机器安装记录 GY-15 ●   ●   设备垫铁隐蔽记录 GY-16 ●   ●   联轴器对中记录 GY-17 ●   ●   润滑油系统冲洗检查记录 GY-18 ●   ●   机组试运前系统确认记录 GY-19 ●   ●   机器单机试车记录 GY-20-1 ●   ●   机器单机试车记录(续) GY-20-2 ●   ●   轴位移、轴振动校验记录 GY-21 ●   ●   汽轮机(燃气轮机)单体试车记录 GY-22-1 ●   ●   汽轮机(燃气轮机)单体试车记录(续) GY-22-2 ●   ●   离心式压缩机单机试车记录 GY-23-1 ●   ●   离心式压缩机单机试车记录(续) GY-23-2 ●   ●   联动试车合格证 GY-24 ●   ●   立式设备安装记录 GY-25 ●   ●   卧式设备安装记录 GY-26 ●   ●   设备现场组焊记录 GY-27 ●   ●   设备填充记录 GY-28 ●   ●   设备清理检查封闭记录 GY-29 ●   ●   设备强度和严密性试验报告 GY-30 ●   ●   设备/管道防腐、保温、保冷、涂漆施工记录 GY-31 ●   ●   塔体分段组对检查记录 GY-32 ●   ●   塔盘安装记录 GY-33-1 ●   ●   塔盘安装记录(续) GY-33-2 ●   ●   空冷器及风筒构件安装记录 GY-34 ●   ●   空气预热器安装检查记录 GY-35 ●   ●   空冷器风机安装记录 GY-36 ●   ●   反应器、再生器附件安装检查记录 GY-37 ●   ●   加热炉配件安装记录 GY-38     ●   抽油机安装记录 GY-39 ●   ●   火炬安装质量检查记录 GY-40 ●   ●   烟囱、烟道安装检查记录 GY-41 ●   ●   储罐基础检查验收记录 GY-42 ●   ●   储罐罐体组装检查记录 GY-43 ●   ●   储罐焊接记录 GY-44     ●   储罐焊缝返修记录 GY-45     ●   储罐罐体几何尺寸检查记录 GY-46 ●   ●   固定顶、内浮顶的储罐强度及严密性试验报告 GY-47 ●   ●   浮顶储罐强度及严密性试验报告 GY-48 ●   ●   储罐基础沉降观测记录 GY-49 ●   ●   5 集输管道安装工程表格 集输管道施工记录 管道试压记录 JS-01 ●   ●   管沟开挖施工验收记录 JS-02 ●   ●   管道里程、转角、测试、标志桩埋设记录 JS-03 ●   ●   埋地管道防腐层地面检漏记录 JS-04 ●   ●   防腐补口剥离强度试验记录表 JS-05 ●   ●   防腐绝缘层电火花检测记录 JS-06 ●   ●   牺牲阳极埋设记录 JS-07 ●   ●   牺牲阳极电参数测试记录 JS-08 ●   ●   阴极保护工程施工记录 JS-09 ●   ●   强制电流阴极保护电参数测试记录 JS-10 ●   ●   定向钻穿越工程质量验收表 JS-11 ●   ●   水平钻穿越管道就位检查记录 JS-12 ●   ●   顶管穿越顶进套管检查记录 JS-13 ●   ●   管道穿越工程隐蔽检查记录 JS-14 ●   ●   管架安装记录 JS-15 ●   ●   跨越管道就位检查测量记录 JS-16 ●   ●   管道清管记录 JS-17 ●   ●   6 球罐制造安装工程表格 球罐制造安装施工记录 球罐现场安装安全质量监督检验证书 QG-01 ●   ●   球罐交工验收证明书 QG-02 ●   ●   球壳板、支柱到货检验报告 QG-03 ●   ●   球罐基础检查验收记录 QG-04 ●   ●   球罐焊接记录 QG-05     ●   球罐焊缝返工记录 QG-06     ●   球罐焊后外观及几何尺寸检查报告 QG-07 ●   ●   球罐支柱安装检查记录 QG-08 ●   ●   球罐焊后整体热处理报告 QG-09 ●   ●   球罐压力试验报告 QG-10 ●   ●   球罐气密性试验报告 QG-11 ●   ●   球罐基础沉降观测记录 QG-12 ●   ●   7 锅炉安装工程表格 锅炉安装施工记录 锅炉安装告知书 GL-01     ● 不列 锅炉出厂技术资料审验记录 GL-02 ●   ● 不列 锅炉安装图纸会审记录 GL-03 ●   ● 不列 锅炉安装机具设备配置状况记录 GL-04 ●   ● 不列 锅炉安装有关人员资格 GL-05 ●   ● 不列 制造焊口检查情况 GL-06 ●   ● 不列 锅炉主要部件缺陷检查记录 GL-07 ●   ● 不列 锅炉基础质量复查记录 GL-08 ●   ● 不列 锅炉垫铁隐蔽工程记录 GL-09 ●   ● 不列 立柱垫铁及柱脚固定后允许二次灌浆签证 GL-10 ●   ● 不列 锅炉隐蔽工程检查签证 GL-11 ●   ● 不列 钢架安装记录 GL-12 ●   ● 不列 钢架安装示意图 GL-13 ●   ● 不列 水冷壁安装记录 GL-14 ●   ● 不列 水冷璧焊接位置示意图 GL-15 ●   ● 不列 钢管省煤器及省煤器框架安装记录 GL-16 ●   ● 不列 省煤器水压试验记录 GL-17 ●   ● 不列 省煤器焊接位置示意图 GL-18 ●   ● 不列 过热器安装记录 GL-19 ●   ● 不列 过热器焊接位置示意图 GL-20 ●   ● 不列 减温减压器安装记录 GL-21 ●   ● 不列 锅筒、集箱安装记录 GL-22 ●   ● 不列 受压元件焊缝表面质量检查记录 GL-23 ●   ● 不列 无损探伤记录 GL-24 ●   ● 不列 合金钢元件光谱分析 GL-25 ●   ● 不列 锅炉安装焊接工程一览表 GL-26 ●   ● 不列 胀管工作记录 GL-27 ●   ● 不列 采用内径控制法胀管率测定计算表 GL-28 ●   ● 不列 通球及封闭记 GL-29 ●   ● 不列 受热面管通球试验签证 GL-30 ●   ● 不列 锅炉本体水压试验记录 GL-31 ●   ● 不列 汽包内部装置安装检查签证 GL-32 ●   ● 不列 钢管式空气预热器安装记录 GL-33 ●   ● 不列 燃烧设备安装质量检查记录 GL-34 ●   ● 不列 锅炉膨胀指示器安装记录 GL-35 ●   ● 不列 抛煤机安装记录 GL-36 ●   ● 不列 除渣机安装记录 GL-37 ●   ● 不列 风机安装记录 GL-38 ●   ● 不列 辅机安装及单机试运转记录 GL-39 ●   ● 不列 锅炉炉墙耐火砖砌筑检查记录 GL-40 ●   ● 不列 保温砖、耐火混凝土砌筑检查记录 GL-41 ●   ● 不列 锅炉炉墙红砖砌筑验收记录 GL-42 ●   ● 不列 炉墙主要部位的膨胀间隙记录 GL-43 ●   ● 不列 锅炉炉墙施工签证 GL-44 ●   ● 不列 烟、风、煤管道及附属设备的安装记录 GL-45 ●   ● 不列 锅炉管道保温记录 GL-46 ●   ● 不列 锅炉管道保温施工签证 GL-47 ●   ● 不列 安全附件、排污管道、阀门安装检查记录 GL-48 ●   ● 不列 水处理设备的安装记录 GL-49 ●   ● 不列 烘炉记录 GL-50 ●   ● 不列 烘炉签证 GL-51 ●   ● 不列 煮炉记录 GL-52 ●   ● 不列 煮炉签证 GL-53 ●   ● 不列 锅炉安全阀调整记录 GL-54 ●   ● 不列 锅炉安全阀调整签证 GL-55 ●   ● 不列 锅炉管道吹洗验收记录 GL-56 ●   ● 不列 锅炉管道的冲洗和吹洗签证 GL-57 ●   ● 不列 蒸汽严密性试验记录 GL-58 ●   ● 不列 蒸汽严密性试验签证 GL-59 ●   ● 不列 锅炉炉膛风压试验签证 GL-60 ●   ● 不列 锅炉机组四十八(七十二)小时试运签证 GL-61 ●   ● 不列 8 电气安装工程表格 电气安装施工记录 接地装置安装检查记录 DQ-01 ●   ●   照明线路绝缘检查及试照记录 DQ-02 ●   ●   隔离(负荷)开关安装调整记录 DQ-03 ●   ●   电气盘(屏)、柜安装检查记录 DQ-04 ●   ●   变压器安装检查记录 DQ-05 ●   ●   变压器器身检查记录 DQ-06 ●   ●   母线安装检查记录 DQ-07 ●   ●   断路器安装检查记录 DQ-08 ●   ●   电缆敷设施工检查记录 DQ-09 ●   ●   电缆绝缘电阻测试记录 DQ-10 ●   ●   电缆头施工记录 DQ-11 ●   ●   直流系统、不间断电源(UPS)安装检查记录 DQ-12 ●   ●   交流电动机检查试运转记录 DQ-13 ●   ●   柴油发电机调试记录 DQ-14 ●   ●   电磁式电流(压)继电器试验记录 DQ-15 ●   ●   GL型电流继电器试验记录 DQ-16 ●   ●   中间、信号继电器试验记录 DQ-17 ●   ●   时间继电器试验记录 DQ-18 ●   ●   重合闸继电器试验记录 DQ-19 ●   ●   差动继电器试验记录 DQ-20-1 ●   ●   差动继电器试验记录(续) DQ-20-2 ●   ●   差动保护向量检验记录 DQ-21 ●   ●   继电保护装置整定记录 DQ-22 ●   ●   架空电力线路测量记录 DQ-23-1 ●   ●   架空电力线路测量记录(续) DQ-23-2 ●   ●   架空电力线路电杆焊接施工记录 DQ-24 ●   ●   架空电力线路电杆组立施工记录 DQ-25 ●   ●   架空电力线路自立式铁塔组立施工记录 DQ-26 ●   ●   架空电力线路钢管电杆组立施工记录 DQ-27 ●   ●   架空电力线路拉线安装施工记录 DQ-28 ●   ●   架空电力线路导线弧垂观测记录 DQ-29 ●   ●   架空电力线路导地线接续、补修施工记录 DQ-30 ●   ●   架空电力线路穿跨越距离测量记录 DQ-31 ●   ●   绝缘子试验报告 DQ-32 ●   ●   隔离(负荷)开关、高压熔断器试验报告 DQ-33 ●   ●   真空断路器试验报告 DQ-34 ●   ●   六氟化硫断路器试验报告 DQ-35 ●   ●   放电线圈试验报告 DQ-36 ●   ●   电抗器、消弧线圈试验报告 DQ-37 ●   ●   电力电缆试验记录 DQ-38 ●   ●   绝缘油试验报告 DQ-39 ●   ●   交流耐压试验报告 DQ-40 ●   ●   变压器试验报告 DQ-41 ●   ●   交流电动机试验报告 DQ-42 ●   ●   电压互感器试验报告 DQ-43 ●   ●   电流互感器试验报告 DQ-44 ●   ●   电容器试验报告 DQ-45 ●   ●   断路器试验报告 DQ-46 ●   ●   避雷器试验报告 DQ-47 ●   ●   柴油发电机试验报告 DQ-48 ●   ●   微机保护装置及回路调试报告 DQ-49 ●   ●   微机监控装置及回路调试报告 DQ-50 ●   ●   9 自动化仪表安装工程表格 自控安装施工记录 热电偶、热电阻校验记录 ZK-01     ●   就地指示仪表校验记录 ZK-02     ●   变送器、转换器、指示器校验记录 ZK-03     ●   物位仪表校验记录 ZK-04     ●   调节器校验记录 ZK-05     ●   调节阀、执行器校验记录 ZK-06     ●   报警、联锁系统试验记录(一) ZK-07     ●   报警、联锁系统试验记录(二) ZK-08     ●   安全栅、分配器、选择器校验记录 ZK-09     ●   分析仪表校验记录 ZK-10     ●   轴位移、轴振动校验记录 ZK-11     ●   工艺开关校验记录 ZK-12     ●   ()校验记录 ZK-13     ●   仪表回路测试记录 ZK-14 ●   ●   仪表保温箱、保护箱安装记录 ZK-15     ●   仪表盘、柜、操作台安装记录 ZK-16 ●   ●   综合控制系统软件构成记录 ZK-17 ●   ●   现场监控系统基本功能测试记录 ZK-18 ●   ●   火灾、消防监控系统基本功能测试记录 ZK-19 ●   ●   仪表管路试压、脱脂、酸洗记录 ZK-20 ●   ●   综合控制系统基本功能测试记录 ZK-21 ●   ●   综合控制系统模拟量输入输出测试记录 ZK-22 ●   ●   综合控制系统开关量输入输出测试记录 ZK-23 ●   ●   综合控制系统回路测试记录 ZK-24 ●   ●   10 通信安装工程表格           通信安装施工记录 电源设备安装测试记录 TX-01 ●   ●   通用设备安装测试记录 TX-02 ●   ●   蓄电池充电测试记录 TX-03 ●   ●   蓄电池容量测试记录 TX-04 ●   ●   电缆环阻/绝缘电阻测试记录 TX-05 ●   ●   电(光)缆敷设施工记录 TX-06     ●   电缆接续施工记录 TX-07     ●   光缆单盘测试记录 TX-08     ●   光缆熔接测试记录 TX-09 ●   ●   中继段光纤线路衰减测试记录 TX-10 ●   ●   光端设备安装测试记录 TX-11 ●   ●   光端设备特性测试记录 TX-12 ●   ●   PCM设备呼叫测试记录 TX-13 ●   ●   大话务量测试记录 TX-14 ●   ●   交换设备语音测试记录 TX-15 ●   ●   交换设备中继电路测试记录 TX-16 ●   ●   天馈线系统测试记录 TX-17 ●   ●   用户新业务性能测试记录 TX-18 ●   ●   移动通信基站性能测试记录 TX-19 ●   ●   数据网络设备测试记录 TX-20 ●   ●   卫星通信天线设备安装调试记录
展开阅读全文

开通  VIP会员、SVIP会员  优惠大
下载10份以上建议开通VIP会员
下载20份以上建议开通SVIP会员


开通VIP      成为共赢上传

当前位置:首页 > 百科休闲 > 其他

移动网页_全站_页脚广告1

关于我们      便捷服务       自信AI       AI导航        抽奖活动

©2010-2025 宁波自信网络信息技术有限公司  版权所有

客服电话:0574-28810668  投诉电话:18658249818

gongan.png浙公网安备33021202000488号   

icp.png浙ICP备2021020529号-1  |  浙B2-20240490  

关注我们 :微信公众号    抖音    微博    LOFTER 

客服