收藏 分销(赏)

DTII型固定式带式输送机设计选型手册-(2).docx

上传人:胜**** 文档编号:850096 上传时间:2024-03-29 格式:DOCX 页数:238 大小:2.41MB 下载积分:11 金币
下载 相关 举报
DTII型固定式带式输送机设计选型手册-(2).docx_第1页
第1页 / 共238页
DTII型固定式带式输送机设计选型手册-(2).docx_第2页
第2页 / 共238页


点击查看更多>>
资源描述
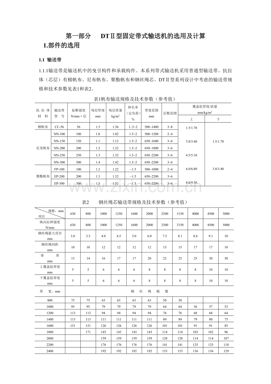
第一部分 DTⅡ型固定带式输送机的选用及计算 1.部件的选用 1.1 输送带 1.1.1输送带是输送机中的曳引构件和承载构件。本系列带式输送机采用普通型输送带。抗拉体(芯层)有棉帆布、尼布帆布、聚酯帆布和钢丝绳芯。DTⅡ型系列设计中考虑的输送带规格和技术参数见表1和表2。 表1帆布输送规格及技术参数(参考值) 抗 拉 体 材 料 输送带 型 号 扯断强度 N/mm·层 每层厚度 mm 每层质量 kg/m2 伸长率 (定负荷) % 带宽范围 mm 层数范围 覆盖胶厚度/质量 mm/kg/m2 上 下 棉帆布 CC-56 56 1.5 1.36 1..5~2 500~1400 3~8 1.5/1.70 3.0/3.40 4.5/5.10 6.0/6.80 8.0/9.50 1.5/1.70 3.0/3.40 尼龙帆布 NN-100 100 1.0 1.02 1.5~2 500~1200 2~4 NN-150 150 1.1 1.12 1.5~2 650~1600 3~6 NN-200 200 1.2 1.22 1.5~2 650~1800 3~6 NN-250 250 1.3 1.32 1.5~2 650~2200 3~6 NN-300 300 1.4 1.42 1.5~2 650~2200 3~6 聚酯帆布 FP-100 100 1.2 1.22 ~1.5 500~1000 2~4 EP-200 200 1.3 1.32 ~1.5 650~2200 3~6 EP-300 300 1.5 1.52 ~1.5 650~2200 3~6 表2 钢丝绳芯输送带规格及技术参数(参考值) 规格,mm 项目 630 800 1000 1250 1600 2000 2500 3150 4000 4500 5000 纵向拉伸强度 N/mm 630 800 1000 1250 1600 2000 2500 3150 4000 4500 5000 钢丝绳最大直径 mm 3.0 3.5 4.0 4.5 5.0 6.0 7.5 8.1 8.6 9.1 10 钢丝绳间距 mm 10 10 12 12 12 12 15 15 17 17 18 带 厚 mm 13 14 16 17 17 20 22 25 25 30 30 上覆盖胶厚度 mm 5 5 6 6 6 8 8 8 8 10 10 下覆盖胶厚度 mm 5 5 6 6 6 8 8 8 8 10 10 带 宽,mm 钢 丝 绳 根 数 800 75 75 63 63 63 63 50 50 1000 95 95 79 79 79 79 64 64 56 57 53 1200 113 113 94 94 94 94 76 76 68 68 64 1400 113 113 111 111 111 111 89 89 79 80 75 1600 151 151 126 126 126 126 101 101 91 91 85 1800 171 143 143 143 143 114 114 103 102 96 2000 159 159 159 159 128 128 114 114 107 2200 176 176 176 176 141 141 125 125 118 2400 192 192 192 192 153 153 136 136 129 输送带质量,kg/m2 19 20.5 23.1 24.7 27 34 36.8 42 49 53 58 1.1.2帆布带的许用层数:各种帆布带的最小、最大许用层数见表3。 1.1.3覆盖胶层厚度:根据所输送物料的松散密度、块度、落料高度及物料的磨琢性确定。常规条件下推荐按表4、5、6选取(引用DIN22101)。 1.1.4输送带质量:根据抗拉体和覆盖胶层厚度参照各厂样本选取。表7为参考质量。 1.1.5各种帆布带允许的最小传动滚筒直径见表23。 1.1.6安全系数 输送带的安全系数是一个经验值,应考虑安全、可靠、寿命及制造质量、经济成本。此外,还要考虑接头效率、启动系数、现场条件、使用经验等。选用时应参照各制造厂的样本。本系列推荐值仅供参考。 棉帆布输送带:n=8~9;层数少,接头效率低可大于此值。 尼龙、聚酯帆布带:n=10~12;使用条件恶劣及要求特别安全时大于12。 钢丝绳芯输送带:n=7~9;运行条件好,倾角小,强度低可取小值,反之则取大值。对可靠性要求高,如载人或高炉上料输送带应适当高于上述数值。St4000以上输送带接头的疲劳强度不随静强度按比例提高,其安全系数应由橡胶厂提供。 1.2 驱动装置 带式输送机的动力部分,由安装在驱动架上的Y系列鼠笼型电机、液力偶合器(或梅花形弹性联轴器)、减速器、ZL型弹性柱销齿式联轴器、制动器(逆止器)等组成。 表3 各种帆布输送带的最小、最大许用层数 输送带 型 号 层数 极限 物料密度 ×103 kg/m3 带 宽 , mm 500 650 800 1000 1200 1400 1600 1800 2000 2200 CC-56 NN-100 最小 0.5~1.0 3 4 4 5 5 6 1.0~1.6 3 4 4 5 6 6 1.6~2.5 3 5 5 6 7 8 最大 4 5 6 8 8 8 NN-150 EP-100 最小 0.5~1.0 3 3 3 4 5 5 6 1.0~1.6 3 3 4 5 5 6 1.6~2.5 3 4 5 6 6 最大 3 4 5 6 6 6 6 NN-200 最小 0.5~1.0 3 3 3 4 4 5 5 1.0~1.6 3 4 4 5 5 6 1.6~2.5 4 5 5 6 最大 4 5 6 6 6 6 6 NN-250 EP-200 最小 0.5~1.0 3 3 3 4 4 5 5 6 6 1.0~1.6 3 3 4 5 5 6 6 6 6 1.6~2.5 3 4 5 6 6 最大 3 4 6 6 6 6 6 6 6 NN-300 EP-300 最小 0.5~1.0 3 3 3 4 4 5 5 6 6 1.0~1.6 3 3 4 5 5 6 6 6 6 1.6~2.5 3 4 5 6 6 最大 3 4 6 6 6 6 6 6 6 表4 输送带承载和空载面覆盖胶层最小厚度 抗 拉 体 (芯 层)材 料 最 小 厚 度 值 CC (棉 帆 布) NN (尼 龙 帆 布) EP (聚 酯 帆 布) 根据不同抗拉体(芯层)分别为1~2mm ST (钢 丝 绳 芯) 0.7d(mm),最小4mm 注:d为钢丝绳直径 表5相应于表4最小厚度的承载面附加厚度的标准值 (mm) 有影响的参数 评 价 值 评 价 值 总 数 载 荷 情 况 载荷频繁度 粒 度 密 度 物料磨琢性 有利 正常 不利 少 正常 频繁 细 正常 粗 轻 正常 重 小 中等 剧烈 1 2 3 1 2 3 1 2 3 1 2 3 1 2 3 表6 附加厚度的标准值 (mm) 评价值总数 5~6 7~8 9~11 12~13 14~15 附加厚度 0~1 1~3 3~6 6~10 ≥10 表7帆布带质量qB(参考值) (kg/m) 帆布 层数 Z 上胶+下胶 厚度 mm 带 宽,mm 500 650 800 1000 1200 1400 3 3.0+1.5 4.5+1.5 6.0+1.5 5.02 5.88 6.74 4 3.0+1.5 4.5+1.5 6.0+1.5 5.82 6.68 7.55 7.57 8.70 9.82 9.31 10.70 12.10 5 3.0+1.5 4.5+1.5 6.0+1.5 8.62 9.73 10.87 10.60 11.98 13.38 13.25 14.98 16.71 15.90 17.95 20.05 6 3.0+1.5 4.5+1.5 6.0+1.5 11.80 13.28 14.65 14.86 16.59 18.32 17.82 19.90 22.00 20.80 23.20 25.65 7 3.0+1.5 4.5+1.5 6.0+1.5 16.47 18.20 19.93 19.80 21.85 23.95 23.10 25.50 27.95 8 3.0+1.5 4.5+1.5 6.0+1.5 18.08 19.81 21.54 21.65 23.80 25.82 25.30 27.75 30.10 表8 各种帆布带最小传动滚筒直径 (mm) 层 数 型 号 3 4 5 6 7 8 CC-56, NN-100 500 500 630 800 1000 1000 NN-150,EP-100 500 500 630 800 NN-200 ~ NN-300 EP-200 ~ EP-300 500 630 800 1000 1.2.1本系列电机功率为2.2~315kW,减速器采用DBY型、DCY型硬齿面圆锥圆柱齿减速器,传动比为8~50,共配置了221组驱动单元及相应的驱动架。也可采用平行轴硬齿面圆柱齿轮减速器,但要自行配置驱动架。 1.2.2按带宽、带速、电机功率从“驱动装置选择表”中确定组合号,然后在“驱动装置组合号表”中确定所需驱动单元。 1.2.3采用带后辅腔的液力偶合器作为本系列带式输送机的专用偶合器,其启动力矩系数限制在1.3~1.7之间。选用时,设计者应按所需功率和启动时最大力矩,根据制造厂的偶合器特征曲线选定充油量,并在总图中标注充油量。 1.2.4本系列采用液力推杆闸瓦式制动器,选用时要根据制动力矩与发热情况选用相应规格的推动器。制动器推杆的工作制为100%持续率。 1.2.5逆止器 a本系列提供的滚柱逆止器,逆止力矩为6.9~23.3kN·m,安装在DCY315以下规格的减速器输出轴上,其它型式逆止器如NYD型凸块式逆止器及非接触式逆止器可由设计者自行配置。 b.在一台输送机上采用多台机械逆止器时,如果不能保证均分担载荷,则每台逆止器都必须按一台输送机可能出现的最大逆转力矩来选取。同时还应验算传动滚筒轴或减速器的强度。 c.采用多电机驱动及大规格的逆止器应尽量安装在减速器输出轴或传动滚筒轴上。 1.2.6输出轴用弹性齿式柱销联轴器,由于配套规格较多而未列入驱动单元,整机设计选用时应在总图标出序号。 1.2.7本系列驱动单元为单电机典型配置,如配置条件发生变化或采用多电机驱动时,驱动单元的组合形式可由设计者自行调整。 1.2.8末级中心距大于或等于355mm的硬齿面减速器热功率验算不通过时,设计者应采取相应措施。 1.3电动滚筒 电动滚筒是将电机、减速齿轮装入滚筒内部的传动滚筒。因其结构紧凑,外形尺寸小,适于短距离及较小功率的单机驱动带式输送机。功率范围2.2~55kW,用于环境温度不超过40℃的场合,本系列为通用型,凡有隔爆、阻燃等特殊要求时,应另行选配。 1.4传动滚筒 传动滚筒是传递动力的主要部件。本系列传动滚筒根据承载能力分轻型、中型和重型三种。滚筒直径有500、630、800、1000mm。同一种滚筒直径又有几种不同的轴径和中心跨距供设计者选用。 轻型:轴承孔径80~100mm。轴与轮毂为单键联接的单幅板焊接筒体结构。单向出轴。 中型:轴承孔径120~180mm。轴与轮毂为胀套联接。 重型:轴承孔径200~220mm。轴与轮毂为胀套联接,筒体为铸焊结构。有单向出轴和双向出轴两种。 传动滚筒表面有裸露光钢面、人字形和菱形花纹橡胶覆面。小功率、小带宽及环境干燥时可采用裸露光钢面滚筒。人字形花纹胶面磨擦系数大,防滑性和排水性好,但有方向性。菱形胶面用于双向运行的输送机。用于重要场合的滚筒,最好采用硫化橡胶覆面。用于阻燃,隔爆条件,应采取相应的措施。最小传动滚筒直径D按下式选取。 D=cd , mm 式中 d—芯层厚度或钢绳直径,mm; c—系数,棉织物=80,尼龙=90,聚酯=108,钢绳芯=145。 滚筒轴承座全部采用油杯式润滑脂润滑。 1.5改向滚筒 用于改变输送带的运行方向或增加输送带与传动滚筒间的围包角。 1.5.1改向滚筒按承载能力分轻型、中型和重型;分直径50~100mm,120~180mm及200~260mm,结构型式与传动滚筒一致。 1.5.2改向滚筒用于改变输送带运行方向。用于180°改向时在尾部或垂直拉紧装置处。用于90°改向时放在垂直拉紧装置的上方。增面滚筒一般用于小于或等于45°的场合。 1.5.3改向滚筒覆面有裸露光钢面和平滑胶面两种。 1.5.4改向滚筒与传动滚筒直径匹配见表9、表10。 1.6托辊 托辊是用于支承输送带上所承载的物料,保证输送带稳定运行的装置。 1.6.1托辊种类(见表26)如下: a.槽形托辊:用于承载分支输送散状物料。 b.平行托辊:平行上托辊,用于承载分支输送成件物品,平行下托辊用于回程分支支撑输送带。 c.调心托辊:用于调整输送带跑偏,防止蛇行,保证输送带稳定运行。前倾式槽形托辊也起调心、对中作用。 d.缓冲托辊:安装在输送机受料段的下方,减小输送带所受的冲击,延长输送带使用寿命。 e.回程托辊:用于下分支支撑输送带,有平行、V形、反V形几种,V形与反V形辊能降低输送带跑偏的可能性。当V形和反V形两种型式配套使用,形成菱形断面,能更有效地防止输送带跑偏。 此外,还有梳形托辊和螺旋托辊,能清除输送带的粘料,保持带面清洁。 f.过渡托辊:安装在滚筒与第一组托辊之间,可使输送带逐步成槽或由槽形展平,以降低输送带边缘因成槽延伸而产生的附加应力,同时也防止输送带展平时出现撒料现象。 表9 改向滚筒直径匹配 (mm) 带 宽 传动直径 ≈180°尾部改向 滚筒直径 ≈180°头部探头 滚筒直径 ≈90°改向滚筒 直径 ﹤45°改向滚筒 直径 500 500 400 500 315 250 650 500 630 400 500 500 630 315 400 250 315 800 500 630 800 1000 400 500 630 800 500 630 800 1000 315 400 500 630 250 315 400 500 1000 630 800 1000 500 630 800 630 800 1000 400 500 630 315 400 500 1200 630 800 1000 500 630 800 630 800 1000 400 500 630 315 400 500 1400 800 1000 630 800 800 1000 500 630 400 500 表10 按稳定工况确定的最小滚筒直径 (mm) 传 动 滚 筒 直 径 D 最小直径(无磨擦面层) 允许的最高输送带张力利用率 ﹥60%~100% ﹥30%~60% ≤30% 滚筒组别 滚筒组别 滚筒组别 A B C A B C A B C 500 500 400 315 400 315 250 315 315 250 630 800 1000 1250 630 800 100 1250 500 630 800 1000 400 500 630 800 500 630 800 1000 400 500 630 800 315 400 500 630 400 500 630 800 400 500 630 800 315 400 500 630 1600 1600 1250 1000 1250 1000 800 1000 1000 800 注:A—传动滚筒;B—改向滚向(180°);C—改向滚筒(﹤180°)。 1.6.2托辊间距 托辊间距应满足两个条件:辊子轴承的承载能力(参见第二部分型谱7.5辊子承载能力)及输送带的下垂度,托辊间距应配合考虑该处的输送带张力,使输送带获得合适的垂度。 最大下垂度: hmax= 式中: hmax—两组托辊间距输送带的最大下垂度,m; a—托辊间距,m; qG—物料质量,kg/m; qB—输送带质量,kg/m; F0—该处输送带张力,N; 稳定工况下的下垂度应限制在1%以内。 a.本系列承载分支托辊间距见表12。 b.回程分支托辊间距:2.4~3m。 c.凸弧段托辊间距:一般为承载分支托辊间距的1/2,还应验算输送带合力的附加载荷是否超出所选托辊的承载能力。 d.落料处缓冲托辊间距:根据物料的松散密度、块度及落料高度而定。一般按承载分支托辊间距的1/2~1/3。当松散密度软大,落差较高时可取1.2~1.5倍辊径。 表11 托辊种类 承 载 托 辊 槽型托辊 槽形前 倾托辊 过渡托辊 缓冲托昆 调心托辊 平行托辊 35° 45° 35° 10° 20° 30° 固定式 磨擦上 调心辊 锥形上 调心辊 磨擦上平 调心辊 平行上 托辊 35° 45° 代码 01 02 03 04 05 06 07 08 11 12 13 14 回 程 托 辊 平行下托辊 平行梳形托辊 V形 托辊 V形前 倾托辊 V形梳 形托辊 磨擦下 调心辊 反V形 托辊 锥形下 调心辊 螺旋托辊 一节 二节 一节 二节 10° 10° 10° 二节 10° 一节 二节 代码 21 - 23 - 25 26 27 28 29 30 31 - 表12 承载分支托辊间距 松散密度 kg/m3 带 宽, mm 500、650 800、1000 1200、1400 ≤1600 ﹥1600 1200 1000 1200 1000 1200 1000 1.6.3头部滚筒中心线至第一组槽形托辊的最小过度距离A,见图1和表13。 表13推荐的最小过渡距离A 带 型 额定张力,% 各种帆布输送带 钢绳芯输送带 ﹥90 1.6B 3.4B 60~90 1.3B 2.6B ﹤60 1.0B 1.8B 1.6.4输送重量大于20kg的成件物品时,托辊间距不应大于物品长度的1/2(沿输送方向)。对于20kg以下的成件物品托辊间距可取1m。 1.6.5托辊辊子;根据承载能力分普通型及重型两种,每种辊径对应2~3种轴径。全部采用大游隙轴承,并保证所有辊子转数不超过600r/min,参见表14。 表14 托辊辊子转数 (r/min) 辊 径 mm 带 速 , m/s 0.8 1.0 1.25 1.6 2.0 2.5 3.15 4.0 5.0 6.5 89 172 215 268 344 429 537 108 142 177 221 283 354 442 557 133 144 180 230 287 359 453 575 159 120 150 192 240 300 379 481 601 194 123 158 197 246 310 394 492 219 275 349 436 567 1.7拉紧装置 1.7.1使输送带具有足够的张力,保证输送带和传动滚筒间产生磨擦力使输送带不打滑,并限制输送带在各托辊间的垂度,使输送机正常运行。 1.7.2本系列拉紧装置有螺旋式、垂直重锤式、重锤车式、固定绞车式四种。拉紧装置应尽可能布置在输送带张力最小的位置上,并尽量靠近传动滚筒又便于维修的位置。在确定拉紧力时,除考虑正常运行外,还应考虑启(制)动及空载空车工况。 1.7.3螺旋拉紧装置适用于长度较短(小于100mm),功率较小的输送机上,可按机长的1%~1.5%选取拉紧行程。 螺旋拉紧行程有500、800、1000mm三种。 1.7.4垂直重锤拉紧装置:能利用输送机走廊窨位置进行布置。可随着张力的变化靠重力自动补偿输送带的伸长,重锤箱内装入每块15kg重的铸铁块调节拉紧力。这种型式的拉紧装置应优选采用。 1.7.5重锤车式拉紧装置:适于距离较长,功率较大的输送机。本系列增设了重锤塔架,可加大拉紧行程。拉紧行程有2、3、4m三档。 1.7.6固定式绞车拉紧装置:用于大行程,大拉紧辊(30~150kN)、长距离、大运量的带式输送机,最大拉紧行程可达17m 。 1.7.7拉紧行程的确定:根据输送带生产厂样本提供的伸长率进行计算。然后考虑接头长度和安装条件所需的附加长度。 1.8清扫器 清扫器用于清扫输送带上粘附的物料。本系列有头部及空段清扫器两种。 1.8.1头部清扫器为重锤刮板式结构,装于卸料滚筒处。清扫输送带工作面上的粘料。 1.8.2空段清扫器装在尾部滚筒前下分支输送带的非工作面,或垂直重锤装置入边改向滚筒处,用以清扫输送带非工作面的物料。 1.8.3当输送带粘料严重时,可选用其它型式如硬质合金刮板清扫器。 1.9卸料装置及导料槽 1.9.1卸料装置用于输送机中部任意点卸料。本系列有双侧、左侧、右侧三种可变槽角卸料器。适用于带速小于或等于2.5m/s,物料块度在50mm以下,输送带采用硫化接头的输送机上。 1.9.2导料槽:可使从漏斗落下的物料在达到带速之前集中到输送带的中部。导料槽的底边宽为2/3~1/2带宽。 导料槽由前、中、后三段组成,中段数量可根据需要任意增加。导料槽的长度应按落料速度与输送带稳定运行速度之差来选取。导料槽的截面结构可分矩形和喇叭形两种。 1.10机架 机架是用于支承滚筒及承受输送带张力的装置。本系列机架采用了结构紧凑、刚性好、强度高的三角形机架。 1.10.1机架的种类:机架有四种结构,见图2。可满足带宽500~1400mm,倾角0°~18°,围包角小于或等于190°~210°多种型式的典型布置。并能与漏斗配套使用。 a. 01机架:用于0°~18°倾角的头部传动及头部卸料滚筒。选用时应标注角度。 b. 02机架:用于0°~18°倾角的尾部改向滚筒工中间卸料的传动滚筒。 c. 03机架:用于0°~18°倾角的头部探头滚筒或头部卸料传动滚筒,围包角小于或等于180°。 d. 04机架:用于传动滚筒设在下分支的机架。可用于单滚筒传动,也可用于双滚筒传动(两组机架配套使用)。围包角大于或等于200°。 e. 01,02机架适于带宽500~1400mm,03,04机架适于带宽800~1400mm。 1.10.2本系列机架适用于输送带强度范围:CC—56棉帆布3~8层;NN—100~300尼龙带及EP100~300聚酯带3~6层;钢绳芯带ST2000以下。 1.10.3滚筒直径范围:500~1000mm。 1.10.4中间架:用于安装托辊。标准长度为6000mm,非标准长度为3000~6000mm及凸凹弧段中间架;支腿有Ⅰ(无斜撑),Ⅱ型(有斜撑)两种。中间架和中间架支腿全部采用螺栓联接,便于运输和安装。 1.11头部漏斗 头部漏斗用于导料、控制料流方向的装置。也可起防尘作用。 1.11.1本系列漏斗有普通型和调节挡板型(3型)两种。其中普通型又可分为不带衬板(1型)和带衬板(2型)两种。 带速范围:≤2.5m/s(1型),3.15m/s(2型),调节挡板式带速范围1.6~5m/s;2型漏斗在水平运输时可达4m/s。 1.11.2订货时要注明清扫器的类型—重锤式或HP型刮板式等,以便确定漏斗上清扫器器的安装孔。 1.11.3选用本系列漏斗时,设计者还应根据输送机之间的搭接高度设计漏斗与导料槽之间的联接段。 1.12电气及安全保护装置 安全保护装置是在输送机工作中出现故障能进行监测和报警的设备,可使输送机系统安全生产,正常运行,预防机械部分的损坏,保护操作人员的安全。此外,还便于集中控制和提高自动化水平。 1.12.1电气及安全保护装置的设计、制造、运输及使用等要求,应符合有关国家标准或专业标准要求,如IEC439《低压开关设备和控制装置》;GB4720《装有低压电器的电控设备》;GB3797《装有电子器件的电控设备》。 1.12.2DTⅡ型带式输送机第一阶段设计的功率范围:2.2~315kW。 1.12.3拖动方式:37kW以下采用Y系列鼠笼型电机加弹性联轴器直接启动;45~315kW采用Y系列鼠笼型电机加液力偶合器(启动系数为1.3~1.7的带式输送机专用偶合器)。 1.12.4电气设备的保护:主回路要求有电压、电流仪表指示器,并有断路、短路、过流(过载)、缺相、按地等项保护及声、光报警指示,指示器应灵敏、可靠。 1.12.5安全保护和监测:应根据输送机输送工艺要求及系统或单机的工况进行选择,常用的保护和监测装置如下: a.胶带跑偏监测:一般安全在输送机头部、尾部、中间及需要监测的点。轻度跑偏听偏量达5%带宽时发出信号并报警。重度跑偏量达10%带宽时延时动作,报警、正常停机。 b.打滑监测:用于监视传动滚筒和输送带之间的线速度之差。并能报警、自动张紧输送带或正常停机。 c.超速监测:用于下运或下运工况。当带速达到规定带速的115%~125%时,报警并紧急停机。 d.沿线紧急停机用拉绳开关,沿输送机全长在机架的两侧每隔60m各安装一组开关,动作后自锁、报警、停机。 e.其它料仓堵塞信号、纵向撕裂信号及拉紧、制动信号、测温信号等,可根据需要进行选择。 2.设计计算 2.1符号和单位 符号和单位见表15。 表15 符号单位 符号 说 明 单位 a0 au A b b1 B C Cε d d0 D e f F F1 F2 FH 输送机承载分支的托辊间距 输送机回程分支的托辊间距 输送带和清扫器间的接触面积 输送带装载物料的宽度(实际填充物料或承载物料的宽度)即有效带宽 导料拦板间的宽度 输送带宽度 系数(附加阻力) 槽形系数 输送带厚度 轴承内径 滚筒直径 自然对数的底 模拟磨擦系数 滚筒上平均输送带张力 滚筒上紧边张力 滚筒上松边张力 主要阻力 m m m2 m m m - - m m m - - N N N N 续表15 符号 说 明 单位 Fmax Fmin FN FS FS1 FS2 FSt FT FU g (h/a)max H IV Im k ka l l3 lb L L0 Lε P PA PM qB qG qRO qRU Q S υ υ0 a δ ε η θ λ μ μ0 μ1 μ2 μ3 ξ ρ φ 输送带最大张力 输送带最小张力 附加阻力 特种阻力 特种主要阻力 特种附加阻力 倾斜阻力 作用在传动滚筒上两边输送带张力和滚筒转动部分质量引起的力的矢量之和 所有传动滚筒上所需圆周驱动力 重力加速度 在托辊之间允许的输送带垂度 输送机卸料段和装料段间的高差 输送能力 输送能力 倾斜系数 清扫器刮板系数 装有导料挡板的设备长度 中辊长度(槽形三辊式) 加料段长度 输送机长度(头尾滚筒中心距) 输送机附加长度 装有前倾托辊的设备长度 清扫器和输送带之间的压力 全部传动滚筒所需传动功率 全部驱动电机所需驱动功率 承载分支和回程分支每米输送带的质量 每米输送物料的质量 输送机承载分支每米机长托辊旋转部分质量 输送机回程分支每米机长托辊旋转部分质量 输送机小时生产能力 输送带上物料横截面面积 带速 在输送带运行方向上物料的输送速度分量 安息角 设备在运行方向的倾斜角 托辊轴线相对于垂直输送带纵向轴线的前倾角 效率 物料的堆积角 槽形承载托辊侧辊轴线与水平线间夹角 传动滚筒和输送带间的磨擦系数 承载托辊与输送带间的磨擦系数 物料与输送带间的磨擦系数 物料与导料档板间的磨擦系数 输送带与清扫器间的磨擦系数 加速度系数 输送物料的松散密度 输送带在所有传动滚筒上的围包角 N N N N N N N N m/s2 - m m3/s kg/s - N/m m m m m m m N/m2 W W kg/m kg/m kg/m kg/m t/h m2 m/s m/s 度 度 度 - 度 度 - - - - - - kg/m3 弧度 2.2原始数据及工作条件 带式输送机的计算,应具有下列原始数据: (1) 物料名称和输送能力 (2) 物料的性质:粒度大小,最大粒度和粒度组成情况;松散密度;堆积角;温度、湿度、粘度、磨琢性、腐蚀性等。输送成件物品时,成件物品单位质量和物品的外形尺寸。 (3) 工作环境:露天、室内、干燥、潮湿、环境温度和灰尘多少等。 (4) 卸料方式和卸料装置形式。 (5) 给料点数目和位置。 (6) 输送机布置形式及尺寸。 2.3输送能力的计算 2.3.1输送能力IV 带式输送机的最大生产能力是由输送带上物料的最大面积、带速和设备倾斜系数决定的。按公式(1)计算: IV=Sυk , m3/s (1) 或 Im=Sυkρ , kg/s (2) 式中 S—输送带上物料的最大横截面积,m2;见图3。按公式(3)~(5)计算或参看表16。 V—带速,m/s; k—倾斜系数,按ISO5048式(16)计算,也可以按表32查取。 Ρ—物料松散密度,kg/m3; θ—堆积角,一般为安息角的50%~75%。 S1=[l3+(b-l3)cosλ]2 (3) S2= [l3+ S=S1+S2 b—有效带宽,m。 2.3.2成件物品的输送能力 Im= kg/s 式中G—单件物品重量,kg; T—物品在输送机上的间距,m; v—带速,m/s。 每小时输送的件数: n=3600 表16 物料的最大截面积S (m2) 带宽 mm 堆积角 槽 角 20° 25° 30° 35° 40° 45° 500 0° 10° 20° 30° 0.0098 0.0142 0.0187 0.0234 0.0120 0.0162 0.0206 0.0252 0.0139 0.0180 0.0222 0.0266 0.0157 0.0196 0.0236 0.0278 0.0173 0.0210 0.0247 0.0287 0.0186 0.0220 0.0256 0.0293 650 0° 10° 20° 30° 0.0184 0.0262 0.0342 0.0422 0.0224 0.0299 0.0377 0.0459 0.0260 0.0332 0.0406 0.0484 0.0294 0.0362 0.0433 0.0507 0.0322 0.0386 0.0453 0.0523 0.0347 0.0407 0.0469 0.0534 800 0° 10° 20° 30° 0.0279 0.0405 0.05
展开阅读全文

开通  VIP会员、SVIP会员  优惠大
下载10份以上建议开通VIP会员
下载20份以上建议开通SVIP会员


开通VIP      成为共赢上传

当前位置:首页 > 包罗万象 > 大杂烩

移动网页_全站_页脚广告1

关于我们      便捷服务       自信AI       AI导航        抽奖活动

©2010-2026 宁波自信网络信息技术有限公司  版权所有

客服电话:0574-28810668  投诉电话:18658249818

gongan.png浙公网安备33021202000488号   

icp.png浙ICP备2021020529号-1  |  浙B2-20240490  

关注我们 :微信公众号    抖音    微博    LOFTER 

客服