收藏 分销(赏)

制造管理考核考核方法.docx

上传人:pc****0 文档编号:8469335 上传时间:2025-02-14 格式:DOCX 页数:9 大小:20.41KB 下载积分:10 金币
下载 相关 举报
制造管理考核考核方法.docx_第1页
第1页 / 共9页
制造管理考核考核方法.docx_第2页
第2页 / 共9页


点击查看更多>>
资源描述
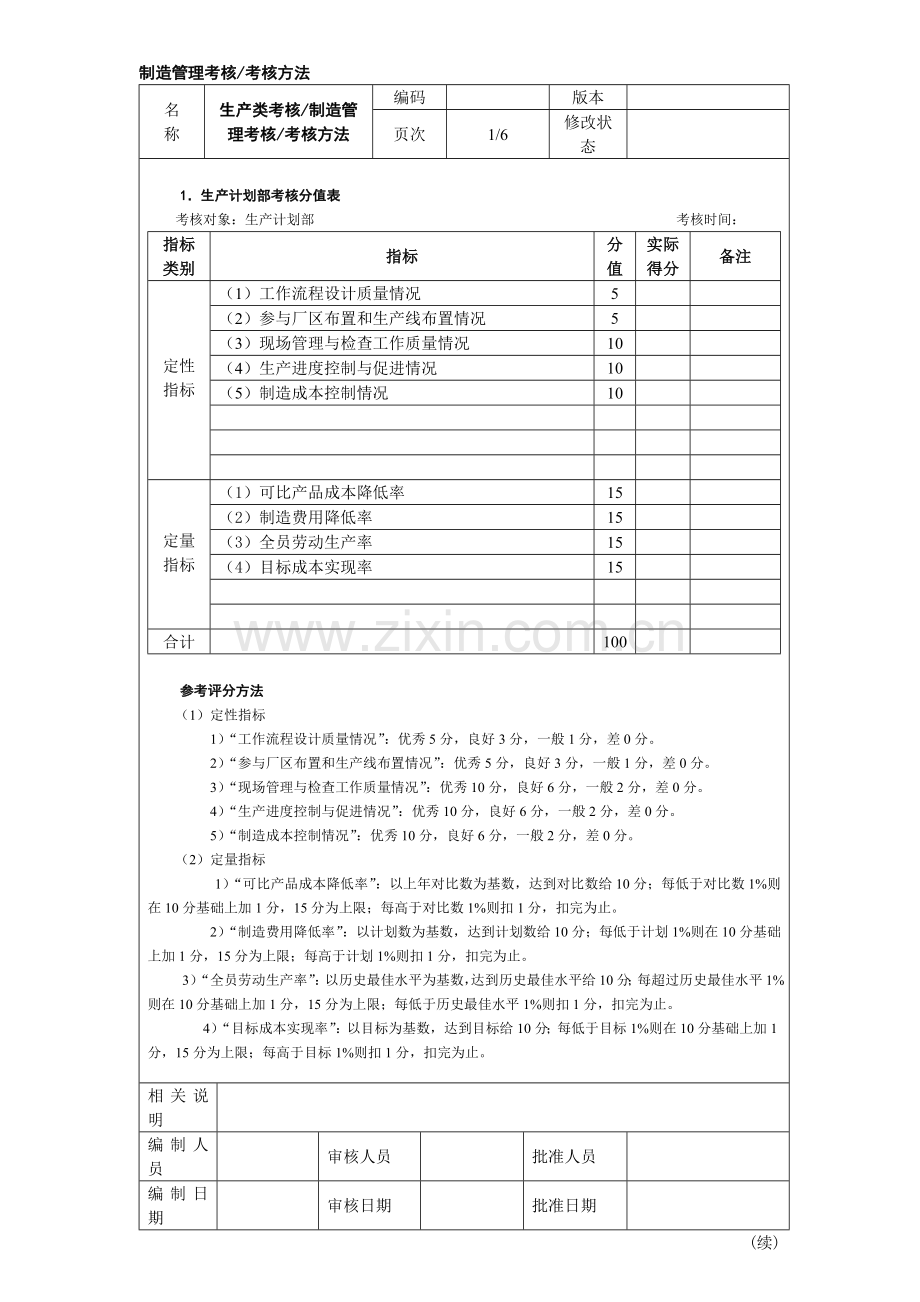
制造管理考核/考核方法 名 称 生产类考核/制造管理考核/考核方法 编码 版本 页次 1/6 修改状态 1.生产计划部考核分值表 考核对象:生产计划部 考核时间: 指标 类别 指标 分值 实际得分 备注 定性 指标 (1)工作流程设计质量情况 5 (2)参与厂区布置和生产线布置情况 5 (3)现场管理与检查工作质量情况 10 (4)生产进度控制与促进情况 10 (5)制造成本控制情况 10 定量 指标 (1)可比产品成本降低率 15 (2)制造费用降低率 15 (3)全员劳动生产率 15 (4)目标成本实现率 15 合计 100 参考评分方法 (1)定性指标 1)“工作流程设计质量情况”:优秀5分,良好3分,一般1分,差0分。 2)“参与厂区布置和生产线布置情况”:优秀5分,良好3分,一般1分,差0分。 3)“现场管理与检查工作质量情况”:优秀10分,良好6分,一般2分,差0分。 4)“生产进度控制与促进情况”:优秀10分,良好6分,一般2分,差0分。 5)“制造成本控制情况”:优秀10分,良好6分,一般2分,差0分。 (2)定量指标 1)“可比产品成本降低率”:以上年对比数为基数,达到对比数给10分;每低于对比数1%则在10分基础上加1分,15分为上限;每高于对比数1%则扣1分,扣完为止。 2)“制造费用降低率”:以计划数为基数,达到计划数给10分;每低于计划1%则在10分基础上加1分,15分为上限;每高于计划1%则扣1分,扣完为止。 3)“全员劳动生产率”:以历史最佳水平为基数,达到历史最佳水平给10分;每超过历史最佳水平1%则在10分基础上加1分,15分为上限;每低于历史最佳水平1%则扣1分,扣完为止。 4)“目标成本实现率”:以目标为基数,达到目标给10分;每低于目标1%则在10分基础上加1分,15分为上限;每高于目标1%则扣1分,扣完为止。 相关说明 编制人员 审核人员 批准人员 编制日期 审核日期 批准日期 (续) 名 称 生产类考核/制造管理考核/考核方法 编码 版本 页次 2/6 修改状态 2.技术开发部考核分值表 考核对象:技术开发部 考核时间: 指标 类别 指标 分值 实际得分 备注 定性 指标 (1)参与工作流程设计情况 10 (2)厂区布置和生产线布置情况 5 (3)现场改善技术分析情况 10 (4)控制设计成本情况 15 定量 指标 新产品增加值率 60 合计 100 参考评分方法 (1)定性指标 1)“参与工作流程设计情况”:优秀10分,良好6分,一般2分,差0分。 2)“厂区布置和生产线布置情况”:优秀5分,良好3分,一般1分,差0分。 3)“现场改善技术分析情况”:优秀10分,良好6分,一般2分,差0分。 4)“控制设计成本情况”:优秀15分,良好10分,一般5分,差0分。 (2)定量指标 “新产品增加值率”:以历史最佳水平为基数,达到历史最佳水平给50分;每超过历史最佳水平1%则在50分基础上加1分,60分为上限;每低于历史最佳水平1%则扣1分,扣完为止。 相关说明 编制人员 审核人员 批准人员 编制日期 审核日期 批准日期 (续) 名 称 生产类考核/制造管理考核/考核方法 编码 版本 页次 3/6 修改状态 3.供应部考核分值表 考核对象:供应部 考核时间: 指标 类别 指标 分值 实际得分 备注 定性 指标 (1)材料供应保证情况 20 (2)参与现场改善分析情况 5 (3)采购成本控制情况 15 定量 指标 (1)采购成本降低额 30 (2)材料保证率 30 合计 100 参考评分方法 (1)定性指标 1)“材料供应保证情况”:优秀20分,良好15分,一般8分,差0分。 2)“参与现场改善分析情况”:优秀5分,良好3分,一般1分,差0分。 3)“采购成本控制情况”:优秀15分,良好10分,一般5分,差0分。 (2)定量指标 1)“采购成本降低额”:以计划数为基数,达到计划给25分;每低于计划数1%则在25分基础上加1分,30分为上限;每高于计划1%则扣1分,扣完为止。 2)“材料保证率”:以历史最佳水平为基数,达到历史最佳水平给25分;每超过历史最佳水平1%则在25分基础上加1分,30分为上限;每低于历史最佳水平1%则扣1分,扣完为止。 相关说明 编制人员 审核人员 批准人员 编制日期 审核日期 批准日期 (续) 名 称 生产类考核/制造管理考核/考核方法 编码 版本 页次 4/6 修改状态 4.机电设备部考核分值表 考核对象:机电设备部 考核时间: 指标 类别 指标 分值 实际得分 备注 定性 指标 (1)参与现场改善分析情况 10 (2)辅助生产成本控制、核算、分配情况 10 (3)设备工具保养管理情况 20 定量 指标 (1)设备完好率 20 (2)设备利用率 20 (3)辅助生产成本降低率 20 合计 100 参考评分方法 (1)定性指标 1)“参与现场改善分析情况”:优秀10分,良好6分,一般2分,差0分。 2)“辅助生产成本控制、核算、分配情况”:优秀10分,良好6分,一般2分,差0分。 3)“设备工具保养管理情况”:优秀20分,良好15分,一般8分,差0分。 (2)定量指标 1)“设备完好率”:以历史最佳水平为基数,达到历史最佳水平给15分;每超过历史最佳水平1%则在15分基础上加1分,20分为上限;每低于历史最佳水平1%则扣1分,扣完为止。 2)“设备利用率”:以历史最佳水平为基数,达到历史最佳水平给15分;每超过历史最佳水平1%则在15分基础上加1分,20分为上限;每低于历史最佳水平1%则扣1分,扣完为止。 3)“辅助生产成本降低率”:以上期数为基数,达到上期数给15分;每低于上期1%则在15分基础上加1分,20分为上限;每高于上期1%则扣1分,扣完为止。 相关说明 编制人员 审核人员 批准人员 编制日期 审核日期 批准日期 (续) 名 称 生产类考核/制造管理考核/考核方法 编码 版本 页次 5/6 修改状态 5.品质管理部考核分值表 考核对象:品质管理部 考核时间: 指标 类别 指标 分值 实际得分 备注 定性 指标 (1)参与现场改善分析情况 10 (2)质检工作进度控制情况 30 定量 指标 (1)百元制造成本质量成本 20 (2)百元销售收入质量成本 20 (3)质检效率提高率 20 合计 100 参考评分方法 (1)定性指标 1)“参与现场改善分析情况”:优秀10分,良好6分,一般2分,差0分。 2)“质检工作进度控制情况”:优秀30分,良好25分,一般16分,差0分。 (2)定量指标 1)“百元制造成本质量成本”:以历史最低水平为基数,达到历史最低水平给15分;每低于历史最低水平1%则在15分基础上加1分,20分为上限;每低于历史最低水平1%则扣1分,扣完为止。 2)“百元销售收入质量成本”:以历史最低水平为基数,达到历史最低水平给15分;每低于历史最低水平1%则在15分基础上加1分,20分为上限;每高于历史最低水平1%则扣1分,扣完为止。 3)“质检效率提高率”:以上期为基数,达到上期15分;比上期提高1%则在15分基础上加1分,20分为上限;比上期降低1%则扣1分,扣完为止。 相关说明 编制人员 审核人员 批准人员 编制日期 审核日期 批准日期 (续) 名 称 生产类考核/制造管理考核/考核方法 编码 版本 页次 6/6 修改状态 6.分厂考核分值表 考核对象:分厂 考核时间: 指标 类别 指标 分值 实际得分 备注 定性 指标 (1)遵守作业流程情况 10 (2)现场管理质量 10 (3)制造成本情况 15 (4)参与现场改善分析情况 5 定量 指标 (1)分厂劳动生产率 10 (2)制造费用降低率 10 (3)可比产品成本降低率 10 (4)百元制造成本质量成本 10 (5)产品收率 10 (6)目标成本实现率 10 合计 100 参考评分方法 (1)定性指标。 1)“遵守作业流程情况”:优秀10分,良好6分,一般2分,差0分。 2)“现场管理质量”:优秀10分,良好6分,一般2分,差0分。 3)“制造成本情况”:优秀15分,良好10分,一般5分,差0分。 4)“参与现场改善分析情况”:优秀5分,良好3分,一般1分,差0分。 (2)定量指标。 1)“分厂劳动生产率”:以历史最佳水平为基数,达到历史最佳水平给5分;每超过历史最佳水平1%则在5分基础上加1分,10分为上限;每低于历史最佳水平1%则扣1分,扣完为止。 2)“制造费用降低率”:以计划为基数,达到计划给5分;每低于计划1%则在5分基础上加1分,10分为上限;每高于计划1%则扣1分,扣完为止。 3)“可比产品成本降低率”:以上年对比数基数,达到上年对比数给5分;每低于上年对比数1%则在5分基础上加1分,10分为上限;每高于上年对比数1%则扣1分,扣完为止。 4)“百元制造成本质量成本”:以历史最低水平为基数,达到历史最佳水平给5分;每低于历史最低水平1%则在5分基础上加1分,10分为上限;每高于历史最低水平1%则扣1分,扣完为止。 5)“产品收率”:以历史最佳水平为基数,达到历史最佳水平给5分;每超过历史最佳水平1%则在5分基础上加1分,10分为上限;每低于历史最佳水平1%则扣1分,扣完为止。 6)“目标成本实现率”:以目标为基数,达到目标给5分;每低于目标1%则在5分基础上加1分,10分为上限;每高于目标1%则扣1分,扣完为止。 相关说明 编制人员 审核人员 批准人员 编制日期 审核日期 批准日期
展开阅读全文

开通  VIP会员、SVIP会员  优惠大
下载10份以上建议开通VIP会员
下载20份以上建议开通SVIP会员


开通VIP      成为共赢上传

当前位置:首页 > 应用文书 > 其他

移动网页_全站_页脚广告1

关于我们      便捷服务       自信AI       AI导航        抽奖活动

©2010-2026 宁波自信网络信息技术有限公司  版权所有

客服电话:0574-28810668  投诉电话:18658249818

gongan.png浙公网安备33021202000488号   

icp.png浙ICP备2021020529号-1  |  浙B2-20240490  

关注我们 :微信公众号    抖音    微博    LOFTER 

客服