收藏 分销(赏)

6S实施对照表.doc

上传人:可**** 文档编号:840541 上传时间:2024-03-28 格式:DOC 页数:8 大小:200.50KB 下载积分:11 金币
下载 相关 举报
6S实施对照表.doc_第1页
第1页 / 共8页
6S实施对照表.doc_第2页
第2页 / 共8页


点击查看更多>>
资源描述
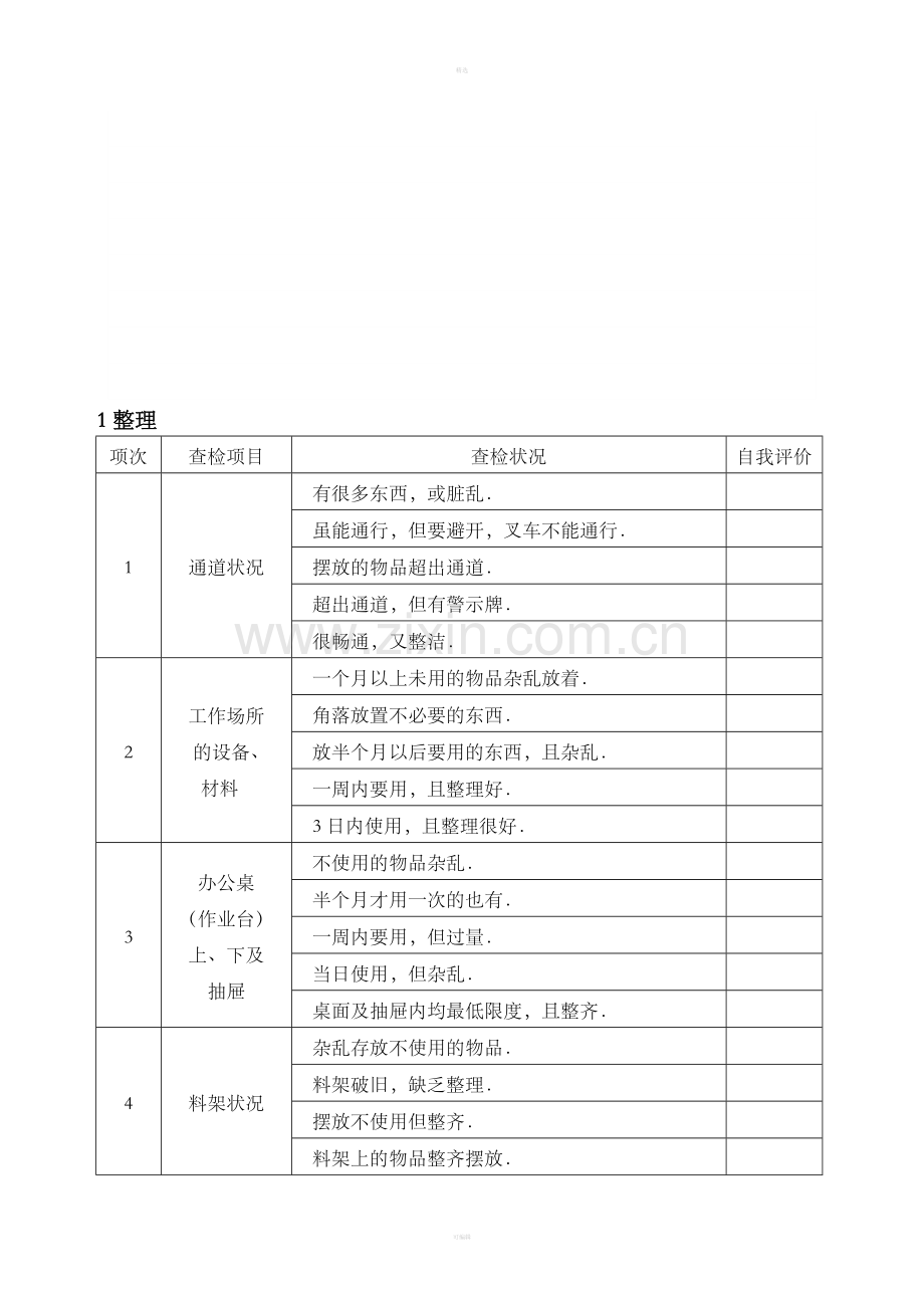
<p>1整理 项次 查检项目 查检状况 自我评价 1 通道状况 有很多东西,或脏乱. 虽能通行,但要避开,叉车不能通行. 摆放的物品超出通道. 超出通道,但有警示牌. 很畅通,又整洁. 2 工作场所 的设备、 材料 一个月以上未用的物品杂乱放着. 角落放置不必要的东西. 放半个月以后要用的东西,且杂乱. 一周内要用,且整理好. 3日内使用,且整理很好. 3 办公桌 (作业台) 上、下及 抽屉 不使用的物品杂乱. 半个月才用一次的也有. 一周内要用,但过量. 当日使用,但杂乱. 桌面及抽屉内均最低限度,且整齐. 4 料架状况 杂乱存放不使用的物品. 料架破旧,缺乏整理. 摆放不使用但整齐. 料架上的物品整齐摆放. 摆放为近日用,很整齐. 5 仓 &nbsp;库 赛塞满东西,人不易行走. 东西杂乱摆放. 有定位规定,没被严格遵守. 有定位也在管理状态,但进出不方便. 任何人均易了解,退还也简单. 2整顿 项次 查检项目 查检状况 自我评价 1 设备、 机器、 仪器 破损不堪,不能使用,杂乱放置. 不能使用的集中在一起. 能使用但脏乱. 能使用,有保养,但不整齐. 摆放整齐、干凈,最佳状态. 2 工 具 不能用的工具乱放. 勉强可有的工具多、均为可用工具,缺乏保养. 均为可用工具,缺乏保养. 工具有保养,有定位放置. 工具采用目视管理. 3 零 件 不良品与良品杂放在一起. 不良品虽没实时处理,但有区分及标示. 只有良品,但保管方法不好. 保管有定位标示. 保管有定位,有图标,任何人均很清楚. 4 图纸、作 业标示书 过期与使用中杂在一块. 不是最新的,但随意摆放. 是最新的,但随意摆放. 有卷宗夹保管,但无次序. 有目录,有次序,且整齐,任何人很快能使用. 5 文 件 檔 案 零乱放置,使用时没法找. 虽显零乱,但可以找得到. 共同文件被定位,集中保管. 以事务机器处理而容易检索. 明确定位,使用目视管理任何人能随时使用. 3清扫 项次 查检项目 查检状况 自我评价 1 通 道 有烟蒂、纸屑、铁屑、其它杂物. 虽无脏物,但地面不平整. 水渍、灰尘不干凈. 早上有清扫. 使用拖把,并定期打腊,很光亮. 2 作业 场所 同上 同上 同上 零件、材料、包装材存放不妥,掉地上. 同上 3 办公桌 作业台 文件、工具、零件很脏乱. 桌面、作业台面满布灰尘不干凈 桌面、作业台面虽干凈,但破损未修理. 桌面、台面很干凈整齐. 除桌面外,椅子及四周均干凈亮丽. 4 窗、墙板 天花板 任恁破烂. 破烂但仅应急简单处理. 乱贴挂不必要的东西. 还算干凈. 干凈亮丽,很是舒爽. 5 设备 工具 仪器 有生锈. 虽无生锈,但油垢. 有轻微灰尘. 保持干凈. 使用中防止不干凈措施,并随时清理. 4清洁 项次 查检项目 查检状况 自我评价 1 信道 和 作业区 没有划分. 有划分,但不流畅. 划线感觉还可. 划线清楚,地面有清扫. 信道及作业区感觉很舒畅. 2 地 面 有油或水. 油渍或水渍显得不干凈. 不是很平. 经常清理,没有脏物. 地面干凈亮丽,感觉舒服. 3 办公桌 作业台 椅子 架子 会议室 很脏乱. 偶尔清理. 虽有经清理,但还是显得脏乱. 自己感觉很好. 任何人都会觉得很舒服. 4 洗手台 厕所等 容器或设备脏乱. 破损未修补. 有清理,但还有异味. 经常清理,没异味. 干凈亮丽,还加以装饰,感觉舒服. 5 储 物 室 阴暗潮湿. 虽阴湿,但加有通风. 照明不足. 照明适度,通风好,感觉清爽. 干干凈凈,整整齐齐,感觉舒服. 5素养 项次 查检项目 查检状况 自我评价 1 日常 6S 活动 没有活动. 虽有清洁清扫工作,但非6S计划性工作. 开会有对6S宣导. 平常做能够做行到的. 活动热烈,大家均有感受. 2 服 装 穿脏,破损未修补. 不整洁. 纽扣或鞋带未带好. 厂服,识别证依规定. 穿眷依规定,并感觉有活力. 3 仪 容 不修边幅又脏. 头发、胡须过长. 上两项,其中一项有缺点. 均依规定整理. 感觉精神有活力. 4 行为 规范 举止粗暴,口出脏言. 衣衫不整,不守卫生. 自己的事可做好,但缺乏公德心. 公司规则均能遵守. 主动精神,团队精神. 5 时间 观念 大部分人缺乏时间观念. 稍有时间观念,开会迟到的很多. 不愿时间约束,但会尽力去做. 约定时间会全力去完成. 约定时间会提早去做好. 可编辑 6安全 项次 查检项目 查检状况 自我评价 1 安全教育 宣传活动 是否有安全宣传活动. 人员操作有按安全规程作业。 员工思想中有安全意识。 有开展火警逃离演示。 有成立消防救灾队伍,且分工明确。 2 安全生产 上岗作业,员工思想情绪稳定,作业准备充足。 有正确按规定穿戴劳动防护用品。 有严格遵守劳动纪律的安全生产规章制度。 特种设备无操作证人员不准独立上岗作业。 领导无违章指挥作为,工人无违章作业现象。 3 消防安全 有建立健全消防制度。 展开防火安全宣传教育,普及消防知识。 消防设施有专人检查与防护。 消防通道有无阻塞、占用 消防设施有无定期更新计划 4 设备安全 有无设备安全检测保养计划。 非电气维修人员不得维修动用电气设备。 操作危险设备严禁做与工作无关的动作。 遵守设备安全操作规定。 设备操作完毕必须切断电源、汽源、清理场地。 5 安全观念 大部分人缺乏安全观念. 对安全规章制度不熟悉,在思想上没有安全检查意识。 稍有安全观念,有操作违规现象. 员工安全观念很强,能自觉遵守操作规程。 人人具有生产为了安全,安全为了生产的观念。</p>
展开阅读全文

开通  VIP会员、SVIP会员  优惠大
下载10份以上建议开通VIP会员
下载20份以上建议开通SVIP会员


开通VIP      成为共赢上传

当前位置:首页 > 教育专区 > 职业教育

移动网页_全站_页脚广告1

关于我们      便捷服务       自信AI       AI导航        抽奖活动

©2010-2026 宁波自信网络信息技术有限公司  版权所有

客服电话:0574-28810668  投诉电话:18658249818

gongan.png浙公网安备33021202000488号   

icp.png浙ICP备2021020529号-1  |  浙B2-20240490  

关注我们 :微信公众号    抖音    微博    LOFTER 

客服