收藏 分销(赏)

化学实验室设备配置清单(一).docx

上传人:pc****0 文档编号:8260218 上传时间:2025-02-08 格式:DOCX 页数:29 大小:48.06KB 下载积分:10 金币
下载 相关 举报
化学实验室设备配置清单(一).docx_第1页
第1页 / 共29页
化学实验室设备配置清单(一).docx_第2页
第2页 / 共29页


点击查看更多>>
资源描述
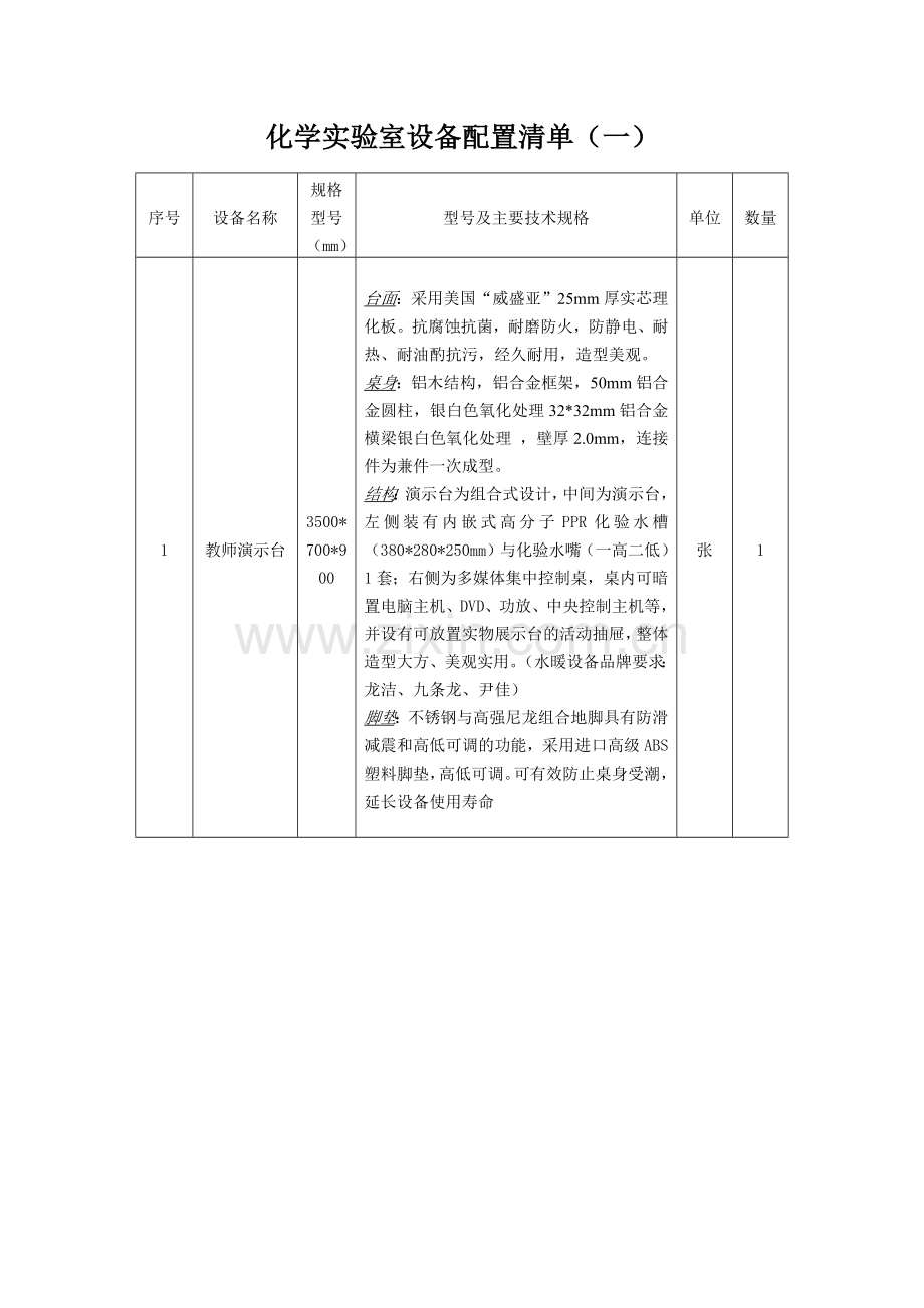
化学实验室设备配置清单(一) 序号 设备名称 规格型号(mm) 型号及主要技术规格 单位 数量 1 教师演示台 3500*700*900 台面:采用美国“威盛亚”25mm厚实芯理化板。抗腐蚀抗菌,耐磨防火,防静电、耐热、耐油酌抗污,经久耐用,造型美观。 桌身:铝木结构,铝合金框架,50mm铝合金圆柱,银白色氧化处理32*32mm铝合金横梁银白色氧化处理 ,壁厚2.0mm,连接件为兼件一次成型。 结构:演示台为组合式设计,中间为演示台,左侧装有内嵌式高分子PPR化验水槽(380*280*250mm)与化验水嘴(一高二低)1套;右侧为多媒体集中控制桌,桌内可暗置电脑主机、DVD、功放、中央控制主机等,并设有可放置实物展示台的活动抽屉,整体造型大方、美观实用。(水暖设备品牌要求:龙洁、九条龙、尹佳) 脚垫:不锈钢与高强尼龙组合地脚具有防滑减震和高低可调的功能,采用进口高级ABS塑料脚垫,高低可调。可有效防止桌身受潮,延长设备使用寿命 张 1 2 学生实验桌 2800*600*780 台面:台面采用美国“威盛亚”12.7mm厚实芯理化板,四周做加厚磨边处理。抗腐蚀抗菌,耐磨防火,防静电、耐热、耐酌烟抗污,经久耐用,造型美观。 桌身:台面安装可伸缩、旋转隐蔽式吸风罩,台面中间安装高分子PPR化验水槽(380*280*250mm)、铜质镀铬三联高压水嘴采用陶瓷芯片两侧安装学生镶装式电源插座。(水暖设备品牌要求:龙洁、九条龙、尹佳) 脚垫:不锈钢与高强尼龙组合地脚具有防滑减震和高低可调的功能,采用进口高级ABS塑料脚垫,高低可调。可有效防止桌身受潮,延长设备使用寿命。 张 14 3 教师实验电源 按教育部最新标准设计 装置在主控台中间抽屉内:(1)用RC-26安全交流电源总开关(漏电保护开关带工作指示灯)对学生桌交流220v插座输出分组控制。(2)教师演示用交流220v输出插座。所有电器产品符合国家部颁标准。(品牌:正泰、TCL、德力西) 套 1 4 学生实验电源 按教育部最新标准设计 台侧装有一个RC-1250带开关2+3多用插座,所有电器符合国家部颁标准。(品牌:正泰、TCL、德力西) 套 28 5 学生凳 150~500 凳架铁质喷塑,凳面ABS注塑成形,可旋转升降。 张 56 6 三联水嘴 一高一低 铜质聚碳酸酯三联水嘴(品牌要求:龙洁、九条龙、尹佳) 套 14 7 化验水槽 380*280*250 高分子PPR(品牌要求:龙洁、九条龙、尹佳) 套 14 8 全室供电系统 地上下部分 套 1 9 给排水系统 地上下部分(由教师对全室给水控制) 套 1 10 化学药品柜 1100*550*2200 ※铝木结构,高密度板。利用进口封边机对板材所有截面均采用优质 2mmPVC封,边条机械封边,优质连接件组装,粘力强,牢固耐用。成品具有不透水、不变形、耐用性强。分上下二层,上下层颁式对开门,内设一层隔板。 个 12 11 教师准备桌 3300*1200*850 同教师讲桌性能相同 个 1 12 毒品柜 900*400*1850 钢制双锁 个 1 13 通风系统 由供方提供安装平面图 ※主管采用500*20优质塑料管,其他支管用400*20优质塑料管,5.5KM罗茨可调速风机 套 1 14 防盗门 2050*1200 ※铁制,带原厂100mm外框(品牌要求:飞云、盼盼、晶晶.) 套 4 15 房屋改造 1 更换800*800防滑地砖(品牌要求:萨米特、美陶、王者) 平 72.8 2 墙体及棚顶重新粉刷(品牌要求:立邦、都芳、花旗) 平 195 3 灯改造换成吸顶灯72W(品牌要求:飞利浦、西顿、赛丽) 盏 8 4 背头柜和布线 套 1 5 黑板(黑板要求是曲面金属,曲面侧边宽度为100MM,黑板长宽为3800*1200MM,板面选用韩国进口金属板,带50*50MM暗格。边框采用电涌铝合金框,框宽要求10公分,后衬镀锌板并附有5条肋,附肋用20*25MM腹钢;负责安装) 块 1 6 窗帘杆改造每室三个窗户 米 8 注:此实验室保质期一年。一年后提供免费维修只收取维修材料费 化学实验室设备配置清单(二) 序号 设备名称 规格型号(mm) 型号及主要技术规格 单位 数量 1 教师演示台 3500*700*900 台面:采用美国“威盛亚”25mm厚实芯理化板。抗腐蚀抗菌,耐磨防火,防静电、耐热、耐油酌抗污,经久耐用,造型美观。 桌身:铝木结构,铝合金框架,50mm铝合金圆柱,银白色氧化处理32*32mm铝合金横梁银白色氧化处理 ,壁厚2.0mm,连接件为兼件一次成型。 结构:演示台为组合式设计,中间为演示台,左侧装有内嵌式高分子PPR化验水槽(380*280*250mm)与化验水嘴(一高二低)1套;右侧为多媒体集中控制桌,桌内可暗置电脑主机、DVD、功放、中央控制主机等,并设有可放置实物展示台的活动抽屉,整体造型大方、美观实用。(水暖设备品牌要求:龙洁、九条龙、尹佳) 脚垫:不锈钢与高强尼龙组合地脚具有防滑减震和高低可调的功能,采用进口高级ABS塑料脚垫,高低可调。可有效防止桌身受潮,延长设备使用寿命 张 1 2 学生实验桌 2800*600*780 台面:台面采用美国“威盛亚”25mm厚实芯理化板。抗腐蚀抗菌,耐磨防火,防静电、耐热、耐酌烟抗污,经久耐用,造型美观。 桌身:台面安装可伸缩、旋转隐蔽式吸风罩,台面中间安装高分子PPR化验水槽(380*280*250mm)、铜质镀铬三联高压水嘴采用陶瓷芯片两侧安装学生镶装式电源插座。(水暖设备品牌要求:龙洁、九条龙、尹佳) 脚垫:不锈钢与高强尼龙组合地脚具有防滑减震和高低可调的功能,采用进口高级ABS塑料脚垫,高低可调。可有效防止桌身受潮,延长设备使用寿命。 张 14 3 教师实验电源 按教育部最新标准设计 装置在主控台中间抽屉内:(1)用RC-26安全交流电源总开关(漏电保护开关带工作指示灯)对学生桌交流220v插座输出分组控制。(2)教师演示用交流220v输出插座。所有电器产品符合国家部颁标准。(品牌:正泰、TCL、德力西) 套 1 4 学生实验电源 按教育部最新标准设计 台侧装有一个RC-1250带开关2+3多用插座,所有电器符合国家部颁标准。(品牌:正泰、TCL、德力西) 套 28 5 学生凳 150~500 凳架铁质喷塑,凳面ABS注塑成形,可旋转升降。 张 56 6 三联水嘴 一高一低 铜质聚碳酸酯三联水嘴(品牌要求:龙洁、九条龙、尹佳) 套 14 7 化验水槽 380*280*250 高分子PPR(品牌要求:龙洁、九条龙、尹佳) 套 14 8 全室供电系统 地上下部分 套 1 9 给排水系统 地上下部分(由教师对全室给水控制) 套 1 10 通风系统 由供方提供安装平面图 ※主管采用500*20优质塑料管,其他支管用400*20优质塑料管,5.5KM罗茨可调速风机 套 1 11 房屋改造 1 更换800*800防滑地砖(品牌要求:萨米特、美陶、王者) 平 72.8 2 墙体及棚顶重新粉刷(品牌要求:立邦、都芳、花旗) 平 195 3 灯改造换成吸顶灯72W(品牌要求:飞利浦、西顿、赛丽) 盏 8 4 背头柜和布线 套 1 5 黑板(黑板要求是曲面金属,曲面侧边宽度为100MM,黑板长宽为3800*1200MM,板面选用韩国进口金属板,带50*50MM暗格。边框采用电涌铝合金框,框宽要求10公分,后衬镀锌板并附有5条肋,附肋用20*25MM腹钢;负责安装) 块 1 6 窗帘杆改造每室三个窗户 米 8 注:此实验室保质期一年。一年后提供免费维修只收取维修材料费 生物实验室设备配置清单 序号 货物名称 规格型号(mm) 性能说明 单位 数量 1 教师演示台  3500*700*900 台面:采用美国“威盛亚”25mm厚实芯理化板。抗腐蚀抗菌,耐磨防火,防静电、耐热、耐油酌抗污,经久耐用,造型美观。 桌身:铝木结构,铝合金框架,50mm铝合金圆柱,银白色氧化处理32*32mm铝合金横梁银白色氧化处理 ,壁厚2.0mm,连接件为兼件一次成型。 结构:演示台为组合式设计,中间为演示台,左侧装有内嵌式高分子化验水槽(380*280*250mm)与化验水嘴(一高二低)1套;右侧为多媒体集中控制桌,桌内可暗置电脑主机、DVD、功放、中央控制主机等,并设有可放置实物展示台的活动抽屉,整体造型大方、美观实用。(水暖设备品牌要求:龙洁、九条龙、尹佳) 脚垫:不锈钢与高强尼龙组合地脚具有防滑减震和高低可调的功能,采用进口高级ABS塑料脚垫,高低可调。可有效防止桌身受潮,延长设备使用寿命。 张 1 2 学生实验桌 2800*600*780 台面:采用美国“威盛亚”25mm厚实芯理化板。抗腐蚀抗菌,耐磨防火,防静电、耐热、耐油酌抗污,经久耐用,造型美观。 桌身:铝木结构,铝合金框架,50mm铝合金圆柱,银白色氧化处理32*32mm铝合金横梁银白色氧化处理,壁厚2.0mm,连接件为兼件一次成型。 结构:演示台为组合式设计,中间为演示台,左侧装有内嵌式高分子PPR化验水槽(380*280*250mm)与化验水嘴(一高二低)1套;右侧为多媒体集中控制桌,桌内可暗置电脑主机、DVD、功放、中央控制主机等,并设有可放置实物展示台的活动抽屉,整体造型大方、美观实用。(水暖设备品牌要求:龙洁、九条龙、尹佳) 脚垫:不锈钢与高强尼龙组合地脚具有防滑减震和高低可调的功能,采用进口高级ABS塑料脚垫,高低可调。可有效防止桌身受潮,延长设备使用寿命。 灯台:彩用18mm厚三聚氰胺双贴面板,其截面由PVC封边带用封边机经高温热熔胶封边,粘力强,密封性好,外形美观,经久耐用。学生照明灯台内装有两盏电子荧光灯。 张 14 3 教师实验电源 按教育部最新标准设计 装置在主控台中间抽屉内:(1)用RC-26安全交流电源总开关(漏电保护开关带工作指示灯)对学生桌交流220v插座输出分组控制。(2)教师演示用交流220v输出插座。所有电器产品符合国家部颁标准。(品牌:正泰、TCL、德力西) 套 1 4 学生实验电源 按教育部最新标准设计 每个学生照明灯台内有一盏30w电子荧光灯,台侧装有一个RC-1250带开关2+3多用插座,所有电器符合国家部颁标准。(品牌:正泰、TCL、德力西) 套 28 5 学生凳 450~500 凳架铁质喷塑,凳面ABS注塑成形,可旋转升降。 张 56 6 三联水嘴 铜质聚碳酸酯三联水嘴(品牌要求:龙洁、九条龙、尹佳) 套 14 7 化验水槽 高分子PPR(品牌要求:龙洁、九条龙、尹佳) 套 14 8 全室供电系统 地上下部分 套 1 9 给排水系统 地上下部分(由教师对全室给水控制) 套 1 10 准备台 2000*1200*850 (性能同教师演示台) 张 1 11 生物台灯 30W 电子荧光灯 个 28 12 房屋改造 1 更换800*800防滑地砖(品牌要求:萨米特、美陶、王者) 平 72.8 2 墙体及棚顶重新粉刷(品牌要求:立邦、都芳、花旗) 平 195 3 灯改造换成吸顶灯72W(品牌要求:飞利浦、西顿、赛丽) 盏 8 4 背头柜和布线 套 1 5 黑板(黑板要求是曲面金属,曲面侧边宽度为100MM,黑板长宽为3800*1200MM,板面选用韩国进口金属板,带50*50MM暗格。边框采用电涌铝合金框,框宽要求10公分,后衬镀锌板并附有5条肋,附肋用20*25MM腹钢;负责安装) 块 1 6 窗帘杆改造每室三个窗户 米 8 13 防盗门 2050*1200 ※铁制,带原厂100mm外框(品牌要求:飞云、盼盼、晶晶.) 套 5 物理实验室改造 序号 货物名称 规格型号 性能说明 单位 数量 1 1 72.8m*m 更换800*800防滑地砖(品牌要求:萨米特、美陶、王者) 室 2 2 43.52 m*m 更换800*800防滑地砖(品牌要求:萨米特、美陶、王者) 室 1 3 195 m*m 墙体及棚顶重新粉刷(品牌要求:立邦、都芳、花旗) 室 2 4 150 m*m 墙体及棚顶重新粉刷(品牌要求:立邦、都芳、花旗) 室 1 5 每屋8盏 灯改造换成吸顶灯72W(品牌要求:飞利浦、西顿、赛丽) 室 3 6 1200*450*500 背头柜和布线 套 2 7 1200*3600 黑板(黑板要求是曲面金属,曲面侧边宽度为100MM,黑板长宽为3800*1200MM,板面选用韩国进口金属板,带50*50MM暗格。边框采用电涌铝合金框,框宽要求10公分,后衬镀锌板并附有5条肋,附肋用20*25MM腹钢;负责安装) 块 2 8 每屋8米 窗帘杆改造每室三个窗户 室 3 9 2000*1200*450 物品柜 套 10 此实验室保质期一年。一年后提供免费维修只收取维修材料费 登峰学校 化学实验室设备配置清单(56座) 序号 设备名称 规格型号(mm) 型号及主要技术规格 单位 数量 1 教师演示台 3500*700*900 台面:采用美国“威盛亚”25mm厚实芯理化板。抗腐蚀抗菌,耐磨防火,防静电、耐热、耐油酌抗污,经久耐用,造型美观。 桌身:铝木结构,铝合金框架,50mm铝合金圆柱,银白色氧化处理32*32mm铝合金横梁银白色氧化处理 ,壁厚2.0mm,连接件为兼件一次成型。 结构:演示台为组合式设计,中间为演示台,左侧装有内嵌式高分子PPR化验水槽(380*280*250mm)与化验水嘴(一高二低)1套;右侧为多媒体集中控制桌,桌内可暗置电脑主机、DVD、功放、中央控制主机等,并设有可放置实物展示台的活动抽屉,整体造型大方、美观实用。(水暖设备品牌要求:龙洁、九条龙、尹佳) 脚垫:不锈钢与高强尼龙组合地脚具有防滑减震和高低可调的功能,采用进口高级ABS塑料脚垫,高低可调。可有效防止桌身受潮,延长设备使用寿命 张 1 2 学生实验桌 2800*600*780 台面:台面采用美国“威盛亚”25mm厚实芯理化板。抗腐蚀抗菌,耐磨防火,防静电、耐热、耐酌烟抗污,经久耐用,造型美观。 桌身:台面安装可伸缩、旋转隐蔽式吸风罩,台面中间安装高分子PPR化验水槽(380*280*250mm)、铜质镀铬三联高压水嘴采用陶瓷芯片两侧安装学生镶装式电源插座。(水暖设备品牌要求:龙洁、九条龙、尹佳) 脚垫:不锈钢与高强尼龙组合地脚具有防滑减震和高低可调的功能,采用进口高级ABS塑料脚垫,高低可调。可有效防止桌身受潮,延长设备使用寿命。 张 14 3 教师实验电源 按教育部最新标准设计 装置在主控台中间抽屉内:(1)用安全交流电源总开关(漏电保护开关带工作指示灯)对学生桌交流220v插座输出分组控制。(2)教师演示用交流220v输出插座。所有电器产品符合国家部颁标准(品牌:正泰、TCL、德力西) 套 1 4 学生实验电源 按教育部最新标准设计 台侧装有一个带开关2+3多用插座,所有电器符合国家部颁标准。(品牌:正泰、TCL、德力西) 套 28 5 学生凳 450~500 凳架铁质喷塑,凳面ABS注塑成形,可旋转升降。 张 56 6 三联水嘴 铜质聚碳酸酯三联水嘴(品牌要求:龙洁、九条龙、尹佳) 套 15 7 化验水槽 高分子PPR(品牌要求:龙洁、九条龙、尹佳) 套 15 8 全室供电系统 地上下部分 套 1 9 给排水系统 地上下部分(由教师对全室给水控制) 套 1 10 化学仪器柜 1000*550*2200 ※铝木结构,高密度板。利用进口封边机对板材所有截面均采用优质 2cmPVC封,边条机械封边,优质连接件组装,粘力强,牢固耐用。成品具有不透水、不变形、耐用性强。分上下二层,上下层颁式对开门,内设一层隔板。 个 20 11 化学药品柜 1100*550*2200 ※铝木结构,高密度板。利用进口封边机对板材所有截面均采用优质 2cmPVC封,边条机械封边,优质连接件组装,粘力强,牢固耐用。成品具有不透水、不变形、耐用性强。分上下二层,上下层颁式对开门,内设一层隔板。 个 10 12 通风系统 由供方提供安装平面图 ※主管采用500*20优质塑料管,其他支管用400*20优质塑料管,5.5KM罗茨可调速风机 套 1 13 防盗门 2050*1200 ※铁制,带原厂100mm外框(品牌要求:飞云、盼盼、晶晶.) 个 2 其他配套设备及材料 符合国家标准及行业规范 物理电学实验室设备配置清单(56座) 序号 设备名称 规格型号(mm) 型号及主要技术规格 单位 数量 1 教师演示台 3500*700*900 台面:采用美国“威盛亚”25mm厚实芯理化板。抗腐蚀抗菌,耐磨防火,防静电、耐热、耐油酌抗污,经久耐用,造型美观。 桌身:铝木结构,铝合金框架,50mm铝合金圆柱,银白色氧化处理32*32mm铝合金横梁银白色氧化处理 ,壁厚2.0mm,连接件为兼件一次成型。 结构:演示台为组合式设计,中间为演示台,左侧装有内嵌式高分子PPR化验水槽(380*280*250mm)与化验水嘴(一高二低)1套;右侧为多媒体集中控制桌,桌内可暗置电脑主机、DVD、功放、中央控制主机等,并设有可放置实物展示台的活动抽屉,整体造型大方、美观实用。(水暖设备品牌要求:龙洁、九条龙、尹佳) 脚垫:不锈钢与高强尼龙组合地脚具有防滑减震和高低可调的功能,采用进口高级ABS塑料脚垫,高低可调。可有效防止桌身受潮,延长设备使用寿命。 张 1 2 学生实验台 1200*600*780 台面:台面采用美国“威盛亚”25mm厚实芯理化板。抗腐蚀抗菌,耐磨防火,防静电、耐热、耐酌烟抗污,经久耐用,造型美观。 桌身:铝木结构,铝合金框架,50mm铝合金圆柱,银白色氧化处理32*32mm铝合金横梁银白色氧化处理,壁厚2.0mm,连接件为兼件一次成型。 结构:演示台为组合式设计。 脚垫:不锈钢与高强尼龙组合地脚具有防滑减震和高低可调的功能,采用进口高级ABS塑料脚垫,高低可调。可有效防止桌身受潮,延长设备使用寿命。 张 28 3 教师电源 按教育部最新标准计划 装置在主控台中间抽屉内:1、电源总开关、漏电保护开关、工作指示灯、交流220V、输出多用好话插座;2、低压交流电源:0V-24V,额定电流6A(短路、过载保护、手动复位);3、直流稳压电源:1.25V-30V连续可调,额定电流6A(短路、过载自动保护、手动复位);4、直流大电流输出:9V/40A,限时8秒自动关断;5、高压直流输出:250/380V 100mA(二档) ;6、学生供电控制电源:(1)由教师控制学生实验台交流220V电源。共分四组。(2)由教师控制学生实验台低压电源,共分四组。所有电器产品符合国家相关标准。(品牌:正泰、TCL、德力西) 套 1 4 学生电源 按教育部最新标准计划 装置在学生实验太太面前部:1、漏电过载保护开关、工作指示灯、保险丝和三组220V交流电源输出多用豪华插座;2、两组低压交流电源:0V-24V,电源,额定电流2A(短路、过载自动保护、手动复位);3、两组直流稳压电源:1V-30V连续可调,额定电流2A(短路、过载自动保护、手动复位);4、两组直流稳压输出:6V/0.5A;5、电压、电流均由电表读出,接线柱输出阻抗(电源面板与实验台面之间110角斜面)。(品牌:正泰、TCL、德力西) 套 28 5 学生凳 450~500 凳架铁质喷塑,凳面ABS注塑成形,可旋转升降。 张 56 6 全室供电系统 地上下部分 套 1 7 物理准备桌 2000*1200*850 (性能同教师演示台) 张 1 8 物理仪器柜 1000*500*2000 ※铝木结构,高密度板。利用进口封边机对板材所有截面均采用优质 2cmPVC封,边条机械封边,优质连接件组装,粘力强,牢固耐用。成品具有不透水、不变形、耐用性强。分上下二层,上下层颁式对开门,内设一层隔板。 个 20 9 防盗门 2050*1200 ※铁制,带原厂100mm外框(品牌要求:飞云、盼盼、晶晶.) 个 2 其他配套设备及材料 符合国家标准及行业规范 生物综合实验室设备配置清单(56座) 序号 货物名称 规格型号(mm) 性能说明 单位 数量 1 教师演示台  3500*700*900 台面:采用美国“威盛亚”25mm厚实芯理化板。抗腐蚀抗菌,耐磨防火,防静电、耐热、耐油酌抗污,经久耐用,造型美观。 桌身:铝木结构,铝合金框架,50mm铝合金圆柱,银白色氧化处理32*32mm铝合金横梁银白色氧化处理 ,壁厚2.0mm,连接件为兼件一次成型。 结构:演示台为组合式设计,中间为演示台,左侧装有内嵌式高分子PPR化验水槽(380*280*250mm)与化验水嘴(一高二低)1套;右侧为多媒体集中控制桌,桌内可暗置电脑主机、DVD、功放、中央控制主机等,并设有可放置实物展示台的活动抽屉,整体造型大方、美观实用。(水暖设备品牌要求:龙洁、九条龙、尹佳) 脚垫:不锈钢与高强尼龙组合地脚具有防滑减震和高低可调的功能,采用进口高级ABS塑料脚垫,高低可调。可有效防止桌身受潮,延长设备使用寿命。 张 1 2 学生实验桌 2800*600*780 台面:采用美国“威盛亚”25mm厚实芯理化板。抗腐蚀抗菌,耐磨防火,防静电、耐热、耐油酌抗污,经久耐用,造型美观。 桌身:铝木结构,铝合金框架,50mm铝合金圆柱,银白色氧化处理32*32mm铝合金横梁银白色氧化处理 ,壁厚2.0mm,连接件为兼件一次成型。 结构:演示台为组合式设计,中间为演示台,左侧装有内嵌式高分子PPR化验水槽(380*280*250mm)与化验水嘴(一高二低)1套;右侧为多媒体集中控制桌,桌内可暗置电脑主机、DVD、功放、中央控制主机等,并设有可放置实物展示台的活动抽屉,整体造型大方、美观实用。(水暖设备品牌要求:龙洁、九条龙、尹佳) 脚垫:不锈钢与高强尼龙组合地脚具有防滑减震和高低可调的功能,采用进口高级ABS塑料脚垫,高低可调。可有效防止桌身受潮,延长设备使用寿命。 灯台:彩用18mm厚三聚氰胺双贴面板,其截面由PVC封边带用封边机经高温热熔胶封边,粘力强,密封性好,外形美观,经久耐用。学生照明灯台内装有两盏电子荧光灯。 张 14 3 教师实验电源 按教育部最新标准设计 装置在主控台中间抽屉内:(1)用RC-26安全交流电源总开关(漏电保护开关带工作指示灯)对学生桌交流220v插座输出分组控制。(2)教师演示用交流220v输出插座。所有电器产品符合国家部颁标准。(品牌:正泰、TCL、德力西) 套 1 4 学生实验电源 按教育部最新标准设计 每个学生照明灯台内有一盏30w电子荧光灯,台侧装有一个RC-1250带开关2+3多用插座,所有电器符合国家部颁标准。(品牌:正泰、TCL、德力西) 套 28 5 学生凳 450~500 凳架铁质喷塑,凳面ABS注塑成形,可旋转升降。 张 56 6 三联水嘴 铜质聚碳酸酯三联水嘴(品牌要求:龙洁、九条龙、尹佳) 套 15 7 化验水槽 高分子PPR(品牌要求:龙洁、九条龙、尹佳) 套 15 8 全室供电系统 地上下部分 套 1 9 给排水系统 地上下部分(由教师对全室给水控制) 套 1 10 生物解剖准备桌 2000*1200*850 (性能同教师演示台) 张 1 11 生物仪器柜 1000*500*2200 ※铝木结构,高密度板。利用进口封边机对板材所有截面均采用优质 2mmPVC封,边条机械封边,优质连接件组装,粘力强,牢固耐用。成品具有不透水、不变形、耐用性强。分上下二层,上下层颁式对开门,内设一层隔板。 个 20 12 生物药品柜 1100*550*2200 ※铝木结构,高密度板。利用进口封边机对板材所有截面均采用优质 2cmPVC封,边条机械封边,优质连接件组装,粘力强,牢固耐用。成品具有不透水、不变形、耐用性强。分上下二层,上下层颁式对开门,内设一层隔板。 个 10 13 防盗门 2050*1200 ※铁制,带原厂100mm外框(品牌要求:飞云、盼盼、晶晶.) 个 2 其他配套设备及材料 符合国家标准及行业规范 42中学 化学实验室设备配置清单(64座) 序号 设备名称 规格型号(mm) 型号及主要技术规格 单位 数量 1 教师演示台 3500*700*900 台面:采用美国“威盛亚”25mm厚实芯理化板。抗腐蚀抗菌,耐磨防火,防静电、耐热、耐油酌抗污,经久耐用,造型美观。 桌身:铝木结构,铝合金框架,50mm铝合金圆柱,银白色氧化处理32*32mm铝合金横梁银白色氧化处理 ,壁厚2.0mm,连接件为兼件一次成型。 结构:演示台为组合式设计,中间为演示台,左侧装有内嵌式高分子PPR化验水槽(380*280*250mm)与化验水嘴(一高二低)1套;右侧为多媒体集中控制桌,桌内可暗置电脑主机、DVD、功放、中央控制主机等,并设有可放置实物展示台的活动抽屉,整体造型大方、美观实用。(水暖设备品牌要求:龙洁、九条龙、尹佳) 脚垫:不锈钢与高强尼龙组合地脚具有防滑减震和高低可调的功能,采用进口高级ABS塑料脚垫,高低可调。可有效防止桌身受潮,延长设备使用寿命 张 1 2 学生实验桌 2800*600*780 台面:台面采用美国“威盛亚”25mm厚实芯理化板。抗腐蚀抗菌,耐磨防火,防静电、耐热、耐酌烟抗污,经久耐用,造型美观。 桌身:台面安装可伸缩、旋转隐蔽式吸风罩,台面中间安装高分子PPR化验水槽(380*280*250mm)、铜质镀铬三联高压水嘴采用陶瓷芯片两侧安装学生镶装式电源插座。(水暖设备品牌要求:龙洁、九条龙、尹佳) 脚垫:不锈钢与高强尼龙组合地脚具有防滑减震和高低可调的功能,采用进口高级ABS塑料脚垫,高低可调。可有效防止桌身受潮,延长设备使用寿命。 张 16 3 教师实验电源 按教育部最新标准设计 装置在主控台中间抽屉内:(1)用RC-26安全交流电源总开关(漏电保护开关带工作指示灯)对学生桌交流220v插座输出分组控制。(2)教师演示用交流220v输出插座。所有电器产品符合国家部颁标准。(品牌:正泰、TCL、德力西) 套 1 4 学生实验电源 按教育部最新标准设计 台侧装有一个RC-1250带开关2+3多用插座,所有电器符合国家部颁标准。(品牌:正泰、TCL、德力西) 套 32 5 学生凳 450~500 凳架铁质喷塑,凳面ABS注塑成形,可旋转升降。 张 64 6 三联水嘴 铜质聚碳酸酯三联水嘴(品牌要求:龙洁、九条龙、尹佳) 套 17 7 化验水槽 高分子PPR(品牌要求:龙洁、九条龙、尹佳) 套 17 8 全室供电系统 地上下部分 套 1 9 给排水系统 地上下部分(由教师对全室给水控制) 套 1 10 化学仪器柜 1000*550*2200 ※铝木结构,高密度板。利用进口封边机对板材所有截面均采用优质 2cmPVC封,边条机械封边,优质连接件组装,粘力强,牢固耐用。成品具有不透水、不变形、耐用性强。分上下二层,上下层颁式对开门,内设一层隔板。 个 24 11 化学药品柜 1100*550*2200 ※铝木结构,高密度板。利用进口封边机对板材所有截面均采用优质 2mmPVC封,边条机械封边,优质连接件组装,粘力强,牢固耐用。成品具有不透水、不变形、耐用性强。分上下二层,上下层颁式对开门,内设一层隔板。 个 10 12 通风系统 由供方提供安装平面图 ※主管采用500*20优质塑料管,其他支管用400*20优质塑料管,5.5KM罗茨可调速风机 套 1 13 防盗门 2050*1200 ※铁制,带原厂100mm外框(品牌要求:飞云、盼盼、晶晶.) 个 2 其他配套设备及材料 符合国家标准及行业规范 物理电学实验室设备配置清单(64座) 序号 设备名称 规格型号(mm) 型号及主要技术规格 单位 数量 1 教师演示台 3500*700*900 台面:采用美国“威盛亚”25mm厚实芯理化板。抗腐蚀抗菌,耐磨防火,防静电、耐热、耐油酌抗污,经久耐用,造型美观。 桌身:铝木结构,铝合金框架,50mm铝合金圆柱,银白色氧化处理32*32mm铝合金横梁银白色氧化处理 ,壁厚2.0mm,连接件为兼件一次成型。 结构:演示台为组合式设计,中间为演示台,左侧装有内嵌式高分子PPR化验水槽(380*280*250mm)与化验水嘴(一高二低)1套;右侧为多媒体集中控制桌,桌内可暗置电脑主机、DVD、功放、中央控制主机等,并设有可放置实物展示台的活动抽屉,整体造型大方、美观实用。(水暖设备品牌要求:龙洁、九条龙、尹佳) 脚垫:不锈钢与高强尼龙组合地脚具有防滑减震和高低可调的功能,采用进口高级ABS塑料脚垫,高低可调。可有效防止桌身受潮,延长设备使用寿命。 张 1 2 学生实验台 1200*600*780 台面:台面采用美国“威盛亚”25mm厚实芯理化板。抗腐蚀抗菌,耐磨防火,防静电、耐热、耐酌烟抗污,经久耐用,造型美观。 桌身:铝木结构,铝合金框架,50mm铝合金圆柱,银白色氧化处理32*32mm铝合金横梁银白色氧化处理,壁厚2.0mm,连接件为兼件一次成型。 结构:演示台为组合式设计。 脚垫:不锈钢与高强尼龙组合地脚具有防滑减震和高低可调的功能,采用进口高级ABS塑料脚垫,高低可调。可有效防止桌身受潮,延长设备使用寿命。 张 32 3 教师电源 按教育部最新标准计划 装置在主控台中间抽屉内:1、电源总开关、漏电保护开关、工作指示灯、交流220V、输出多用好话插座;2、低压交流电源:0V-24V,额定电流6A(短路、过载保护、手动复位);3、直流稳压电源:1.25V-30V连续可调,额定电流6A(短路、过载自动保护、手动复位);4、直流大电流输出:9V/40A,限时8秒自动关断;5、高压直流输出:250/380V 100mA(二档) ;6、学生供电控制电源:(1)由教师控制学生实验台交流220V电源。共分四组。(2)由教师控制学生实验台低压电源,共分四组。所有电器产品符合国家相关标准。(品牌:正泰、TCL、德力西) 套 1 4 学生电源 按教育部最新标准计划 装置在学生实验太太面前部:1、漏电过载保护开关、工作指示灯、保险丝和三组220V交流电源输出多用豪华插座;2、两组低压交流电源:0V-24V,电源,额定电流2A(短路、过载自动保护、手动复位);3、两组直流稳压电源:1V-30V连续可调,额定电流2A(短路、过载自动保护、手动复位);4、两组直流稳压输出:6V/0.5A;5、电压、电流均由电表读出,接线柱输出阻抗(电源面板与实验台面之间110角斜面)。(品牌:正泰、TCL、德力西) 套 32 5 学生凳 450~500 凳架铁质喷塑,凳面ABS注塑成形,可旋转升降。 张 64 6 全室供电系统 地上下部分 套 1 7 物理准备桌 2000*1200*850 (性能同教师演示台) 张 1 8 物理仪器柜 1000*500*2000 ※铝木结构,高密度板。利用进口封边机对板材所有截面均采用优质 2cmPVC封,边条机械封边,优质连接件组装,粘力强,牢固耐用。成品具有不透水、不变形、耐用性强。分上下二层,上下层颁式对开门,内设一层隔板。 个 20 9 防盗门 2050*1200 ※铁制,带原厂100mm外框(品牌要求:飞云、盼盼、晶晶.) 个 2 其他配套设备及材料 符合国家标准及行业规范 生物综合实验室设备配置清单(64座) 序号 货物名称 规格型号(mm) 性能说明 单位 数量 1 教师演示台  3500*700*900 台面:采用美国“威盛亚”25mm厚实芯理化板。抗腐蚀抗菌,耐磨防火,防静电、耐热、耐油酌抗污,经久耐用,造型美观。 桌身:铝木结构,铝合金框架,50mm铝合金圆柱,银白色氧化处理32*32mm铝合金横梁银白色氧化处理 ,壁厚2.0mm,连接件为兼件一次成型。 结构:演示台为组合式设计,中间为演示台,左侧装有内嵌式高分子化验水槽(380*280*250mm)与化验水嘴(一高二低)1套;右侧为多媒体集中控制桌,桌内可暗置电脑主机、DVD、功放、中央控制主机等,并设有可放置实物展示台的活动抽屉,整体造型大方、美观实用。(水暖设备品牌要求:龙洁、九条龙、尹佳) 脚垫:不锈钢与高强尼龙组合地脚具有防滑减震和高低可调的功能,采用进口高级ABS塑料脚垫,高低可调。可有效防止桌身受潮,延长设备使用寿命。 张 1 2 学生实验桌 2800*600*780 台面:采用美国“威盛亚”25mm厚实芯理化板。抗腐蚀抗菌,耐磨防火,防静电、耐热、耐油酌抗污,经久耐用,造型美观。 桌身:铝木结构,铝合金框架,50mm铝合金圆柱,银白色氧化处理32*32mm铝合金横梁银白色氧化处理 ,壁厚2.0mm,连接件为兼件一次成型。 结构:演示台为组合式设计,中间为演示台,左侧装有内嵌式高分子PPR化验水槽(380*280*250mm)与化验水嘴(一高二低)1套;右侧为多媒体集中控制桌,桌内可暗置电脑主机、DVD、功放、中央控制主机等,并设有可放置实物展示台的活动抽屉,整体造型大方、美观实用。(水暖设备品牌要求:龙洁、九条龙、尹佳) 脚垫:不锈钢与高强尼龙组合地脚具有防滑减震和高低可调的功能,采用进口高级ABS塑料脚垫,高低可调。可有效防止桌身受潮,延长设备使用寿命。 灯台:彩用18mm厚三聚氰胺双贴面板,其截面由PVC封边带用封边机经高温热熔胶封边,粘力强,密封性好,外形美观,经久耐用。学生照明灯台内装有两盏电子荧
展开阅读全文

开通  VIP会员、SVIP会员  优惠大
下载10份以上建议开通VIP会员
下载20份以上建议开通SVIP会员


开通VIP      成为共赢上传

当前位置:首页 > 管理财经 > 管理学资料

移动网页_全站_页脚广告1

关于我们      便捷服务       自信AI       AI导航        抽奖活动

©2010-2025 宁波自信网络信息技术有限公司  版权所有

客服电话:0574-28810668  投诉电话:18658249818

gongan.png浙公网安备33021202000488号   

icp.png浙ICP备2021020529号-1  |  浙B2-20240490  

关注我们 :微信公众号    抖音    微博    LOFTER 

客服