收藏 分销(赏)

清水混凝土结构外观及尺寸偏差检验批质量验收记录.doc

上传人:可**** 文档编号:823246 上传时间:2024-03-26 格式:DOC 页数:4 大小:108KB 下载积分:11 金币
下载 相关 举报
清水混凝土结构外观及尺寸偏差检验批质量验收记录.doc_第1页
第1页 / 共4页
清水混凝土结构外观及尺寸偏差检验批质量验收记录.doc_第2页
第2页 / 共4页


点击查看更多>>
资源描述
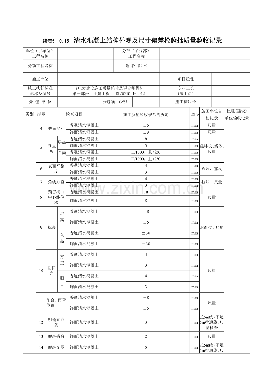
 表5.10.15 清水混凝土结构外观及尺寸偏差检验批质量验收记录 单位(子单位) 工程名称 分部(子分部) 工程名称 分项工程名称 验 收 部 位 施工单位 武汉都市环保技术股份有限公司 项目经理 施工执行标准 名称及编号 《电力建设施工质量验收及评定规程》 第一部份:土建工程 DL/5210.1-2012 专业工长 (施工员) 分 包 单 位 湖北千禧建设有限公司 分包项目经理 施工班组长 类别 序号 检查项目 施工质量验收规范的规定 单位 施工单位自检记录 监理(建设) 单位验收记录 主 控 项 目 1 外观质量 不应有严重缺陷。对已经出现的严重缺陷,应由施工单位提出技术处理方案,并经监理(建设)、设计单位认可后进行处理,对经处理的部位,应重新检查验收   观察,检查技术处理方案 经检查:主控项目符合设计要求 2 尺寸偏差 不应有影响结构性能和使用功能的尺寸偏差。对超过尺寸允许偏差且影响结构性能和安装、使用功能的部位,应由施工单位提出技术处理方案,并经监理(建设)、设计单位认可后进行处理。对经处理的部位,应重新检查验收   观察,检查技术处理方案 一 般 项 目 1 颜色 普通清水混凝土 无明显色差 距离墙面观察 经检查:一般项目符合设计要求 饰面清水混凝土 颜色基本一致,无明显色差 修补 普通清水混凝土 少量修补痕迹 距离墙面观察 饰面清水混凝土 基本无修补痕迹 气泡 普通清水混凝土 气泡分散 尺量 饰面清水混凝土 最大直径不大于8mm,最大深度不大于2mm,每平方米气泡面积不大于20cm2 裂缝 普通清水混凝土 宽度小于0.2mm 尺量、刻度放大镜 饰面清水混凝土 宽度小于0.2mm,且长度不大于1000mm 2 光洁度 普通清水混凝土 无明显漏浆、流淌及冲刷痕迹 观察 饰面清水混凝土 无漏浆、流淌及冲刷痕迹,无油迹、墨迹及锈斑,无粉化物 对拉螺栓孔眼 饰面清水混凝土 排列整齐,孔洞封堵密实,凹孔棱角清晰圆滑 观察、尺量 明缝 饰面清水混凝土 位置规律、整齐、深度一致、水平交圈 观察、尺量 蝉缝 饰面清水混凝土 横平竖直、水平交圈、竖向成线 观察、尺量 3 轴线位移 墙柱梁 普通清水混凝土 6 mm 尺量 饰面清水混凝土 5 mm 尺量 施工单位检查 评定结果 主控项目全部合格,一般项目满足规范规定要求,经检查评定合格。 项目专业 项目专业 质量检查员: 技术负责人: 年 月 日 监理(建设)单位 验收结论 验收合格 专业监理工程师: (建设单位项目专业技术负责人) 年 月 日  续表5.10.15 清水混凝土结构外观及尺寸偏差检验批质量验收记录 单位(子单位) 工程名称 分部(子分部) 工程名称 分项工程名称 验 收 部 位 施工单位 项目经理 施工执行标准 名称及编号 《电力建设施工质量验收及评定规程》 第一部份:土建工程 DL/5210.1-2012 专业工长 (施工员) 分 包 单 位 分包项目经理 施工班组长 类别 序号 检查项目 施工质量验收规范的规定 单位 施工单位自检记录 监理(建设) 单位验收记录 4 截面尺寸 普通清水混凝土 ±5 mm 尺量 饰面清水混凝土 ±3 mm 尺量 5 垂直度 层高 普通清水混凝土 8 mm 经纬仪、线坠、尺量 饰面清水混凝土 5 mm 全高 普通清水混凝土 H/1000,且≤30 mm 饰面清水混凝土 H/1000,且≤30 mm 6 表面平整度 普通清水混凝土 4 mm 靠尺、塞尺 饰面清水混凝土 3 mm 7 角线顺直 普通清水混凝土 4 mm 拉线、尺量 饰面清水混凝土 3 mm 8 预留洞口中心线位移 普通清水混凝土 10 mm 尺量 饰面清水混凝土 8 mm 9 标高 层 高 普通清水混凝土 ±8 mm 水准仪、尺量 饰面清水混凝土 ±5 mm 全 高 普通清水混凝土 ±30 mm 饰面清水混凝土 ±30 mm 10 阴阳角 方 正 普通清水混凝土 4 mm 尺量 饰面清水混凝土 3 mm 顺 直 普通清水混凝土 4 mm 饰面清水混凝土 3 mm 11 阳台、雨罩位置 普通清水混凝土 ±8 mm 尺量 饰面清水混凝土 ±5 mm 12 明缝直线条 饰面清水混凝土 3 mm 拉5m线,不足5m拉通线,尺量检查 13 蝉缝错台 饰面清水混凝土 2 mm 尺量 14 蝉缝交圈 饰面清水混凝土 5 mm 拉5m线,不足5m拉通线,尺量检查 15 外观质量 不宜有一般缺陷。对已经出现的一般缺陷,应由施工单位按技术处理方案进行处理,并重新检查验收   观察,检查技术处理方案 16 混凝土预埋件拆模后质量 应符合本部分附录B的规定     施工单位检查 评定结果 主控项目全部合格,一般项目满足规范规定要求,经检查评定合格。 项目专业 项目专业 质量检查员: 技术负责人: 年 月 日 监理(建设)单位 验收结论 验收合格 专业监理工程师: (建设单位项目专业技术负责人) 年 月 日 0万U豆体验卡 卡号:50D890668267e3349e33 密码:686d03401eefba96faba 奖品名称:500万U豆体验卡 卡号:50De7a00c543af387fc0 密码:b26488ce65abc1787202 奖品名称:500万U豆体验卡 卡号:50Dbac638 85c802fd52e 密码:3d1c344384327b85efff 奖品名称:500万U豆体验卡 卡号:50Dd97f0765bdf6998a3 密码:48db1c14e42a2b321fac 奖品名称:500万U豆体50D61 215eb41ae3cc919 密码:25bffae5346e7b7d2548 奖品名称:100万U豆体验卡 卡号:10D1cab621456ab278ab 密码:709f65f32865af2559c2 奖品名称:100万U豆体验卡 卡号:10D8f1d6a4b953f3474e 密码:6e2e4017cce30dc7e055 奖品名称:100万U豆体验卡 卡号:10Dd1fc6d6dd529b6892 密码:a5dbdd8338f91d2c0701 奖品名称:100万U豆体验卡 卡号:10D08377b71d4374262b 密码:1d7a7c21ebd99b798a54
展开阅读全文

开通  VIP会员、SVIP会员  优惠大
下载10份以上建议开通VIP会员
下载20份以上建议开通SVIP会员


开通VIP      成为共赢上传

当前位置:首页 > 环境建筑 > 材料/保温

移动网页_全站_页脚广告1

关于我们      便捷服务       自信AI       AI导航        抽奖活动

©2010-2026 宁波自信网络信息技术有限公司  版权所有

客服电话:0574-28810668  投诉电话:18658249818

gongan.png浙公网安备33021202000488号   

icp.png浙ICP备2021020529号-1  |  浙B2-20240490  

关注我们 :微信公众号    抖音    微博    LOFTER 

客服