收藏 分销(赏)

二级建造师公路实务精典案例分析及答案.docx

上传人:胜**** 文档编号:814433 上传时间:2024-03-25 格式:DOCX 页数:16 大小:1.08MB 下载积分:11 金币
下载 相关 举报
二级建造师公路实务精典案例分析及答案.docx_第1页
第1页 / 共16页
二级建造师公路实务精典案例分析及答案.docx_第2页
第2页 / 共16页


点击查看更多>>
资源描述
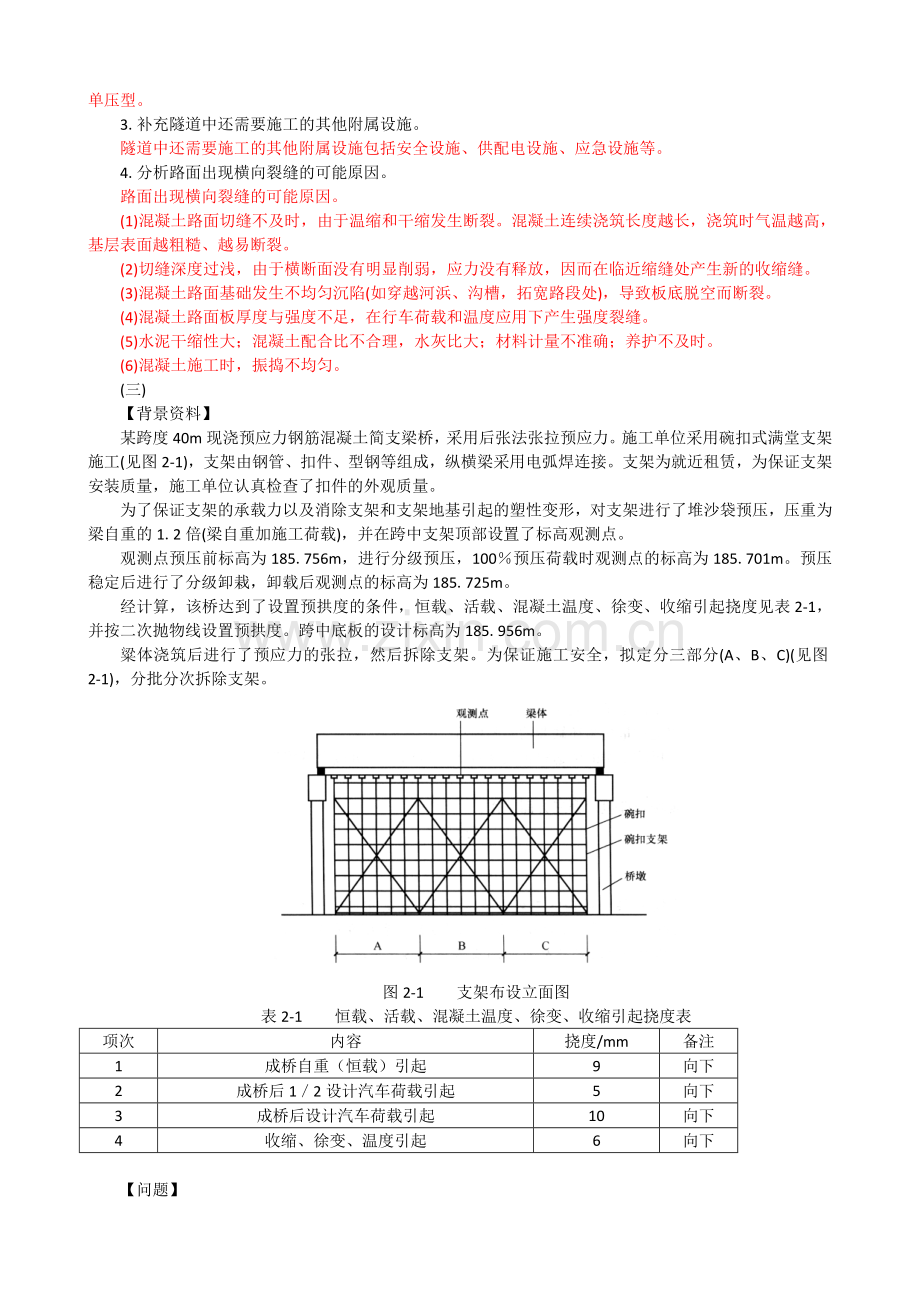
2017二级建造师公路实务精典案例分析及答案 【背景资料】 某施工单位承建了二级公路施工项目,设计车速60km/h,路基宽度10m。桩号K15+000~K18+000为石方开挖地段,石方含量达80%。桩号K18+000~K19+000为填方路堤,平均填方厚度15m,采用分层压实法,自下而上水平分层,逐层填筑,逐层压实。填方路段划分为四级施工平台、四个作业区段。在路床顶面以下0.5m为第一级台阶,0.5~1.5m为第二级台阶,1.5~3m为第三级台阶,3m以下为第四级台阶。四个作业区段是填石区段、平整区段、碾压区段和检验区段。填石作业自最低处开始,逐层水平填筑。每一层均采用机械摊铺、平整,铺撒嵌缝料,将填石空隙以小石和石屑填满铺平,采用重型振动压实设备碾压。施工单位为充分发挥机械设备的效率,强化了施工机械设备的现场管理。 施工单位在施工中对填石路基质量检验实测项目有:压实度、纵断面高程、中线偏位、宽度、边坡坡度和平顺度。 【问题】 1.针对背景中的四个施工平台和四个作业区段,采用哪种施工组织形式最合理? 针对背景中的四个施工平台和四个作业区段,采用流水施工组织形式最合理。 2.写出填石路基的施工工艺流程。 填石路基的施工工艺流程是施工准备→填料装运→分层填筑→摊铺平整→振动碾压→检测签认→路基成型→路基整修。 3.补充填石路堤质量检验还缺漏的实测项目。 填石路堤质量检验还缺漏的实测项目是平整度、横坡。 4.简述填石路堤施工中的装运机械设备配置、摊铺平整机械设备配置和压实机械设备配置。 填石路堤施工中的装运机械设备配置包括拌和料摊铺机、平地机、石屑或场料撒布车;摊铺平整机械设备配置包括装载机和运输车辆;压实机械设备配置包括压路机。 5.施工机械现场管理包含哪三方面工作? 施工机械现场管理包含以下三个方面的工作: (1)做好施工前的准备工作。 (2)合理安排施工任务。 (3)建立机械使用责任制。 (二) 【背景资料】 某施工单位承接了2km的山区二级公路工程项目,其中包含一座长260m的双车道隧道。隧道进口洞顶覆盖层较薄,出口段的路堑地段受落石和塌方危害,隧道进出口段均设置12m的拱式明洞。其中进口段的路堑对明洞有偏压,路床有软基处理,出口段的路堑对明洞无偏压。 隧道开挖后,及时修筑了第一次衬砌,通过施工中的监控量测,确定围岩变形稳定后,修筑防水层及进行第二次衬砌。 隧道洞口段路面采用水泥混凝土路面,路面结构层自上而下为:20cm厚C30水泥混凝土面层;20cm厚水泥稳定碎石层;20cm厚填隙碎石基层。路面施工完成后进行了隧道通风、照明设施的施工。 隧道通车后,在进口段发现路面出现横向裂缝,施工单位对出现裂缝的原因进行调查分析,发现该段基层顶面标高比设计标高平均高出5cm,而混凝土制备、浇筑工艺、养生都满足要求,切缝及时。 【问题】 1.简述本隧道工程设置明洞的理由。 本隧道工程设置明洞的理由。隧道进口洞顶覆盖层较薄,应采用明挖法来开挖隧道。明洞既可作为地面建筑物用以抵御边坡、仰坡的坍方、落石、滑坡、泥石流等病害,又可作为地下建筑物用于在深路堑、浅埋地段不适宜暗挖隧道时,取代隧道的作用。 2.根据荷载分布划分,该隧道的拱式明洞有哪些形式? 根据荷载分布划分,该隧道的拱式明洞的形式包括路堑对称型、路堑偏压型、半路堑偏压型和半路堑单压型。 3.补充隧道中还需要施工的其他附属设施。 隧道中还需要施工的其他附属设施包括安全设施、供配电设施、应急设施等。 4.分析路面出现横向裂缝的可能原因。 路面出现横向裂缝的可能原因。 (1)混凝土路面切缝不及时,由于温缩和干缩发生断裂。混凝土连续浇筑长度越长,浇筑时气温越高,基层表面越粗糙、越易断裂。 (2)切缝深度过浅,由于横断面没有明显削弱,应力没有释放,因而在临近缩缝处产生新的收缩缝。 (3)混凝土路面基础发生不均匀沉陷(如穿越河浜、沟槽,拓宽路段处),导致板底脱空而断裂。 (4)混凝土路面板厚度与强度不足,在行车荷载和温度应用下产生强度裂缝。 (5)水泥干缩性大;混凝土配合比不合理,水灰比大;材料计量不准确;养护不及时。 (6)混凝土施工时,振捣不均匀。 (三) 【背景资料】 某跨度40m现浇预应力钢筋混凝土简支梁桥,采用后张法张拉预应力。施工单位采用碗扣式满堂支架施工(见图2-1),支架由钢管、扣件、型钢等组成,纵横梁采用电弧焊连接。支架为就近租赁,为保证支架安装质量,施工单位认真检查了扣件的外观质量。 为了保证支架的承载力以及消除支架和支架地基引起的塑性变形,对支架进行了堆沙袋预压,压重为梁自重的1.2倍(梁自重加施工荷载),并在跨中支架顶部设置了标高观测点。 观测点预压前标高为185.756m,进行分级预压,100%预压荷载时观测点的标高为185.701m。预压稳定后进行了分级卸栽,卸载后观测点的标高为185.725m。 经计算,该桥达到了设置预拱度的条件,恒载、活载、混凝土温度、徐变、收缩引起挠度见表2-1,并按二次抛物线设置预拱度。跨中底板的设计标高为185.956m。 粱体浇筑后进行了预应力的张拉,然后拆除支架。为保证施工安全,拟定分三部分(A、B、C)(见图2-1),分批分次拆除支架。 图2-1  支架布设立面图 表2-1 恒载、活载、混凝土温度、徐变、收缩引起挠度表 项次 内容 挠度/mm 备注 1 成桥自重(恒载)引起 9 向下 2 成桥后1/2设计汽车荷载引起 5 向下 3 成桥后设计汽车荷载引起 10 向下 4 收缩、徐变、温度引起 6 向下 【问题】 1.计算梁自重和施工荷载作用下的弹性变形。(保留小数点后三位) 梁自重和施工荷载作用下的弹性变形=(185.725-185.701)m=0.024m。 2.计算该支架跨中需要设置的预拱度以及底板的立模标高。(保留小数点后三位) 该支架跨中需要设置的预拱度=(9+5+10+6)mm=30mm。 底板的立模标高=(185.956+0.03)m=185.986m。 3.排列A、B、C三部分合理的拆除顺序。 A、B、C三部分合理的拆除顺序是:先拆除B,然后同步拆除A和C。 4.写出旧扣件外观质量可能存在的病害。 旧扣件外观质量可能存在的病害包括裂缝、变形或螺栓出现滑丝。 5.写出架设本桥支架所需要的特殊工种。 架设本桥支架所需要的特殊工种为架子工、电焊工、信号工、司索工。 (四) 【背景资料】 某施工单位承接的二级公路中有四道单跨2.0m×2.0m钢筋混凝土盖板涵,在编制的《施工组织设计》中,对各涵洞的工序划分与工序的工作时间分析见表2-2。 表2-2 工序划分与工作时间分析 涵洞工作时间/d 工序名(代号) 1号涵洞 2号涵洞 3号涵洞 4号涵洞 基础开挖及软基换填(A) 6 7 4 5 基础混凝土浇筑(B) 2 2 4 4 涵台混凝土浇筑(C) 4 3 4 5 盖板现浇(D) 5 4 3 4 施工单位最初计划采用顺序作业法组织施工,报监理审批时,监理认为不满足工期要求,要求改为流水作业法。 根据现场施工便道情况,施工单位决定分别针对A、B、C、D四道工序组织四个专业作业队伍,按4号→3号→2号→1号涵洞的顺序采用流水作业法施工,确保每个专业作业队的连续作业。在每个涵洞的“基础开挖及软基换填”工序之后,按《隐蔽工程验收制度》规定,必须对基坑进行检查和验收,检查和验收时间(间歇时间)按2天计算。验收由施工单位项目负责人组织施工人员、质检人员,并请监理单位人员及设计代表参加。验收的项目为基坑几何尺寸、地基处理。验收合格后才进行下一道工序的施工。 【问题】 1.计算按顺序作业法组织四道涵洞施工的工期。 按顺序作业法组织四道涵洞施工的工期=(6+2+4+5)d+ (7+2+3+4)d+ (4+4+4+3)d+ (5+4+5+4)d+ 2×3d=72d。 2.计算按流水作业法组织施工的流水步距及总工期。 KA-B=max{(6-0),(13-2),(17-4),(22-8),(0-12))d=14d。 KB-C=max{(2-O),(4-4),(8-7),(12-11),(0-16)}d=2d。 KA-B=max{(4-0),(7-5),(11-9),(16-12),(0-16))d=4d。 按流水作业法组织施工的总工期=2×3d+(14+2+4)d+(5+4+3+4)d=42d。 3.绘制按流水作业法组织施工的横道图(要求横向为工期,纵向为工序)。 4.根据《隐蔽工程验收制度》,验收时还必须邀请哪个单位参加? 根据《隐蔽工程验收制度》,验收时还必须邀请建设单位参加。 5.补充基坑验收时缺漏的项目。 基坑验收时缺漏的项目包括土质情况、标高。 (一) 某施工单位承接了一段长30 km的沥青混凝土路面施工,其中基层采用厂拌二灰稳定碎石,施工前选择了相应的施工机械并经计算确定了机械台数,施工工艺如图1所示。 图1 施工工艺 其中部分路段采用两幅施工,纵缝采用斜缝连接;同日施工的两个工作段接缝处,要求前一段拌和整修后,留5~8 m不进行碾压,作为后一段摊铺部分的高程基准面,后段摊铺完成后立即碾压以消除缝迹。 二灰基层施工完毕后,且在面层施工前,检测了如下项目:弯沉、压实度、平整度、纵断面高程、宽度、横坡、回弹模量,以评定该分项工程质量。 问题 1. 二灰基层施工准备中,计算机械台数需要考虑哪些因素? 二灰基层施工准备中,计算机械台数需要考虑的因素:工程量、计划时段内的台班数、机械的利用率和生产率。 2. 补充方框A、B内的工序。 方框A内的工序是施工放样。方框B内的工序是质检和养生。 3. 改正接缝处理中错误的做法。 改正接缝处理中错误的做法: (1)纵缝必须采用垂直相接,不应采用斜缝连接; (2)后一段施工时,前段留下未压部分,应再加部分水泥重新拌和,并与后一段一起碾压。 4.指出二灰基层质量检测评定实测项目中的错项,并补充漏项。 二灰基层质量检测评定实测项目中的错项包括弯沉、回弹模量。补充的漏项包括厚度、强度。 (二) 某施工单位甲承接了一座3×30 m预应力混凝土先简支后连续梁桥工程,下部构造为重力式桥台和桩柱式桥墩,总体布置如图2所示。 图2 总体布置图 地质钻探资料揭示,1#、2#墩有厚度5~8 m不等的砂卵石覆盖层,其强度大于25 MPa,卵石平均粒径为20 cm,持力层为中风化砂层。设计要求桩基在低水位期间采用筑岛钻孔法施工。 施工单位甲将桩基施工分包给施工单位乙,并签订了安全生产管理协议,明确了双方安全隐患排查中的职责。 桥梁上部结构的主要施工工序包括:①安装临时支座;②拆除临时支座;③安放永久支座;④架设T梁;⑤浇筑T梁接头混凝土;⑥现浇T梁湿接缝混凝土;⑦浇筑横隔板混凝土;⑧张拉二次预应力钢束。 问题 1. 开展1#墩顶测量放样时,应控制哪两项指标? 开展1#墩顶测量放样时,应控制的两项指标:墩中线和基础桩的位置。 2. A是什么临时设施,有何作用? A是护筒,作用是稳定孔壁、防止坍孔,还有隔离地表水、保护孔口地面、固定桩孔位置和起到钻头导向作用等。 3. 根据地质条件,宜选用何种类型钻机施工? 根据地质条件,宜选用旋挖类型钻机施工。 4. 在双方签订的安全生产管理协议中,施工单位甲对事故隐患排查治理应负有哪些职责? 在双方签订的安全生产管理协议中,施工单位甲对事故隐患排查治理应负有统一协调和监督管理的职责。 5. 对背景中上部结构主要施工工序进行排序(用圆圈的数字表示)。 对背景中上部结构主要施工工序进行排序:④、⑦、⑥、⑧、①、②、③、⑤。 (三) 某施工单位承接了一条二级公路的隧道施工项目,该隧道主要穿越砂层泥岩和砂岩,岩层节理、裂隙发育,富含裂隙水。隧道全长800 m,设计净高5 m,净宽12 m,为单洞双向行驶的两车道隧道。 施工单位针对该项目编制了专项施工方案,其中包括工程概况、编制依据、劳动力计划等内容。拟采取二台阶开挖方法施工,施工顺序如图3所示,并按①→⑨的顺序作业。针对该隧道施工过程中有可能出现突水安全事故的特点,编制了应急预案。 图3 施工顺序 问题 1. 专项施工方案中的劳动力计划包括哪些类别的人员? 专项施工方案中的劳动力计划包括专职安全生产管理人员、特种作业人员等。 2. 改正③→⑥的施工工序,说明修改原因。 改正③→⑥的施工工序为④→⑥→③→⑤。修改原因:开挖后及时支护。 3. 补充表列⑦~⑨项工作的内容。 表列⑦~⑨项工作的内容分别为下部核心土开挖、施作仰拱、施作二衬。 4. 施工单位编制的应急预案属于哪一类?除此之外,应急预案还有哪些种类? 施工单位编制的应急预案属于专项应急预案。除此之外,应急预案还有综合应急预案和现场处置方案。 (四) 某施工单位承接了某二级公路桥梁工程,施工单位按照合同工期要求编制了如图4所示的网络计划(时间单位:d),并经监理工程师批准后实施。 图4 网络计划 在实施过程中,发生了如下事件: 事件1:工作D(1号台基础)施工过程中,罕见特大暴雨天气使一台施工机械受损,机械维修花费2万元,同时导致工作D实际时间比计划时间拖延8 d; 事件2:施工单位租赁的施工机械未及时进场,使工作F(1号台身)实际时间比计划时间拖延8 d,造成施工单位经济损失2000元/d; 事件3:业主变更设计,未及时向施工单位提供图纸,使工作E(0号台身)实际时间比计划时间拖延15 d,造成施工单位经济损失1600元/d。 问题 1. 根据网络图计算该工程的总工期,并指出关键路线。 该工程的总工期=(15+30+50+40+10)d=145 d。关键路线为A、B、F、H、J。 2. 分别分析事件1、2、3对总工期的影响,并计算施工单位可获得的工期补偿。 事件1对总工期没有影响,因为工作D有10 d的总时差。 事件2对总工期有影响,会使总工期延长8 d,因为工作F为关键工作。 事件3对总工期有影响,会使总工期延长5 d,因为工作E有10 d的总时差。 施工单位可获得的工期补偿为5 d。 3. 分别分析施工单位能否就事件1、2、3导致的损失向业主提出索赔,说明理由,并计算索赔金额。 就事件1导致的损失,施工单位不能向业主提出索赔。 理由:不可抗力发生后,施工机械的损失由施工单位承担。 就事件2导致的损失,施工单位不能向业主提出索赔。 理由:施工单位租赁的施工机械未及时进场属施工单位的责任。 就事件3导致的损失,施工单位能向业主提出索赔。 理由:施工图纸的延误属业主的责任。 索赔金额=15 d×1600元/d=24000元。 4. 将背景中的双代号网络改为单代号网络。 (一) 某施工单位承接了农村公路的5×16 m简支板桥施工项目,桥梁上部结构为先张法预应力空心板,下部结构为双柱式桥墩,基础为桩基础,桥面面层为5 cm厚沥青混凝土,采用租赁摊铺机摊铺。 桥头附近为砂性黏土,地势平坦,施工单位拟在此布置预制梁场,所需普通工人主要在当地雇用。当桩基础施工完毕后按规定进行了完整性检测。 在施工中发生了如下事件: 事件一:施工单位购买了三套千斤顶,为使用方便,千斤顶、油泵随机组合起来张拉预应力钢绞线。由于工期紧,新设备购买后立即投入使用。 事件二:在桥面施工过程中,施工单位安装伸缩缝后即进行5 cm厚沥青混凝土施工,要求摊铺机匀速行驶,技术员随时检查高程及摊铺厚度。 问题 1. 结合背景资料,写出施工单位需要签订哪些合同? 施工单位需要签订的合同:承包合同、采购合同、租赁合同、检测合同、保险合同和劳动合同。 2. 现场预制梁场布置一般应考虑哪些因素? 现场预制梁场布置一般应考虑的因素:现场的面积、地形、工程规模、安装方法、工期及机械设备情况等。 3. 针对事件一,改正错误之处。 针对事件一,改正错误如下:在进行张拉作业前,必须对千斤顶、油泵进行配套标定,并每隔一段时间进行一次校验。有几套张拉设备时,要进行编组,不同组号的设备不得混合。 4. 针对事件二,改正错误之处。若按背景所述方法施工,可能产生哪些质量病害? 针对事件二,改正错误如下:为改进构造物伸缩缝与沥青路面衔接部位的牢固及平顺,先摊铺沥青混凝土面层,再做构造物伸缩缝。 若按背景所述方法施工,可能产生路面不平整病害。 (二) 某施工单位承接了一条长21 km的二级公路的路基、路面工程,路基宽12 m,水泥混凝土路面。为保证测量工作质量和提高测量工作效率,项目部制定了详细的测量管理制度,要求如下: (1)测量队对有关设计文件和监理签认的控制网点测量资料,由两人共同进行核对,核对结果应作记录,并进行签认,成果经项目技术主管复核签认,总工程师审核签认后方可使用。 (2)测量外业工作必须有多余观测,并构成闭合检测条件。 (3)对各工点、工序范围内的测量工作,测量组应自检、复核并签认,分工衔接的测量工作,由测量队或测量组进行互检、复核和签认。 (4)项目经理部总工程师和技术部门负责人要对测量队(组)执行测量复核签认制的情况进行检查,测量队对测量组执行测量复核签认制的情况进行检查,所有检查均应做好检查记录。 (5)测量记录与资料必须分类整理、妥善保管,并作为竣工文件的组成部分归档保存,具体归档资料包括: ①交接桩资料、监理工程师提供的有关测量控制网点、放样数据变更文件。 ②各工点、各工序测量原始记录,观测方案布置图,放样数据计算书。 …… K6+280~K6+910为土质路堑,平均挖方深度约13 m,最大挖深21.2 m,路段土质为细粒土。施工单位在进行路堑开挖时,先沿路线纵向挖出一条通道,再横向进行挖掘。由于该路段地下水位较高,设置了渗沟排除地下水,但路床碾压时出现了“弹簧”现象。经检查分析,出现“弹簧”的原因是渗沟的排水效果不理想,路床下局部路段地下水排不了,导致毛细水上升,使土的含水量偏高。 问题 1. 逐条判断测量管理制度中第(1)、(2)、(3)、(4)条是否正确,并改正错误之处。 判断测量管理制度中第(1)、(2)、(3)、(4)条的正确与否,并改正错误之处。 第(1)条不正确。 改正:测量队应核对有关设计文件和监理签认的控制网点测量资料,应由两人独立进行。 第(2)条的正确。 第(3)条的正确。 第(4)条的正确。 2. 补充第(5)条中作为竣工文件的其他测量归档资料。 (1)测量内业计算书,测量成果数据图表。 (2)测量器具周期检定文件。 3.指出施工单位进行路堑开挖所采用方法的名称。采用该方法是否恰当?说明理由。 施工单位进行路堑开挖所采用方法是混合式挖掘法。 采用该方法恰当。 理由:混合式挖掘法适用于纵向长度和挖深都很大的路堑开挖,本工程中路堑的挖深就很大。 4.为解决K6+280~K6+910路段出现的“弹簧”现象,施工单位可采取的技术措施是什么? 为解决K6+280~K6+910路段出现的“弹簧”现象,施工单位可采取的技术措施是:对产生“弹簧土”的部位,可将其过湿土翻晒,或掺生石灰粉翻拌,待其含水量适宜后重新碾压;或挖除换填含水量适宜的良性土壤后重新碾压。 (三) 某施工单位承接了一座公路隧道的土建及交通工程施工项目,该隧道为单洞双向行驶的两车道浅埋隧道,设计净高5 m,净宽12 m,总长1 600 m,穿越的岩层主要由页岩和砂岩组成,裂隙发育,设计采用新奥法施工、分部开挖和复合式衬砌。进场后,项目部与所有施工人员签订了安全生产责任书,在安全生产检查中发现一名电工无证上岗,一名装载机驾驶员证书过期,项目部对电工予以辞退,并要求装载机驾驶员必须经过培训并经考核合格后方可重新上岗。 隧道喷锚支护时,为保证喷射混凝土强度,按相关规范要求取样进行抗压强度试验。取样按每组三个试块,共抽取36组,试验时发现其中有2组试块抗压强度平均值为设计强度为90%、87%,其他各项指标符合要求。检查中还发现喷射混凝土局部有裂缝、脱落、露筋等情况。 隧道路面面层为厚度5 cm、宽度9 m的改性沥青AC-13,采用中型轮胎式摊铺机施工,该摊铺机施工生产率为80 m3/台班,机械利用率为0.75,若每台摊铺机每天工作2台班,计划5 d完成隧道路面沥青混凝土面层的摊铺。 路面施工完成后,项目部按要求进行了照明、供配电设施与交通标志、防撞设施、里程标、百米标的施工。 问题 1.指出项目部的安全管理中体现了哪些与岗位管理有关的安全生产制度?补充其他与岗位管理有关的安全生产制度。 项目部的安全管理中体现了与岗位管理有关的安全生产制度包括:安全生产责任制度;安全生产岗位认证制度;特种作业人员管理制度。 其他与岗位管理有关的安全生产制度包括:安全生产组织制度;安全生产教育培训制度;安全生产值班制度;外协单位和外协人员安全管理制度;专、兼职安全管理人员管理制度。 2.喷射混凝土的抗压强度是否合格?说明理由。针对喷射混凝土出现的局部裂缝、脱落、露筋等缺陷,提出处理意见。 喷射混凝土的抗压强度合格。 理由:任意一组试块抗压强度平均值,不得低于设计强度的80%为合格。 针对喷射混凝土出现的局部裂缝、脱落、露筋等缺陷,其处理意见:应予修补,凿除喷层重喷或进行整治。 3. 按计划要求完成隧道沥青混凝土面层施工,计算每天所需要的摊铺机数量。 按计划要求完成隧道沥青混凝土面层施工,每天所需要的摊铺机数量=(1600 m×9 m×0.05 m)÷(80 m3/台班×2台班/d×5 d/台×0.75)=1.2台≈2台。 4.补充项目部还应完成的其他隧道附属设施与交通安全设施。 项目部还应完成的其他隧道附属设施包括:通风设施、安全设施、应急设施等。项目部还应完成的交通安全设施包括:交通标线、隔离栅、视线诱导设施、防眩设施、桥梁防抛网、公路界碑等。 (四) 某施工单位承接了某二级公路的普通水泥混凝土路面施工项目,合同段总长度36 km,路面结构层为15 cm厚级配碎石底基层、20 cm厚水泥稳定碎石基层、24 cm厚水泥混凝土面层,面层采用轨道摊铺机摊铺施工。钢材、水泥供应厂家由建设单位指定。施工单位对基层和面层分别组织一个专业队采用线性流水施工,其施工组织设计内容摘要如下: 摘要一:基层施工进度为每天450 m,养生时间至少7 d;水泥混凝土面层施工进度为每天400 m,养生时间至少14 d,所需最小工作面长度为3 600 m,其流水施工横道如图1所示。 图1 路面工程线性流水施工横道图 摘要二:施工单位现有主要施工设备包括混凝土生产设备、混凝土及原材料运输设备、吊车、布料机、摊铺机、整平机、压路机、拉毛养生机和石屑撒布机,项目部根据实际情况调用。 摘要三:项目部要求工地试验室在检查了产品合格证、质量保证书后向监理工程师提交每批水泥清单。 问题 1. 计算摘要一中路面基层和面层工作的持续时间。 路面基层工作的持续时间=36 000 m÷450 m/d=80 d。 路面面层工作的持续时间=36 000 m÷400 m/d=90 d。 2. 计算基层和面层的流水工期并按表绘制路面工程线性流水施工横道图。(注:将表抄绘在答题纸上作答) 因为基层的速度450 m/d快于面层的速度400 m/d,基层与面层之间逻辑关系应选择STS(开始到开始)搭接关系,搭接时距计算应该除以两者中较快的速度,结果为3 600 m÷450 m/d=8 d;考虑到养生至少7 d,所以STS=(8+7)d=15 d。 基层和面层的流水工期=(15+90)d=105 d。 绘制路面工程线性流水施工横道图,如图2所示。 图2 路面工程线性流水施工横道图 3.结合摘要二,为完成水泥混凝土面层施工,施工单位还需配备哪两个关键设备?并指出肯定不需要调用的两个设备。 为完成水泥混凝土面层施工,施工单位还需配备的关键设备包括:卸料机和振捣机。肯定不需要调用的两个设备是压路机和石屑撒布机。 4.摘要三中工地试验室的做法能否保证进场水泥质量?说明理由。 摘要三中工地试验室的做法不能保证进场水泥质量。 理由:没有依据标准规范规定的试验方法、试验项目、检验规则进行取样检定。 (一) 某预应力T型梁桥,大桥主体工程施工完成后,施工单位即进行台背回填。该桥台高9 m,桥台地基为微风化砂岩。为了施工管理和质量检验评定的需要,施工单位将台背回填作为分部工程,下设挖台阶与填土两个分项工程进行质量评定。 台背回填前,进行了挖台阶施工,自检后请监理工程师检查验收,但驻地监理工程师临时外出开会,考虑到地基为砂岩,强度满足要求,施工单位及时进行了台背填筑,等监理工程师回来后补办手续。 台背填筑时,采用与桥头引道一致的黏土作为台背填料,并对进场的填料进行检验,在桥台上绘出每层填筑的填厚线位,采用水平分层填筑方法填筑,分层松铺厚度30 cm,用夯压机械进行夯实,每层夯实完工后进行自检并照相,并对每个桥台单独建立了技术档案。 问题 1.指出施工单位质量评定中的错误做法并改正。 施工单位质量评定中的错误做法:施工单位将台背回填作为分部工程,下设挖台阶与填土两个分项工程进行质量评定。 正确做法:台背回填应作为分项工程,挖台阶与填土也不应作为分项工程。 2.地基处理的验收是否符合隐蔽工程验收制度规定?说明理由。 地基处理的验收不符合隐蔽工程验收制度规定。 理由:隐蔽工程是指为下道工序施工所隐蔽的工程项目,隐蔽前必须进行质量检查和验收,由施工项目负责人组织施工人员、质检人员,并请监理单位、建设单位代表参加,必要时请设计人参加,检查意见应具体明确,检查手续应及时办理,不得后补。需复验的要办理复验手续,填写复验日期并由复验人作出结论。 3.指出台背填筑施工过程中的错误做法并改正。 台背填筑施工过程中的错误做法以及改正。 (1)错误做法:采用与桥头引道一致的黏土作为台背填料。 正确做法:台背填筑应采用透水性材料填筑,优先选用砂砾类土,如砂砾、碎石、碎石土等,并有一定的级配。 (2)错误做法:桥台上绘出每层填筑的填厚线位。 正确做法:挂牌划线施工,每层填筑均照相并与检测资料一并保存。 (3)错误做法:分层松铺厚度30 cm。 正确做法:分层松铺厚度宜小于20 cm。 4.通车后,该桥台最易出现哪种病害? 通车后,该桥台最易出现的病害是:构造裂缝、桥头跳车。 (二) 某施工单位承接了南方一座双向四车道分离式隧道施工,隧道穿越的地层有:石灰岩、页岩、泥灰岩,局部夹有煤层,该隧道穿越一向斜构造。隧道进出口围岩为Ⅴ级,洞内Ⅲ级和Ⅳ级呈间隔分布,局部为Ⅴ级。其中左线隧道进口桩号为K15+270,设计控制标高为240.0 m,隧道出口桩号为K16+050,设计控制标高为240.0 m。 施工单位结合该隧道的特点进行了施工组织设计,其中: (1)采用新奥法施工,尤其是在围岩软弱地段,按照“短进尺,弱爆破,紧封闭”的原则稳步推进。 (2)为防止地表水危及隧道施工安全,进洞50 m左右后,开始做洞口工程,洞口支护时,支护面至开挖面的距离拟定为10 m。 (3)若遇不良地质情况,必须进行超前地质预报,以便提前采取预防措施。 问题 1.在施工组织设计的第一条中,还应补充哪些基本原则? 在施工组织设计的第一条中,还应补充的基本原则:早喷锚、勤量测。 2.改正施工组织设计中第二条的错误做法。 施工组织设计中第二条的错误做法及改正: (1)错误做法:进洞50 m左右后,开始做洞口工程。 正确做法:掘进前应先做好隧道洞口工程,做好洞口边坡、仰坡及天沟、边沟等排水设施,确保地表水不危及隧道施工安全。 (2)错误做法:支护面至开挖面的距离拟定为10 m。 正确做法:洞内支护,宜随挖随支护,支护至开挖面的距离一般不得超过4 m。 3.本隧道可能遇到的不良地质情况及危害有哪些? 本隧道可能遇到的不良地质情况及危害:石灰岩、页岩、泥灰岩等可溶性地层,当有充水的溶槽、溶洞或暗河等与隧道相连通时可能会造成水害。 4.左线隧道按长度划分属于哪一种?说明理由。 左线隧道按长度划分属于中隧道。 理由:隧道按照长度分为特长隧道:L>3 000 m;长隧道:3 000≥L≥1 000 m;中隧道:1 000>L>500 m;短隧道:L≤500 m。本案例中,左线隧道进口桩号为K15+270,隧道出口桩号为K16+050,其长度为(16 050-15 270)m=780 m,因此属于中隧道。 (三) 某二级公路跨河大桥,左岸引桥结构为11跨20 m预应力混凝土简支梁桥,柱式墩,1.5 m桩基础。0#桥台至6#墩桩长12~14 m,靠近主桥四跨桩长超过20 m。由于该河段枯水期长,且左岸地质水文条件较好,故引桥桩基采用人工挖孔方法施工,挖孔桩施工照明、电器和起吊设备安全控制要点部分如下: (1)孔内不得使用超过110 V电压的灯具照明。 (2)电器设备必须同时装设接零和接地保护。 (3)起吊设备必须有限位器、防脱钩器等装置。 引桥所处河滩宽阔平坦,局部存在坑洼与淤泥地段,淤泥厚度10~30 cm,其下为砂砾土,地基经处理后承载力能满足预制场施工要求。项目经理部决定将引桥主梁预制场设在该段河滩上,主梁采用预制吊装施工,施工现场分为A、B、C、D、E五个作业区域,具体布置如图1所示。 图1 施工现场作业区域具体布置图 预应力张拉时部分主梁锚板处混凝土出现变形开裂现象,项目经理部现场处理方法如下: (1)清除锚下损坏混凝土,采用与主梁相同配比混凝土修补。 (2)重新安设相同规格锚垫板,待混凝土强度满足要求后张拉。 但张拉时仍然出现变形开裂情况,监理工程师指出了项目经理部现场处理方法的不足,并提出整改要求。 问题 1.就左岸靠近主桥四跨的桩长情况,该段引桥桩基采用人工挖孔方法施工是否恰当?说明理由。 就左岸靠近主桥四跨的桩长情况,该段引桥桩基采用人工挖孔方法施工不恰当。 理由:人工挖孔超过10 m深,应采用机械通风,并必须有足够保证安全的支护设施及常备的安全梯道。人工挖孔最深不得超过15 m。 2.改正背景中挖孔桩安全控制要点的错误之处。 改正背景中挖孔桩安全控制要点的错误之处: (1)孔内照明应使用36 V电压的灯具。 (2)电器设备必须装设漏电保护装置。 3.根据图示,指出引桥主梁所用的吊装方法。 根据图示,引桥主梁所用的吊装方法为整孔吊装。 4.C、D、E施工作业区域布置不合理?说明理由。 C、D、E施工作业区域布置不合理。 理由:施工便道和预制台座不应该在存梁区与吊装区之间。 5.改正背景中锚板处混凝土变形开裂现场处理方法中的不妥之处。 将锚具取下,凿除锚下损坏部分,然后加筋用高强度混凝土修补,将锚下垫板加大加厚,使承压面扩大。 (四) 某二级公路的主要工序如表1所示。 表1 某二级公路的主要工序 工作代号 工作名称 备注 A 施工准备 B 路基土石方开挖 其中部分石方需爆破施工 C 挡墙基坑开挖 D 涵洞施工 E 桥梁基础施工 钻孔灌注桩基础 F 上边坡防护工程施工 分5级,平均高40 m …… …… …… 施工单位编制了如图2所示网络计划。 图2 网络计划 施工中发生了如下事件: 事件一:由于施工单位设备故障,导致C工作中断4 d。 事件二:由于百年一遇的冰雪灾害,导致D工作晚开工15 d。 事件三:由于图纸晚到,导致E工作停工10 d。 针对上述事件中的暂停施工,施工单位在合同规定时间内向监理提出了延期申请和费用索赔的要求。合同约定,成本损失费为人民币1.5万元/d,利润损失费为人民币0.2万元/d。 问题 1. 计算图示网络工期,并指出关键线路。 图示网络工期为320 d,关键线为:A—C—F—I。 2. 针对背景中的网络计划,分别分析C、D、E工作工期索赔和费用索赔的合理性。 针对背景中的网络计划,C、D、E工作工期索赔和费用索赔的合理性分析如下。 C工作:工期索赔和费用索赔不合理。因为导致C工作中断的原因是施工单位设备故障,应由施工单位承担责任。 D工作:工期索赔和费用索赔不合理。虽然百年一遇的冰雪灾害属于不可抗力,施工单位理应可以索赔工期,但是D工作的总时差为30 d,晚开工15 d没有超过其总时差,所以不可提出工期索赔的申请。不可抗力发生后的停工损失的责任应由施工单位承担,所以也不可提出费用索赔的申请。 E工作:工期索赔不合理,费用索赔合理。图纸晚到造成的停工责任应由建设单位承担,因此可提出费用索赔的申请。但由于E工作有10 d的总时差,停工时间没有超过总时差,因此不可提出工期索赔的申请。 3.计算可索赔的费用。 可索赔的费用=10 d×(1.5+0.2)万元/d=17万元。 4.结合背景,分析施工单位应编制哪些安全生产专项施工方案。 结合背景,施工单位应编制路基土石方开挖、挡墙基坑开挖、桥梁基础施工、上边坡防护工程施工安全生产专项施工方案。 (一) 某施工单位承接了某二级公路E3标段(K15+000~K25+000)路基工程施工。由于该标段工程量集中,工期紧张,项目部对工程质量管理与控制尤其重视,要求项目总工对质量控制负总责,对技术文件、报告、报表进行全面深入审核与分析,并采取测量、试验、分析、监督等各种方法对现场质量进行检查控制。该标段作为一个单位工程,划分了分部、分项工程,依据质量检验评定标准对分项工程进行评分,项目部按优、良、合格、不合格四个等级来评定工程质量。 项目部还根据不同管理层次和职能对采用新技术、新材料、新工艺的各环节设置了质量控制关键点,以便进行重点监控。 项目部在抓质量的同时,也注重安全生产。在K23+200~K24+100路段拟采用大型综合爆破进行石方路基施工。项目部编制了爆破设计书,并提交监理工程师审批后,成立了现场指挥机构并组织人员实施,在危险边界设置了明显标志,撤离了警戒区内人员、牲畜,并在警戒区四周安排警戒人员,最后成功完成了大型综合爆破。石方路基施工完成后,项目部实测了压实度、纵断高程、中线偏位、宽度、横坡、边坡平顺度,各项指标均满足相应标准和要求。 问题 1.指出背景中项目部的两处错误做法,给出正确做法。 (1)“要求项目总工对质量控制负总责”错误。 改正为:项目经理本人对质量控制负总责。 (2)“工程质量等级评定分为优、良、合格、不合格四个等级”错误。 改正为:工程质量等级评定为合格、不合格两个等级。 2.根据质量控制关键点的设置原则,除背景提及的在“新技术、新材料、新工艺各环节”设置质量控制关键点处,还应在哪些情况下设置? 根据质量控制关键点的设置原则,除背景提及的在“新技术、新材料、新工艺各环节”设置质量控制关键点处,还应在以下情况下设置: (1)施工过程中的重要项目,薄弱环节和关键部位。 (2)影响工期、质量、成本、安全、材料消耗等重要因素的环节。 (3)质量信息反馈中缺陷频数较多的项目。 3.项目部在K23+200~K24+100段施工时,是否符合爆破安全规程的相关要求?说明理由。 项目部在K23+200~K24+100段施工时,不符合爆破安全规程的相关要求。 理由:大型爆破应征得当地县(市)以上公安部门同意。 4.补充石方路基实测项目。 补充石方路基实测项目:平整度、边坡坡度。 (二) 某施工单位承接了一段长66.8 km,宽7 m的水泥混凝土路面施工任务,该工程穿越人口密集区。根据现场实际情况,所需混凝土需由现场制备,并采用轨道式摊铺机施工。该工程合同约定工期为85 d,经计算,摊铺机总工作量为320台班。项目部将整个标段划分为两个工作量相等的施工区
展开阅读全文

开通  VIP会员、SVIP会员  优惠大
下载10份以上建议开通VIP会员
下载20份以上建议开通SVIP会员


开通VIP      成为共赢上传

当前位置:首页 > 考试专区 > 建造师考试

移动网页_全站_页脚广告1

关于我们      便捷服务       自信AI       AI导航        抽奖活动

©2010-2025 宁波自信网络信息技术有限公司  版权所有

客服电话:0574-28810668  投诉电话:18658249818

gongan.png浙公网安备33021202000488号   

icp.png浙ICP备2021020529号-1  |  浙B2-20240490  

关注我们 :微信公众号    抖音    微博    LOFTER 

客服