收藏 分销(赏)

钢筋绑扎、连接施工方案.docx

上传人:可**** 文档编号:813691 上传时间:2024-03-25 格式:DOCX 页数:14 大小:41.17KB 下载积分:11 金币
下载 相关 举报
钢筋绑扎、连接施工方案.docx_第1页
第1页 / 共14页
钢筋绑扎、连接施工方案.docx_第2页
第2页 / 共14页


点击查看更多>>
资源描述
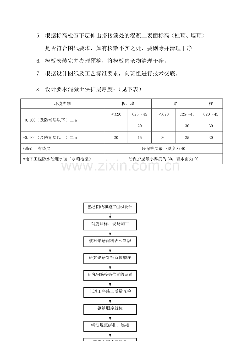
####################项目部 编制人: 审核人: 日 期: 钢筋施工方案 设计 1. 钢筋进场使用前检查是否有出厂证明、复试报告,并按指定的位置,按规格、使用部位、编号分别加垫木堆放在钢筋场。 2. 钢筋绑扎前,应检查有无锈蚀,除锈之后再运至绑扎部位。 熟悉图纸、按设计要求检查已加工好的钢筋规格、形状、数量是否正确。 3. 做好抄平放线工作,弹好水平标高线,柱、墙外皮尺寸线。 4. 根据弹好的外皮尺寸线,检查下层预留搭接钢筋的位置、数量、长度,如不符合要求时,应进行处理。绑扎前先整理调直下层伸出的搭接筋,并将锈蚀、水泥砂浆等污垢清除干净。 5. 根据标高检查下层伸出搭接筋处的混凝土表面标高(柱顶、墙顶)是否符合图纸要求,如有松散不实之处,要剔除并清理干净。 6. 模板安装完并办理预检,将模板内杂物清理干净。 7. 根据设计图纸及工艺标准要求,向班组进行技术交底。 8. 设计要求混凝土保护层厚度:(见下表) 环境类别 板、墙 梁 柱 -0.100(及防潮层以下)二a <C20 C25~45 <C20 C25~45 C20~45 20 30 30 -0.100(及防潮层以上)二a 20 15 30 25 30 *基础 有垫层 砼保护层最小厚度为40 *地下工程防水砼迎水面(水箱池壁) 砼保护层最小厚度为30,背水面为20 熟悉图纸和施工组织设计 钢筋翻样、现场加工 核对钢筋配料表和料牌 研究钢筋穿插就位顺序 研究钢筋接头位置的设置 上道工序施工质量互检 钢筋顺序就位 钢筋规范绑扎、连接 班组自查施工质量 钢筋施工员检查施工质量 质检员核验定级 隐蔽工程报验 监理人员核验 进入下道工序施工 按照监理人员指令整改 合格 不合格 原材料均在我司材料部门指导下统一采购,现场加工。进场时,经销商应提供该批钢材的出厂合格证和检测报告,由项目部材料人员和质检员检查钢材的外观质量,钢筋外观应平直、无损伤、表面不得有裂纹、油污、颗粒状或片状老锈,核对钢材的数量、规格、型号等。初验合格后,报监理公司及甲方现场人员进行验收,并现场抽样送当地检测中心复试,复试合格后,做好合格标志,方可运往现场加工。 第二节:钢筋的加工、下料质量控制 1.用于本工程的HPB235;HRB335;HRB400级钢筋末端,弯钩角度为135。,弯后平直长度应大于箍筋直径的10倍和5倍。 2.进场HPB235盘圆钢筋采用卷扬机冷拉调直,冷拉率不应大于4%。 3.钢筋加工的形状、尺寸应符合设计及规范要求, 一、钢筋安装 1. 柱钢筋安装顺序 根据放样人员定出的柱边线的正确位置,纠正偏位柱筋的位置,并清理钢筋端头的水泥浆。使用门架搭设平稳的操作平台,立好柱的竖筋。根据柱筋上的标高标准点画好柱筋的位置。按图纸要求套好数量足够的箍筋,并绑扎牢固,注意柱底、柱顶的加密箍不可遗漏。每个柱角挂好保护层预制块,沿竖向每隔1m设一个。防止柱筋移位的措施。浇捣柱砼之前,在离楼面600~1000m高处绑扎好两、三个临时柱箍。注意保护层预制块不要被碰落。 2. 梁板钢筋安装 1)主次梁钢筋施工顺序: 主梁纵向钢筋放入梁模内,用木条临时分开梁底、梁面主筋→画好主梁箍筋的间距,穿好箍筋并逐个排开→放入主梁保护层预制块→撤出木条,把主梁钢筋放入梁模内→绑扎纵向钢筋和箍筋,固定主梁的弯起筋、负弯矩筋、腰筋→放次梁纵向筋、箍筋(同主梁)→绑扎次梁钢筋。对于梁高大于1000mm,使用上述施工方法无法操作时,可采用梁侧开模的方法,即在梁的另一侧模板未封时,全部安装好梁的钢筋,而后木工班组才封住该侧梁的模板,或采用在梁的位置附近安装好梁的钢筋,使用葫芦把梁的钢筋吊入梁模内。 2)箍筋的接头应交错设置,并与纵向筋绑扎牢固,按抗震要求箍筋弯钩均为135°,平直长度为10d。梁的弯起筋和负弯起筋位置应准确,保证钢筋的有效高度。对于悬臂梁,箍筋的接头应在下,弯起筋的直径、数量、尺寸应完全正确。 3)绑扎搭接长度为,主梁受拉筋与框架柱的锚固长度不小于30d;搭接长度不小于42d,当纵向钢筋在端部节点内的水平锚固长度不够时,沿柱节点外边向下弯折,经弯折后的垂直投影长度不应小于15d。梁架立筋的搭接部位在梁跨中2/3区段内,梁底筋的搭接部位在中支座内。支座上的独立负筋及梁的箍筋加密区内不得有钢筋接头。 4)框架梁与柱交接处,因柱子加密箍筋与框架多层钢筋交接,给安装带来困难。在交接处采用“half”箍筋进行施工。 5)板筋的施工顺序:清理板上刨花、碎木等杂物→用粉笔在模板上划好板底筋的间距,并绑扎好→水电安装→垫好保护层预制块→板的负弯矩筋安装。 3.钢筋安装质量控制指标 1)钢筋安装时,受力钢筋的品种、级别、规格和数量必须符合设计要求。 2)钢筋安装位置的偏差应符合规范要求。 1.绑柱子钢筋:    工艺流程:套柱箍筋 → 搭接绑扎竖向受力筋 → 画箍筋间距线 → 绑箍筋 1)套柱箍筋:按图纸要求间距,计算好每根柱箍筋数量,先将箍筋套在下层伸出的搭接筋上,然后立柱子钢筋。 画箍筋间距线:在柱子竖向钢筋上,按图纸要求用粉笔或石笔划箍筋间距线。 2)柱箍筋绑扎:按已划好的箍筋位置线,将已套好的箍筋往上移动,由上往下绑扎。箍筋与主筋要垂直,箍筋与主筋交点均要绑扎。  箍筋的弯钩叠合处应沿柱子竖筋交错布置,并绑扎牢固。 柱箍筋端头应弯成135°,平直部分长度大于10d(d为箍筋直径)。柱上下两端箍筋应加密,加密区长度及加密区内箍筋间距应符合设计图纸要求。箍筋设拉筋时,拉筋应钩住主筋。  柱筋保护层厚度应符合规范要求,主筋外皮为30mm,垫块应绑在柱竖筋外皮上,间距一般1000mm,(用塑料卡卡在外竖筋上)以保证主筋保护层厚度准确。    2.梁钢筋绑扎: 工艺流程:模内绑扎: 画主次梁箍筋间距 → 放主梁次梁箍筋 → 穿主梁底层纵筋及弯起筋 → 穿次梁底层纵筋并与箍筋固定 → 穿主梁上层纵向架立筋 → 按箍筋间距绑扎 → 穿次梁上层纵向钢筋 → 按箍筋间距绑扎→ 模外绑扎(先在梁模板上口绑扎成型后再入模内) → 画箍盘间距 → 在主次梁模板上口铺横杆数根 → 在横杆上面放箍筋 → 穿主梁下层纵筋 → 穿次梁下层钢筋 → 穿主梁上层钢筋 → 按箍筋间距绑扎 → 穿次梁上层纵筋 → 按箍筋间距绑扎 → 在梁侧模板上画出箍筋间距,摆放箍筋。 1)先穿主梁的下部纵向受力钢筋及弯起钢筋,将箍筋按已画好的间距逐个分开;穿次梁的下部纵向受力钢筋及弯起钢筋,并套好箍筋;放主次梁的架立筋;隔一定间距将架立筋与箍筋绑扎牢固;调整箍筋间距使问距符合设计要求,绑架立筋,再绑主筋,主次梁同时配合进行。 2)框架梁上部纵向钢筋应贯穿中间节点,梁下部纵向钢筋伸入中间节点锚固长度及伸过中心线的长度要符合设计要求。框架梁纵向钢筋在端节点内的锚固长度也要符合设计要求。  箍筋在叠合处的弯钩,在梁中应交错绑扎,箍筋弯钩为135°,平直部分长度大于10d,如做成封闭箍时。 梁端第一个箍筋应设置在距离柱节点边缘50mm处。梁端与柱交接处箍筋应加密,其间距与加密区长度均要符合设计要求。在主、次梁受力筋下均应垫垫块(或塑料卡),保证保护层的厚度。受力筋为双排时,可用短钢筋垫在两层钢筋之间,钢筋排距应符合设计要求。 3)梁筋的搭接:采用滚轧直螺纹接头,小于20mm时,采用绑扎接头,搭接长度要符合规范的规定。搭接长度末端与钢筋弯折处的距离,不得小于钢筋直径的10倍。接头不宜位于构件最大弯矩处,搭接处应在中心和两端扎牢。接头位置应相互错开,当采用绑扎搭接接头时,在规定搭接长度的任一区段内有接头的受力钢筋截面面积占受力钢筋总截面面积百分率,受拉区不大于50%。 3.板钢筋绑扎: 工艺流程:清理模板 → 模板上画线 → 绑板下受力筋 → 绑板面受力筋 1)清理模板上面的杂物,用粉笔在模板上划好主筋,分布筋间距。按划好的间距,先摆放受力主筋、后放分布筋。预埋件、电线管、预留孔等及时配合安装。 2)在现浇板中有板带梁时,应先绑板带梁钢筋,再摆放板钢筋。绑扎板筋时一般用八字扣,钢筋的相交点应全部绑扎。双层钢筋,两层筋之间须加塑料马凳或钢筋马凳,马凳间距为1.0m*1.0m,采用梅花布置,以确保上部钢筋的位置。负弯矩钢筋每个相交点均要绑扎。在钢筋的下面垫好砂浆垫块,间距1.5m。垫块的厚度等于保护层厚度,应满足设计要求,板的保护层厚度应为15mm,钢筋搭接长度与搭接位置的要求与前面所述梁相同。 4.楼梯钢筋绑扎: 工艺流程:划位置线 → 绑主筋 → 绑分布筋 → 绑踏步筋 在楼梯底板上划主筋和分布筋的位置线。根据设计图纸中主筋、分布筋的方向,先绑扎主筋后绑扎分布筋,每个交点均应绑扎。楼梯梁时,先绑梁后绑板筋。板筋要锚固到梁内。 主筋接头数量和位置均要符合施工规范的规定。 5.质量标准 1)保证项目:钢筋的品种和质量必须符合设计要求和有关标准的规定。钢筋的表面必须清洁。带有颗粒状或片状老锈,钢筋表面应保持清洁。钢筋规格、形状、尺寸、数量、锚固长度、接头位置,必须符合设计要求和施工规范的规定。钢筋对焊接头的机械性能结果,必须符合钢筋焊接及验收的专门规定。 2)基本项目:缺扣、松扣的数量不超过绑扣数的10%,且不应集中。弯钩的朝向应正确,绑扎接头应符合施工规范的规定,搭接长度不小于规定值。箍筋的间距数量应符合设计要求,弯钩角度为135°,弯钩平直长度大于10d。 6.成品保护 柱子钢筋绑扎后,不准踩踏。楼板的弯起钢筋、负弯矩钢筋绑好后,不准在上面踩踏行走。浇筑混凝土时派钢筋工专门负责修理,保证负弯矩筋位置的正确性。绑扎钢筋时禁止碰动预埋件及洞口模板。  钢模板内面涂隔离剂时不要污染钢筋。安装电线管、暖卫管线或其他设施时,不得任意切断和移动钢筋。楼板的弯起钢筋、负弯矩筋绑好后,应加设马橙,对板筋进行保护。浇筑混凝土时派钢筋工专门负责修理,保证负弯矩筋位置的正确性。 一、本工程钢筋采用滚轧直螺纹连接接头,施工及质量要求如下: 1)直螺纹连接套筒A级的屈服承载力和抗拉载力不应小于被连接钢筋的屈服承载力和抗拉载力标准的1.10倍. 2)接头性能的各项检验应达到相关的技术标准 3)直接承受动力荷载的结构,接头除满足设计的抗疲劳性能外,其接头的百分率不应超过50%,钢筋弯折点与接头距离不宜小于200mm. 4)钢筋混凝土保护层应按现行国家标准<混凝土结构设计规范>执行,接头套筒处的保护层厚度不得小于15mm. 5)凡参与接头施工操作工人,技术管理人员和质量管理人员均经技术培训,操作工人经考核合格持证上岗. 6)钢筋和套筒应验收合格,其原材料合格证书,复试报告符合要求,套筒外观质量符合要求. 7)加工的钢筋螺纹必须与连接套筒牙形和螺距一致,经配套的量规检测合格后方能使用,加工钢筋螺纹不得使用油性润滑液. 8)经自检合格的钢筋端头螺纹,应对每种规格加工批量随机抽查10%,且不少于10个.如有1个端头螺纹不合格,即应对该批加工批进行全数检查. 9)已检验合格的钢筋端头螺纹应加以保护,戴上保护套,并按规格堆放整齐. 10)连接的钢筋用普通扳手旋合接头到位,检验外露有效丝牙在3牙之内. 11)钢筋连接开始和施工过程中,应对每批进场钢筋和接头进行检验,单向拉伸检验按验收批进行,同一施工条件下,采用同一批材料的同等级,同规格接头以500个为一验收批,不足500个也作为一个验收批.确保粗钢筋套筒的连接质量符合设计和规范的要求. 12)作业条件: 连接工必须持有有效的考试合格证。 接头位置应符合规定。 电源应符合要求。 作业场地应有安全防护设施,以及防火和必要的通风措施,防止发生烧伤、触电、中毒及火灾等事故。 13)采用直螺纹套筒连接时,必须采用现场加工抽丝,现场连接的方式进行施工。 14)钢筋下料采用专用切断机,切断面应垂直于钢筋带肋,切断面偏角不得超过4º。端头不准挠曲,不得出现马蹄形。 15)钢筋滚轧丝头不合格时,应切断重新套丝,严禁二次滚轧,若长度不够,应重新配料。 16)套筒材料、尺寸、螺纹规格、公差、精度等应符合产品设计及规范要求,并提供供货单位的质保证明。 17)钢筋滚轧好以后采用专用塑料保护帽盖好,防止丝牙受损。滚轧时根据钢筋直径大小采用不同的丝扣滚轧,滚轧的丝口长度必须符合规范和操作规程的要求。 18)钢筋连接时,取掉塑料保护帽,采用专用扳手将其拧紧到位。直径Φ(Ⅲ)16为118牛·米,直径Φ(Ⅲ)直径18为145牛·米Φ(Ⅲ)20钢筋为177牛·米,直径Φ(Ⅲ)22钢筋为216牛·米,直径Φ(Ⅲ)25~28为275牛·米,直径Φ(Ⅲ)32为314牛·米。直径Φ(Ⅲ)36~40为343牛·米 19)钢筋连接时,套筒两端处露丝的丝扣不超过1个完整扣,连接好后,做好标记,立即报于质检人员抽查备案。 二、质量控制措施 1、钢筋搭接连时,若钢筋规格不同,应按规格较低的进行计算搭接长度。 2、钢筋采用套筒连接时,必须注意钢筋规格与套筒规格是否一致。 3、检查钢筋螺纹丝扣是否完好。 4、必须采用专用的扭矩扳手。 5、连接完成,作好记录准备抽查。 浇筑混凝土前检查钢筋位置是否正确,振捣混凝土时防止碰动钢筋,浇完混凝土后立即修整甩筋的位置,防止柱筋、墙筋位移。 梁、柱核心区箍筋应加密,熟悉图纸按要求施工。箍筋末端应弯成135°,平直部分长度大于10d。梁主筋进支座长度要符合设计要求,弯起钢筋位置应准确。 板的弯起钢筋和负弯矩钢筋位置应准确,施工时不应踩到下面。绑板的钢筋时用尺杆划线,绑扎时随时找正调直,防止板筋不顺直,位置不准。绑竖向受力筋时要吊正,搭接部位绑3个扣,绑扣不能用同一方向的顺扣。层高超过4m时,搭架子进行绑扎,并采取措施固定钢筋,防止柱、墙钢筋骨架不垂直。 1、建立以项目经理为组长、专职安全员为副组长和其它主要管理人员参加的项目施工安全生产领导小组,各作业层设兼职安全员,形成一个安全生产保证体系,专职安全员授予“三权”即罚款权、停工整改权、越级上告权。 2、建立健全安全生产各项管理制度和按建设部、公司安全生产“十三套”管理资料要求加强施工现场的安全生产管理、严格执行奖、罚制度。 3、做好新工人入场“三级”教育和新设备、新工艺、交换工种安全教育,积极组织职工开展各种安全生产活动。努力提高全体员工安全意识和增强自我保护意识。 4、建立健全各级安全生产责任制度,层层签订安全管理协议,做到安全生产横向到边,纵向到底,坚决执行上级“谁主管、谁负责”的安全生产管理原则,责任落实情况与月季度奖金挂钩,奖罚兑现。 5、电工、电焊工、机械操作工等各种工作人员必须经江苏省劳动局特殊工种作业培训,经考试合格,持证上岗,严禁无证违章操作。 6、正确使用安全“三宝”,进入施工现场必须正确佩戴安全帽,悬空高处作业必须拴好安全带,危险部位必须张挂安全网或安全防护棚,栏杆防护。 7、严禁穿“三鞋”即拖鞋、高跟鞋、硬底鞋进入施工现场,违者罚款。 8、严禁“酒后”作业、违者罚款。 9、施工现场安全生产管理严格执行建设部 JGJ59—99检查评分标准以及江苏省建筑工程管理局编制的《建筑工程安全生产常用手册》(1999年5月)规定精心组织施工。 10、按上级规定,施工现场应张挂五牌一图的安全警视标志牌,安全宣传标语牌。 1、在工地四周的围墙建筑物、办公室外墙等地方,设置反映企业精神、时代风貌的醒目宣传标语,工地内设置黑板报等宣传设施,及时反映工地内各类动态。 2、开展文明教育,施工人员均应遵守市民文明规范。 3、加强班组建设,有三上岗一讲评的安全记录,有良好的班容班貌。项目部给施工班组提供一定的活动场所,提高班组整体素质。 4、工地现场做到道路畅通、平坦整洁,不乱堆乱放,无散落物,建筑物周围浇捣散水坡,四周保持洁净,地面平整不积水。无散落的“五头”、及散落物,场地排水构成系统,并畅通不堵。 5、基础施工时,地面四周按硬地坪要求进行施工。 6、加强工地治安综合治理,做到目标管理、制度落实、责任到人。施工现场安全防范措施有力,重点要害部位防范设施有效到位。 7、施工现场的施工队伍的人员组织应情况明了,并建立档案卡片,与施工队伍签订治安防火协议书,对施工队伍人员加强法制教育。 8、现场施工人员按不同工作单位岗位佩带不同颜色的安全帽。
展开阅读全文

开通  VIP会员、SVIP会员  优惠大
下载10份以上建议开通VIP会员
下载20份以上建议开通SVIP会员


开通VIP      成为共赢上传

当前位置:首页 > 品牌综合 > 施工方案/组织设计

移动网页_全站_页脚广告1

关于我们      便捷服务       自信AI       AI导航        抽奖活动

©2010-2026 宁波自信网络信息技术有限公司  版权所有

客服电话:0574-28810668  投诉电话:18658249818

gongan.png浙公网安备33021202000488号   

icp.png浙ICP备2021020529号-1  |  浙B2-20240490  

关注我们 :微信公众号    抖音    微博    LOFTER 

客服