收藏 分销(赏)

数字电路设计仿真.doc

上传人:仙人****88 文档编号:8110388 上传时间:2025-02-04 格式:DOC 页数:4 大小:274.50KB 下载积分:10 金币
下载 相关 举报
数字电路设计仿真.doc_第1页
第1页 / 共4页
数字电路设计仿真.doc_第2页
第2页 / 共4页


点击查看更多>>
资源描述
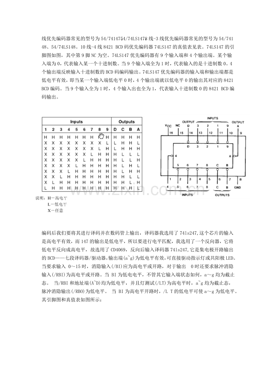
数字电路设计仿真(抢答器显示部分) 一、 设计任务与要求 1、 抢答器同时供8名选手或8个代表队比赛,分别用8个按钮S0 ~ S7表示。 2、 显示功能。即选手按动按钮,并在LED数码管上显示,同时扬声器发出报警声响提示。 6、默认显示器上显示00。 三、设计原理与参考电路 如图所求,电路用到了三个数字芯片,分别是编码器,译码器和反向器 功能说明:按键没有按下时,数码管显示为0,当按下时,显示相应的数字,这里我选用了一个优先编译器,优先编码器是当多个输入端同时有信号时,电路只对其中优先级别最高的输入信号进行编码。常用的集成优先编码器IC有10线-4线、8线-3线两种。10线-4线优先编码器常见的型号为54/74147、54/74LS147,8线-3线优先编码器常见的型号为54/74148、54/74LS148。10线-4线8421 BCD码优先编码器74LS147的真值表见表。74LS147的引脚图如图,其中第9脚NC为空。74LS147优先编码器有9个输入端和4个输出端。某个输入端为0,代表输入某一个十进制数。当9个输入端全为1时,代表输入的是十进制数0。4个输出端反映输入十进制数的BCD码编码输出。74LS147优先编码器的输入端和输出端都是低电平有效,即当某一个输入端低电平0时,4个输出端就以低电平0的输出其对应的8421 BCD编码。当9个输入全为1时,4个输入出也全为1,代表输入十进制数0的8421 BCD编码输出。 编码后我们要将其进行译码并在数码管上输出,译码器我选用了74ls247,这个芯片的输入是高电平有效,而147的输出是低电平,所以要进行电平匹配,我选用了一个反向器,它将低电平反向成高电平,故选用了CD4069,反向后输入译码器74ls247,它是集电极开路输出的BCD——七段译码器/驱动器,输出端(a~g)为低电平有效,可直接驱动指示灯或共阳极LED。 当要求输入 0~15时,消隐输入(/BI)应为高电平或开路,对于输出 0时还要求脉冲消隐输入(/RBI)为高电平或开路。当 BI为低电电平,不管其它输入端状态如何,a~g均为截止态。 当/RBI和地址端(A~D)均为低电平,并且灯测试(/LT)为高电平时,a~g均为截止态,脉冲消隐输出(/RBO)为低电平。 当 BI为高电平开路时,/L T的低电平可使a~g为低电平。 其引脚图和真值表如图所示: 根据说明,247可以直接驱动共阳数码管,可是在仿真时发现数码管不亮,检查发现电流不够,但是在实际搭接电路中它是可以点亮数码管,为了仿真可以实现我就又加了一级三极管驱动,这样就解决了上面的问题。仿真的结果如图:
展开阅读全文

开通  VIP会员、SVIP会员  优惠大
下载10份以上建议开通VIP会员
下载20份以上建议开通SVIP会员


开通VIP      成为共赢上传

当前位置:首页 > 教育专区 > 小学其他

移动网页_全站_页脚广告1

关于我们      便捷服务       自信AI       AI导航        抽奖活动

©2010-2025 宁波自信网络信息技术有限公司  版权所有

客服电话:0574-28810668  投诉电话:18658249818

gongan.png浙公网安备33021202000488号   

icp.png浙ICP备2021020529号-1  |  浙B2-20240490  

关注我们 :微信公众号    抖音    微博    LOFTER 

客服