收藏 分销(赏)

第三章--机床电气控制-PPT课件.ppt

上传人:可**** 文档编号:802725 上传时间:2024-03-22 格式:PPT 页数:37 大小:11.78MB 下载积分:11 金币
下载 相关 举报
第三章--机床电气控制-PPT课件.ppt_第1页
第1页 / 共37页
第三章--机床电气控制-PPT课件.ppt_第2页
第2页 / 共37页


点击查看更多>>
资源描述
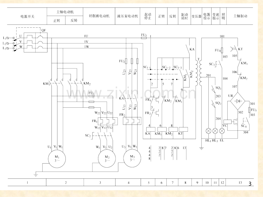
第三章 机床电气控制 第一节 卧式车床电气控制 第二节 磨床电气控制 第三节 摇臂钻床电气控制 第四节 铣床电气控制 第五节 组合机床电气控制 第六节 起重机电气控制 第七节 机床电气控制电路的故障及处理 习 题1第一节 卧式车床电气控制 一、卧式车床主要结构及运动形式 卧式车床的结构示意图2 二、电力拖动的要求与控制特点 三、CM6132型车床电气控制 CM6132型卧式车床电气控制电路 31.主轴电动机控制(1)主轴电动机正、反向旋转控制表3-1 转换开关SC1动作触点触点操作手柄位置操作手柄位置向上向上中间中间向下向下SC11(12)SC12(25)SC13(27)(2)主轴电动机的停机制动控制(3)主轴的变速控制2.切削液泵电动机控制3.液压泵电动机控制44.联锁、保护环节、信号与照明电路(1)联锁环节 (2)保护环节(3)信号显示电路(4)照明电路56第二节 磨床电气控制 一、主要结构及运动形式M7140卧轴矩台平面磨床结构示意图 二、电力拖动及控制要求 1.控制方案 2.电力拖动控制系统7三、M7140型平面磨床电气控制M7140磨床电气控制线路8 2.电磁吸盘控制电路 (1)电磁吸盘构造与工作原理 电磁吸盘结构、工作原理示意图 1.电动机控制电路 (1)主电路 (2)控制电路9 3.其他环节电路 (1)液压自动进给 (2)保护环节电路 1)短路、过载保护 2)电磁吸盘保护环节 4.连锁、保护及其他环节(2)电磁吸盘控制电路 下图所示为交流去磁器构造和工作原理示意图。10第三节 摇臂钻床电气控制 一、主要结构及运动形式 Z3040摇臂钻床结构示意图 11 二、电力拖动方案与拖动要求夹紧机构液压系统原理图12 三、Z3040型摇臂钻床电气控制电路 Z3040型摇臂钻床电气控制电路图13 1.主轴电动机控制 2.摇臂升降控制 3.夹紧、松开控制 4.切削液泵电动机控制 5.联锁、保护环节 6.照明与信号指示电路14第四节 铣床电气控制一、铣床结构和运动方式 X6132型铣床外形结构示意图二、电力拖动的特点和要求15三、X6132型卧式铣床的电气控制 X6132型卧式铣床的电气控制线路原理图16 1.主轴电动机控制 (1)主轴电动机启动 (2)主轴电动机停机 (3)主轴的变速冲动 (4)主轴换刀时控制 转换开关触点SC5动作见表3-2。表3-2 转换开关SC5动作触点触点线端标号线端标号操作手柄位置操作手柄位置顺铣顺铣停止停止逆铣逆铣SC51U21W1SC52U21U1SC53W21W1SC54W21U1172.工作台进给运动控制 (1)工作台的左、右进给运动 (2)工作台前后进给运动和上、下进给运动 (3)圆工作台的工作 (4)进给变速运动 (5)工作台快速移动 圆工作台开关SC1动作见表3-3。表3-3 圆工作台开关SC1动作触点触点线端标号线端标号操作手柄位置操作手柄位置圆工作台工作圆工作台工作圆工作台不工作圆工作台不工作SC111525SC122531SC13232918 3.切削液泵电动机的控制与照明系统4.控制电路的联锁与保护 (1)主运动与进给运动的顺序联锁 (2)工作台六个进给运动方向间的联锁 (3)圆工作台工作与六个方向进给运动间的联锁 (4)进给变速冲动不允许工作台作任何方向的进 给运动联锁 (5)保护环节20 四、X52K立式铣床电气控制 X52K立式铣床电气控制电路21第五节 组合机床电气控制 一、机床结构与工作循环 二面加工组合机床结构示意图 22 组合机床工作循环图 23三、电气控制电路 1.电力拖动控制要求 2.电动机控制电路 3.液压动力滑台控制 4.照明电路 5.保护与调整环节24第六节 起重机电气控制 一、概述 1.桥式起重机主要结构与运动方式桥式起重机结构示意图25 2.桥式起重机主要技术参数 (1)起重量 (2)工作类型 (3)跨度 (4)提升高度 (5)运行和提升速度 3.起重机电气控制的要求和特点 二、15/3T中级桥式起重机电气控制 1.主电路 2.控制保护电路 3.起重机构电路的工作过程2615/3T中级桥式起重机电气控制27第七节 机床电气控制电路的故障及处理 机床或机械设备在运行中要受到各种各样因素的影响,会出现许多不正常现象,即故障,造成生产不安全或无法正常生产。1.故障分析方法 2.查找故障点的方法 3.机床故障检查、检修过程中应注意几点28以X6132铣床为例分析电气故障和排除方法,见下表故障现象故障现象故障原因故障原因排除方法排除方法M1电动机无法起动电动机无法起动1.主电路方向主电路方向(1)三相电源电压不正常)三相电源电压不正常(2)FU1熔断器溶体熔断熔断器溶体熔断(3)KM1主触点接触不良主触点接触不良(4)SC5开关触点接触不良开关触点接触不良(5)FR1有断相有断相(6)M1绕组断相,三相接点松脱绕组断相,三相接点松脱(7)从电源进线到电机端各接点松脱或连接线断线)从电源进线到电机端各接点松脱或连接线断线2.KM1接触器无法吸合接触器无法吸合(1)FU1熔断熔断(2)FU4熔断熔断(3)T1变压器绕组断线变压器绕组断线(4)SQ7常闭点接触不好常闭点接触不好(5)SB3、SB4接触不好接触不好(6)SB1、SB2接触不好接触不好(7)SC2常闭触点接触不良常闭触点接触不良(8)KM1线圈断电线圈断电(9)FR1、FR2常闭触点接触不良常闭触点接触不良(10)KM1线圈回路各接点接触不良或连接线断线线圈回路各接点接触不良或连接线断线(1)用万用表检测三相电源电压,若电源正常,)用万用表检测三相电源电压,若电源正常,再测电源进线知道电动机端点,判断哪点有故障,再测电源进线知道电动机端点,判断哪点有故障,并加以排除并加以排除(2)用万用表电阻挡检测各电气及其接点有否)用万用表电阻挡检测各电气及其接点有否断路现象,并排除断路现象,并排除(3)检测电动机本身有否断线,若断线,则更)检测电动机本身有否断线,若断线,则更换电动机,若松脱,则接牢线端换电动机,若松脱,则接牢线端(4)若各电器触点接触不良,则处理触点使其)若各电器触点接触不良,则处理触点使其接触良好接触良好(5)各溶体有熔断时,应换溶体)各溶体有熔断时,应换溶体(6)更换损坏的器件)更换损坏的器件29故障现象故障现象故障原因故障原因排除方法排除方法主轴电动机无法控制主轴电动机无法控制(1)T3变压器有断线变压器有断线(2)UR整流器有断线整流器有断线(3)FU2、FU3熔丝熔断熔丝熔断(4)SC21、SB3、SB4常开触点接触不良常开触点接触不良(5)YC1线圈断线线圈断线(6)YC1供电回路各接点有松脱或断线供电回路各接点有松脱或断线(1)检查各器件有否断线,若有更换)检查各器件有否断线,若有更换(2)检查各接点接触情况及连线有否松脱,)检查各接点接触情况及连线有否松脱,若有将其接牢若有将其接牢(3)FU2、FU3熔丝更换熔丝更换(4)检查各连接线有否断线,若有更换)检查各连接线有否断线,若有更换工作台右、前、下无法工作,工作台右、前、下无法工作,其他方向均正常其他方向均正常1.SQ1、SQ3常开触点接触不良常开触点接触不良2.接点(接点(2931)之间有断线或松脱)之间有断线或松脱1.修整修整SQ1、SQ3触点触点2.更换断线或拧紧接点更换断线或拧紧接点工作台无法实现冲动,其他工作台无法实现冲动,其他工作正常工作正常1.SQ61触点接触不良触点接触不良2.接点(接点(1731)之间有断线或松脱)之间有断线或松脱1.修整修整SQ6触点触点2.更换断线或拧紧接点更换断线或拧紧接点工作台无法实现快速移动,工作台无法实现快速移动,进给工作正常进给工作正常1.KM2不吸合不吸合(1)SB5、SB6触点接触不良触点接触不良(2)KM2线圈断线或松脱线圈断线或松脱(3)接点()接点(9138)之间有断线或松脱)之间有断线或松脱2.KM2吸合,吸合,YC3不动作,不动作,YC3线圈断线,或接点松脱或线圈断线,或接点松脱或YC3供电回路电器有损坏供电回路电器有损坏3.机械传动链有问题机械传动链有问题1.修复触点,拧紧接点,更换接线修复触点,拧紧接点,更换接线2.更换器件更换器件3.查找机械故障查找机械故障(续)30习 题 3-1 CM6132卧式车床控制电路中M1、M2、M3三台电动机各起什么作用?它们由哪些控制环节组成?3-2 简述CM6132卧式车床的主轴电动机停机时的电路工作过程。3-3 分析CM6132卧式车床电路中中间继电器KA的作用是什么?3-4 分析CM6132卧式车床电路中主轴电动机反向工作,停机时呈自然停机是何原因?31 3-5 见图3-3CW6136A型卧式车床电气控制电路 (1)叙述电动机M1有几种工作状态。(2)M1电动机反向高速工作时,应如何操作有关电器,处于什么状态?并写出电路工作过程。3-6 简述M7140平面磨床,进行磨削加工时应如何操作有关电器?3-7 M7140平面磨床电磁吸盘线圈为什么要采用直流供电?3-8 M7140平面磨床电气控制电路中利用哪些电器实现什么保护?323-9 分析M7140平面磨床电气控制电路中SC2处于“励磁”位置,此时开动砂轮电动机和液压泵电动机均无法工作是何原因?3-10 简述Z3040摇臂钻床电气控制电路中,摇臂要下降一定位置有哪几台电动机工作?并叙述电路工作过程。3-11 分析Z3040摇臂钻床电路中,时间继电器KT各触点的作用。3-12 分析Z3040摇臂钻床电路中,行程开关SQ1、SQ2、SQ3及SQ4的作用。333-13 Z3040摇臂钻床,在电气大修后发现三根电源进 线相序改变了,此时若操作各按钮,机床各运动 部件将出现什么现象?3-14 X6132铣床电气控制电路由哪些基本环节组成?3-15 简述X6132铣床主轴变速冲动时电路工作过程。3-16 指出X6132铣床工作台作向左进给运动时进给电 动机的工作状态,及其控制电路的工作过程。3-17 X6132铣床工作台要快速移动时,应如何操作有 关电器?3-18 X6132铣床作圆工作台加工时,电路中有关电器 应处于什么状态?34 3-19 X6132铣床工作台变速冲动时,应如何操作,有关的主令电器应处于什么状态?3-20 讨论X6132铣床电气控制电路中,通过哪些电器实现什么联锁?3-21 分析X6132铣床电气控制电路中,出现下列故障现象的原因?1)主轴电动机停机时,发现主轴没制动。2)工作台无法实现向前、向下进给运动。3)工作台无法实现向左进给运动。4)工作台无法实现快速移动。35 3-22 分析图3-13 X52K立式铣床与图3-12 X6132卧式铣床电气控制电路中哪些控制环节相同,哪些控制环节不同。3-23 简述图3-13 X52K立式铣床电气控制电路中,工作台在主轴不工作时,要向左快速移动的电路工作情况。3-24 简述图X52K立式铣床电路,主轴M1电动机停转时发现无制动,试分析其故障原因。3-25 分析图3-17组合机床电气控制电路中,行程开关SQ1、SQ2、SQ3及SQ4的作用。36 3-26 图3-17组合机床电气控制电路中,若不用SC1开关有什么不妥?3-27 15/3t桥式起重机电气控制电路中,通过哪些电器实现什么保护?3-28 叙述副钩于上升5位置时,提升电路的工作过程,并画出电动机工作的机械特性曲线。3-29 安装15/3t桥式起重机电气控制电路中,总共采用几根滑线?37
展开阅读全文

开通  VIP会员、SVIP会员  优惠大
下载10份以上建议开通VIP会员
下载20份以上建议开通SVIP会员


开通VIP      成为共赢上传

当前位置:首页 > 包罗万象 > 大杂烩

移动网页_全站_页脚广告1

关于我们      便捷服务       自信AI       AI导航        抽奖活动

©2010-2026 宁波自信网络信息技术有限公司  版权所有

客服电话:0574-28810668  投诉电话:18658249818

gongan.png浙公网安备33021202000488号   

icp.png浙ICP备2021020529号-1  |  浙B2-20240490  

关注我们 :微信公众号    抖音    微博    LOFTER 

客服