收藏 分销(赏)

公路工程07定额勘误表.doc

上传人:pc****0 文档编号:7797681 上传时间:2025-01-17 格式:DOC 页数:29 大小:1.74MB 下载积分:10 金币
下载 相关 举报
公路工程07定额勘误表.doc_第1页
第1页 / 共29页
公路工程07定额勘误表.doc_第2页
第2页 / 共29页


点击查看更多>>
资源描述
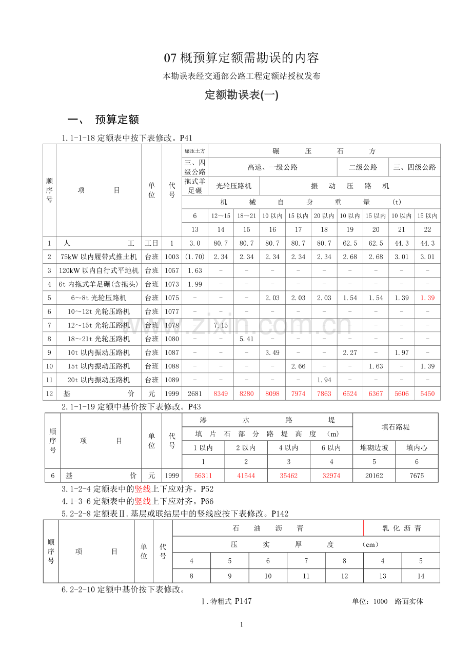
07概预算定额需勘误的内容 本勘误表经交通部公路工程定额站授权发布 定额勘误表(一) 一、 预算定额 1. 1-1-18定额表中按下表修改。P41 顺 序 号 项 目 单 位 代 号 碾压土方 碾 压 石 方 三、四级公路 高速、一级公路 二级公路 三、四级公路 拖式羊足碾 光轮压路机 振 动 压 路 机 机 械 自 身 重 量 (t) 6 12~15 18~21 10以内 15以内 20以内 10以内 15以内 10以内 15以内 13 14 15 16 17 18 19 20 21 22 1 人 工 工日 1 3.0 80.7 80.7 80.7 80.7 80.7 62.5 62.5 44.3 44.3 2 75kW以内履带式推土机 台班 1003 (1.70) 2.34 2.34 2.34 2.34 2.34 2.68 2.68 3.01 3.01 3 120kW以内自行式平地机 台班 1057 1.63 - - - - - - - - - 4 6t内拖式羊足碾(含拖头) 台班 1073 1.99 - - - - - - - - - 5 6~8t光轮压路机 台班 1075 - - - 2.03 2.03 2.03 1.54 1.54 1.39 1.39 6 10~12t光轮压路机 台班 1077 - - - - - - - - - - 7 12~15t光轮压路机 台班 1078 - 7.15 - - - - - - - - 8 18~21t光轮压路机 台班 1080 - - 5.41 - - - - - - - 9 10t以内振动压路机 台班 1087 - - - 3.49 - - 2.27 - 1.97 - 10 15t以内振动压路机 台班 1088 - - - - 2.66 - - 1.63 - 1.39 11 20t以内振动压路机 台班 1089 - - - - - 1.94 - - - - 12 基 价 元 1999 2681 8349 8280 8098 7974 7863 6524 6367 5606 5450 2. 1-1-19定额中基价按下表修改。P43 顺 序 号 项 目 单 位 代 号 渗 水 路 堤 填石路堤 填 片 石 部 分 路 堤 高 度 (m) 1以内 2以内 4以内 6以内 堆砌边坡 填内心 1 2 3 4 5 6 6 基 价 元 1999 56311 41544 35462 32974 20162 7675 3. 1-2-4定额表中的竖线上下应对齐。P52 4. 1-3-6定额表中的竖线上下应对齐。P66 5. 2-2-8定额表Ⅱ.基层或联结层中的竖线应按下表修改。P142 顺 序 号 项 目 单 位 代 号 石 油 沥 青 乳 化 沥 青 压 实 厚 度 (cm) 4 5 6 7 8 4 5 8 9 10 11 12 13 14 6. 2-2-10定额中基价按下表修改。 Ⅰ.特粗式 P147 单位:1000路面实体 顺序号 项 目 单 位 代 号 沥 青 混 合 料 拌 和 设 备 生 产 能 力 (t/h) 30以内 60以内 120以内 160以内 240以内 320以内 1 2 3 4 5 6 23 基 价 元 1999 475773 455317 452871 449713 448750 448371 Ⅱ.粗粒式P149 单位:1000路面实体 顺 序 号 项 目 单 位 代 号 沥 青 混 合 料 拌 和 设 备 生 产 能 力 (t/h) 30以内 60以内 120以内 160以内 240以内 320以内 7 8 9 10 11 12 22 基 价 元 1999 500257 479668 477197 474022 473056 472670 Ⅲ.中粒式 P151 单位:1000路面实体 顺 序 号 项 目 单 位 代 号 沥 青 混 合 料 拌 和 设 备 生 产 能 力 (t/h) 30以内 60以内 120以内 160以内 240以内 320以内 13 14 15 16 17 18 21 基 价 元 1999 519162 498583 495980 492834 491971 491485 Ⅳ.细粒式 P152 单位:1000路面实体 顺 序 号 项 目 单 位 代 号 沥 青 混 合 料 拌 和 设 备 生 产 能 力 (t/h) 30以内 60以内 120以内 160以内 240以内 320以内 19 20 21 22 23 24 20 基 价 元 1999 541407 520826 518307 515054 514282 513702 7. 3-1-21定额中第3个子目的序号5的数量将“10.100”改为“0.01”。P232 8. 3-4-5定额工程内容第2段的“拼装检查”改为“拆装检查”;定额表头中的“拼装检查”改为“拆装检查”。P258 P259 9. 3-4-6定额表中竖线错位,按下表修改。P260 顺 序 号 项 目 单 位 代 号 室内消火栓 室外地下式消火栓 水泵接合器 单栓 双栓 1.0Mpa 1.6Mpa DN100 DN150 1 2 3 4 5 6 10. 4-2-11定额表头中第9个子目将“20以内”改为“25以内”。P317 P318 11. 4-4-8定额表中Ⅱ.钢护筒的单位应为“单位:1t” P435 12. 4-5-2定额第7个子目的基价将“2072”改为“1992”。P441 13. 4-7-17定额表头中第5个子目将“安装临时支座”改为“安拆临时支座”。P553 14. 4-7-30定额表头中第17~21子目按下表修改。P597 P598 顺 序 号 项 目 单 位 代 号 支 座 反 力 (KN) STU支座 抗风支座 50000 55000 60000 17 18 19 20 21 15. 4-10-12定额中序号5整行调整为序号3、序号3整行调整为序号4、序号4整行调整为序号5。P661 16. 4-10-18定额中序号19整行调整为序号16、21整行调整为序号17、序号16整行调整为序号18、序号17整行调整为序号19、序号18整行调整为序号20、序号20整行调整为序号21。P672 P673 17. 第六章第二节说明第2条第(5)项修改为“设备基础和隐蔽管线施工(收费岛除外)”。P807 18. 6-2-9中第4个子目按下表中数据修改。P827 顺 序 号 项 目 单 位 代 号 监控(分)中心 收费(分)中心 5个站以内 10个站以内 每增加1个站 5个站以内 10个站以内 每增加1个站 1 2 3 4 5 6 1 人 工 工日 1 60.0 2 其 他 材 料 费 元 996 577.8 3 90kW以内工程修理车 台班 1987 10.00 4 小 型 机 具 使 用 费 元 1998 161.1 5 基 价 元 1999 8972 19. 6-7-7定额表头中第1个子目的单位按下表中数据修改。P934 顺 序 号 项 目 单 位 代 号 松土除草 追 肥 乔 木 (胸径:cm) 绿篱、地被 10以下 20以下 20以上 100m2 100株 100m2 1 2 3 4 5 20. 7-1-3定额第1个子目的基价将“28950”改为“30185”。P949 21. 9-1-6定额表头“单位1003及100t”改为“单位100m3及100t”。P981 22. 定额附录四中需修改 (1) 序号7的名称将“C10片石混凝土”改为“C10水泥混凝土”。P1032 (2) 序号9~16的单价全部改为0。P1032-1033 (3) 序号101的单位质量将“0.45”改为“1.1”。P1038 (4) 序号102的单位质量将“1”改为“4.82”。P1038 (5) 序号234的单位质量中“套”取消。P1045 (6) 序号297的单位质量将“450”改为“0.45”。P1048 (7) 序号356的单位将“㎏”改为“t”。P1051 (8) 序号360的单位质量将“1”改为“1000”。P1051 二、 概算定额 1. 2-1-7定额表头按下表修改。P136 P137 顺 序 号 项 目 单 位 代 号 水泥砂 水泥砂砾 水泥碎石 水泥∶砂∶土 10∶83∶7 水 泥 剂 量 5 % 压实厚度15cm 每增减1cm 压实厚度15cm 每增减1cm 压实厚度15cm 每增减1cm 1 2 3 4 5 6 2. 3-4-2定额工作内容的“拼装检查”改为“拆装检查”。P291` 3. 3-4-3定额工作内容的“拼装检查”改为“拆装检查”。P292 4. 3-4-5定额工作内容的“拼装检查”改为“拆装检查”。P294 5. 5-1-1定额表头按下表修改。P340 顺 序 号 项 目 单 位 代 号 竹 笼 围 堰 筑岛填心 围 堰 高 (m) 1.5 2.5 3.5 4.0 5.0 10m 10m3 9 10 11 12 13 14 6. 5-1-6定额表头中第8个子目将“20以内”改为“25以内”。P365 7. 5-1-14定额中第99个子目序号1将“24.9”改为“24.8”。P413 8. 5-1-18定额代号中序号25将“998”改为“1998”。P514 9. 5-2-3定额中第19个子目序号3的用量将“7”改为“17”。P530 10. 5-3-6定额表头按下表修改。(P575~P577) 顺 序 号 项 目 单 位 代 号 连 续 梁 桁 架 梁 干处悬拼 水上悬拼 顶 推 悬 拼 非泵送 泵送 非泵送 泵送 6 7 8 9 10 11 11. 5-3-8定额中序号17的工料机名称将“白石子”改为“矿粉”、单位将“m3”改为“t”、代号将“950”改为“949”。P582 12. 5-3-34定额表头按下表修改。P643 顺 序 号 项 目 单 位 代 号 单笼电梯 双笼电梯 安 装 高 度 (m) 75以内 100以内 150以内 100以内 200以内 5 6 7 8 9 13. 5-3-36定额表头按下表修改。P646 顺 序 号 项 目 单 位 代 号 干砌圬工 浆砌圬工 凿除混凝土及 钢筋混凝土 炸除混凝土及 钢筋混凝土 拆除简支梁 木桥 拆除桁架 木桥 10m3 10m 1 2 3 4 5 6 14. 5-4-1定额按下表修改。P653 Ⅱ.预制混凝土钢筋 单位:1t钢筋 顺 序 号 项 目 单 位 代 号 基 础 上 部 结 构 人行道构件 小型构件 桩 护筒 板 拱 梁 13 14 15 16 17 18 19 1 人 工 工日 1 6.8 9.5 7.2 9.9 10.0 7.5 6.2 2 光 圆 钢 筋 t 111 0.088 1.025 0.210 0.296 0.196 0.820 1.025 3 带 肋 钢 筋 t 112 0.937 - 0.815 0.729 0.829 0.205 - 4 电 焊 条 kg 231 - - 2.7 4.3 2.1 1.0 - 5 20~22 号 铁 丝 kg 656 4.2 5.8 3.6 4.6 4.1 2.8 4.2 6 30kN内单筒慢动卷扬机 台班 1499 - - - - 0.14 - - 7 32kVA内交流电弧焊机 台班 1726 - - 0.48 0.87 0.45 0.28 - 8 75kVA以内交流对焊机 台班 1745 0.18 - - - - - - 9 100kVA以内交流对焊机 台班 1746 - - - 0.04 0.09 - - 10 小 型 机 具 使 用 费 元 1998 23.5 4.9 20.4 23.2 24.5 15.6 14.1 11 基 价 元 1999 3887 3892 3925 4114 4093 3840 3729 15. 第六章第二节说明第2条第(5)项修改为“设备基础和隐蔽管线施工(收费岛除外)”。P683 16. 6-2-9定额按下表中数据修改。P703 顺 序 号 项 目 单 位 代 号 监控(分)中心 收费(分)中心 5个站以内 10个站以内 每增加1个站 5个站以内 10个站以内 每增加1个站 1 2 3 4 5 6 1 人 工 工日 1 60.6 111.1 10.1 60.6 84.8 12.1 2 其 他 材 料 费 元 996 987.0 1751.0 185.9 577.8 966 117.6 3 90kW以内工程修理车 台班 1987 10.10 20.20 3.03 10.10 20.20 2.02 4 小 型 机 具 使 用 费 元 1998 162.7 325.3 49.6 162.7 307.4 33.5 5 基 价 元 1999 9465 18210 2333 9056 16113 1813 顺 序 号 项 目 单 位 代 号 收 费 站 收费系统与 监控系统互联 联网收费 结算中心 5车道以内 10车道以内 15车道以内 每增加1车道 7 8 9 10 11 12 1 人 工 工日 1 42.4 60.6 84.8 4.8 48.5 242.4 2 其 他 材 料 费 元 996 252.0 330.8 546.0 56.7 682.5 1905.5 3 90kW以内工程修理车 台班 1987 - - - - - - 4 小 型 机 具 使 用 费 元 1998 38.6 64.7 90.9 9.0 152.6 447.6 5 基 价 元 1999 2377 3377 4809 302 3221 14279 定额勘误表二 一、预算定额 1.3-1-8定额按下表修改: P214 顺序号 项 目 单 位 代 号 混凝土 钢纤维混凝土 1 2 1 人工 工日 1 31.5 39.1 2 C25喷射混凝土 m3 92 (12.00) (12.00) 3 锯材 m3 102 0.009 0.009 4 略 2.3-1-18定额第3个子目按下表修改: P228 顺序号 项 目 单 位 代 号 浆砌片石 浆砌块石 片石混凝土 混凝土 钢筋 10 m3 1t 1 2 3 4 5 1 人工 工日 1 18.7 20.8 23.5 24.4 10.7 2 C25片石混凝土 m3 14 - - - - - 3 C25水泥混凝土 m3 19 - - (8.67) (10.20) - 4 M10水泥砂浆 m3 67 (3.59) (2.87) - - - 5 原木 m3 101 0.043 0.043 0.012 0.012 - 6 略 3.3-2-2定额按下表修改: P238 顺序号 项 目 单 位 代号 片石混凝土 混凝土 钢筋 10 m3 1t 1 2 3 1 人工 工日 1 16.9 18.9 8.1 2 C25片石混凝土 m3 14 - - - 3 C25水泥混凝土 m3 19 (8.67) (10.20) - 4 原木 m3 101 0.072 0.072 - 5 略 4. 3-3-6定额按下表修改: P249 顺序号 项 目 单 位 代 号 喷射混凝土 模筑混凝土 锚杆 钢筋 10 m3 1t 1 2 3 4 1 人工 工日 1 26.5 17.2 56.2 17.9 2 C25水泥混凝土 m3 19 - (10.20) - - 3 C25喷射混凝土 m3 92 (11.50) - - - 4 1:1水泥砂浆 m3 - - - (0.34) - 5 原木 m3 101 - 0.015 0.001 - 6 略 5.4-2-11定额第2个子目按下表修改: P315 顺序号 项 目 单 位 代 号 开挖 混凝土 钢筋 10 m3 1t 1 2 3 1 人工 工日 1 0.9 22.9 13.8 2 C20水泥混凝土 m3 18 (0.38) - - 3 C20泵送混凝土 m3 46 - (10.40) - 4 锯材 m3 102 - 0.171 - 5 带肋钢筋 T 112 - - 1.025 6 电焊条 Kg 231 - - 5.1 7 钢模板 T 271 - 0.015 - 8 铁件 Kg 651 - 35.4 - 9 20-22号铁丝 Kg 656 - - 2.9 10 32.5级水泥 T 832 0.113 3.380 - 11 水 m3 866 - 12 - 12 中(粗)砂 m3 899 0.19 6.14 - 13 碎石(4cm) m3 952 0.32 7.8 - 14 其他材料费 元 996 0.1 11.6 - 15 0.6 m3以内履带式单斗挖掘机 台班 1027 0.09 - - 16 30 m3/h以内混凝土输送泵 台班 1314 - 0.13 - 17 32KV.A以内交流电弧焊机 台班 1726 - - 2.24 18 小型机具使用费 元 1998 - - 21.6 19 基价 元 1999 155 3580 4464 6.4-4-7定额第3个子目按下表修改: P429 顺序号 项 目 单 位 代 号 人工挖孔 卷扬机配吊斗 起重机配吊斗 输送泵 10 m3 1 2 3 1 人工 工日 1 13.0 5.9 0.5 2 C25水泥混凝土 m3 19 (10.20) (10.20) - 3 C25水下混凝土 m3 29 - - - 4 C25泵送混凝土 m3 47 - - (10.40) 5 32.5级水泥 t 832 3.417 3.417 3.869 6 水 m3 866 12 12 12 7 中(粗)砂 m3 899 4.90 4.90 6.03 8 碎石(4cm) m3 952 8.47 8.47 7.59 9 其他材料费 元 996 0.3 0.3 0.3 10 设备摊销费 元 997 35.3 35.3 35.3 11 60 m3/h以内混凝土输送泵 台班 1316 - - 0.08 12 12t以内汽车式起重机 台班 1451 - 0.34 - 13 50kN以内单筒慢动卷扬机 台班 1500 0.77 - - 14 小型机具使用费 元 1998 3.9 1.7 0.1 15 基价 元 1999 2615 2427 2171 7.4-6-1定额第11个子目按下表修改: P455 顺序号 项 目 单 位 代号 混凝土 承台 起重机配吊斗 混凝土输送泵 有底模 无底模 封底 有底模 无底模 封底 10 m3 6 7 8 9 10 11 1 人工 工日 1 7.6 6.3 3.1 5.5 4.1 0.5 2 C15片石混凝土 m3 12 - - - - - - 3 C15水泥混凝土 m3 17 - - - - - - 4 C20水泥混凝土 m3 18 - - - - - - 5 C25水泥混凝土 m3 19 (10.20) (10.20) - - - - 6 C20水下混凝土 m3 28 - - (10.20) - - (10.40) 7 C20泵送混凝土 m3 46 - - - - - - 8 C25泵送混凝土 m3 47 - - - (10.40) (10.40) - 9 略 8.4-6-12定额第3、5、6、7个子目按下表修改: P499;P500 顺序号 项 目 单 位 代号 混凝土 拱板 侧墙等 腹拱圈 帽石 护拱 10 m3 3 4 5 6 7 1 人工 工日 1 17.6 29.8 35.2 52.0 33.2 2 C10水泥混凝土 m3 16 - - - - (8.67) 3 C15水泥混凝土 m3 17 - (10.20) - (10.20) - 4 C20水泥混凝土 m3 18 (10.20) - (10.20) - - 5 C25水泥混凝土 m3 19 - - - - - 16 32.5级水泥 t 832 3.040 2.723 3.040 2.723 1.951 21 碎石(4cm) m3 952 8.57 8.67 8.57 8.67 7.54 26 基价 元 1999 2745 4067 4867 7338 3195 9.4-7-1定额第2个子目按下表修改: P513 顺序号 项 目 单 位 代 号 混凝土 钢筋 矩、方形桩 空心射水的矩、方形桩 矩、方形桩 矩形破冰桩 10 m3 1t 1 2 3 4 1 人工 工日 1 30.6 30.1 6.7 7.0 2 C25水泥混凝土 m3 19 - - - - 3 C30水泥混凝土 m3 20 (10.10) (10.10) - - 4 锯材 m3 102 0.395 0.379 - - 5 略 10.4-7-7定额按下表修改: P522 顺序号 项 目 单 位 代 号 混凝土 钢筋 10 m3 1t 1 2 1 人工 工日 1 18.6 11.3 2 C30水泥混凝土 m3 20 (10.10) - 3 原木 m3 101 0.005 - 4 略 11.4-7-16定额第2个子目按下表修改: P551 顺序号 项 目 单 位 代 号 预 制 等截面箱梁混凝土 钢筋 非泵送 泵送 10 m3 1t 1 2 3 1 人工 工日 1 30.7 19.1 9.5 2 预制构件 m3 - - - - 3 C50水泥混凝土 m3 24 (10.10) - - 4 C50泵送混凝土 m3 52 - (10.30) - 5 锯材 m3 102 0.026 0.006 - 6 光圆钢筋 t 111 - - 0.156 7 带肋钢筋 t 112 - - 0.869 8 型钢 t 182 0.025 0.025 - 9 钢板 t 183 - - - 10 钢管 t 191 0.003 0.003 - 11 电焊条 kg 231 - - 4.3 12 组合钢模板 t 272 0.038 0.039 - 13 门式钢支架 t 273 0.009 0.007 - 14 铁件 kg 651 13.0 13.0 - 15 20-22号铁丝 kg 656 - - 4.1 16 42.5级水泥 t 833 5.292 5.706 - 17 水 m3 866 16 23 - 18 中(粗)砂 m3 899 4.44 5.46 - 19 碎石(2cm) m3 951 7.58 6.80 - 20 其他材料费 元 996 23.4 23.4 - 21 60 m3/h以内混凝土输送泵 台班 1316 - 0.08 - 22 20t以内汽车式起重机 台班 1453 - - 23 30kN以内单筒慢动卷扬机 台班 1499 1.52 0.68 0.19 24 50kN以内单筒慢动卷扬机 台班 1500 4.56 2.04 - 25 32KV.A以内交流电弧焊机 台班 1726 - - 0.84 26 100KV.A以内交流对焊机 台班 1746 - - 0.11 27 小型机具使用费 元 1998 10.8 7.3 21.9 28 基价 元 1999 5138 4464 4129 12.4-7-18定额中顺序号5 M50水泥砂浆的代号“-”改为“75”。P557 13.第四章第十节说明第13条工程量计算规则第(4)项中“主索鞍定额按索鞍顶推6次计算,如顶推次数不同,则按人工每10t·次1.8工日,顶推设备每10t·次0.18台班进行增减”;改为 “主索鞍定额按索鞍顶推6次计算,如顶推次数不同,则按人工每10t·次1.8工日进行增减”.即取消对主索鞍定额顶推设备的调整。P639 14.4-10-8定额中顺序号3第3个子目水泥浆消耗量“(0.2)”改为“(0.016)”。P652 15.4-10-19定额中第3个子目顺序号16中(粗)砂消耗量“5.64”改为“5.41”;顺序号25基价“5444”改为“5430”。P674 16.4-11-11定额中第5个子目顺序号17的碎石(4cm)消耗量“-”改为“30.28”;顺序号18的碎石(8cm)消耗量“30.28”改为“-”;顺序号27基价“34765”改为“34947”。P701 17.4-11-13定额按下表修改: P706 顺序号 项 目 单 位 代 号 钢桁架栈桥式码头 1 1 人工 工日 1 273.5 2 C15水泥混凝土 m3 17 (3.43) 3 C25水泥混凝土 m3 19 (6.84) 4 C20水下混凝土 m3 28 (10.30) 5 M7.5水泥砂浆 m3 66 (1.60) 6 略 18. 5-1-8定额按下表修改: P728(附录四增加喷射混凝土代号) 顺序号 项 目 单 位 代 号 边坡高度(m) 10以内 20以内 20以上 7 8 9 1 人工 工日 1 14.9 17.3 19.6 2 C20喷射混凝土 m3 91 (10.71) (10.71) (10.71) 3 钢管 t 191 0.006 0.007 0.007 4 略 19.5-1-9定额中顺序号3“M25水泥浆”改为“水泥浆”。P740 20.5-1-23定额按下表修改: P766 顺序号 项 目 单 位 代号 现浇基础混凝土 预制、安装肋柱、 墙面板 钻孔及压浆 锚杆制作、安装 混凝土 钢筋 10 m3 1t 100m 1t 1 2 3 4 5 1 人工 工日 1 12.8 31.6 11.2 38.6 25.4 2 C15水泥混凝土 m3 17 (10.20) - - - - 3 C25水泥混凝土 m3 19 - (10.10) - - (0.18) 4 M30水泥砂浆 m3 72 - - - (1.30) - 5 略 21.附录二砂浆配合比表按下表修改: P1009 顺序号 项 目 单位 混合砂浆 石灰砂浆 水泥浆 水泥砂浆 砂浆强度等级 强度等级 M5 M7.5 M10 M1 M50 16 17 18 19 20 21 22 1 32.5水泥 kg 210 253 290 - 1348 - - 2 42.5水泥 kg - - - - - 1498 927 3 生石灰 kg 94 61 29 207 - - - 4 中(粗)砂 m3 1.04 1.04 1.04 1.1 - - 1.00 22.附录二混凝土配合比表按下表修改: P1014 顺序号 项 目 单位 水下混凝土 防水混凝土 碎(砾)石最大粒径(mm) 40 混凝土强度等级 C20 C25 C30 C35 C25 C30 C35 C40 水泥强度等级 32.5 32.5 32.5 32.5 32.5 32.5 42.5 42.5 61 62 63 64 65 66 67 68 1 水泥 kg 368 427 460 505 368 398 385 434 2 中(粗)砂 m3 0.52 0.51 0.51 0.49 0.49 0.46 0.47 0.46 3 碎(砾)石 m3 0.71 0.69 0.67 0.66 0.8 0.84 0.83 0.81 4 片石 m3 - - - - - - - - 23. 附录四按下表修改: P1035;P1052 顺序号 名 称 代号 规 格 单位 单位质量(kg) 场内运输及操作损耗 单价 (元) 54 M40水泥砂浆 74 m3 0.00 55 M50水泥砂浆 75 m3 0.00 56 粗粒式沥青碎石 81 m3 0.00 57 中粒式沥青碎石 82 m3 0.00 58 细粒式沥青碎石 83 m3 0.00 59 粗粒式沥青混凝土 84 m3
展开阅读全文

开通  VIP会员、SVIP会员  优惠大
下载10份以上建议开通VIP会员
下载20份以上建议开通SVIP会员


开通VIP      成为共赢上传

当前位置:首页 > 百科休闲 > 其他

移动网页_全站_页脚广告1

关于我们      便捷服务       自信AI       AI导航        抽奖活动

©2010-2025 宁波自信网络信息技术有限公司  版权所有

客服电话:0574-28810668  投诉电话:18658249818

gongan.png浙公网安备33021202000488号   

icp.png浙ICP备2021020529号-1  |  浙B2-20240490  

关注我们 :微信公众号    抖音    微博    LOFTER 

客服