收藏 分销(赏)

折弯边最小尺寸算法.doc

上传人:pc****0 文档编号:7730150 上传时间:2025-01-14 格式:DOC 页数:7 大小:247KB 下载积分:10 金币
下载 相关 举报
折弯边最小尺寸算法.doc_第1页
第1页 / 共7页
折弯边最小尺寸算法.doc_第2页
第2页 / 共7页


点击查看更多>>
资源描述
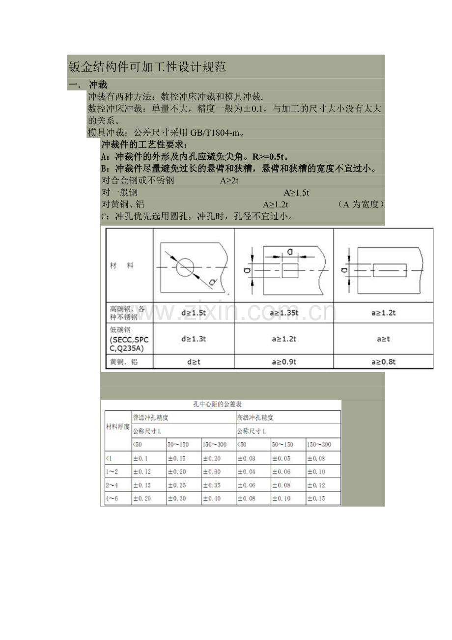
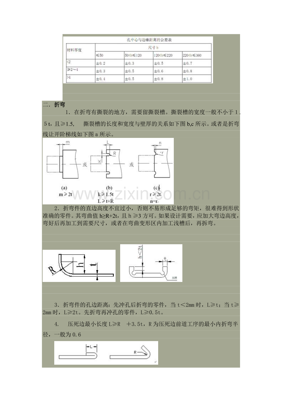
钣金结构件可加工性设计规范 一. 冲裁 冲裁有两种方法:数控冲床冲裁和模具冲裁, 数控冲床冲裁:单量不大,精度一般为±0.1,与加工的尺寸大小没有太大的关系。 模具冲裁:公差尺寸采用GB/T1804-m。 冲裁件的工艺性要求: A:冲裁件的外形及内孔应避免尖角。R>=0.5t。 B:冲裁件尽量避免过长的悬臂和狭槽,悬臂和狭槽的宽度不宜过小。 对合金钢或不锈钢     A≥2t 对一般钢                A≥1.5t 对黄铜、铝             A≥1.2t     (A为宽度) C:冲孔优先选用圆孔,冲孔时,孔径不宜过小。 二.折弯     1.在折弯有撕裂的地方,需要留撕裂槽。撕裂槽的宽度一般不小于1.5t,且≥1.5, 撕裂槽的长度和宽度与壁厚的关系如下图b,c所示。或者是折弯线让开阶梯线如下图a所示。 2.折弯件的直边高度不宜过小,否则不易形成足够的弯矩,很难得到形状准确的零件。其弯曲值h≥R+2t,且h≥3方可。如果设计需要,应加大弯边高度,弯好后再加工到需要尺寸,或者在弯曲变形区内加工浅槽后,再拆弯。   3.折弯件的孔边距离:先冲孔后折弯的零件,当t<2mm时,L≥t;当t≥2mm时,L≥2t。先折弯再冲孔的零件,L≥0.5t。 4. 压死边最小长度L≥R +3.5t,R为压死边前道工序的最小内折弯半径,一般为0.6 5. 折弯件不得对多个折弯边同时要求较严的尺寸公差。 6. 在U形弯曲件上,两弯曲边最好等长,以免弯曲时产生向一边移位。如不允许,可设一工艺定位孔,如下图 7. 为了防止零件弯曲后,直角的两侧平面产生褶皱,应设计预留切口,如下图 8. 为了防止冲孔后再弯曲的零件,在孔边产生裂纹,建议增加切口 9. 防止弯曲时,一边向内产生收缩。可设计工艺定位孔,或两边同时折弯,还可用增 加幅宽的办法来解决收缩问题。          10. 弯曲的零件,在弯曲区压制加强筋,不仅可以提高工件的刚度,也有利于抑制回弹      。常用筋的结构尺寸推荐如下   三. 拉伸 拉深件的尺寸精度不宜要求过高,形状应尽量简单、对称。 1.   防止拉深时产生扭曲变形,A、B宽度应相等(对称)即A=B 2.   拉深件的圆角半径要合适,圆角半径尽量取大些,以利于成型和减少拉深次数 3.   翻孔攻丝   四.铆接 涨铆螺母,压铆螺母,拉铆,翻孔攻丝的比较 AutoCAD的快捷方式: ADCENTER:管理内容 ADC   ALIGN:在二维和三维空间中将某对象与其他对象对齐 AL   APPLOAD:加载或卸载应用程序并指定启动时要加载的应用程序 AP   ARC:创建圆弧 A   AREA:计算对象或指定区域的面积和周长 AA   ARRAY:创建按指定方式排列的多重对象副本 AR   ATTDEF:创建属性定义 ATT   ATTEDIT:改变属性信息 ATE   ATTEXT:提取属性数据 DDATTEXT B   BHATCH:使用图案填充封闭区域或选定对象 H、BH   BLOCK:根据选定对象创建块定义 B   BOUNDARY:从封闭区域创建面域或多段线 BO   BREAK:部分删除对象或把对象分解为两部分 BR C   CHAMFER:给对象的边加倒角 CHA   CHANGE:修改现有对象的特性 -CH   CIRCLE:创建圆形 C   COLOR:定义新对象的颜色 COL   COPY:复制对象 CO、CP D   DBCONNECT:为外部数据库表提供 AutoCAD 接口 AAD、AEX、ALI、ASQ、ARO、ASE、DBC   DDEDIT:编辑文字和属性定义 ED   DDVPOINT:设置三维观察方向 VP   DIMALIGNED:创建对齐线性标注 DAL   DIMANGULAR:创建角度标注 DAN   DIMBASELINE:从上一个或选定标注的基线处创建线性、角度或坐标标注 DBA   DIMCENTER:创建圆和圆弧的圆心标记或中心线 DCE   DIMCONTINUE:从上一个或选定标注的第二尺寸界线处创建线性、角度或坐标标注 DCO   DIMDIAMETER:创建圆和圆弧的直径标注 DDI   DIMEDIT:编辑标注 DED   DIMLINEAR:创建线性尺寸标注 DLI   DIMORDINATE:创建坐标点标注 DOR   DIMOVERRIDE:替代标注系统变量 DOV   DIMRADIUS:创建圆和圆弧的半径标注 DRA   DIMSTYLE:创建或修改标注样式 D   DIMTEDIT:移动和旋转标注文字 DIMTED   DIST:测量两点之间的距离和角度 DI   DIVIDE:将点对象或块沿对象的长度或周长等间隔排列 DIV   DONUT:绘制填充的圆和环 DO   DRAWORDER:修改图像和其他对象的显示顺序 DR   DSETTINGS:指定捕捉模式、栅格、极坐标和对象捕捉追踪的设置 DS、RM、SE   DSVIEWER:打开“鸟瞰视图”窗口 AV   DVIEW:定义平行投影或透视视图 DV E   ELLIPSE:创建椭圆或椭圆弧 EL   ERASE:从图形中删除对象 E   EXPLODE:将组合对象分解为对象组件 X   EXPORT:以其他文件格式保存对象 EXP   EXTEND:延伸对象到另一对象 EX   EXTRUDE:通过拉伸现有二维对象来创建三维原型 EXT F   FILLET:给对象的边加圆角 F   FILTER:创建可重复使用的过滤器以便根据特性选择对象 FI G   GROUP:创建对象的命名选择集 G H   HATCH:用图案填充一块指定边界的区域 -H   HATCHEDIT:修改现有的图案填充对象 HE   HIDE:重生成三维模型时不显示隐藏线 HI I   IMAGE:管理图像 IM   IMAGEADJUST:控制选定图像的亮度、对比度和褪色度 IAD   IMAGEATTACH:向当前图形中附着新的图像对象 IAT   IMAGECLIP:为图像对象创建新剪裁边界 ICL   IMPORT:向 AutoCAD 输入文件 IMP   INSERT:将命名块或图形插入到当前图形中 I   INTERFERE:用两个或多个三维实体的公用部分创建三维复合实体 INF   INTERSECT:用两个或多个实体或面域的交集创建复合实体或面域并删除交集以外的部分 IN   INSERTOBJ:插入链接或嵌入对象 IO L   LAYER:管理图层和图层特性 LA   -LAYOUT:创建新布局,重命名、复制、保存或删除现有布局 LO   LEADER:创建一条引线将注释与一个几何特征相连 LEAD   LENGTHEN:拉长对象 LEN   LINE:创建直线段 L   LINETYPE:创建、加载和设置线型 LT   LIST:显示选定对象的数据库信息 LI、LS   LTSCALE:设置线型比例因子 LTS   LWEIGHT: LW M   MATCHPROP:设置当前线宽、线宽显示选项和线宽单位 MA   MEASURE:将点对象或块按指定的间距放置 ME   MIRROR:创建对象的镜像副本 MI   MLINE:创建多重平行线 ML   MOVE:在指定方向上按指定距离移动对象 M   MSPACE:从图纸空间切换到模型空间视口 MS   MTEXT:创建多行文字 T、MT   MVIEW:创建浮动视口和打开现有的浮动视口 MV O   OFFSET:创建同心圆、平行线和平行曲线 O   OPTIONS:自定义 AutoCAD 设置 GR、OP、PR   OSNAP:设置对象捕捉模式 OS P   PAN:移动当前视口中显示的图形 P   PASTESPEC:插入剪贴板数据并控制数据格式 PA   PEDIT:编辑多段线和三维多边形网格 PE   PLINE:创建二维多段线 PL   PRINT :将图形打印到打印设备或文件 PLOT   POINT:创建点对象 PO   POLYGON:创建闭合的等边多段线 POL   PREVIEW:显示打印图形的效果 PRE   PROPERTIES:控制现有对象的特性 CH、MO   PROPERTIESCLOSE:关闭“特性”窗口 PRCLOSE   PSPACE:从模型空间视口切换到图纸空间 PS   PURGE:删除图形数据库中没有使用的命名对象,例如块或图层 PU Q   QLEADER:快速创建引线和引线注释 LE   QUIT:退出 AutoCAD EXIT R   RECTANG:绘制矩形多段线 REC   REDRAW:刷新显示当前视口 R   REDRAWALL:刷新显示所有视口 RA   REGEN:重生成图形并刷新显示当前视口 RE   REGENALL:重新生成图形并刷新所有视口 REA   REGION:从现有对象的选择集中创建面域对象 REG   RENAME:修改对象名 REN   RENDER:创建三维线框或实体模型的具有真实感的渲染图像 RR   REVOLVE:绕轴旋转二维对象以创建实体 REV   RPREF:设置渲染系统配置 RPR   ROTATE:绕基点移动对象 RO S   SCALE:在 X、Y 和 Z 方向等比例放大或缩小对象 SC   SCRIPT:用脚本文件执行一系列命令 SCR   SECTION:用剖切平面和实体截交创建面域 SEC   SETVAR:列出系统变量并修改变量值 SET   SLICE:用平面剖切一组实体 SL   SNAP:规定光标按指定的间距移动 SN   SOLID:创建二维填充多边形 SO   SPELL:检查图形中文字的拼写 SP   SPLINE:创建二次或三次 (NURBS) 样条曲线 SPL   SPLINEDIT:编辑样条曲线对象 SPE   STRETCH:移动或拉伸对象 S   STYLE:创建或修改已命名的文字样式以及设置图形中文字的当前样式 ST   SUBTRACT:用差集创建组合面域或实体 SU T   TABLET:校准、配置、打开和关闭已安装的数字化仪 TA   THICKNESS:设置当前三维实体的厚度 TH   TILEMODE:使“模型”选项卡或最后一个布局选项卡当前化 TI、TM   TOLERANCE:创建形位公差标注 TOL   TOOLBAR:显示、隐藏和自定义工具栏 TO   TORUS:创建圆环形实体 TOR   TRIM:用其他对象定义的剪切边修剪对象 TR U   UNION:通过并运算创建组合面域或实体 UNI   UNITS:设置坐标和角度的显示格式和精度 UN V   VIEW:保存和恢复已命名的视图 V   VPOINT:设置图形的三维直观图的查看方向 -VP W   WBLOCK:将块对象写入新图形文件 W   WEDGE:创建三维实体使其倾斜面尖端沿 X 轴正向 WE X   XATTACH:将外部参照附着到当前图形中 XA   XBIND:将外部参照依赖符号绑定到图形中 XB   XCLIP:定义外部参照或块剪裁边界,并且设置前剪裁面和后剪裁面 XC   XLINE:创建无限长的直线(即参照线) XL   XREF:控制图形中的外部参照 XR Z   ZOOM:放大或缩小当前视口对象的外观尺寸 Z
展开阅读全文

开通  VIP会员、SVIP会员  优惠大
下载10份以上建议开通VIP会员
下载20份以上建议开通SVIP会员


开通VIP      成为共赢上传

当前位置:首页 > 百科休闲 > 其他

移动网页_全站_页脚广告1

关于我们      便捷服务       自信AI       AI导航        抽奖活动

©2010-2026 宁波自信网络信息技术有限公司  版权所有

客服电话:0574-28810668  投诉电话:18658249818

gongan.png浙公网安备33021202000488号   

icp.png浙ICP备2021020529号-1  |  浙B2-20240490  

关注我们 :微信公众号    抖音    微博    LOFTER 

客服