收藏 分销(赏)

公路水土保持方案.doc

上传人:可**** 文档编号:692142 上传时间:2024-02-02 格式:DOC 页数:21 大小:200.50KB 下载积分:11 金币
下载 相关 举报
公路水土保持方案.doc_第1页
第1页 / 共21页
公路水土保持方案.doc_第2页
第2页 / 共21页


点击查看更多>>
资源描述
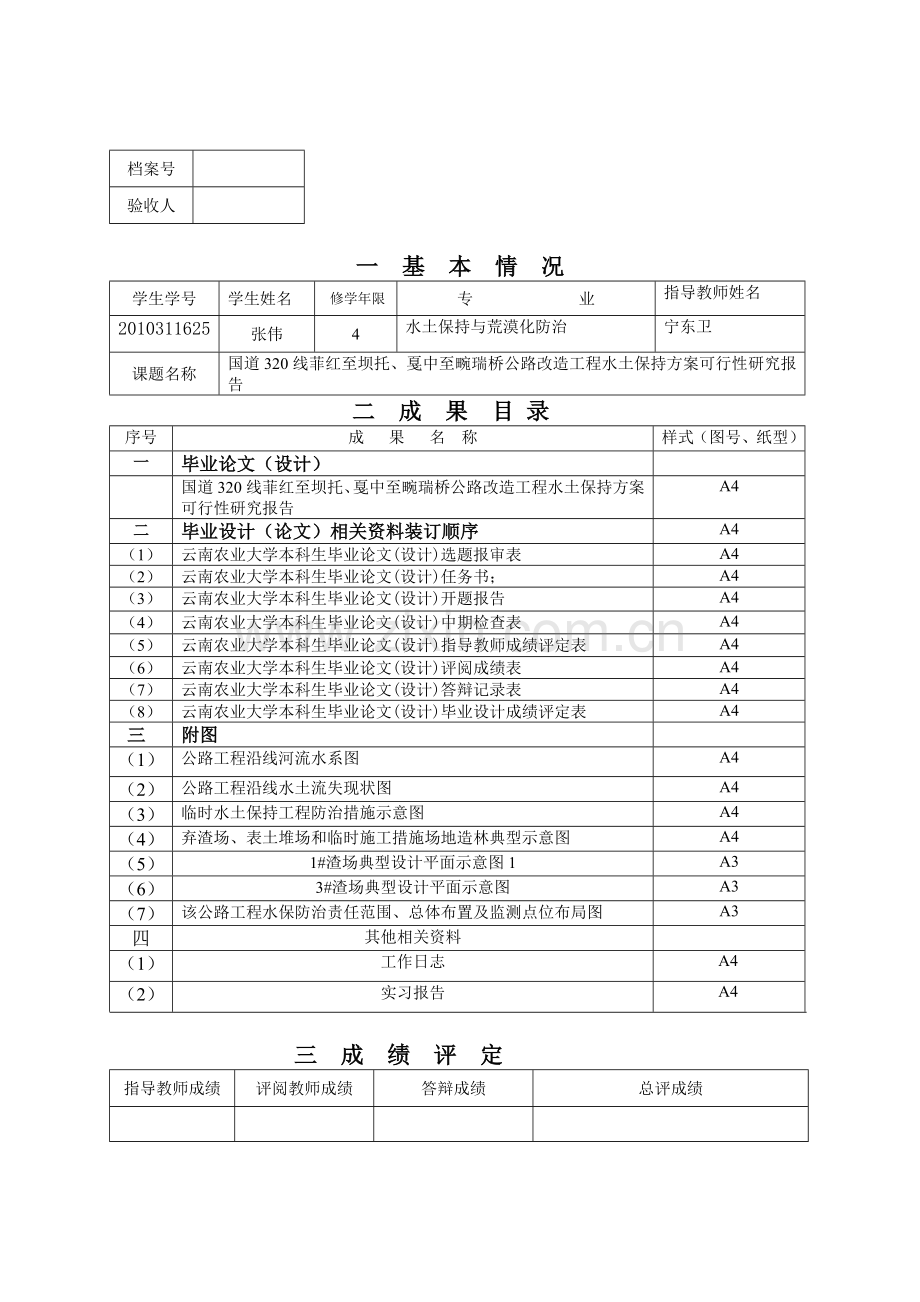
档案号 验收人 一 基 本 情 况 学生学号 学生姓名 修学年限 专 业 指导教师姓名 2010311625 张伟 4 水土保持与荒漠化防治 宁东卫 课题名称 国道320线菲红至坝托、戛中至畹瑞桥公路改造工程水土保持方案可行性研究报告 二 成 果 目 录 序号 成 果 名 称 样式(图号、纸型) 一 毕业论文(设计) 国道320线菲红至坝托、戛中至畹瑞桥公路改造工程水土保持方案可行性研究报告 A4 二 毕业设计(论文)相关资料装订顺序 A4 (1) 云南农业大学本科生毕业论文(设计)选题报审表 A4 (2) 云南农业大学本科生毕业论文(设计)任务书; A4 (3) 云南农业大学本科生毕业论文(设计)开题报告 A4 (4) 云南农业大学本科生毕业论文(设计)中期检查表 A4 (5) 云南农业大学本科生毕业论文(设计)指导教师成绩评定表 A4 (6) 云南农业大学本科生毕业论文(设计)评阅成绩表 A4 (7) 云南农业大学本科生毕业论文(设计)答辩记录表 A4 (8) 云南农业大学本科生毕业论文(设计)毕业设计成绩评定表 A4 三 附图 (1) 公路工程沿线河流水系图 A4 (2) 公路工程沿线水土流失现状图 A4 (3) 临时水土保持工程防治措施示意图 A4 (4) 弃渣场、表土堆场和临时施工措施场地造林典型示意图 A4 (5) 1#渣场典型设计平面示意图1 A3 (6) 3#渣场典型设计平面示意图 A3 (7) 该公路工程水保防治责任范围、总体布置及监测点位布局图 A3 四 其他相关资料 (1) 工作日志 A4 (2) 实习报告 A4 三 成 绩 评 定 指导教师成绩 评阅教师成绩 答辩成绩 总评成绩 毕业设计相关资料 题 目:国道320线菲红至坝托、戛中至畹瑞桥公路改造工程水土保持方案可行性研究报告 学 院: 水利学院 专 业: 水土保持与荒漠化防治 年 级: 2010级 学生姓名: 张伟 指导教师: 宁东卫 日 期: 2014年5月 云南农业大学教务处 制 目 录 1、云南农业大学本科生毕业论文(设计)选题报审表(注:小四宋体) 2、云南农业大学本科生毕业论文(设计)任务书 3、云南农业大学本科生毕业论文(设计)开题报告 4、云南农业大学本科生毕业论文(设计)中期检查表 5、云南农业大学本科生毕业论文(设计)指导教师成绩评定表 6、云南农业大学本科生毕业论文(设计)评阅成绩表 7、云南农业大学本科生毕业论文(设计)答辩记录表 8、云南农业大学本科生毕业论文(设计)毕业设计成绩评定表 云南农业大学 本科生毕业论文(设计)选题报审表 学 院 水利学院 毕业论文(设计)题目 国道320线菲红至坝托、戛中至坝托公路改造工程水土保持方案可行性研究报告 指 导 教 师 宁东卫 职 称 讲 师 学生具备条件 完成本专业专业课程(如:水土保持学、水土保持工程学等)的学习,本课题适于水土保持专业的学生 课题完成形式 方 案 报 告 书 及 图 纸 课题类型 工程设计型 内 容 简 要: 水土保持方案设计的主要内容有: 1、工程项目概况; 2、方案设计水平年和防治标准的确定; 3、项目区自然、社会、土地利用状况的现场调查; 4、项目区水土流失状况调查; 5、项目区损坏的水土保持设施及水土流失量的预测; 6、项目区防治责任范围的确定; 7、工程项目区工程防治措施(如:挡渣墙、截水沟等)、林业防治措施(树种的选取、栽植方式的设计、抚育管理等)设计; 8、项目区施工期和运行期水土保持监测; 9、水土保持工程防治费用的估算; 10、水土保持工程防治效益(社会效益、经济效益、生态效益)的计算; 11、水土流失现状图、水土保持总体图和水土流失防治责任范围图以及各个施工区域水土流失防治措施图纸的绘制。 本次有8份设计资料供学生做毕业设计时选择。 系主任意见 签字: 年 月 日 本科生毕业论文(设计)任务书 水利学院(系) 水土保持与荒漠化防治专业(本科)2010级 题 目:国道320线菲红至坝托、戛中至畹瑞桥公路改造工程水土保持方案可行性研究报告 学生姓名: 张伟 学号: 2010311625 指导教师: 宁东卫 (职称 讲师 ) 论文(设计)起止时间: 2014 年1月6日~ 2014年5月9日(共12周) 任务下达日期: 2014 年 1 月 6 日 云南农业大学教务处 制 2014年 1 月 1 日 云南农业大学毕业论文(设计)任务书 课题来源 工程设计,国道320线菲红至坝托、戛中至畹瑞桥公路改造工程水土保持方案可行性研究报告项目组。 课题主要内容 为贯彻落实科学发展观,保护生态环境,建设资源节约型、环境友好型社会,实现“十一五”期末生态环境恶化趋势基本得到遏制的目标,水利部日前发出通知,要求从严把握开发建设项目水土保持方案的技术审查和审批工作,坚决控制开发建设过程中的水土流失。该通知列出了13项“一票否决”条件,凡触及这13条“红线”的开发建设项目水土保持方案,将不予通过审查或审批,对不符合水土保持要求的开发建设项目要坚决叫“停”。通知要求,对不符合国家产业政策或“十一五”规划以及流域综合规划,没有国家发展和改革主管部门同意开展前期工作的相应文件依据,在25度以上陡坡地开垦种植,在崩塌滑坡危险区和泥石流易发区内取土、挖砂、取石,可能严重影响水质或在水资源严重短缺地区未通过水资源论证的开发建设项目,不予审批;对分期建设的开发建设项目,其前期工程存在未编报水土保持方案、水土保持方案未落实和水土保持设施未按期验收的情况,以及同一投资主体的在建及生产运行的工程中存在未编报水土保持方案、水土保持方案未落实和水土保持设施未按期验收等情况时,其新建项目水土保持方案不予审批。对没有主体工程比选方案或比选方案中水土保持评价缺乏有关水土保持量化指标,工程的土石方平衡、废弃土石渣利用达不到规范要求,对原自然地貌的扰动率或林草植被的破坏率超过70%的开发建设项目水土保持方案,技术审查将不予通过。 水土保持方案是水土保持实际工作中一项重要的内容,水土保持方案的编制是目前大量水土保持与荒漠化防治毕业生顺利走上工作岗位的必备技能,为了使本科生更能熟练掌握水土保持方案,结合生产实践,促进同学们加强实践工作的能力,故本毕业设计选取开发建设项目中的水土保持方案。 本方案的主要依据是《中华人民共和国水土保持法》和《〈中华人民共和国水土保持法〉实施条例》。标准主要包括:开发建设项目水土流失防治的基本要求与规定;开发建设项目类型及其防治时段划分;水土流失防治标准等级规定;不同项目不同时段不同等级的防治标准。并附有条文说明。本标准适用用于矿产开采、冶炼、公路、铁路、水工程、电力工程、通讯工程、机场建设、港口码头建设、地质勘探、文物考古、生态移民、滩涂开发、荒地开垦、林木采伐及城镇建设等一切可能引起水土流失的开发建设项目水土流失防治。 课题任务的具体要求 1、学生属于水土保持与荒漠化防治专业; 2、以独立思考为主,以老师指导为辅; 3、把论文所需的数据给学生,让学生自己借鉴利用,根据指导教师指导和学生设计思路相结合、相交流,确定论文的主要思路和主要部分,最后由学生独立完成。 需查阅文献(指导教师选定部分) 《中华人民共和国水土保持法》; 《中华人民共和国水土保持法实施条例》; 《开发建设项目水土保持方案编报审批管理规定》; 《土壤侵蚀分类分级标准》 SL 190-2007 《中国土壤侵蚀区划》; 《流域水土保持综合治理设计》; 《水电水利工程工程量计算规》; 任务下达人 (签字) 日期 年 月 日 院(系)(签章) 年 月 日 任务接受人 (签字) 日期 年 月 日 注:此任务书由指导教师填写,任务下达人为指导教师,指导教师和接受任务的学生均应签字。 各学院应结合专业特点制订相应的毕业论文(设计)任务书。 云南农业大学 本科生毕业论文(设计)开题报告 水利学院 水土保持与荒漠化防治专业(本 科) 2010级 设计题目:国道320线菲红至坝托、戛中至畹瑞桥公路改造工程水土保持方案可行性研究报告 毕业论文(设计)起止时间:  2014年 1 月6日~ 2014 年 5 月9日(共 12 周) 学生姓名: 张伟 学号: 2010311625 指导教师: 宁东卫 报告日期: 2014年2月24日 云南农业大学教务处 制 2014 年1月1日 1、本课题所涉及的问题在国内(外)的研究现状综述 水土流失(国外称为“土壤侵蚀”,包括风蚀)是由水、重力和风等外营力引起的水土资源和生产力的破坏和损失。全世界水土流失主要发生在北纬40°与南纬40°之间,美国、中国、印度、菲律宾、澳大利亚、埃塞俄比亚及非洲各国的水土流失都比较严重。全世界土壤侵蚀面积已达2500万㎞²,占全球陆地总面积的18.5%,全球土壤年侵蚀量约为600亿t,每年因土壤侵蚀而退化的土地面积为5~7万㎞²。美国全国936土地上,遭强烈水蚀或风蚀的有114万㎞²,占全国土地总面积的12.2%,部分遭到破坏或受到侵蚀威胁的有313万㎞²,占33.4%,多年平均年土壤侵蚀产生的泥沙总量达40亿t,由于泥沙危害,每年要损失5亿美元。中国水土流失面积达367万㎞²,占国土面积的38%,是世界上水土流失最严重的国家之一。据统计,自新中国建立以来,全国因水土流失每年损失6.7万hm²耕地,平均流失土壤高达50亿t,成为人民贫困和江河泥沙淤积的主要根源。印度约有250万㎞²的土地易遭水害,175万㎞²的土地因土壤侵蚀而退化,仅仅由于农业及耕作活动,每年土壤流失量约达53.33亿t。 美国是世界上开展水土保持工作较早的国家,早在1914年就有了农牧区径流量及径流强度的资料积累。当前,美国水土保持研究的主要内容是:①扩大“土壤流失通用方程式”的适用领域,并对它进行修订和评价;②在土壤侵蚀模型研究的基础上建立新的模型;③研究土壤结构剂、化学稳定剂及其在控制土壤侵蚀和水资源管理中的应用;④研究制定防治农田、城市、建筑工地和采矿侵蚀的新措施;⑤以保护水源为宗旨,开展为达到限制水质污染要求规定的土壤允许侵蚀量的方法的研究等。日本的水土保持科研以应用技术和开发治理为主,基础理论研究只占10%。该国把水蚀和泥石流视作全国性的灾害,其科学研究和勘探工作主要解决以下问题:①观测研究严重的水蚀和泥石流发生与形成过程;②预报上游发生泥石流的时间;③研究确定可能发生的土壤流失量。总的来说,研究成果显著,提出了著名的水沙分离理论,在防止泥石流的研究方面达到了国际先进水平。澳大利亚水土保持工作的一个成功经验是按小流域或地区编制《土壤保持计划》,强调治理与经营管理措施相结合,以达到土地理想的生产力为目的。它的趋势是以径流小区和小流域治理向更大范围联合治理方向发展。 中国是世界上水土流失最严重的国家之一,自新中国建立以来,初步治理不同侵蚀程度的水土流失土地近80万㎞²,在综合治理中治理坡耕地、修梯田等达1067万㎞²,还种植了大面积的水土保持林草和经济林,修建了星罗棋布的蓄水保土工程,在全国七大流域水土流失区建立了数千条各具特色并有一定规模的多功能多目标的小流域经济体系。在应用研究方面, 试验推广了以改变小地形和高效利用水土资源为主的各种耕作措施; 以恢复植被,增加地面覆盖为中心的造林种草技术;以减少径流、拦蓄泥沙为重点的各种水保工程措施。随着市场经济体制的建立,水土保持工作正在由防御性治理转向开发性, 并逐步走向产业化。一些小流域在基本控制水土流失的前提下,结合地方优势开展了不同种类的开发性研究与建设项目,这些项目的不断深入也必将加快水土保持产业化的步伐,推动全国水土保持工作的深入开展。 但是由于历史、经济和技术的原因,我国水保与国外相比,我们在治理措施上实践经验要丰富一些,但在基础理论研究和试验手段上落后于先进国家。 我国水土保持存在的问题及制约水土保持工作综合治理的因素主要有以下几方面:①人为破坏造成新的水土流失尚未得到有效遏制;②农业产出效益差,产业化困难重重;③科学研究和技术推广相对滞后;④水土保持工作投入不足,宏观管理力度不够。 2.本人对课题提出的任务要求及实现预期目标的可行性分析 (1)任务要求:通过对云南省楚雄州禄丰长田至县城高速公路工程水土保持方案可行性研究报告书的编制,完善与补充自己所学知识,拓展视野,把所学的知识融会贯通,学会对专业资料的查阅,掌握不同开发建设项目类型水土保持方案的整个程序及内容。 (2)可行性分析: ①具备完成毕业设计的各项软、硬条件,已掌握计算机的运用和学会资料的查询; ②已能熟悉运用auto cad等软件; ③在老师的指导以及和同学们的相互学习交流下进行专业知识提高。 3.本课题需要重点研究的、关键的问题及解决的思路 ⑴关键的问题:①工程措施:挡墙的抗滑、抗倾覆稳定性分析;截水沟等排水设施断面优化设计。 ②林业措施:草种、树种的选择及栽植方式的确定。 ③农业措施:以土地整治为主。 ④概预算的计算。 ⑤公路工程监测计划制定。 ⑵解决的思路:查阅相关资料,利用所学知识,在老师的指导和同学的帮助下分析、解决以上问题。 4.完成本课题所必须的工作条件(如工具书、实验设备或实验环境条件、某类市场调研、计算机辅助设计条件等)及解决的办法 工作条件:(1)工具书:从图书馆或网上查阅; (2)收集本课题相关各项资料并进行实地调查; (3)计算机;用cad、photoshop制图,运用office; (4)在宿舍或学院分配的教室作业; 解决办法:工具书在图书馆借阅或从网上查阅,电脑和教室已具备,工程设计资料已收集到位。 5.完成本课题的工作方案及进度计划 ⑴工作方案:根据本次毕业设计的内容,在老师的指导和带领下,进行实地调查,收集和整理有关资料,应用所学的专业知识、结合工程所在地的实际情况,综合分析,独立完成本次毕业设计。 ⑵进度计划:①第一周:完成毕业设计的开题报告,收集相关资料; ②第二周:熟悉资料,了解方案编制的步骤、方法和内容; ③第三周:准备开始做设计 ④第四周:在老师指导和带领下,到现场去调查实习; ⑤第五周~第十周:做毕业设计 ⑥第十一周:教师审查,修改论文; ⑦第十二周:上交论文、准备答辩。 6.指导教师审阅意见 指导教师(签字):       年 月 日 说明:1.本报告必须由承担毕业论文(设计)课题任务的学生在第1周至第3周独立撰写完成,并交指导教师审阅。 2.每一个毕业论文(设计)课题撰写开题报告一份,作为指导教师审查学生能否承担该毕业论文 (设计)课题任务的依据,并接受学院和学校的抽查。 云南农业大学本科生毕业论文(设计) 中期汇报、检查表 水利 学院 水土保持与荒漠化防治 专业( 本 科 2010 级) 学生姓名 张伟 性别 男 学号 2010311625 班 级编 号 3 设计题目 国道320线菲红至坝托、戛中至坝托公路改造工程水土保持方案可行性研究报告 课题 类型 工程设计 工作期限 2014 年1 月6 日~2014 年5 月9 日共12周 指导教师 宁东卫(职称 讲师 ) 学 生 填 写 完成情况及成果 1、 熟悉水土保持报告书的内容、法律文件和相关规范。对公路资料作了全面的了解; 2、 根据工程具体情况,进行水保措施的总体规划和布局,做到因地制宜,因害设防采取水土保持综合治理措施,工程措施与农业、林业措施相结合,尽量减少工程项目责任范围内的水土流失,达到保持水土、美化环境的目的; 3、 基本完成建设项目区各种水土保持措施的设计和相关工程量的计算,并对总体工程量进行汇总; 4、 按照《开发建设项目水土保持技术规范》(GB50433-2008)的要求进行水土保持方案的编制。 论文(设计) 60 (千字)字);图纸 4 (张);其它(含附件): 0 指导教师签字: 年 月 日 检 查 教 师 填 写 检查教师签字: 年 月 日 云南农业大学本科生毕业论文(设计)指导教师成绩评定表 水利 学院 水土保持与荒漠化防治 专业( 本 科 2010 级) 学生姓名 张伟 性别 男 学号 2010311625 班级编号 3 设计题目 国道320线菲红至坝托、戛中至畹瑞桥公路改造工程水土保持方案可行性研究报告 课题类型 工程设计 工作期限 2014 年1月 6 日 ~2014 年5月 9 日 共12周 指导教师 宁东卫(职称 讲师 ) 完成情况 论文(设计) 84 (千字);图纸 7 (张);其它(含附件): 0 指 导 教 师 意 见 评定成绩: 指导教师签字: 年 月 日 注:指导教师评阅成绩占毕业论文(设计)总平成绩40%。 本科生毕业论文(设计)指导教师评审标准 序号 评审项目 评审指标 评价 比例 实际 得分 1 工作量、 工作态度 工作量完成情况,论文(设计)难易程度,有体现本专业基本训练的内容;工作纪律、作风是否严谨。 20% 2 调查论证 独立查阅文献、调研情况;开题报告完成情况;综合归纳、收集和正确利用各种信息的能力。 15% 3 实验、设计方案与实验技能 实验、设计方案合理、可行;独立操作实验,数据采集、计算、处理的能力;结构设计、工艺、推导正确或程序运行是否可靠。 20% 4 分析与解决问题的能力 运用所学知识和技能及获取新知识去发现与解决实际问题的能力;对课题进行理论分析的能力,得出结论情况。 20% 5 论文(设计)质量 立论正确,论据充分,结论严谨合理;实验正确,分析、处理问题科学;结构格式符合论文(设计)要求;文理、技术用语正确规范;图表完成情况。 20% 6 创 新 工作有创新意识;对前人工作有改进、突破,或有独特见解及应用价值情况。 5% 总 分 100 云南农业大学本科生毕业论文(设计)评阅成绩表 水利 学院 水土保持与荒漠化防治 专业( 本 科 2010 级) 学生姓名 张伟 性别 男 学号 2010311625 班级编号 3 设计题目 国道320线菲红至坝托、戛中至畹瑞桥公路改造工程水土保持方案可行性研究报告 课题类型 工程设计 评阅教师姓名 职称 评阅教师意见 评阅成绩: 评阅教师签字: 年 月 日 注:评阅成绩占毕业论文总评成绩的20% 本科生毕业论文(设计)评阅教师评审标准 序号 评审项目 评审指标 评价 比例 实际 得分 1 选 题 选题达到本专业教学基本要求,难易程度、工作量大小合适。 20% 2 综述材料调查论证 根据课题任务,能独立查阅文献资料和从事有关调研。有综合归纳、利用各种信息的能力,开题论证较充分。 15% 3 设计、推导计算、论证 方案设计合理,具有可操作性;推导正确,计算准确,结构合理、工艺可行;图样绘制与技术要求符合国家标准及要求。 45% 4 论文设计质量 论点明确,论据充分、结论正确;条理清楚、文理通顺,用语符合技术规范,图表清楚、书写格式规范。 15% 5 创 新 对前人工作有改进、突破,或有独特见解;有一定应用价值。 5% 总 分 100 云南农业大学 本科生毕业论文(设计)答辩记录表 水利 学院 水土保持与荒漠化防治专业(本科) 2010 年级) 答辩学生人数 25 答 辩 组 组 长 关志成 职称 教授 答 辩 记 录 人 张建龙、张俊 答辩日期 2014年5月17日 答 辩 地 点 7#B305 答辩小组成员 姓名 宁东卫 职称 讲师 ; 姓名 范春梅 职称 讲师 姓名 温熙胜 职称 讲师 ; 姓名 杨玲 职称 讲师 姓名 王建雄 职称 副教授; 姓名 职称 云南农业大学本科生毕业论文(设计)答辩记录表 学生姓名 张伟 性别 男 学号 2010311625 设计题目 国道320线菲红至坝托、戛中至畹瑞桥公路改造工程水土保持方案可行性研究报告 课题类型 工程设计 完成工作量 答辩成绩 总成绩(等级) 提问及回答情况记录 (此页不够,可自加附页) 云南农业大学本科生毕业论文(设计)成绩评定表 水利 学院 水土保持与荒漠化防治专业( 本 科 2010 级) 学生姓名 张伟 性别 男 学号 2010311625 班级编号 3 设计题目 国道320线菲红至坝托、戛中至畹瑞桥公路改造工程水土保持方案可行性研究报告 课题类型 工程设计 答辩小组意见 答辩成绩: 答辩小组长签字: 年 月 日 院答辩委员会意见 综合评定成绩(等级) 主任签字: 学院(盖章) 年 月 日 注:综合评定成绩(等级)由指导教师成绩(40%)、评阅教师成绩(20%)、答辩成绩(40%)组成。 本科生毕业设计(论文)答辩评审标准 评审项目 序号 评审指标 评价 比例 实际 得分 工作量、难度及成果分析 1 完成工作量100%,任务有难度、较复杂、完成任务须学习新知识,成果质量好。 25%       2 完成工作量80%,任务有难度,综合运用所学知识或基本理论解决问题,成果质量较好。 3 完成工作量80%以下,任务较简单,成果质量较差。 成果汇报 4 汇报准备充分,口头报告扼要清楚,有层次,有重点,掌握知识较透彻。 50%       5 汇报准备不充分,口头报告基本清楚,基本掌握所完成任务的内容。 6 汇报未准备,,口头报告无重点,条理不清楚,基本概念含糊,对所完成任务的内容掌握不够全面。 回答问题 7 回答问题思路清晰。有充分的理论依据,基本概念正确,有说服力。 25%       8 回答主要问题基本正确。 9 主要问题回答错误,或不能回答。 总  分  100 0万U豆体验卡 卡号:50D890668267e3349e33 密码:686d03401eefba96faba 奖品名称:500万U豆体验卡 卡号:50De7a00c543af387fc0 密码:b26488ce65abc1787202 奖品名称:500万U豆体验卡 卡号:50Dbac638 85c802fd52e 密码:3d1c344384327b85efff 奖品名称:500万U豆体验卡 卡号:50Dd97f0765bdf6998a3 密码:48db1c14e42a2b321fac 奖品名称:500万U豆体50D61 215eb41ae3cc919 密码:25bffae5346e7b7d2548 奖品名称:100万U豆体验卡 卡号:10D1cab621456ab278ab 密码:709f65f32865af2559c2 奖品名称:100万U豆体验卡 卡号:10D8f1d6a4b953f3474e 密码:6e2e4017cce30dc7e055 奖品名称:100万U豆体验卡 卡号:10Dd1fc6d6dd529b6892 密码:a5dbdd8338f91d2c0701 奖品名称:100万U豆体验卡 卡号:10D08377b71d4374262b 密码:1d7a7c21ebd99b798a54
展开阅读全文

开通  VIP会员、SVIP会员  优惠大
下载10份以上建议开通VIP会员
下载20份以上建议开通SVIP会员


开通VIP      成为共赢上传

当前位置:首页 > 环境建筑 > 公路桥梁

移动网页_全站_页脚广告1

关于我们      便捷服务       自信AI       AI导航        抽奖活动

©2010-2026 宁波自信网络信息技术有限公司  版权所有

客服电话:0574-28810668  投诉电话:18658249818

gongan.png浙公网安备33021202000488号   

icp.png浙ICP备2021020529号-1  |  浙B2-20240490  

关注我们 :微信公众号    抖音    微博    LOFTER 

客服