收藏 分销(赏)

消防机具设备表.doc

上传人:w****g 文档编号:6566549 上传时间:2024-12-14 格式:DOC 页数:3 大小:75.04KB 下载积分:5 金币
下载 相关 举报
消防机具设备表.doc_第1页
第1页 / 共3页
消防机具设备表.doc_第2页
第2页 / 共3页


点击查看更多>>
资源描述
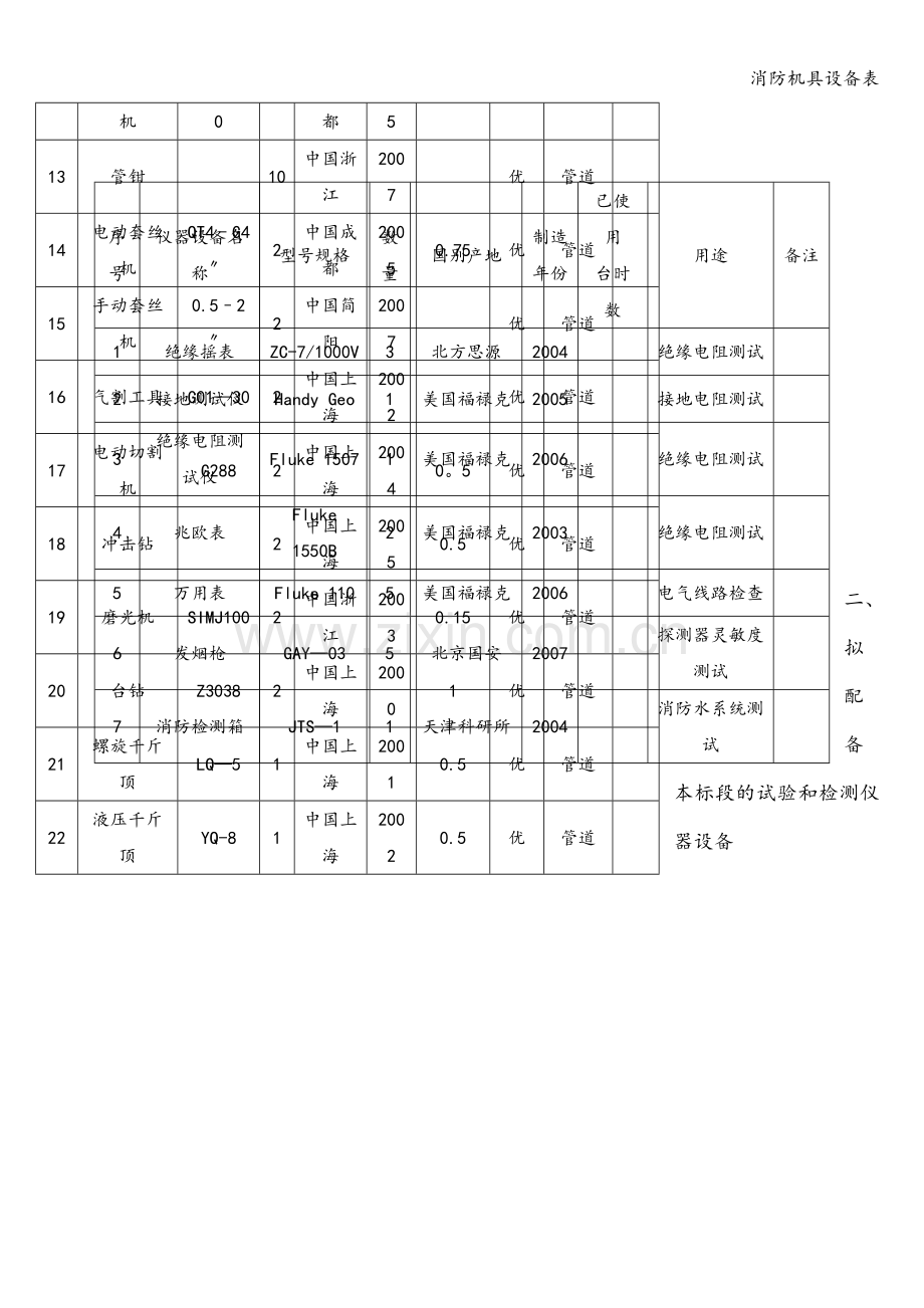
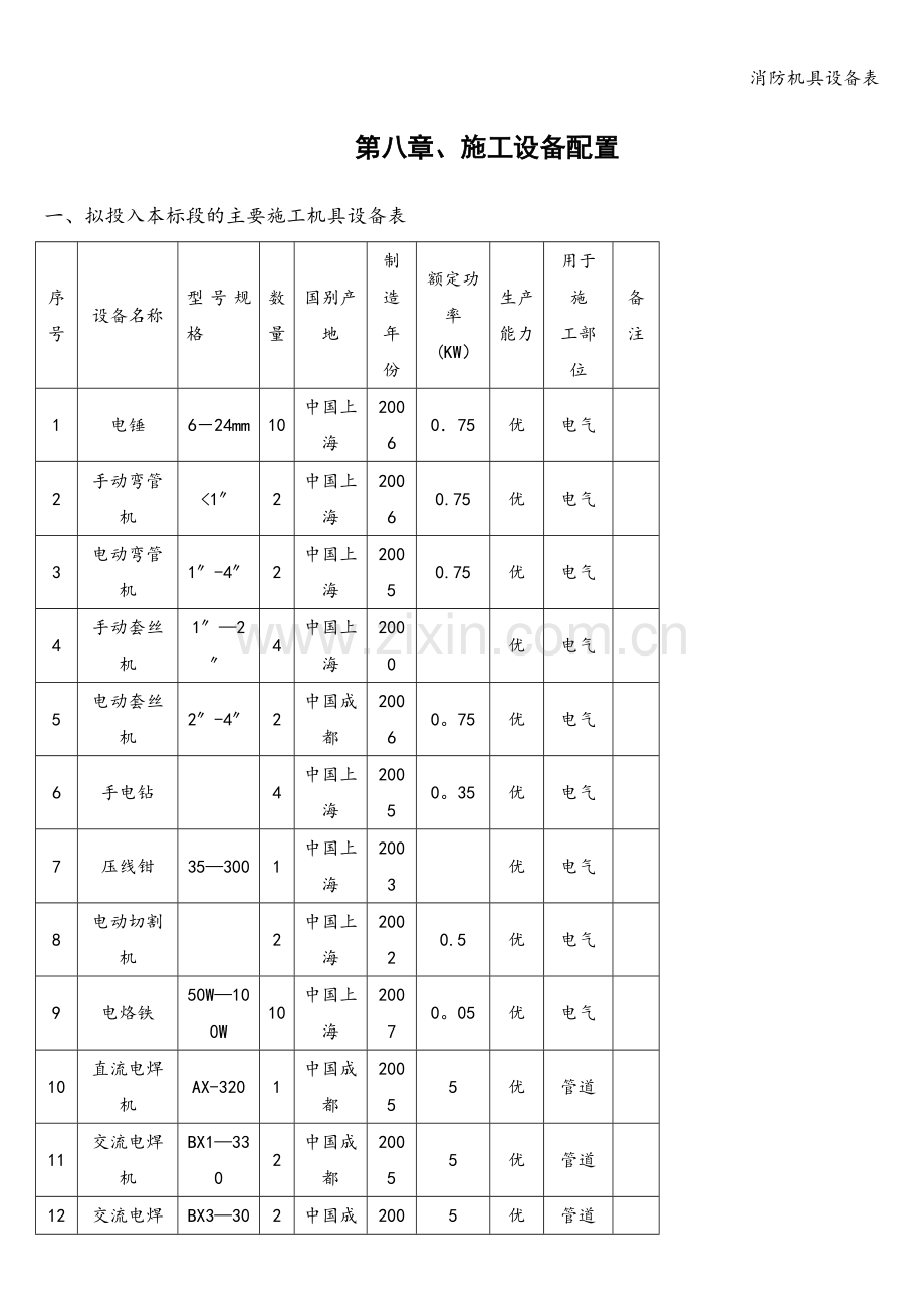
消防机具设备表 第八章、施工设备配置 一、拟投入本标段的主要施工机具设备表 序号 设备名称 型号规格 数量 国别产地 制造 年份 额定功率 (KW) 生产 能力 用于施 工部位 备注 1 电锤 6-24mm 10 中国上海 2006 0.75 优 电气   2 手动弯管机 <1″ 2 中国上海 2006 0.75 优 电气   3 电动弯管机 1″-4″ 2 中国上海 2005 0.75 优 电气   4 手动套丝机 1″—2″ 4 中国上海 2000 优 电气   5 电动套丝机 2″-4″ 2 中国成都 2006 0。75 优 电气   6 手电钻 4 中国上海 2005 0。35 优 电气   7 压线钳 35—300 1 中国上海 2003 优 电气   8 电动切割机 2 中国上海 2002 0.5 优 电气   9 电烙铁 50W—100W 10 中国上海 2007 0。05 优 电气   10 直流电焊机 AX-320 1 中国成都 2005 5 优 管道   11 交流电焊机 BX1—330 2 中国成都 2005 5 优 管道   12 交流电焊机 BX3—300 2 中国成都 2005 5 优 管道   13 管钳 10 中国浙江 2007 优 管道   14 电动套丝机 QT4–G4″ 2 中国成都 2005 0.75 优 管道   15 手动套丝机 0.5–2″ 2 中国简阳 2007 优 管道   16 气割工具 G01—30 2 中国上海 2002 优 管道   17 电动切割机 G288 2 中国上海 2004 0。5 优 管道   18 冲击钻 2 中国上海 2005 0.5 优 管道   19 磨光机 SIMJ100 2 中国浙江 2003 0.15 优 管道   20 台钻 Z3038 2 中国上海 2000 1 优 管道   21 螺旋千斤顶 LQ—5 1 中国上海 2001 0.5 优 管道   22 液压千斤顶 YQ-8 1 中国上海 2002 0.5 优 管道   二、拟配备本标段的试验和检测仪器设备 序号 仪器设备名称 型号规格 数量 国别产地 制造年份 已使用 台时数 用途 备注 1 绝缘摇表 ZC-7/1000V 3 北方思源 2004 绝缘电阻测试   2 接地测试仪 Handy Geo 1 美国福禄克 2005 接地电阻测试   3 绝缘电阻测试仪 Fluke 1507 1 美国福禄克 2006 绝缘电阻测试   4 兆欧表 Fluke 1550B 2 美国福禄克 2003 绝缘电阻测试   5 万用表 Fluke 110 5 美国福禄克 2006 电气线路检查   6 发烟枪 GAY—03 5 北京国安 2007 探测器灵敏度测试   7 消防检测箱 JTS—1 1 天津科研所 2004 消防水系统测试   8 消防检测箱 JXJ-1 1 天津科研所 2004 消防水系统测试   9 消防检测箱 JXJ—2 1 天津科研所 2004 消防水系统测试   10 消防工程验收仪器箱 VC13—E(XJY-III) 1 北京新宇 2004 消防终和性能测试   11 手动试压泵 SB 2 泰州市净化设备厂 2006 水压试验   12 电动试压泵 DSB 2 泰州市净化设备厂 2007 水压试验  
展开阅读全文

开通  VIP会员、SVIP会员  优惠大
下载10份以上建议开通VIP会员
下载20份以上建议开通SVIP会员


开通VIP      成为共赢上传

当前位置:首页 > 包罗万象 > 大杂烩

移动网页_全站_页脚广告1

关于我们      便捷服务       自信AI       AI导航        抽奖活动

©2010-2026 宁波自信网络信息技术有限公司  版权所有

客服电话:0574-28810668  投诉电话:18658249818

gongan.png浙公网安备33021202000488号   

icp.png浙ICP备2021020529号-1  |  浙B2-20240490  

关注我们 :微信公众号    抖音    微博    LOFTER 

客服