收藏 分销(赏)

某基础防水层面积计算书.docx

上传人:pc****0 文档编号:6516287 上传时间:2024-12-10 格式:DOCX 页数:7 大小:317.51KB 下载积分:10 金币
下载 相关 举报
某基础防水层面积计算书.docx_第1页
第1页 / 共7页
某基础防水层面积计算书.docx_第2页
第2页 / 共7页


点击查看更多>>
资源描述
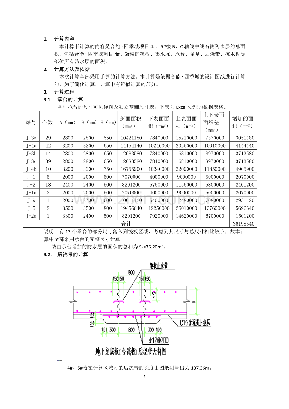
目 录 1.计算内容………………………………………………………………………………………………………………2 2.计算方法和依据………………………………………………………………………………………………….2 3.计算过程…………………………………………………………………………………………………………….2 3.1承台的计算……………………………………………………………………………………………….2 3.2后浇带的计算…………………………………………………………………………………………….2 3.3条基的计算…………………………………………………………………………………………………3 3.4集水坑的计算………………………………………………………………………………………………3 3.5 电梯基坑及相连的集水坑的计算…………………………………………………………….5 3.6 筏板面积的计算 …………………………………………………………………………………….6 3.7计算区域内的总平面面积… ………………………………………………………………………7 3.8防水层的总面积S……………………………………………………………………………………….7 1. 计算内容 本计算书计算的内容是合能∙四季城项目4#、5#楼B、C轴线中线右侧防水层的总面积。包括合能∙四季城项目4#、5#楼的筏板、集水坑、承台、条基、后浇带、抗水板等部位所有防水层的面积。 2. 计算方法及依据 本次计算全部采用手算的计算方法。本计算是依据合能∙四季城的设计图纸进行计算的,为了简化计算,计算中有近似计算的部分。 3. 计算过程 3.1. 承台的计算 各种承台的尺寸可见详图及独立基础尺寸表,下表为Excel处理的数据表格。 编号 个数 A(mm) B(mm) H(mm) 斜面面积(mm2) 下表面面积(mm2) 上表面面积(mm2) 上下表面面积差(mm2) 增加的面积(mm2) J-3a 29 2800 2800 550 10421180 7840000 15210000 7370000 3051180 J-4a 42 3200 3200 650 14154140 10240000 20250000 10010000 4144140 J-3b 14 2800 2800 650 12683580 7840000 16810000 8970000 3713580 J-3c 39 2800 2800 650 12683580 7840000 16810000 8970000 3713580 J-4b 10 3200 3200 750 16755900 10240000 22090000 11850000 4905900 J-1 5 2000 2000 500 7070000 4000000 9000000 5000000 2070000 J-2 18 2400 2400 500 8201200 5760000 11560000 5800000 2401200 J-1a 2 2000 2000 500 7070000 4000000 9000000 5000000 2070000 J-9 1 2000 2700 600 10011120 5400000 12480000 7080000 2931120 J-5 2 3500 3500 800 19456640 12250000 26010000 13760000 5696640 J-2a 1 3300 2400 500 8201200 7920000 14620000 6700000 1501200 合计 36198540 说明:有17个承台的部分尺寸落入到筏板区域,考虑到其尺寸与总尺寸相比较小,故本计算中全部采用承台的完整尺寸计算。 故由承台增加的防水层的面积的总和为S0=36.20m2。 3.2. 后浇带的计算 4#、5#楼在计算区域内的后浇带的长度由图纸测量出为187.36m。 由上图可知,L长度由斜面增加的面积为: s,=(0.414L+1.4L)*2-1.6L=0.0828L 故计算区域内,由后浇带增加的防水面积为: S1=187.36s,=15.51m2。 4. 5. 6. 7. 8. 9. 10. 11. 12. 13. 14. 15. 16. 17. 18. 19. 20. 21. 22. 23. 24. 25. 26. 27. 28. 29. 3.3 条基的计算 抗水板的边侧以及人防墙下有条形基础。 1)边侧抗水板上的条基: 由图可知单位长度的条基增加的防水层的面积为: s,=300*1.414-300=124.20mm2 由设计图纸可查得此类条形基础的总长度为L=238634.57mm 故增加的总面积为: S‘=L*s,=29.64m2。 2)人防墙处的条基: 人防墙下的条基尺寸见右图。由图可知人防墙下的条基增加的尺寸来自于竖直侧壁。 由设计图纸可知人防墙下的条基的总长度为75947mm 故增加的总面积为: S“=75947*2*200=30.38m2。 故由条基增加的总面积为: S2=S’+S”=60.02m2。 3.4 集水坑的计算 1)抗水板上的集水坑(4个) 由尺寸可知,一个抗水板上的集水坑增加的面积为: S’=4002*1200*2+4002*800*2+2000*1600+2000*200*2+1600*200* 2=4.64m2 4个增加的总面积为为: Sj1=4*4.64=18.56m2。 2)条基旁的集水坑(8个,图略) 有设计图纸可知条基旁的集水坑的尺寸有两种。一种为人防集水坑,尺寸为750mm*750mm,共2个;另一种的尺寸为1200mm*800mm,共6个。 由于条基旁的集水坑倾斜部分的尺寸较小,为简化计算,按竖直计算。由设计图纸可按以下三类进行计算: Stj1=1000-300*750+1000*750*3=2.78m2 Stj2=(1000-300)*1200+1200*1000+800*1000*2=3.64m2 Stj3=1000-300*1200+1000-300*800+1200*1000+800*1000=3.40m2 S3= 2*Stj1 +5*Stj2+ Stj3=27.16m2。 3)筏板旁的集水坑(1个) 筏板上的集水坑有相邻的两边与筏板相连,另外两边与抗水板相连。 集水坑斜面的总面积为: Sx=1200+650+400+1200+650+400+1400*2*1400*1.414*12*2+ 2000+650+400+2000+650+400+1400*2*1400*1.414*12*2 =32.07m2 集水坑增加的总面积为: S4=Sx+(2000+400+650)*(1200+400+650)-(2000+400+650+1400*2)*(1200+400+650+1400*2)=9.39m2。 4)筏板上的集水坑(5个) 筏板上的集水坑一共有5个,其中有4个与电梯井相连,将在电梯井基坑计算中一起计算,此处仅计算另外一个筏板上的集水坑的防水层面积。 筏板上的集水坑四面都是450倾角。有设计图纸可得该集水坑增加的防水层面积为: S5=1414*(750+650*2)*4+(750+650*2)2-(750+650*2+1000*2)2=5.05m2。 3.5 电梯基坑及相连的集水坑的计算 电梯基坑及相连的集水坑在4#、5#楼一共有四个,且尺寸相同。此处以一个计算为例。 为了方便计算,下面绘制了一张立体简图,方便计算。 面积计算:S1‘=(3350+6850)*2475.5*1/2=12625050mm2 S2‘=4000*2475.5*2=19804000 mm2 S3‘=4000*3350=13400000 mm2 S4‘=1/2*2750*(2475.5+1414)*2=21392250 mm2 S5‘=(3300+2750*2+3300)*(1414+2475.5)*1/2*2=47062950 mm2 S6‘=3300*3350=13400000 mm2 S7‘=(3350+8850)*3889.5*1/2=23725950 mm2 S8‘=3350*1414=4736900 mm2 上表面按平面计算的面积为: S9‘=6850*4000+8800*8850=105280000 mm2 故增加的总面积为: S6=(S1‘+ S2‘……+ S8‘)- S9‘=48.52m2 3.6 筏板面积的计算 1)4#楼 由设计图可以得到: 筏板下表面的面积为:1435.78m2,斜面上表面的面积为:1745.41m2。 平均周长为:309.14m。 由于斜面额倾角为45度,故斜面的面积为: 309.14*1.414=437.12m2 增加面积为:S7=1435.78+309.14-1745.41+ S6*2=127.49m2 2)5#楼 由设计图可以得到: 筏板下表面的面积为:1739.29m2,斜面上表面的面积为:1965.19m2。 平均周长为:225.90m。 由于斜面额倾角为45度,故斜面的面积为: 225.90*1.414=319.42m2 增加面积为:S8=1739.29+1965.19-1745.41+ S6*2=93.52m2 3.7计算区域内的总平面面积 由设计图可查的计算区域内的总平面面积为:Sp=13412.56m2 3.8防水层的总面积S S= Sp+ S0 +S1 +S2+ S3+ S4+ S5+ S7+S8 =13412.56+36.20+15.51+60.02+27.16+9.39+5.05+127.49+93.52 =13786.90m2 7
展开阅读全文

开通  VIP会员、SVIP会员  优惠大
下载10份以上建议开通VIP会员
下载20份以上建议开通SVIP会员


开通VIP      成为共赢上传

当前位置:首页 > 包罗万象 > 大杂烩

移动网页_全站_页脚广告1

关于我们      便捷服务       自信AI       AI导航        抽奖活动

©2010-2026 宁波自信网络信息技术有限公司  版权所有

客服电话:0574-28810668  投诉电话:18658249818

gongan.png浙公网安备33021202000488号   

icp.png浙ICP备2021020529号-1  |  浙B2-20240490  

关注我们 :微信公众号    抖音    微博    LOFTER 

客服