收藏 分销(赏)

AP5054HTCER 4.2V线性电源管理芯片-AP5054H规格书_骊微电子.pdf

上传人:骊微电****杜S 文档编号:63833 上传时间:2022-04-16 格式:PDF 页数:6 大小:384.10KB 下载积分:2 金币
下载 相关 举报
AP5054HTCER 4.2V线性电源管理芯片-AP5054H规格书_骊微电子.pdf_第1页
第1页 / 共6页
AP5054HTCER 4.2V线性电源管理芯片-AP5054H规格书_骊微电子.pdf_第2页
第2页 / 共6页


点击查看更多>>
资源描述
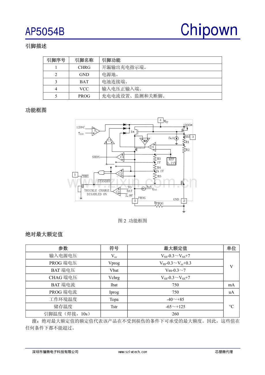
<p>AP5054B Chipown SOT封装封装 具有热调节功能的独立线性锂电池充电器具有热调节功能的独立线性锂电池充电器概述 概述 AP5054B 是一个完整的单片锂离子电池恒流/恒压线性电源管理芯片, 其 SOT 封装和极少的外围元件非常适合应用于便携式产品,而且 AP5054B 专门设计适用于 USB 的供电规格。基于内部 MOSFET结构,不需要外部感应电阻和隔离二极管,当外部环境温度过高或在大功率工作时,热反馈可以调节充电电流以降低芯片温度。充电电压被固定在4.2V,充电电流可通过外部电阻设置。当充电电流在达到最终浮充电压之后降至设定值 1/10 时,AP5054B 将自动终止充电循环。当输入端(适配器或USB电源)拔掉后,AP5054B自动进入低电流状态, 电池漏电流将降到2A以下。AP5054B还可被设置于停止工作状态,使电源电流降到25A。 其余特性包括:充电电流监测,欠压锁闭,自动再充电和状态引脚以显示充电结束。应用 应用 ?手机、 PDA、 MP3、MP4? 充电器? 蓝牙、GPS导航仪特性 特性 ? 可编程充电电流,可达 750mA? 不需外接 MOSFET, 传感电阻和隔离二极管? 用于单节锂离子电池、采用 SOT封装的完整线性充电器? 恒流/恒压充电和热度调节功能使得充电过程高效管理,而无过热危险? 直接从 USB 接口管理单节锂离子电池充电? 预设充电电压 4.2V? 充电电流输出监控? 自动重新充电? 充电状态指示? 1/10 充电电流终止充电? 停止工作状态电流25uA? 2.9V涓流充电阀值电压? 软启动限制浪涌电流? 5脚 SOT-23 封装形式封装封装SOT23-5L 典型应用电路图 典型应用电路图 图1 典型应用电路 深圳市骊微电子科技有限公司w w w .s z l w t e ch .co m芯朋微代理AP5054B Chipown 引脚描述引脚描述引脚序号引脚名称引脚功能引脚序号引脚名称引脚功能1CHRG开漏输出充电指示端。2GND电源地。3BAT电池连接端。4VCC输入电压正输入端。5PROG充电电流设置、监测和关断脚。功能框图功能框图图 2 功能框图 绝对最大额定值 绝对最大额定值 参数符号最大额定值单位参数符号最大额定值单位输入电源电压VccVSS-0.3VSS+7 PROG 端电压 Vprog VSS-0.3Vcc+0.3 BAT 端电压 Vbat Vss-0.37 CHAG 端电压 Vchrg VSS-0.3VSS+7 V BAT 端电流 Ibat750mAPROG 端电流 Iprog750uA工作环境温度Topa -40+85储存温度Tstr -65+125 引脚温度(焊接,10s) 260C 注:注:绝对最大额定值的额定值代表该产品在不受到损伤的条件下可承受的最大额度。因此,这些值在任何条件下都不能超过。深圳市骊微电子科技有限公司w w w .s z l w t e ch .co m芯朋微代理AP5054B Chipown Ibat vs VBAT01002003004005006002.72.93.13.33.53.73.94.14.3VBAT(V)Ibat(mA)VCC=5V,RPROG=2KICHRG vs VCHRG051015202530012345678VCHRG(V)ICHRG(mA)VCC=5V,VBAT=4V深圳市骊微电子科技有限公司w w w .s z l w t e ch .co m芯朋微代理AP5054B Chipown 深圳市骊微电子科技有限公司w w w .s z l w t e ch .co m芯朋微代理AP5054B Chipown 封装信息 封装信息 深圳市骊微电子科技有限公司w w w .s z l w t e ch .co m芯朋微代理AP5054B Chipown 重要声明重要声明芯朋微电子股份有限公司保留更改规格的权利, 恕不另行通知。 芯朋微电子股份有限公司对任何将其产品用于特殊目的的行为不承担任何责任, 芯朋微电子股份有限公司没有为用于特定目的产品提供使用和应用支持的义务。芯朋微电子股份有限公司不会转让其专利许可以及任何其他的相关许可权利。深圳市骊微电子科技有限公司w w w .s z l w t e ch .co m芯朋微代理</p>
展开阅读全文

开通  VIP会员、SVIP会员  优惠大
下载10份以上建议开通VIP会员
下载20份以上建议开通SVIP会员


开通VIP      成为共赢上传
相似文档                                   自信AI助手自信AI助手

当前位置:首页 > 行业资料 > 家电行业

移动网页_全站_页脚广告1

关于我们      便捷服务       自信AI       AI导航        抽奖活动

©2010-2025 宁波自信网络信息技术有限公司  版权所有

客服电话:0574-28810668  投诉电话:18658249818

gongan.png浙公网安备33021202000488号   

icp.png浙ICP备2021020529号-1  |  浙B2-20240490  

关注我们 :微信公众号    抖音    微博    LOFTER 

客服