收藏 分销(赏)

原料气精制和氨合成系统开车运行总结 - 南京国昌化工科技有限公司_.docx

上传人:xrp****65 文档编号:6135433 上传时间:2024-11-28 格式:DOCX 页数:9 大小:76.73KB 下载积分:10 金币
下载 相关 举报
原料气精制和氨合成系统开车运行总结 - 南京国昌化工科技有限公司_.docx_第1页
第1页 / 共9页
原料气精制和氨合成系统开车运行总结 - 南京国昌化工科技有限公司_.docx_第2页
第2页 / 共9页


点击查看更多>>
资源描述
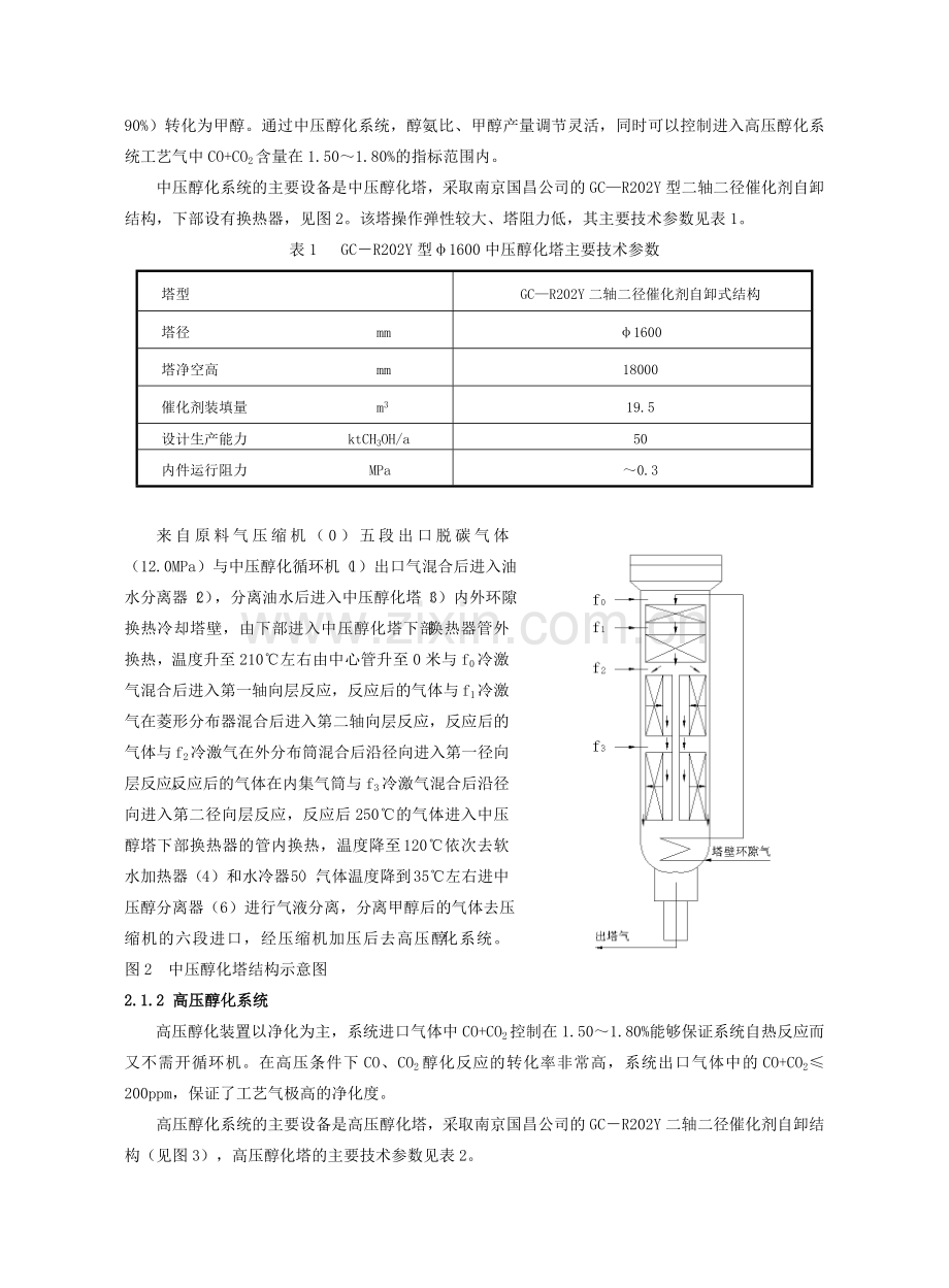
原料气精制和氨合成系统开车运行总结 张兴德 张培玉 山东联盟化工股份有限公司 邮编:262700 1 概述 山东联盟化工股份有限公司地处山东寿光市,合成氨生产能力300kt/a,主要产品有400kt/a 尿素、175kt/a甲醇等。2005年公司领导根据化肥、甲醇的市场行情和企业发展的需要,审时度势,本着“生产扩能、节能降耗、环保优先、提高效益” 的原则,决定分两步实施“36·60” 工程,一期工程合成氨能力180kt/a、尿素300kt/a,同时副产甲醇60kt/a,要求尽可能采用经过考验,技术成熟,切实可行的先进工艺和设备,以确保安全生产,清洁生产,并为科学管理,文明生产,减少检修工作量创造条件。公司经考察、论证后决定选用南京国昌化工科技有限公司的“全自热非等压醇烷化”工艺和氨合成技术,并委托国昌公司对合成氨原料气净化和氨合成装置进行设计。 2 系统组成 2.1“全自热非等压醇烷化”系统 “全自热非等压醇烷化”系统由中压醇化、高压醇化和高压烷化三个子系统组成,工艺流程见图1。 图1 “全自热非等压醇烷化”工艺流程示意图 2.1.1 中压醇化系统 中压(12.0~16.0MPa)醇化装置以产醇为主,将脱碳气中3.5~8.0%的CO+CO2大部分(80~90%)转化为甲醇。通过中压醇化系统,醇氨比、甲醇产量调节灵活,同时可以控制进入高压醇化系统工艺气中CO+CO2含量在1.50~1.80%的指标范围内。 中压醇化系统的主要设备是中压醇化塔,采取南京国昌公司的GC—R202Y型二轴二径催化剂自卸结构,下部设有换热器,见图2。该塔操作弹性较大、塔阻力低,其主要技术参数见表1。 表1 GC-R202Y型φ1600中压醇化塔主要技术参数 塔型 GC—R202Y二轴二径催化剂自卸式结构 塔径 mm φ1600 塔净空高 mm 18000 催化剂装填量 m3 19.5 设计生产能力 ktCH3OH/a 50 内件运行阻力 MPa ~0.3 来自原料气压缩机(0)五段出口脱碳气体(12.0MPa)与中压醇化循环机(1)出口气混合后进入油水分离器(2),分离油水后进入中压醇化塔(3)内外环隙换热冷却塔壁,由下部进入中压醇化塔下部换热器管外换热,温度升至210℃左右由中心管升至0米与f0冷激气混合后进入第一轴向层反应,反应后的气体与f1冷激气在菱形分布器混合后进入第二轴向层反应,反应后的气体与f2冷激气在外分布筒混合后沿径向进入第一径向层反应,反应后的气体在内集气筒与f3冷激气混合后沿径向进入第二径向层反应,反应后250℃的气体进入中压醇塔下部换热器的管内换热,温度降至120℃依次去软水加热器(4)和水冷器(5),气体温度降到35℃左右进中压醇分离器(6)进行气液分离,分离甲醇后的气体去压缩机的六段进口,经压缩机加压后去高压醇化系统。 图2 中压醇化塔结构示意图 2.1.2 高压醇化系统 高压醇化装置以净化为主,系统进口气体中CO+CO2控制在1.50~1.80%能够保证系统自热反应而又不需开循环机。在高压条件下CO、CO2醇化反应的转化率非常高,系统出口气体中的CO+CO2≤200ppm,保证了工艺气极高的净化度。 高压醇化系统的主要设备是高压醇化塔,采取南京国昌公司的GC-R202Y二轴二径催化剂自卸结构(见图3),高压醇化塔的主要技术参数见表2。 表2 GC-R202Y型φ1400高压醇化塔主要技术参数 塔型 GC-R202Y二轴二径催化剂自卸式结构 塔径 mm φ1400 塔净空高 mm 16000 催化剂装填量 m3 14.5 生产能力 ktCH3OH/a ≥10 内件运行阻力 MPa ~0.3 来自压缩机(0)六段出口25.6MPa的气体,经高压醇烷化系统的新鲜气油分(7)分离油水后进入高压醇化塔(9)内件与环隙之间自上而下换热,换热后的气体经高压醇化换热器(10)进一步提温后,进入高压醇化塔内件下部换热器,温度升至210℃由中心管进入催化剂床层反应(催化剂床层气体路径与中压醇化塔相似,此处略),温度升至240℃,气体中CO+CO2≤200ppm时出塔,依次进入高压醇化换热器(10)、高压醇化水冷器(11),温度降到35℃左右进入高压醇化甲醇分离器(12),分离副产的甲醇后去进高压醇洗塔(13),洗涤分离后的气体去高压烷化系统。 2.1.3 高压烷化系统 高压烷化系统的作用是将高压醇化系统出口工艺气中微量的CO+CO2(≤200ppm)甲烷化反应,深度净化工艺气,确保高压烷化系统出口工艺气中的 图3 高压醇化塔结构示意图 CO+CO2≤10ppm。 表3 GC-R201Y型φ1200高压烷化塔主要技术参数 塔型 GC-R201Y二轴一径催化剂自卸式结构 塔径 mm φ1200 塔净空高 mm 16000 催化剂装填量 m3 11.5 内件运行阻力 MPa ~0.2 高压烷化系统的主要设备是高压烷化塔(图4),采取南京国昌公司的GC-R201Y型二轴一径催化剂自卸结构(见图4),高压烷化塔的主要技术参数见表3。 来自高压醇化系统的气体进入高压烷化换热器(14)换热,温度升到180℃左右后进入提温换热器(15)换热,换热后的260℃高温气体进入高压烷化塔(16)催化剂床层反应,将气体中微量的CO+CO2(≤200ppm)转化为H2O和CH4,反应后的气体离开烷化塔进入高压烷化换热器的管内换热,温度降到65℃左右进入高压烷化水冷器(17),离开高压烷化水冷器的35℃气体进入高压烷化氨冷器(18)进一步冷却,气体温度降到8℃进入高压烷化水分离器(19)进行气液分离,分离后的气体(CO+CO2含量小于10ppm)去氨合成系统。 “全自热非等压醇烷化”工艺中,中压醇化系统单独配置循环机(1)。高压醇化和高压烷化共同设置循环机(20),通过设置控制阀门做到各自独立或串联使用。由于高压醇烷化正常不开循环机(20),主要在催化剂升温还原和开停车时使用,高压醇烷化循环机(20)配置一 图4 高压烷化塔结构示意图 台,氨合成循环机通过阀门的切换可以作为高压醇烷化循环机的用途。 2.2 氨合成系统 2.2.1 氨合成塔 氨合成系统的核心设备是氨合成塔,采取南京国昌的GC—R212ZY型二轴二径催化剂自卸结构,一个层间换热器和一个下部换热器均处在催化剂中间(见图5),其主要技术参数见表4。 表4 GC—R212ZY型φ2000氨合成塔主要技术参数 塔型 GC—R212ZY型二轴二径催化剂自卸式结构 塔径 mm φ2000 塔净空高 mm 18000 催化剂装填量 m3 33.5 生产能力 kt/a 经济运行:180 实际能力:≥200 内件运行阻力 MPa 0.4~0.6 0.4~0.6 2.2.2 工艺流程 经循环机(1)加压的循环气进入循环机油分(2)分离气体中的油,分离后的循环气分两路:一路约占总气量30%的气体作为合成塔一次气沿氨合成塔(4)塔壁自上而下,冷却塔壁后一部分用作冷激气送至塔顶作为f2冷激气调节第一径向层温度,另一部分气体与另一路约占总气量70%的气体混合进入热交换器(3)管间,与管内气体换热至180℃后分四路进入氨合成塔。 ① f0塔副线由塔顶进入氨合成塔调节零米温度; ② f1冷激气从塔顶进入催化剂层调节第二轴向层温度; ③ f3从塔底进入一径向层中心换热器,调节第 二径向层温度; ④ 二次入塔气经下部换热器换热后与f3汇合进入层间换热器; 反应后的工艺气经下部换热器换热后,温度~300℃离开氨合成塔。反应后的气体经废热锅炉(5)换热副产1.3MPa的蒸汽后进入换交换器管内加热入塔气, 图5 氨合成塔结构示意图 换热后进入水冷器(6)冷却至36℃左右进入冷交换器(7)换热段回收冷量,然后进入冷交换器的分离段分离液氨。分离液氨后的气体进入氨冷器(8)降温后与补充的新鲜气汇合进入氨分离器(9)进行气液分离。分离后的气体进入冷交换器壳程换热,换热后的气体经循环机提压、热交换器换热后进入氨合成塔进行氨合成反应。冷交换器和氨分离器分离下来的液氨送往氨罐(见图6)。 图6 氨合成系统工艺流程示意图 3 催化剂的升温还原及系统运行 3.1 催化剂的升温还原 中压醇化、高压醇化、高压烷化、氨合成的催化剂升温还原期间比较顺利,从2006年9月29日20:30高压烷化升温开始,到2006年10月13日06:00四套系统的催化剂陆续还原结束转入轻负荷运行。由于新建装置较大,单元数较多,因此为了稳妥起见,催化剂首次升温还原的顺序:首先利用脱碳气对高压烷化催化剂进行升温还原,再利用合格的烷化气(即高氢)对中压醇化催化剂还原,中压醇化催化剂还原还未结束时对高压醇化催化剂升温还原,合格的烷化气最后供氨合成催化剂升温还原。 3.1.1 非等压醇烷化系统催化剂的还原 高压烷化塔装填四川亚联生产的KJ108-2Q型镍系催化剂11.28m3,20个小时顺利完成了升温还原。 中压、高压醇化塔催化剂装填南化研究院生产的C207和C306,全部采用高氢、高空速整体还原法。升温还原过程分为升温期、还原初期、还原中期和还原末期四个阶段,在整个还原过程中催化剂床层温度控制平稳、出水顺利。中压醇化和高压醇化催化剂升温还原时间均为85小时左右。 3.1.2 氨合成催化剂的还原 氨合成系统采用浙江工业大学研制的A301亚铁基氨合成催化剂,装填量33.5m3。还原过程采用分段还原法,每段升温还原出水均错开进行,上段催化剂还原主期结束,下段催化剂进入还原初期,保证在还原过程中水汽浓度指标合格,同时避免上段催化剂大量出水,下段催化剂出现反复氧化还原的现象,从而保证了还原后的催化剂具有较高的活性。各层催化剂依次经过升温期、还原初期、还原主期、还原末期四个阶段,整个升温还原过程按照“三高四低”(高空速、高氢、高电炉功率和低水汽浓度、低温、低氨冷温度、低压力)的原则进行,床层温度及其它各项指标控制平稳。氨合成催化剂升温还原190小时。 3.2 系统运行 2006年10月13日氨合成催化剂还原结束后,系统转入轻负荷并逐步加负荷,平均达到日产合成氨600吨,甲醇(折精醇)230吨,根据估算中压醇和高压醇产量分别为195吨和35吨。如果前工序条件具备,中压醇产量还可以适当提高。高压醇不带电炉不开循环机,进塔气中CO+CO2含量1.2~1.8%能够完全实现自热平稳操作。系统自投运以来,生产一切正常,满足了设计的要求(见表5)。 4 结论 根据生产的运行情况可知:南京国昌化工科技有限公司的“非等压醇烷化”和氨合成技术在我公司“36·60”一期工程应用非常成功,系统运行安全、稳定、可靠,运行指标达到或优于设计值。 4.1 非等压醇烷化系统 (1)操作弹性大,将原料气中CO+CO2几乎全部转化成甲醇副产品,醇氨比调节灵活,完全实现了调整产品结构和净化的目的。 (2)净化度高:高压醇化系统出口CO+CO2为140~180ppm,烷化气的微量CO+CO2≤5ppm,对减少有效气体损失,保护合成氨催化剂,延长合成氨催化剂使用寿命十分有利。 (3)φ1600中压醇化塔、φ1400高压醇化塔和φ1200高压烷化塔操作方便,调节控制平稳,各催化剂层升、降温快捷易行,催化剂升温还原操作方便、催化剂还原彻底。 (4)中压醇化系统、高压醇化系统、高压烷化系统阻力小,有效地降低了压缩机功耗。 (5)系统实现自热平衡,高压醇烷化装置正常生产时不开循环机。 表5 系统生产运行数据(2007年1月9日) 运行指标 设计值 运行值 备注 φ2000氨合成系统 合成氨产量 t/d 600 600 压缩机满量为600t/d 系统压力 MPa 25.0 22~23 塔阻力 MPa ≤0.6 ~0.5 系统阻力 MPa ≤1.8 ~1.7 氨净值 % ≥12 ~11(分析数据) 循环机三台全开 (设计两开一备) 12.5(计算数据) 入塔甲烷含量 % 16 ~23 入塔氨含量 % 3.0(氨冷0~-5℃) ~3.0(氨冷0℃) 合成塔同平面温差 ℃ ≤25 ≤18 φ1600中压醇化系统 系统压力 MPa 15.0 10~12 醇化塔阻力 MPa 0.6 0.33 系统阻力 MPa 1.0 0.4 系统进口CO+CO2 % 4~8 6~8 系统出口CO+CO2 % 0.7~1.5 ~0.7 φ1400高压醇化系统 系统压力 MPa 25.0 22~24 醇化塔阻力 MPa 0.6 ≤0.1 系统进口CO+CO2 % 1.2~1.8 1.2~2.0 系统出口CO+CO2 ppm ≤200 50~160 φ1200高压烷化系统 系统压力 MPa 25.0 22~24 烷化塔阻力 MPa 0.6 ≤0.1 系统进口CO+CO2 ppm ≤200 140~180 系统出口CO+CO2 ppm ≤10 2~5 4.2 氨合成系统 (1)南京国昌公司开发、设计、制造的国产化最大的第一台φ2000轴径向氨合成塔和氨合成系统,在我公司得到了成功的应用,并且技术非常先进可靠。GC型反应器的大型化无论是平面温差、气体分布等工艺参数还是结构的可靠性等方面,都具有很大的优势。 (2)Φ2000合成塔内件使用后的气体分布均匀、温度分布合理、平面温差小,表明零米分布器、菱形分布器及鱼鳞筒分布器的设计制造是先进可行、成熟可靠,完全符合轴径向流技术特点和要求。 (3)氨合成塔操作方便容易,床层温度调节控制平稳。 (4)系统操作运行压力低、阻力小、能耗低。 (5)从表5相关的参数看,如果前工序条件具备,在运行压力25.0MPa,CH4≤20%条件下,日产合成氨可以达到640吨。
展开阅读全文

开通  VIP会员、SVIP会员  优惠大
下载10份以上建议开通VIP会员
下载20份以上建议开通SVIP会员


开通VIP      成为共赢上传

当前位置:首页 > 环境建筑 > 其他

移动网页_全站_页脚广告1

关于我们      便捷服务       自信AI       AI导航        抽奖活动

©2010-2025 宁波自信网络信息技术有限公司  版权所有

客服电话:0574-28810668  投诉电话:18658249818

gongan.png浙公网安备33021202000488号   

icp.png浙ICP备2021020529号-1  |  浙B2-20240490  

关注我们 :微信公众号    抖音    微博    LOFTER 

客服