收藏 分销(赏)

PN8275W X电容放电芯片-骊微电子

上传人:深圳****子科... 文档编号:60669 上传时间:2021-12-23 格式:PDF 页数:11 大小:730.11KB 下载积分:10 金币
下载 相关 举报
PN8275W X电容放电芯片-骊微电子_第1页
第1页 / 共11页
PN8275W X电容放电芯片-骊微电子_第2页
第2页 / 共11页


点击查看更多>>
资源描述
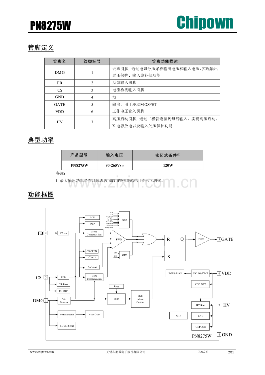
PN8275W Chipown 无锡芯朋微电子股份有限公司 Rev.2.5 1/11 带高压启动模块带高压启动模块交直流转换芯片交直流转换芯片 概述概述 PN8275W内部集成了电流模式控制器和高压启动模块,专用于高性能、外围元器件精简的交直流转换开关电源。该芯片通过PWM、PFM、Burst-mode的三种模式混合调制技术和特殊器件低功耗结构技术实现了超低的待机功耗、全电压范围下的最佳效率。频率调制技术和Soft-Driver技术充分保证系统的良好EMI表现。同时,PN8275W还提供了极为全面和性能优异的智能化保护功能,包括输入欠压保护、X电容放电功能、输出过压保护、外部OTP保护、周期式过流限制、过载保护、软启动功能。 产品特征产品特征 内置高压启动电路 PWM、PFM、Burst-mode混合模式提高效率 内置输入欠压保护 内置X电容放电功能(通过IEC62368-1:2014认证) 空载待机功耗 50 mW 230VAC 改善EMI的频率调制技术 供电电压840V,适合宽输出电压应用 线电压补偿外部可调 优异全面的保护功能 过温保护 (OTP) 输出过压保护 逐周期过流限制 输出开/短路保护 专利的DMG电阻短路保护 次级整流管短路保护 过负载保护(OLP) 应用领域应用领域 待机电源 开放式开关电源 适配器 封装封装/订购信息订购信息 SOP7VDDHVFBGATECSGNDDMG 订购代码订购代码 封装封装 PN8275SSC-R1W SOP7 典型应用典型应用 FBSnubberACDC OutputOTPBlockPWM Switch & Gate DriverSUPPLY&UVLOVDDPN 8275WVin/VoutdetectCSBlockFBBlockGNDDMGBlockDMGGATECSInputStartBlockHVBNO&UNPLUGBlockNsNpNa PN8275W Chipown 无锡芯朋微电子股份有限公司 Rev.2.5 2/11 管脚定义管脚定义 管脚名管脚名 管脚标号管脚标号 管脚功能描述管脚功能描述 DMG 1 去磁引脚, 通过电阻分压采样输出电压和输入电压, 实现输出过压保护、输入线补偿功能 FB 2 反馈输入引脚 CS 3 电流检测输入引脚 GND 4 地 GATE 5 输出,用于驱动MOSFET VDD 6 工作电压输入引脚 HV 7 高压启动引脚, 通过二极管连接到母线输入,实现高压启动、X 电容放电以及输入欠压保护功能 典型功率典型功率 产品型号产品型号 输入电压输入电压 密闭密闭式条件式条件(1) PN8275W 90-265VAC 120W 备注: 1. 最大输出功率是在环境温度 40的密闭式应用情形下测试。 功能功能框图框图 UVLO&VINTBGR&BIASVDD OVPVout DetectorVout OVPVin Detector2nd OCPSoftstartLEBOLPVline CompensationPWM Slope CompensationSCPCS OPEN1/AvcsQQSETCLRSRRSQDMGCSFBDRVGATEMulti Mode ControlVDDOTPJitterCS ShortRDMG ShortCS OTPHV StartBNOHVUNPLUGOSCOFFFaultSCPOLPCS OPEN2nd OCPCS OTPVout OVPVDD OVPRcs ShortRdmg ShortOTPBNO1237654GNDPN8275W PN8275W Chipown 无锡芯朋微电子股份有限公司 Rev.2.5 3/11 极限工作范围极限工作范围 VDD 脚耐压.-0.343V FB,CS 脚耐压.-0.36.5V DMG 脚耐压(IDMG10mA)-16.5V GATE 脚耐压.-0.315V HV脚耐压. -0.3800V 结工作温度范围.-40150 C 存储温度范围.-55150 C 管脚焊接温度 (10 秒) .260 C 封装热阻 JC (SOP7).40 C /W 人体模式 ESD 能力(1)(HBM) . 4kV 机器模式 ESD 能力(2)(MM). 300V 备注:1. 产品委托第三方严格按照芯片级ESD 标准(ESDA/JEDEC JS-001-2017)中的测试方式和流程进行测试。 2. 产品委托第三方严格按照芯片级 ESD 标准(JESD22-A115C)中的测试方式和流程进行测试。 3. 芯片引脚可以承受200mA/10ms 内不损坏。 电气特性电气特性 (TA = 25 C, VDD=20V , 除非另有说明) 参数参数 符符号号 条件条件 最小值最小值 典型值典型值 最大值最大值 单位单位 HV部分部分 启动管耐压 BVHV IHV = 250uA 800 830 900 V 启动管启动电流 I_HV VDD=VDDoff - 1 HV=500V 1 1.5 2 mA 关态漏电流 IOFF HV =500V 5 18 30 A X电容放电阈值 V_UNPLUG 35 V 下电检测触发持续时间 Td_UNPLUG 50 75 90 ms HV部分部分- Brown/in out Brown In阈值 VBNI Rhv=10k 98 104 116 V Brown In触发持续时间 Td_BNI 150 us Brown Out阈值 VBNO 76 85 96 V Brown Out触发持续时间 Td_BNO 90 135 200 ms VDD电压部分电压部分 VDD启动阈值电压 VDDon 17 18 19 V VDD欠压保护阈值电压 VDDoff 7 8 9 V VDD过压保护电压 VDDovp 38 40.5 43 V VDD过压保护延迟时间 Td_OVP 60 80 100 us BM下持续工作VDD阈值 Vhold-up 7.5 9 10.5 V VDD电流电流部分部分 开关态工作电流 IVDD0 1 1.5 3.0 mA 间歇态工作电流 IVDD1 0.1 0.65 1.5 mA 保护态工作电流 IVDD_Fault After OVP 0.1 0.8 1.5 mA 振振荡器荡器部分部分 开关频率 Fosc 60 65 70 kHz 间歇态工作频率 Fosc_BM 20 24 28 kHz 频抖调制频率 F_jitter 24 30 36 Hz PN8275W Chipown 无锡芯朋微电子股份有限公司 Rev.2.5 4/11 参数参数 符符号号 条件条件 最小值最小值 典型值典型值 最大值最大值 单位单位 频抖范围 Fosc 6 % FB检测部分检测部分 FB 开路电压 VFB 4.8 5.2 5.8 V FB 短路电流 IFB_SHORT 0.14 0.2 0.26 mA 最大占空比 Dmax 70 80 90 降频模式阈值电压 VFB_PFM 2.3 2.5 2.7 V 进入间歇模式阈值电压 VFB_BM_L 1.05 1.15 1.25 V 退出间歇模式阈值电压 VFB_BM_H 1.15 1.25 1.35 V 过载保护阈值电压 Vth_OLP 4.1 4.4 4.7 V 过载保护延迟时间 Td_OLP 48 60 72 ms FB 与 CS电压比 Avcs 3.5 V/V CS电流检测部分电流检测部分 软启动时间 Tss 6.4 8 9.6 ms 前沿消隐时间 TLEB 320 ns CS峰值检测比较器最大阈值 Vcs_max 0.74 0.76 0.78 V CS检测延时(内部电路延迟、功率管开关延迟、 系统感量等多因素相关) Td_cs 120 150 195 ns 次级整流短路保护阈值电压 VDSP 1.1 V 次级整流短路保护延迟时间 Td_DSP 7 Cycles CS OTP 保护阈值 V_CSOTP 0.8 0.82 0.84 V DMG检测部分检测部分 过压保护阈值电压 VDMG_OVP 2.85 3 3.15 V DMG 过压保护延迟时间 Td_DOVP 7 Cycles 斜坡补偿最小占空比 Duty_Slope Fosc=65kHz 25 35 45 % 最大开启时间 Ton_max 10 12 14 us GATE驱动部分驱动部分 输出低电平 VOL 1 V 输出高电平 VOH 6 V 输出钳位电压 V_clamping CS=0.3V,FB=3V 11 13 15 V 输出上升时间 T_r CL=1000pF 130 ns 输出下降时间 T_f CL=1000pF 40 ns 过温保护部分过温保护部分 过温保护温度 TSD 130 145 C 过温保护回差 THYST 30 C PN8275W Chipown 无锡芯朋微电子股份有限公司 Rev.2.5 5/11 特性特性曲线曲线 -50-2502550751001256007008009001000BVHV (V)Junction Temperture() (a) BVHV vs Tj -50-2502550751001256585105125145VBNI (V)Junction Temperture() (b) VBNI vs Tj -50-25025507510012565758595105VBNO (V)Junction Temperture() (c) VBNO vs Tj -50-2502550751001253940414243VDDovp(V)Junction Temperture() (d) VDDovp vs Tj -50-2502550751001251617181920VDDon(V)Junction Temperture() (e) VDDon vs Tj -50-250255075100125678910VDDoff(V)Junction Temperture() (f) VDDoff vs Tj -50-2502550751001254555657585Fosc(kHz)Junction Temperture() (g) FOSC vs Tj -50-2502550751001250.710.730.750.770.79Vcs_max(V)Junction Temperture() (h) Vcs_max vs Tj PN8275W Chipown 无锡芯朋微电子股份有限公司 Rev.2.5 6/11 功能描述功能描述 1. 启动启动 在启动阶段,内部高压启动管提供1.5mA电流对外部 VDD电容进 行充电。 当 VDD电压达 到VDDon,芯片开始工作;高压启动管停止对VDD电容充电。 启动过程结束后, 变压器辅助绕组对VDD电容提供能量。 2. 软启动软启动 启动阶段,CS脚内部的最大峰值电流电压限制逐步的提高;这样可以大大减小器件的应力,防止变压器饱和。软启动时间典型值为8.0ms。 3. 振荡器振荡器 PN8275W在PWM模式振荡频率固定,工作频率为65kHz。 PN8275W提供降频工作模式,通过检测FB脚电压,在轻载和空载条件下降低开关频率以提高轻载效率。 当FB脚电压小于VFB_PFM, 芯片进入降频工作模式,开关频率随负载降低而降低,直至最小频率Fosc_BM。 极轻载时,PN8275W 进入间隙工作模式以减小待机功耗。当负载减轻,反馈电压减小;当 FB脚电压小于VFB_BM_L(典型 1.15V),芯片进入间歇工作模式,功率管关断。当 FB 脚超过VFB_BM_H时,开关管再次导通。 4. 输入欠压保护输入欠压保护 PN8275W内部集成了输入电压检测模块实现Brown-Out功能。当HV电压小于VBNI,输出GATE处于关闭态,VDD电压在VDDon和VDDoff间来回重启; 直至VDD启动后, 检测到HV电压大于V_BNI,GATE开启驱动信号输出,正常工作后,当检测到HV电压小于VBNO且持续时间Td_BNO,触发输入欠压保护。 AC Line HV VDD GATEttttV_BNIV_BNOVDDonVDDoff 5. 输出驱动输出驱动 PN8275W采用优化的图腾柱结构驱动技术,通过合理的输出驱动能力以及死区时间, 得到较好的EMI特性和较低损耗。 6. 过载保护过载保护 负载电流超过预设定值时, 系统会进入过载保护。在异常情况下,当VFB电压超过Vth_OLP,经过Td_OLP的延迟时间,PN8275W认为系统处于过载模式,PWM开关停止,VDD进入反复重启。 7. X 电容放电电容放电 PN8275W同时提供了输入下电检测功能,当输入断电,PN8275W会提供HV脚到GND的下拉电流,使X电容的电荷泄放到地,此功能已经通过IEC62368-1:2014认证。 8. 斜坡补偿斜坡补偿 PN8275W采用峰值电流控制,内置斜坡补偿功能,通过将电压锯齿信号叠加在采样电流信号上,以改善系统闭环稳定性。 PN8275W Chipown 无锡芯朋微电子股份有限公司 Rev.2.5 7/11 9. 线电压补偿线电压补偿 PN8275W在开关管导通期间,通过DMG引脚上偏电阻检测大电容上电压Vbulk,从而产生线补偿电流ILC到CS引脚,其中ILC=K*IDMG,K=0.375为采样DMG引脚电流的比例系数。线补偿电流ILC通过偏置连接在CS引脚与CS检测电阻Rcs间的电阻产生补偿电压,补偿量的大小由电阻阻值R3决定。 csPKpaRIRRNNV375.0Vcs_max31bulk DMGGATECSR1R2RcsR3C1VinDetectorKNpNaVbulk 10. 输出过压保护输出过压保护 PN8275W在变压器去磁期间,通过DMG引脚间接采样输出电压,当超过VDMG_OVP限值时,进入Auto Restart状态,防止输出电压过压损坏负载。 )R(RNRNVV212o_saOVPDMG 11. 过温保护过温保护 PN8275W同时提供片上和片外的过温保护。当芯片温度超过145,芯片进入过温保护状态。同时PN8275W可以通过外部NTC电阻检测系统板的热点是否超过设定值,当检测到CS电压大于V_CSOTP持续Td_CSOTP则触发保护。 GATECSR3R5R4RcsC1 PN8275W Chipown 无锡芯朋微电子股份有限公司 Rev.2.5 8/11 典型应用电路典型应用电路 VOUTNLGNDEMIFilter PN8275WHVVDDGATEDMGFBCSGND EC1 外围参数选择参考外围参数选择参考 为了获得更佳的 PN8275W 系统性能,请务必遵守以下规则: 1. VDD 电容 EC1 应放置在距离 VDD 引脚和 GND 引脚最近的地方。 PN8275W Chipown 无锡芯朋微电子股份有限公司 Rev.2.5 9/11 封装封装信息信息 SOP7 封装外形及尺寸封装外形及尺寸 尺寸尺寸 符号符号 最小值最小值 (mm) 最大值最大值 (mm) 尺寸尺寸 符号符号 最小值最小值 (mm) 最大值最大值 (mm) A 1.350 1.750 E 5.800 6.200 A1 0.100 0.250 E1 3.800 4.000 A2 1.350 1.550 e 1.27(BSC) b 0.330 0.510 L 0.400 0.800 c 0.170 0.250 0 8 D 4.700 5.100 订购代码订购代码 表层丝印表层丝印 封装封装 PN8275SSC-R1W PN PN8275 YWWWDXXX SOP7 备注:Y:年份代码; WW:周代码; WD:版本信息; XXX:内部代码 备注: 1. 此制图可以不经通知进行调整; 2. 器件本体尺寸不含模具飞边; PN8275W Chipown 无锡芯朋微电子股份有限公司 Rev.2.5 10/11 编带及卷轴信息编带及卷轴信息 SOP7 Package A (mm) T (mm) T1 (mm) H (mm) C (mm) D (mm) d (mm) A0 (mm) B0 (mm) K0 (mm) 330 1.0 2.6 +1/-0 12.4 +1/-0 100 0.5 12.00 +0.5/-0.2 17.70 0.40 1.9 0.40 6.40 0.1 5.4 0.1 2.1 0.1 W (mm) F (mm) E1 (mm) P0 (mm) P1 (mm) P2 (mm) D0 (mm) D1 (mm) Pin 1 Quadrant 12.00 0.3 5.50 0.1 1.75 0.10 4.00 0.10 8.0 0.1 2.0 0.05 1.5 +0.1/-0 1.55 +0.25/-0 UL 备注: 1. 此制图可以不经通知进行调整; 2. 所有尺寸是毫米公制的标称值; 3. 此制图并非按严格比例,且仅供参考。客户可联系芯朋销售代表获得更多细节; 4. 此处举例仅供参考。 PN8275W Chipown 无锡芯朋微电子股份有限公司 Rev.2.5 11/11 重要声明重要声明 无锡芯朋微电子股份有限公司保留更改规格的权利,恕不另行通知。无锡芯朋微电子股份有限公司对任何将其产品用于特殊目的的行为不承担任何责任,无锡芯朋微电子股份有限公司没有为用于特定目的产品提供使用和应用支持的义务。无锡芯朋微电子股份有限公司不会转让其专利许可以及任何其他的相关许可权利。
展开阅读全文

开通  VIP会员、SVIP会员  优惠大
下载10份以上建议开通VIP会员
下载20份以上建议开通SVIP会员


开通VIP      成为共赢上传
相似文档                                   自信AI助手自信AI助手

当前位置:首页 > 行业资料 > 家电行业

移动网页_全站_页脚广告1

关于我们      便捷服务       自信AI       AI导航        抽奖活动

©2010-2026 宁波自信网络信息技术有限公司  版权所有

客服电话:0574-28810668  投诉电话:18658249818

gongan.png浙公网安备33021202000488号   

icp.png浙ICP备2021020529号-1  |  浙B2-20240490  

关注我们 :微信公众号    抖音    微博    LOFTER 

客服