收藏 分销(赏)

人工挖孔桩技术交底(待发).doc

上传人:pc****0 文档编号:5976260 上传时间:2024-11-24 格式:DOC 页数:9 大小:99.95KB 下载积分:10 金币
下载 相关 举报
人工挖孔桩技术交底(待发).doc_第1页
第1页 / 共9页
人工挖孔桩技术交底(待发).doc_第2页
第2页 / 共9页


点击查看更多>>
资源描述
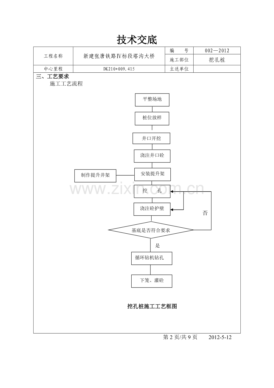
技术交底 工程名称 新建张唐铁路Ⅳ标段塔沟大桥 编 号 002—2012 施工部位 挖孔桩 中心里程 DK210+009.415 主送单位 人工挖孔桩 一、施工准备 1、平整场地,清除杂物,铲除松软的土层并夯实。孔口处地面要高出原地面50cm左右。 2、埋设十字护桩,用十字线将中心桩点引出护筒外80cm,十字护桩必须用砂浆或混凝土进行加固保护,以备开挖过程中对桩位进行检验。桩孔周边用白灰撒线型。 3、孔口四周挖排水沟,做好排水系统;及时排除地表水,搭好孔口雨棚;安装提升设备;布置好出渣道路;合理堆放材料和机具,使其不增加孔壁压力、不影响施工。 4、井口要作锁口防护,开挖孔前需就地挖沟立模,灌筑厚度为30-40cm、深100cm的c25钢筋混凝土,其内径为128cm,露出地面20cm~30cm,用以加固井口及防止地表水流入孔内或杂物掉入孔内伤人,详见《等厚度护壁示意图》。 5、砼护壁所用的原材料,根据设计要求和规范规定进行检测,严格按试验室确定的配合比施工。 二、材料、机具 1、卷扬机和提土桶,用于材料和弃土的垂直运输以及供施工人员上下工作使用。 2、护壁钢模板、备用钢套筒。 3、潜水泵。 4、鼓风机、空压机和送风管。 5、镐、锹、土筐等挖运工具;若遇到硬土或岩石,尚需风镐、潜孔钻。 6、插捣工具,用于插捣护壁砼。 7、应急软爬梯。 8、安全矿灯、对讲机、电铃等。 第1页/共9页 2012-5-12 技术交底 工程名称 新建张唐铁路Ⅳ标段塔沟大桥 编 号 002—2012 施工部位 挖孔桩 中心里程 DK210+009.415 主送单位 三、工艺要求 施工工艺流程 平整场地 浇注井口砼 安装提升架 挖 孔 循环钻机钻孔 制作提升井架 浇注砼护壁 桩位放样 基底是否符合要求 是 下笼、灌砼 井口开挖 否 挖孔桩施工工艺框图 第2页/共9页 2012-5-12 技术交底 工程名称 新建张唐铁路Ⅳ标段塔沟大桥 编 号 002—2012 施工部位 挖孔桩 中心里程 DK210+009.415 主送单位 1、安装提升设备时,使吊桶的钢丝绳中心偏离桩孔中心,使吊桶外缘与孔壁之间距离保持在20cm~30cm,确保吊放时避开掩体。 2、在挖孔过程中,经常检查桩孔尺寸和平面位置:桩位偏差不得大于50mm,倾斜度不得超过1%桩长,孔径不得小于设计要求。孔深不得大于15m。 3、挖掘时,不必将孔壁修成光面,要使孔壁稍有凸凹不平,以增加桩的摩阻力。 4、开挖土方时采取分段开挖,以0.8~1.0m为一施工段。挖土由人工从上到下逐段用镐、锹进行开挖,遇坚硬土或大块孤石采用锤、钎破碎,同一段内挖土次序先中间后周边,按设计桩径加20cm控制截面大小。 5、在地下水位以下施工时,要及时用吊桶将泥水吊出,当遇大量渗水时,在孔底一侧挖集水坑,用高扬程潜水泵将水排出。 6、孔内遇到岩层时,能用风镐挖除,用风镐凿岩。极硬岩时,要进行针对性爆破设计。 10、各地质层按规定取样,与设计地质情况对比。 11、孔内挖出的土装入吊桶,采用自制提升设备将渣土垂直运输到地面,堆积到指定地点,防止污染环境。 12、护壁采用等厚度现浇模板浇注钢筋混凝土护壁,混凝土标号为C15,径向厚度为10cm,第一节混凝土护壁(原地面以下1米)径向厚度为20cm,要高出地面20~30cm,使其成为井口围圈,以阻挡井上土石及其它物体滚入井下伤人,并且便于挡水和定位。等厚度护壁如下 等厚度护壁示意图(cm) 第3页/共9页 2012-5-12 技术交底 工程名称 新建张唐铁路Ⅳ标段塔沟大桥 编 号 002—2012 施工部位 挖孔桩 中心里程 DK210+009.415 主送单位 13、护壁中钢筋布置为:除顶层护壁外,竖向主筋为8mm圆钢,通长贯穿全部护壁(中间连接采用焊接搭接),间距为100mm,单层布于砼护壁中部;箍筋为8mm,形状为 形,单根长度为(510mm*2+400mm*1)1420mm,锚入护壁外周土500mm;每节护壁沿桩孔深度等间距布置3根,沿圆周等间距对称布置10根,两节护壁间隙无箍筋,共计每节护壁布置30根箍筋。 14、顶层护壁主筋用直径20mm圆钢,根数及其间距同其它护壁,并与下节护壁连接为整体,箍筋同其它护壁钢筋布置,同时对称加设2-4个吊耳,用钢丝绳牢固固定在地面支架支腿上。 15、每挖掘1.0~1.5m深时,即立模灌注混凝土护壁,两节护壁之间留20~30cm的空隙,以便混凝土的灌注施工。为加速混凝土的凝结掺入速凝剂。模板不需光滑平整,以利于与桩体混凝土的联结。 16、挖孔时如有水渗入,及时支护孔壁,防止水在孔壁浸泡流淌造成坍孔。 17、桩孔挖掘及护壁两道工序必须连续作业,不得中途停顿,以防坍孔。 18、护壁砼的施工,采取自制的钢模板。钢模板面板的厚度不得小于6mm,模板高度为1m。模板间用U形卡连接,上下设两道6~8号槽钢圈顶紧;钢圈由两半圆圈及一个契形模板组成,用螺栓连接,不另设支撑,以便浇注混凝土和下节挖土操作。 19、桩孔护壁砼每挖完一节,经检查断面尺寸符合设计要求,立即浇筑护壁砼,坍落度控制在30mm~50mm,确保孔壁稳定性。 20、孔内设置操作平台,用来临时放置混凝土拌合料和灌注护壁混凝土用。 21、挖孔过程中,现场技术人员必须将中心轴线严格控制,在每节桩孔护壁做好以后,将桩位轴线测设在护壁上口,然后,用十字线对中,吊线坠向井底投设,以半径尺杆检查孔壁的垂直度。随之进行修整,保证桩孔轴线位置、截面尺寸满足设计要求。 22、护壁砼要捣实,护壁砼达到一定强度后(常温下24小时)便可拆模,再开挖下一段土方,然后继续支模灌注混凝土,如此循环,周转使用模板,直到挖至所需的深度。 23、挖至所需深度以后必须对桩身直径,孔底标高,桩位中心线,井壁垂直度等进行检测,并做好记录,经监理检验合格方可进入下道工序。 人工挖孔允许偏差和检验方法: 序号 项 目 允许偏差 检验方法 1 护筒 顶面位置 50mm 测量检查 倾斜度 1% 2 孔位中心 50mm 3 倾斜度 1% 第4页/共9页 2012-5-12 技术交底 工程名称 新建张唐铁路Ⅳ标段塔沟大桥 编 号 002—2012 施工部位 挖孔桩 中心里程 DK210+009.415 主送单位 四、特殊土层的技术处理 施工前要认真分析挖孔桩处地质钻探资料,挖孔时遇到厚的流砂层、淤泥层,尤其遇到大量地下水,随着护壁外围泥砂大量塌落,混凝土护壁成为悬空状态,失去支撑,进而产生裂纹,直至断裂、脱落。遇到这种情况,在施工时采取加强措施: 1、加密护壁竖向钢筋,必要时,在挖孔桩中部护壁上预留直径200mm左右的孔洞,但该部位的地质要选择比较坚硬的土壤,然后用竹木桩将护壁与护壁外周的土锚在一起,这样护壁就不会断裂脱落。 2、在已成形的护壁上钻孔至砂土薄弱层,以充填、渗透和挤密的形式把灌浆材料充填到土体的孔隙中,以固结护壁外围土体,护保壁周泥砂不塌落,从而增加桩周摩擦力。压力灌浆材料可选择粉煤灰、早强型水泥混凝土、石灰粘土混合料等。 3、人工挖孔在开挖时,如遇细砂,粉砂层地质时,再加上地下水的作用,极易形成流砂,严重时会发生井漏,造成质量事故。 流砂情况较轻时,缩短这一循环的开挖深度,将正常的1m左右一段,缩短为0.5m,以减少挖层孔壁的暴露时间,及时进行护壁混凝土灌注。当孔壁塌落,有泥砂流入而不能形成桩孔时,用纺织袋土逐渐堆堵,形成桩孔的外壁,并控制保证内壁满足设计要求。流砂情况较严重时,下钢套筒,钢套筒与护壁用的钢膜板相似,以孔外径为直径,分成4-6段圆弧,再加上适当的肋条,相互用螺栓或钢筋环扣连接,在开挖0.5m左右时,即可分片将套筒装入,深入孔底不少于0.2m,插入上部混凝土护壁外侧不小于0.5m,装后即支模浇注护壁混凝土。若放入套筒后流砂仍上涌,采用快速混凝土封闭孔底的方法,待混凝土凝结后,将孔心部位的混凝土清凿以形成桩孔。或在已完成的混凝土护壁的最下段钻大,使孔位倾斜至下层护壁以外,打入浆管,压力浇注水泥浆,使下部土壤硬些,提高周围及底部土壤的不透水性,以解决流砂现象。 4、在遇到淤泥质土层等软弱土层时,用木方、木板模板等支挡,并要缩短这一段的开挖深度,并及时浇注混凝土护壁,支挡的木方要沿周边打入底部不少于0.2m深,上部嵌入上段已浇好的混凝土护壁后面,要斜向、双排布置,互相反向交叉。 5、开挖较复杂的地层时,每挖深0.5-1m,用手钻或不小于直径为16mm钢筋对孔底做品字形探查,探查孔底以下是否有洞穴、涌砂等,确认安全后,方可继续进行挖掘。 五、安全技术措施 1、孔下作业不得超过2人,桩孔下作业人员必须配戴好安全帽、安全绳、手戴工作手套、穿雨衣、雨裤及长筒雨靴(必须保证绝缘)。 第5页/共9页 2012-5-12 技术交底 工程名称 新建张唐铁路Ⅳ标段塔沟大桥 编 号 002—2012 施工部位 挖孔桩 中心里程 DK210+009.415 主送单位 2、挖孔过程中,必须搭设掩体。孔深挖至超过挖孔人身高时,在桩孔口或孔内装设靠周壁略低的半圆防护板,防护板采用6mm厚钢板自制,最大径向宽度为80cm,其上焊制4个吊环,由孔口另支支架用钢丝绳吊住,并随着孔深增加而往作业面下引,吊渣桶上下时,孔下作业人员避于护板下。若遇起吊大块石头时,孔内作业人员要全部撤离至地面后才能起吊。 3、桩孔口要严格管理,井孔周边必须设置安全防护围栏,高度不低于1.2m,围栏须采用钢筋牢固焊制,正在开挖的桩孔停止作业或已挖好的成孔,必须设置牢固的盖孔板,非工作人员禁止入内。无关人员不得靠近桩孔口,桩孔口机械操作人员不准离开岗位。如桩孔口管理混乱,桩孔内要立即停止作业回到地面上。地面孔口作业人员需待井下作业人员上来后方可离岗。 4、装渣桶、吊篮、吊桶上下用电动葫芦提放,上下要对准桩孔中心。取出土渣的吊桶、吊钩、钢丝绳、卷扬机等机具,必须经常检查。 5、操作人员上下须乘坐专用吊篮或专用吊桶,不得脚踩护壁上下井孔。开机人员要专机专人,并持证上岗,集中思想认真注意桩孔内一切动态,电器开关不得离手。吊钩要有弹簧式脱钩装置,必须配有自动卡紧保险装置。 6、挖孔工作暂停时,孔口必须罩盖,并设立明显警戒标志。 7、桩孔洞口上设置悬挂软梯,并随桩孔深度放长,以备意外情况时有关人员能顺利上下。 8、每日开工前要先检测井下有无危害气体和不安全因素,孔内的二氧化碳含量超过0.3%,孔深大于5m以上时,要向孔下通风,加强空气对流。挖孔6-10m深,每天至少向孔内通风1次,超过10m每天至少通风2次,孔下作业人员如果感到呼吸不畅也要及时通风。通风要有专门送风机械设备,风量不得小于25L/s。 9、为了预防有害气体中毒和孔井内缺氧,每天作业前必须先检测或放鸟等方法测试,如不符合要求应先通风充氧,符合要求方准作业。 10、孔口作业人员口袋内不得放置物品(如钥匙、钢笔、怀表、打火机、小型工具、玩物等),地面孔口周围不得摆放铁锤、锄头、石头和铁棒等坠落伤人的物品,以防坠入桩孔中。 11、在任何情况下严禁提升设备超载运行,上、下班前对提升架及轨道进行检查,工作时发现异常情况立即停止工作,找出原因,认真检修,不准带病运转。 12、施工中抽水、照明、通风等所配电气设备要采取一机一闸一漏电保护器,供电线路要用三蕊橡皮线,电线要架空,不得拖拽在地上。并经常检查电线和漏电保护器是否完好。 13、桩孔下照明采用安全矿灯或12V低电压电源。电器开关集中在桩孔口,并装置漏电保护器,防止漏电触电事故,一旦发现漏电,必须迅速拉闸断电,值班电工必须对所有电器设备及线路加强检查维修,发现问题,及时妥善处理。 第6页/共9页 2012-5-12 技术交底 工程名称 新建张唐铁路Ⅳ标段塔沟大桥 编 号 002—2012 施工部位 挖孔桩 中心里程 DK210+009.415 主送单位 14、电箱一律采用铁质电箱,电箱要有严密的防雨措施,安装位置合适,安装牢固,进出线整齐,拉线牢固,熔丝不得用金属代替,箱内不得放其它物品。 15、现场电源线路及电气设备,由持证电工负责安装维护,经验收合格后,方准投入使用。 16、施工现场所有设备和机具必须做好保护接零。所有机械设备的传动部位必须装设防护罩。 17、由桩孔中排出的土渣,要及时运走,不得堆在孔口周围,如须临时堆放,应距孔口5m以外,且不得堆积过多,以防塌孔。 18、每工作1h-2h,井下人员和地面人员要进行交换。连续作业时间不得超过2小时,以防止疲劳引发安全事故。 19、井孔内外设置对讲机或低压电铃,便于上下联系,确保通讯畅通。 20、井下人员注意观察孔壁变化情况。如发现塌落或护壁裂纹现象应及时采取支撑措施。如有险情,及时发出联络信号,以便迅速撤离。并尽快采取有效措施排除险情。 21、地面人员注意孔下发出的联络信号,反应灵敏快捷。经常检查支架、滑轮、绳索是否牢固。下吊时要挂牢,提上来的土石要倒干净。 27、从孔中抽水时排水口要距孔口5m以上,并保证施工现场排水畅通。 28、当地下水量不大时,随挖随将泥水用吊桶运出,地下渗水量较大时,吊桶满足不了排水,先在桩孔底挖集水坑,用高扬程水泵抽水。作业人员必须离开井孔,严禁人机同坑作业。随时观察井壁变化,遇到险情,全部人员应立即撤离井孔。 29、孔内人工凿岩时,必须戴防尘口罩。 30、孔桩开挖要交叉进行,正在开挖或已成孔而尚未浇灌砼的桩孔其10米半径范围内不得同时开挖其它桩孔。 六、挖孔桩的常见安全事故及相应预防措施 人工挖孔桩的常见安全事故有孔口石块或杂物掉入孔口砸伤正在孔中的施工人员;孔口操作人员被地下有害气体中毒昏迷甚至死亡,孔壁支护不当而坍塌砸伤甚至活埋操作工人;孔内电缆、电线磨损受潮导致工人触电伤亡;深孔中突然涌水淹没操作人员等等。 1、孔口围护措施 孔口四周必须浇筑砼护圈,并在护圈上设置围栏围护,高出地面1.2m。孔内作业时,孔口上面必须有人监护。挖出的土方应及时运离孔口,不得堆放在孔口四周1m范围内,砼围圈上不得放置工具和站人。孔内作业人员必须头戴安全帽、身系安全带,特殊情况下还应戴上防毒防尘面具。利用吊桶运土时,必须采取相应的防范措施,以防落物伤人,电动葫芦运土应检验其安全起吊能力后方可投入运行。施工中应随时检查垂直运输设备的完好情况和孔壁情况。 第7页/共9页 2012-5-12 技术交底 工程名称 新建张唐铁路Ⅳ标段塔沟大桥 编 号 002—2012 施工部位 挖孔桩 中心里程 DK210+009.415 主送单位 2、孔中防毒措施 地下特殊地层中往往含有CO、SO2、H2S或其它有毒气体,故每次下孔前,必须对桩孔内气体进行抽样检测(可用快速检测管),发现有害气体含量超过允许值时,应将有害气体清除至化学毒物最低允许浓度的卫生标准,并采用足够的安全卫生防范措施,如设置专门设备向孔内通风换气(通风量不少于25L/S)等措施,以防止急性中毒事故的发生。人工挖孔作业一旦发生人员中毒、窒息等事故,必须在现场按应急措施规范要求实施抢救,根据情况及时送医院进一步抢救治疗,并报当地建设行政主管部门和劳动、卫生部门,以便采取相应措施。 3、防触电措施 施工现场的一切电源、电路的安装和拆除必须由持证电工操作。用电设备必须严格接地或接零保护且安装漏电保护器,各桩孔用电必须分闸,严禁一闸多用。孔上电缆必须架空2.0m以上,严禁拖地相埋压土中,孔内电缆、电线必须采用护套等有防磨损、防潮、防断等保护措施。孔内照明应采用安全矿灯或12V以下的安全灯。孔中操作工应手戴工作手套,脚穿绝缘胶鞋。 4、防止孔壁坍塌措施 在熟悉地质条件的基础上,开挖桩孔时要设置砼护壁或,。砼护壁每节高1m,厚约0.1m,可加配适量钢筋,砼强度等级不低于C15。一般每天挖1m深立即支模浇筑快硬砼,第二天继续施工。 人工挖孔桩开挖程序,应采用间隔挖孔方法,以减少水的渗透和防止土体滑移,防止在挖土或冲抓土成孔过程中因邻桩混凝土未初凝而发生窜孔现象。单桩挖孔应先中间后周边,并按设计桩径加2倍护壁厚度控制截面。 7、防止孔壁涌水措施 当相距10米以内的邻桩正在浇灌混凝土或桩孔积水很深时,要考虑对正在挖孔桩的危险影响,暂停施工,人不准下孔。随时加强对土壁涌水情况的观察,发现异常情况及时采取处理措施。采用潜水泵抽水时,基本上抽干孔中积水后,作业人员才能下至孔中进行挖土。地下水丰富时,可将中间部位桩孔提前开挖,汇集附近的地下水,用1-2台潜水泵将水抽出,起到深井降水作用。孔内必须设置应急软爬梯,供人员上下孔洞使用的电动葫芦、吊笼等要安全可靠并配有防坠落装置,不得使用麻绳和尼龙绳吊挂或脚踏井壁凸级上下。上、下孔洞必须有可靠的联络设备和明确的联络信号。 8、其它安全措施 施工时发现文物、古化石、爆炸物、电缆等要暂停施工,保护好现场,并及时报告有关部门,按规定处理后,方可继续施工。 七、质量保证措施 第8页/共9页 2012-5-12 技术交底 工程名称 新建张唐铁路Ⅳ标段塔沟大桥 编 号 002—2012 施工部位 挖孔桩 中心里程 DK210+009.415 主送单位 1、开挖前,从桩中心位置向桩四周引出4个桩心控制点,施工过程用桩心点来校正模板位置,设专人严格校核中心位置及护壁厚度。 2、桩孔开挖后,当天一次灌注完毕护壁砼,护壁砼拌和料中掺入速凝剂;护壁拆模后,若发现护壁有蜂窝、漏水现象要及时加以堵塞或导流。 3、防止孔外水通过护壁流入孔内。 4、注意防止土壁坍落及流砂事故。在开挖过程中,如遇到特别松软的土层,流动性淤泥或流砂时,为防止土壁坍落及流砂,可减少每节护壁的高度或采用钢护筒,待穿过松软土层和流砂层后,再按一般的方法边挖边灌注砼护壁,继续开挖桩孔。开挖流砂现象严重的桩孔采用井点降水法。 八、文明施工及环保措施 1、建立文明施工责任区,划分区域,明确管理人,实行挂牌制,做到现场清洁整齐。 2、现场设置宣传标语、专栏、黑板报,及时报道安全、质量等方面的内容,并及时更换;入口处悬挂宣传标语横幅。 3、施工现场各种管线布置线条整齐、清洁,临时水电派专人管理,不得有长流水、长明灯。 4、钢材、木材及模板等材料按品种、规格、型号堆放整齐,做到一头齐、一条线,标识清楚,并编制详细的施工用料计划,按计划进料,做到材料不积压,长料不短用,优材不劣用。 5、施工现场严禁乱堆垃圾及余物。施工操作地点和周围清洁整齐,做到活完脚下清,工完场地清,丢洒的砂浆、混凝土及时清除。垃圾在适当的地点设置临时堆放点,并定期外运至指定点予以处理,并且采取遮盖防漏措施,保证运送途中不得遗撒。 6、现场使用的机械设备,必须严格遵守机械安全规程,经常保持机身及周围环境的清洁;机械的标记、编号明显,安全装置可靠;机械及时保养,擦洗干净,清洗机械排出的污水设有排放措施,不得随地流淌;在使用的砂浆搅拌机旁设有沉淀池,不得将水直接排入河渠内;装运建筑材料、土石方、建筑垃圾等的车辆,确保行驶途中不污染道路和环境。 7、做好环境保护,降低燥音、控制有害物资、烟尘的排放。砂浆、混凝土在搅拌、运输、使用过程中,做到不洒、不漏。 8、强化工程水土保持工作。做好土方挖填调配工作,严禁弃土进入地表水体。强化临时堆放场的保护措施,尽量减少永久性占地,特别是林地和耕地。 9、划定施工范围,加强施工人员的教育,减少人为扰动,防止破坏生态环境。 10、施工产生的废弃土、砂、石料等,在施工期间和施工结束以后及时清理,统一收集,妥善处理,减少对环境的污染。 第9页/共9页 2012-5-12
展开阅读全文

开通  VIP会员、SVIP会员  优惠大
下载10份以上建议开通VIP会员
下载20份以上建议开通SVIP会员


开通VIP      成为共赢上传

当前位置:首页 > 包罗万象 > 大杂烩

移动网页_全站_页脚广告1

关于我们      便捷服务       自信AI       AI导航        抽奖活动

©2010-2025 宁波自信网络信息技术有限公司  版权所有

客服电话:0574-28810668  投诉电话:18658249818

gongan.png浙公网安备33021202000488号   

icp.png浙ICP备2021020529号-1  |  浙B2-20240490  

关注我们 :微信公众号    抖音    微博    LOFTER 

客服