收藏 分销(赏)

翅片管束管外放热和阻力实验(实例).doc

上传人:pc****0 文档编号:5959201 上传时间:2024-11-24 格式:DOC 页数:4 大小:195.50KB 下载积分:10 金币
下载 相关 举报
翅片管束管外放热和阻力实验(实例).doc_第1页
第1页 / 共4页
翅片管束管外放热和阻力实验(实例).doc_第2页
第2页 / 共4页


点击查看更多>>
资源描述
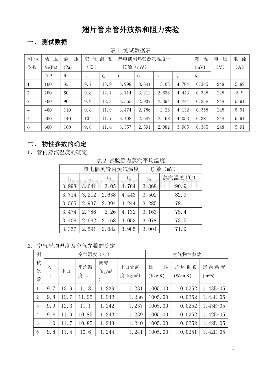
翅片管束管外放热和阻力实验 一、 测试数据 表1 测试数据表 测试次数 动压头(Pa) 静压(Pa) 空气温度(℃) 热电偶测热管蒸汽温度— —读数(mV) 箱温(mV) 电压(V) 电流(A) ΔP H ti to t1 t2 t3 t4 t5 1 100 35 9.7 13.9 3.998 3.641 3.05 4.784 0.345 248 5.89 2 200 50 9.8 12.7 3.714 3.212 2.638 4.443 0.348 248 5.9 3 300 90 9.9 12.3 3.565 2.937 2.394 4.244 0.358 248 5.91 4 400 110 9.8 11.9 3.474 2.786 2.26 4.132 0.358 248 5.91 5 500 140 10 11.7 3.408 2.682 2.168 4.053 0.381 248 5.91 6 600 160 9.8 11.4 3.357 2.591 2.082 3.985 0.385 248 5.91 二、 物性参数的确定 1、 管内蒸汽温度的确定 表2 试验管内蒸汽平均温度 热电偶测管内蒸汽温度——读数(mV) t1 t2 t3 t4 tm 蒸汽温度(℃) 3.998 3.641 3.05 4.784 3.868 90.9 3.714 3.212 2.638 4.443 3.502 82.9 3.565 2.937 2.394 4.244 3.285 78.1 3.474 2.786 2.26 4.132 3.163 75.4 3.408 2.682 2.168 4.053 3.078 73.5 3.357 2.591 2.082 3.985 3.004 71.9 2、 空气平均温度及空气参数的确定 测试次数 空气温度(℃) 空气物性参数 入口 出口 平均温度tf 密度(kg/m3) 出口处密度(kg/m3) 比热(J/kg.K) 导热系数(W/m.K) 运动粘度(m2/s) 1 9.7 13.9 11.8 1.239 1.231 1005.00 0.0252 1.43E-05 2 9.8 12.7 11.25 1.242 1.236 1005.00 0.0252 1.43E-05 3 9.9 12.3 11.1 1.242 1.237 1005.00 0.0252 1.43E-05 4 9.8 11.9 10.85 1.243 1.239 1005.00 0.0252 1.42E-05 5 10 11.7 10.85 1.243 1.240 1005.00 0.0252 1.42E-05 6 9.8 11.4 10.6 1.244 1.241 1005.00 0.0251 1.42E-05 三、 实验数据的整理计算 1、 计算风速和风量 表3 风速和风量计算表 测试次数 动压头(Pa) 测速处风速(m/s) 风量 Ma(kg/s) 测速外流道截面积(m2) 空气侧吸热量 (W) 1 100 12.70 0.38 0.024 1583.63 2 200 17.95 0.53 1551.27 3 300 21.98 0.65 1574.08 4 400 25.36 0.75 1591.88 5 500 28.36 0.84 1441.74 6 600 31.05 0.92 1487.33 其中,空气侧吸热量: 2、 电加热器功率 3、 加热器箱体散热 因箱体温度很低,散热量小,可由自然对流计算,其中,自然对流散热系数近似取5W/m2.℃。 表4 加热器箱体散热量 测试次数 箱 温 环境温度(℃) 箱体散热面积 箱体散热量(W) 读数(mV) 温度(℃) 1 0.345 8.5 8.4 4*0.58*0.32= 0.7424 0.37 2 0.348 8.9 8.4 1.86 3 0.358 9.2 8.4 2.97 4 0.358 9.2 8.4 2.97 5 0.381 9.7 8.4 4.83 6 0.385 9.8 8.4 5.2 4、 计算热平衡误差 表5 热平衡误差表 空气侧吸热量Q1 箱体散热量Q3 功率(W) Q2 热平衡误差% 1583.63 0.37 1460.7 7.7845 1551.27 1.86 1463.2 5.7969 1574.08 2.97 1465.7 7.075 1591.88 2.97 1465.7 8.114 1441.74 4.83 1465.7 -1.325 1487.33 5.2 1465.7 1.8051 5、 计算翅片管束最窄流通截面处的流速和质量流量 (1) 最窄流通截面处的流速 其中, (2)质量流速 铸铁管的导热系数为52W/m.K 6、 计算Re数 : 7、 计算传热系数 : 8、 计算管内凝结液膜放热系数: 以上各项计算结果见表6 4 表6 实验数据整理表 序号 最窄流通截面积 最窄流通截面处的流速 质量流速 翅片管外径D0(m) 计算Re数 加热管根数n 计算传热系数K 管内凝结液膜放热系数 管壁热阻 管外放热系数 计算Nu   压差损失 摩擦系数 1 0.0588 5.185 6.426 0.026 9412.518 4.0 90.305 7499.804 6.55911E-05 92.296 95.060 35 2.941 2 7.326 9.097 13345.047 97.658 8612.124 99.767 102.935 50 2.101 3 8.970 11.144 16355.604 105.971 9181.535 108.350 111.843 90 2.521 4 10.353 12.873 18907.685 111.237 9482.474 113.803 117.565 110 2.311 5 11.575 14.393 21139.434 103.801 10041.449 105.946 109.449 140 2.353 6 12.674 15.773 23183.960 109.442 10136.296 111.814 115.602 160 2.241 准则关联式为:
展开阅读全文

开通  VIP会员、SVIP会员  优惠大
下载10份以上建议开通VIP会员
下载20份以上建议开通SVIP会员


开通VIP      成为共赢上传

当前位置:首页 > 包罗万象 > 大杂烩

移动网页_全站_页脚广告1

关于我们      便捷服务       自信AI       AI导航        抽奖活动

©2010-2026 宁波自信网络信息技术有限公司  版权所有

客服电话:0574-28810668  投诉电话:18658249818

gongan.png浙公网安备33021202000488号   

icp.png浙ICP备2021020529号-1  |  浙B2-20240490  

关注我们 :微信公众号    抖音    微博    LOFTER 

客服