收藏 分销(赏)

建筑排水工程施工质量监理实施细则.doc

上传人:xrp****65 文档编号:5923643 上传时间:2024-11-23 格式:DOC 页数:9 大小:156.50KB 下载积分:10 金币
下载 相关 举报
建筑排水工程施工质量监理实施细则.doc_第1页
第1页 / 共9页
建筑排水工程施工质量监理实施细则.doc_第2页
第2页 / 共9页


点击查看更多>>
资源描述
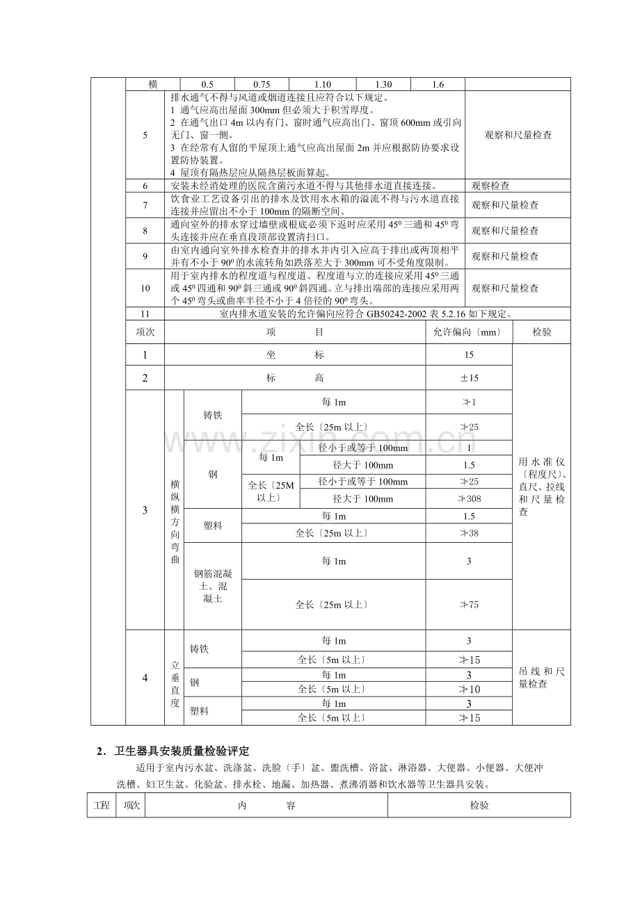
十二、建筑排水工程施工质量监理施行细那么 〔一〕建筑排水工程施工质量检验评定 本细那么包括:室内排水系统、雨水排水系统、中水排水系统的道安装式和各系统中心道附件及卫生设备的安装以及通球试验。其中隐含各系统中工程一般工程和允许偏向工程的质量检验和检验。 1. 室内排水道及配件安装质量检验平定 适用于室内排水、雨水等用塑料、铸铁、镀锌和非镀锌钢、混凝土等的安装。 工程 项次 内 容 检验 主控 工程 1 隐蔽或埋地的排水道在隐蔽前必须做灌水试验其灌水高度应不低于底层卫生器具的上边缘或底层地面高度。 满水15分钟水面下降后再灌满观察5分钟液面不降道及接口无渗漏为合格。 2 生活污水铸铁道的坡度必须符合设计或GB50242-2002中表5.2.2如下规定 径〔mm〕 坡度〔‰〕 最小坡度〔‰〕 ① 50 35 25 程度尺、拉线尺量检查 ② 75 25 15 ③ 100 20 12 ④ 125 15 10 ⑤ 150 10 7 ⑥ 200 8 5 3 生活污水或塑料道的坡度必须符合设计或GB50242-2002中表5.2.3如下规定 径〔mm〕 坡度〔‰〕 最小坡度〔‰〕 程度尺、拉线尺量检查 ② 50 25 12 ③ 75 15 8 ④ 110 12 6 ⑤ 125 10 5 ⑥ 160 7 4 4 排水塑料必须按设计要求及位置装设伸缩节。如设计无要求时伸缩节间距不得大于4m。高层建筑中明设排水塑料道应按设计要求设置阻火圈或防火套。 观察检查 5 排水主立及程度干道均应做通球试验通球球径不小于排水道径的2/3通球率必须到达100。 通球检查 一般 工程 1 在生活污水道上设置的检查口或清扫口当设计无要求时应符合以下有关规定: 1 在立上应每隔一层设置一个检查口但在最底层和有卫生器具的层必须设置。如为两层建筑时可仅在底层设置立检查口;如有乙字弯时那么在该层乙字弯的上部设置检查口。检查口中心高度距操作地面一般1m允许偏向±20mm;检查口的朝向应便于检修。暗装立在检查口处应安装检修门。 2 在连接2个及2个以上大便器或3个及3个以上卫生器具的污水横上应设置清扫口。当污水在楼板下悬吊敷设时可将清扫口设在上一层楼地面上污水起点的清扫口与道相垂直的墙面间隔 不得小于200mm;假设污水起点设置堵头代替清扫口时与墙面间隔 不得小于400mm。 3 在转角小于135°的污水横上应设置检查口或清扫口。 4 污水横的直线段应按设计要求的间隔 设置检查口或清扫口。 观察和尺量检查 2 埋在地下或地板下的排水道的检查口应设在检查井内。井底外表标高与检查口的法兰相平井底外表应有5坡度坡向检查口。 尺量检查 3 金属排水道上的吊钩或卡箍应固定在承重构造上。固定件间距:横不大于2m;立不大于3m。楼层高度小于或等于4m立可安装1个固定件。立底部的弯处应设支墩或采取固定措施。 观察或尺量检查 4 排水塑料道支、吊架间距应符合GB50242-2002表5.2.9如下规定。 径〔mm〕 50 75 110 125 160 尺量检查 立 1.2 1.5 2.0 2.0 2.0 横 0.5 0.75 1.10 1.30 1.6 5 排水通气不得与风道或烟道连接且应符合以下规定。 1 通气应高出屋面300mm但必须大于积雪厚度。 2 在通气出口4m以内有门、窗时通气应高出门、窗顶600mm或引向无门、窗一侧。 3 在经常有人留的平屋顶上通气应高出屋面2m并应根据防协要求设置防协装置。 4 屋顶有隔热层应从隔热层板面算起。 观察和尺量检查 6 安装未经消处理的医院含菌污水道不得与其他排水道直接连接。 观察检查 7 饮食业工艺设备引出的排水及饮用水水箱的溢流不得与污水道直接连接并应留出不小于100mm的隔断空间。 观察和尺量检查 8 通向室外的排水穿过墙壁或根底必须下返时应采用450三通和450弯头连接并应在垂直段顶部设置清扫口。 观察和尺量检查 9 由室内通向室外排水检查井的排水井内引入应高于排出或两顶相平并有不小于900的水流转角如跌落差大于300mm可不受角度限制。 观察和尺量检查 10 用于室内排水的程度道与程度道、程度道与立的连接应采用450三通或450四通和900斜三通或900斜四通。立与排出端部的连接应采用两个450弯头或曲率半径不小于4倍径的900弯头。 观察和尺量检查 11 室内排水道安装的允许偏向应符合GB50242-2002表5.2.16如下规定。 项次 项 目 允许偏向〔mm〕 检验 1 坐 标 15 用水准仪〔程度尺〕、直尺、拉线和尺量检查 2 标 高 ±15 3 横纵横方向弯曲 铸铁 每1m ≯1 全长〔25m以上〕 ≯25 钢 每1m 径小于或等于100mm 1 径大于100mm 1.5 全长〔25M以上〕 径小于或等于100mm ≯25 径大于100mm ≯308 塑料 每1m 1.5 全长〔25m以上〕 ≯38 钢筋混凝土、混 凝土 每1m 3 全长〔25m以上〕 ≯75 4 立垂直度 铸铁 每1m 3 吊线和尺量检查 全长〔5m以上〕 ≯15 钢 每1m 3 全长〔5m以上〕 ≯10 塑料 每1m 3 全长〔5m以上〕 ≯15 2.卫生器具安装质量检验评定 适用于室内污水盆、洗涤盆、洗脸〔手〕盆、盥洗槽、浴盆、淋浴器、大便器、小便器、大便冲洗槽、妇卫生盆、化验盆、排水栓、地漏、加热器、煮沸消器和饮水器等卫生器具安装。 工程 项次 内 容 检验 主控工程 1 卫生器具的安装应采用预埋螺栓或膨胀螺栓安装固定 现场观察检查 2 卫生器具安装高度当设计无要求时应符合规定。 按设计及要求检查 3 卫生器具给水配件的安装高度应符合设计要求当设计无要求时应符合的规定 按设计及要求检查 4 排水栓和地漏的安装应平正、结实低于排水外表周边无渗漏。地漏水封高度不得小于50mm。 试水观察检查 5 卫生器具交工前应做满水和通水试验 满水后各连接件不渗不漏;通水试验给、排水畅通。 6 卫生器给水配件应完好无损接口严启闭部分灵敏。 观察及手扳检查。 7 与排水横连接的各卫生器具的受水口和立均应采取妥善可靠的固定措施;道与楼板的接合部位应采取结实可靠的防渗、防漏措施。 观察和手板检查。 8 连接卫生器具的排水道接口应严不漏其固定支架、卡等支撑位置应正确、结实与道的接触应平整。 观察及通水检查。 一般工程 1 卫生器具安装的允许偏向和检验应符合GB50242-2002表7.2.3如下规定 项次 项 目 允许偏向〔mm〕 检验 ① 坐标 单独器具 10 拉线、吊线或尺量检查 成排器具 5 ② 标高 单独器具 ±15 成排器具 ±10 ③ 器具程度度 2 用程度尺和尺量检查 ④ 器具垂直度 3 吊线和尺量检查 2 有饰面的浴盆应留有通向浴盆排水口的检修门 观察检查 3 小便槽冲洗应采用镀锌钢或硬质塑料。冲洗孔应斜向下方安装冲洗水流同墙面成450角。镀锌钢钻孔后应进展二次镀锌。 观察检查 4 卫生器具的支、托架必须防腐良好安装平整、结实与器具接触严、平稳。 观察和手扳检查 5 卫生器具给水配件安装标高的允许偏向应GB50242-2002中表7.3.2如下规定 项次 项 目 允许偏向〔mm〕 检验 ① 大便器高、低水箱角阀及截止阀 ±10 尺量检查 ② 水嘴 ±10 ③ 淋浴器喷头下沿 ±15 ④ 浴盆软淋浴器挂钩 ±20 6 浴盆软淋浴器挂钩的高度如设计无要求应距地1.8m 尺量检查 3.卫生器具排水道安装质量检验评定 工程 项次 内 容 检验 主控工程 1 与排水横连接的各卫生器具的受水口和立均应采取妥善可靠的固定措施;道与楼板的接合部位应采取结实可靠的防渗、防漏措施。 观察和手扳检查 2 连接卫生器具的排水道接口应严不漏其固定支架、卡等支撑位置应正确、结实与道的接触应平整。 观察及通水检查。 一般工程 1 卫生器具排水道安装的允许偏向应符合GB50242-2002表7.4.3如下规定 项 目 允许偏向〔mm〕 检验 ① 横弯曲度 每1m长 2 用程度尺量检查 横长度≤10m全长 < 8 横长度>10m全长 10 ② 卫生器具的排水口及横支的纵横坐标 单独器具 10 成排器具 5 ③ 卫生器具的接口标高 单独器具 ±10 用程度尺和尺量检查 成排器具 ±5 2 连接卫生器具的排水径和最小坡度如设计无要求时应符合GB50242-2002表7.4.4如下规定 项次 卫生器具名称 排径〔mm〕 道的最小坡度〔‰〕 检验 ① 污水盆〔池〕 50 25 用程度尺和尺量检查 ② 单、双格洗涤盆〔池〕 50 25 ③ 洗手盆、洗脸盆 32~50 20 ④ 浴盆 50 20 ⑤ 淋浴器 50 20 ⑥ 大便器 高、低水箱 100 12 自闭式冲洗阀 100 12 拉式冲洗阀 100 12 ⑦ 小便器 手动、自闭式冲洗阀 40~50 20 自动冲洗水箱 40~50 20 ⑧ 化验盆〔无塞〕 40~50 25 ⑨ 净身器 40~50 20 ⑩ 饮水器 20~50 10~20 ⑾ 家用洗衣机 50〔软为30〕 4.雨水道及配件安装质量检验 工程 项次 内 容 检验 主控工程 1 安装在室内的雨水道安装后应做灌水试验灌水高度必须到每根立上部的雨水斗。 灌水试验持续1h不渗不漏 2 雨水道如采用塑料其伸缩节安装应符合设计要求。 对照图纸检查。 3 悬吊式雨水道的敷设坡度不得小于5‰;埋地雨水道的最小坡度应符合GB50242-2002中表5.3.3中如下规定: 项次 径〔mm〕 最小坡度〔‰〕 检验 ① 50 20 程度尺、拉线尺量检查。 ② 75 15 ③ 100 8 ④ 125 6 ⑤ 150 5 ⑥ 200~400 4 一般工程 1 雨水道不得与生活污水道相连接 观察检查 2 雨水斗的连接应固定在屋面承重构造上。雨水斗边缘与屋面相连处应严不漏。连接收径当设计无要求时不得小于100mm。 观察和尺量检查 3 悬吊式雨水道的检查口或带法兰堵口的三通的间距不得大于GB50242-2002表5.3.6如下规定 项次 悬吊直径〔mm〕 检查口间距〔m〕 检验 ① ≤150 ≯15 拉线、尺量检查 ② ≥200 ≯20 4 雨水道安装的允许偏向应符合GB50242-2002中表5.2.16的规定 5 雨水道焊接的焊口允许偏向应符合GB50242-2002中表5.3.8如下规定 项次 项 目 允许偏向〔mm〕 检验 ① 焊口平直度 壁厚10mm以内 壁厚1/4 焊接检验尺和标卡尺检查 ② 焊缝加强面 高度 +1mm 宽度 ③ 咬 边 深度 小于0.5mm 直尺检查 长度 连续长度 25mm 总长度〔两侧〕 小于焊缝长度的10 5.中水道安装质量检验 说明:建筑中水排水系统完全引用室内排水系统的有关规定执行。 〔二〕建筑排水工程施工监理的预控内容 1、 审核承包图纸和组织施工图纸的设计交底会 审核和熟悉施工图纸理解工程特点和工程质量的要求将设计图纸中影响施工顺利进展、图纸过失和工程质量等问题汇总形成及时组织设计交底会并做好设计变更和工程洽商等图纸的预控工作。 2、 审核承包提交的施工方案及技术交底单 承包编制的施工方案必须经过监理工程师审核认定前方可进展施工。施工方案一经批准承包必须认真执行不得擅自改动必要时进展样板试验引路。 3、 对分包的资质施工理人员的资格、特殊技术工种的上岗证要进展审核。 4、 安装开场之前应对土建主题工程的基面进展验收对基面的外形尺寸、标高、坐标、坡度、以及预留洞预埋件要对照图纸进展核验。 5、 工程使用的各种材料、配件及设备应经过监理工程师的认定使用的各种材设备必须符合设计要求。 (1) 铸铁排水及件规格品种应符合设计要求灰口铸铁的壁薄厚均匀内外光滑整洁无浮砂、包砂、粘砂更不允许有砂眼裂纹、飞刺和疙瘩。承插口的内外径及件造型规矩法兰接口平整光滑严地漏和反水弯的扣距必须一致不得有偏扣、乱扣、方扣、丝扣不全等现象。 (2) 镀锌碳素钢及件壁内外镀锌均匀无锈蚀内壁无飞刺件不得有偏扣、乱扣、方扣、丝扣不全等现象。 (3) 建筑排水用硬质氯乙烯〔UPVC〕材应符合现行所用粘结剂应是同一厂家配套应与卫生洁具连接相适应并有合格证及说明书。材内外表层应光滑无气泡、裂纹、壁厚度均匀色泽一致直段挠度不大于1。件造型应规矩、光滑、无毛刺承口应有稍度并与插口配套。 (4) 捻口所用青麻、油麻、不允许有腐朽现象。所用沥青漆、防锈漆、调和漆、银粉、粘和剂必须有消费日和出厂合格证。 (5) 卫生洁具的规格、型必须符合设计要求并有出厂合格证卫生洁具外观应规矩造型周正、外表光滑、美观、无裂纹边缘平滑色彩一致。 卫生洁具零件规格应质量应可靠并符合国标外表光滑、电镀均匀、螺纹明晰螺母松紧适度无砂眼裂纹等缺陷。应采用节水型洁具。 (6) 硬聚氯乙烯道运输装卸不得剧烈撞击、抛摔和重压堆放不得超过1.5米距热源不少于1.0米不准露天爆晒绝对不允许用明火烘煨贮存一般不超过一年。 6、 在土建主体构造施工中注意本专业须做的预埋件、预留洞施工配合与预控工作。 〔三〕建筑排水工程施工监理质量控制要点 监理工程师针对排水工程施工过程中的质量通病监视施工承包严格遵守施工工艺操作规程消除通病。 1、 道施工作业条件和控制要点 (1) 埋地道施工控制要点 埋地道必须铺设在未经扰动的坚实土层或铺设在按设计要求须经过夯实的松散土层上道及道支撑或支墩不得铺设在冻土层和未经处理的扰动的松土上沟槽内遇有块石要清楚扰动的土层要经过处理要防止道产生不均匀沉陷造成质量事故道铺设的高程、座标要符合设计要求硬质聚氯乙烯塑料只适用建筑道安装。 室外道在雨季施工应做好沟槽排水措施不能产生积水泡槽问题更应严防因地面雨水流入沟内造成漂使口折裂事故。 埋设道沟槽要平直沟底要夯实平整坡度符合要求穿过建筑根底处要预先留好洞。 (2) 安装道〔包括设备层、道竖井、吊顶内的道〕首先应该核对各种道的标高、座标各种道排列有序符合设计图纸要求。 (3) 室内明装道要与土建构造的进度相隔1—2层的条件下进展安装室内低平地平 标高和房间尺寸线应弹好在粗装修工序已完无有其它障碍下进展安装。 (4) 安装卫生洁具应在与洁具连接的道做完压力试水、闭水试验并已办好隐预检手续; 浴盆的稳装应在厕浴间内土建专业做完地面防水层及保护层经试水后再进展施工安装。 2、 排水干安装 〔1〕埋地道的根底符合设计和道作业条件坡标高、座标、复验前方可进展安装;承口朝来水方向由出水口出处向室内顺序排列捻口材料和接口方式严格安照设计要求和安装工艺规程进展并做好捻口时道移位的预防措施。冬季接收捻口要做好冬施防冻口措施。 〔2〕埋地道安装好经闭水试验符合要求后方可进展道隐蔽工程验收手续做好临时封堵各预留口后才允许道按规定要求敷土回填。 2、排水立托、吊道安装 (1) 安装在设备层内或吊顶内的排水道可根据设计要求做好托、吊或砌墩支架。在道安装完毕做好闭水试验按隐蔽工程工程做好隐检手续才允许进展道的防腐保温工序施工经历收合格再进展土建构造的盖沟盖板、封设备层盖顶和吊顶的装修工作。 (2) 排水立安装 立安装注意预留横向支和检查孔的位置、高程、要符合设计要求;高程建筑的主应考虑道胀缩补偿器的安装。 4、内排雨水道的材要按设计要求选用注意道承压的要求雨水漏斗的连接收应固定在屋面承重构造上雨水漏斗边缘应与屋面相连处做到严不漏。雨水道安装后应做灌水试验进展漏渗检查。 5、硬质塑料安装的质量控制要点 接口要注意先试插接口合格及清口除灰粘结剂涂抹做到先抹承口后抹插口注意接 好口后的余料擦拭干净。 立要注意安装伸缩节位置距地坪或蹲台70~100mm;埋地道〔室内〕道周围应先用细砂回填至顶100mm上覆过筛土夯实时勿碰道。 6、卫生器具安装质量控制要点 〔1〕安装卫生器具时宜采用预埋支架或用膨胀螺栓进展固定。如用木螺丝固定应于墙体内预埋浸泡沥青漆的防腐木砖木砖低于净墙面10mm 。 〔2〕卫生器具的陶瓷件与支架接触面应平稳妥帖必要时应加软垫如陶瓷件直接固定墙体时螺栓应加软垫圈拧紧时不能用力过猛防陶瓷破裂。 (3) 道及道附件与卫生洁具的陶瓷件连接处应垫的胶皮、油灰等填料和垫料。 (4) 固定洗脸盆、洗手盆、洗涤盆、浴盆的排水口接头应通过旋紧螺母来实现不得强行旋转落水口落水口应与盆应相平或略低于盆底。 (5) 需装设冷水和热水的卫生器具应将冷水龙头装在左手侧热水龙头装在右手侧。 (6) 安装座便器和妇卫生盆时要在其底部与所接触的地坪之间加进橡胶垫。 (7) 大便器、小便器的排水口承插接头应用油灰填充不得用水泥砂浆填充。 (8) 座便器安装时注意便器座标超偏和冲水主座标超偏橡胶软弯瘪或伸接过紧橡胶软拉伸过紧搭接过短或软质量不好。严禁用铅丝捆绑软与硬搭接处。应用喉箍卡固定卡牢以防此处漏水。 (9) 地漏应安在最低处其箅子顶面应低于设置处地面5mm。 (10) 安装电热器应有接地保护装置试验时先加满水后通电启动。 6、成品保护 (1) 道安装完成后应将所用口妥善封闭严防止杂物进入造成道堵塞; (2) 安装完的道应加强保护严防承重被当脚手架尤其是立距地2米以下时应用木板捆绑保护; (3) 严禁利用塑料道作为脚手架的支点或平安带的拉点、吊顶的吊点; (4) 其临近道焊接时不许明火烘考塑料以防道变形; (5) 油漆粉刷前应将排水道包裹保护以防污染道; (6) 埋地道回填时道四周和顶部要用细土覆盖人工夯填逐层夯实不许在道顶部用蛤蟆夯等机械夯土。 (7) 冬季施工接口必须采用防冻措施; (8) 不允许在安装好的托吊道上搭架子栓物器; (9) 卫生洁具安装成品保护 冬季无通暖时要把卫生洁具放水干净 做到存水弯无积水以免冻裂。 搬运卫生洁具要防止磕碰对洁具和镀件要做好保护工作。也可在开工前统一安装。 注意地漏是否通畅分户阀是否关好以免渗漏使装修工程受损。 〔四〕建筑排水工程施工质量通病 1、 专业及公众间配合不当的通病 (1) 由于地面标高超偏或调整有关工程未进展相应调整造成道预留口、器具、设备等的标高超偏。 (2) 由于砖、柱、垛尺寸调整或偏向造成道位移道吃墙或影响门、窗扇启闭; (3) 暖气片后墙不摸灰、粉刷或没装修即安装影响装饰工程质量; (4) 由于水、电专业设计配合不当施工审图不细造成道、设备与电气开关插座等设施间隔 过近或重叠影响平安和使用; (5) 道楼板处没用与楼板同标的混凝土按正式工序进展堵洞切断主筋后未采取有效措施处理有防水层的地面洞周围防水处理不好造成渗漏; (6) 竖向井无分层隔断不符合消防要求; (7) 防水层做完后又剔槽打洞埋设道及排水器; (8) 地漏埋设未考虑厕浴间与走廊地面高差未考虑地面坡度未考虑面层厚度造成排水不入地漏以及地面流水倒坡等影响地面及墙面的防水性能。 2、 水、暖、卫工种间的共性通病 (1) 固定支架的位置、构造及固定做法不符合要求; (2) 支、托、吊架规格、间距、标高不符要求固定不牢、不平不正与道接触不好制作粗糙; (3) 道或支墩铺设在冻土或松土上支墩砌筑不符合要求; (4) 道、支、托、吊金属设备等未经除锈、防腐即进展安装;或除锈、防腐、清理灰浆不彻底防腐、面漆的遍数不够及部分漏刷; (5) 给排水、采暖、煤气等道的互相位置或间距不符合要求; (6) 道坡度超偏向甚至倒坡预留口不准部分塌落或压弯; (7) 道连接存在的质量问题: 不允许焊接而采用焊接;焊口不平直加强面缺乏有烧穿、裂纹、气孔、夹渣等缺陷; 丝接接头不规整断丝多丝扣外露超差麻头不清理镀锌钢的镀锌层被破坏; 法兰接头平齐垫料不符合要求出现双层或多层垫; 承插口或套接口填料不符合要求灰口不饱满实、间隙偏向过大甚至用水泥抹口。 (8) 水压试验、耐压强度试验、严性试验、闭水和灌水试验问题: 程序和不符合要求结不确切签证不全; 试验部位不全有漏试区段或系统; 对要求进展严性试验的阀门进展水压试验安装前的质量未按规定取样或全数试验有缺项、露项。 (9) 主要材料、设备无出厂合格证无进场检验手续。 3、 建筑排水道安装通病 (1) 对三通、弯头的选型、匹配不当致使程度托、吊的高度不合理影响使用、维修及美观; (2) 程度段上采用了直角三通或直角四通;立与程度排除连接采用可90度弯头影响污水正常排放。 (3) 托、吊和铺设道、塌腰或倒坡高层建筑辅助臭气道、连通倒坡; (4) 检查口或清扫口设置数量不够位置不当朝向不对。 (5) 排水不畅或堵塞; 安装前不认真清膛; 甩口不及时封堵或封堵措施不当检查口、清扫口安装不及时; 土建水泥浆流入道向便器、地漏倾倒杂物; (6) 蹲便器的存水弯没保温对保温材料的选用不当或缠裹松散保护壳不严、不光、开裂、造成结露。 (7) 塑料排水不按要求位置和数量装伸缩节〔器〕承插接口周围缝隙大或不匀粘结剂性能不良没有溶合粘结剂外溢脏污道。 (8) 排水立、地漏、便器之排水立等楼板处混凝土疏松以及防水层作法不符合要求或被破坏造成渗漏。 (9) 室外污水道无渗漏试验或试验结果不符合要求无处理结;砖砌井室不按规定勾缝抹灰道处有渗漏; (10) 室外道接口〔捻口、抹带等〕及混凝土垫层做法不符要求。 4、 卫生器具安装通病 (1) 固定不牢 轻质隔墙上没有采取有效的夹〔锚〕固定措施或锚固点外露明显影响观感;没有预埋地脚螺栓或没有用膨胀螺栓固定器具固定螺栓没有加软垫;采用下木楔用木螺丝固定不延年;支架制做的或设计的不合理刚度不够观感不好; (2) 上下池安装的相对位置不合理造成低池无法使用。 (3) 坐便器后出水的软安装常出现以下问题: 软橡胶质量不好; 便器座标超偏造成软弯瘪或拉伸过紧与硬搭接过短或冲水立座标偏; 软硬搭接处用铅丝捆绑〔应用喉箍卡固定、卡固〕。 〔4〕排水栓常见问题 排水栓高与器具地面有积水其栓口镶接处没加软垫造成渗漏; 排水栓上无溢水眼; 上下池的上池排水关距低池底面过高口没做成马蹄形向外溅水甚至排水栓下不接短 排水栓的连接 插入排水的长度不够固定不牢其插入部位周围的缝隙不堵塞臭气外溢。 (5) 地漏标高不准造成地面存水影响走路。 〔6〕多功能排水器的进、出接口不严埋于垫层中者又没有进展隐检或垫层顶面无防水功能造成垫层浸水湿透或卫生间地面也没做蓄水试验或只采取纸胎油毡、不能久泡的防水材料造成渗漏。 (7) 卫生器具配件安装通病 所选用配件质量低劣不符合节水规定〔如采用非节水型水咀、水箱内配件等〕;启闭不灵敏不严造成渗漏; 未调试水箱内的配件及合理的水位; 配件不齐全不安装堵链。 〔8〕澡盆裙边无检查门影响检修软喷头挂钩位置不合理不便使用。
展开阅读全文

开通  VIP会员、SVIP会员  优惠大
下载10份以上建议开通VIP会员
下载20份以上建议开通SVIP会员


开通VIP      成为共赢上传

当前位置:首页 > 环境建筑 > 其他

移动网页_全站_页脚广告1

关于我们      便捷服务       自信AI       AI导航        抽奖活动

©2010-2026 宁波自信网络信息技术有限公司  版权所有

客服电话:0574-28810668  投诉电话:18658249818

gongan.png浙公网安备33021202000488号   

icp.png浙ICP备2021020529号-1  |  浙B2-20240490  

关注我们 :微信公众号    抖音    微博    LOFTER 

客服