收藏 分销(赏)

螺纹锁紧环换热器检修存在问题及对策.doc

上传人:xrp****65 文档编号:5908534 上传时间:2024-11-23 格式:DOC 页数:10 大小:1.32MB 下载积分:10 金币
下载 相关 举报
螺纹锁紧环换热器检修存在问题及对策.doc_第1页
第1页 / 共10页
螺纹锁紧环换热器检修存在问题及对策.doc_第2页
第2页 / 共10页


点击查看更多>>
资源描述
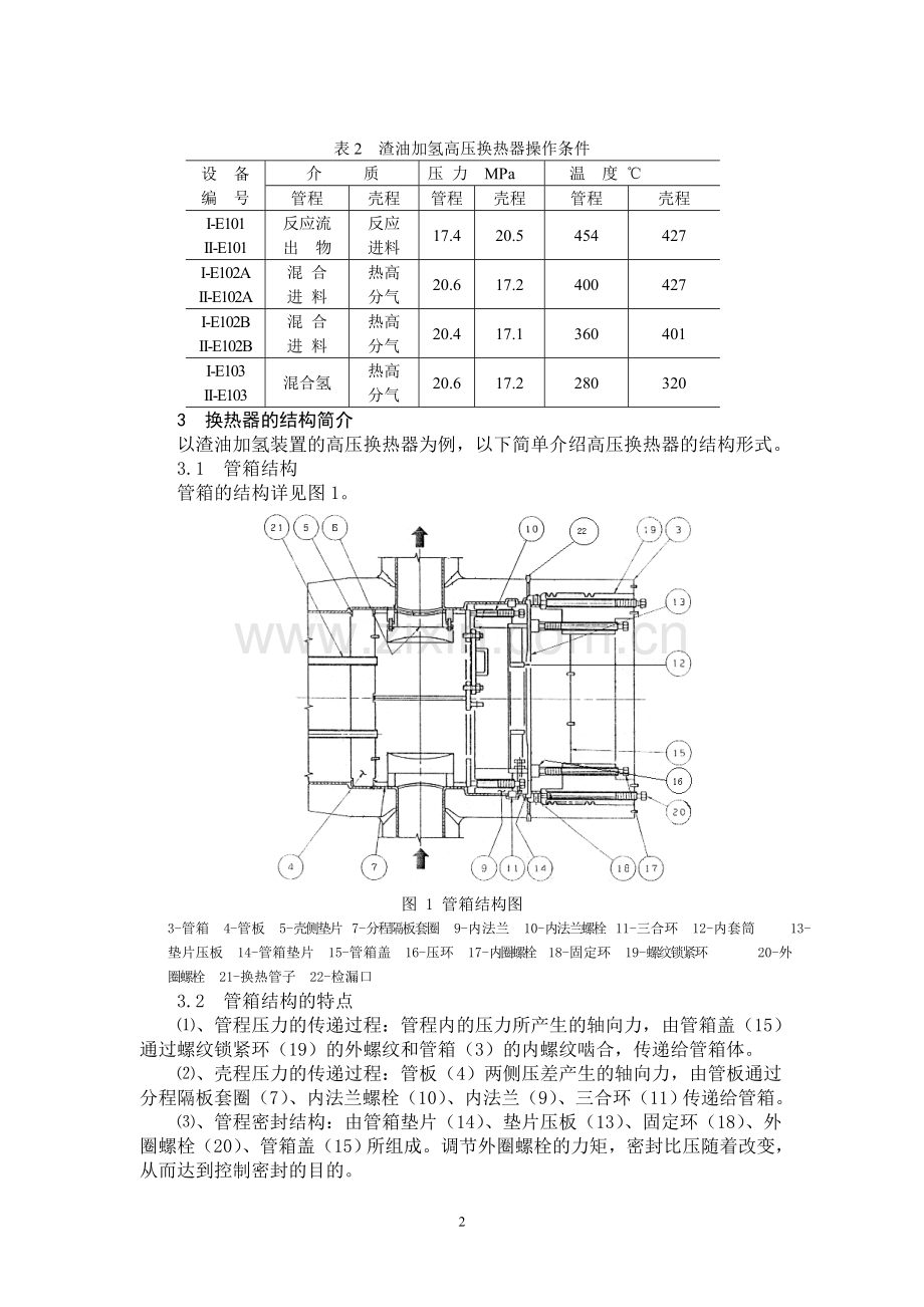
螺纹锁紧环换热器检修存在问题及对策 茂名炼化股份有限公司 苏国柱 摘要:某厂的两套加氢装置使用了由国外设计、制造的H—H型螺纹锁紧环换热器,由于设计不合理,在停车对换热器进行拆装时,出现了外圈螺栓粘结、螺纹锁紧螺纹损坏、内法兰螺栓拆卸困难和密封泄漏等问题,通过采取改变螺栓结构和改进拆装程序与方法等措施,完成对换热器的检修,也方便换热器以后的拆装检查。 关键词:螺纹锁紧环高压换热器 拆卸 问题 改进 1 前言 加氢裂化装置和渣油加氢脱硫装置的高压换热器均为螺纹锁紧环式换热器,这种结构型式的换热器最初是由美国雪弗龙公司开发设计的。其管箱用大型螺纹环承担全部压力,省掉了传统换热器两个大型法兰和相应的一套重型螺栓、螺母,因此其体积小、结构紧凑;另外从密封角度上讲,压紧垫片的螺栓只承受垫片压紧力,与换热器内压力几乎无关,且运行过程中出现泄漏时,也不必停车,只需紧固外面的螺栓即可达到密封要求,因此其结构是合理的,密封有保证,操作安全可靠。但螺纹锁紧环式换热器的结构比较复杂,内构件多,装配复杂,拆装需要借助专用工装。加氢裂化装置和渣油加氢脱硫装置的高压换热器的结构基本相同,但也存在差异之处,本文介绍了高压换热器的结构特点,并就两套装置的换热器在检修过程存在问题进行阐述,并提出处理办法。 2 换热器的操作条件 两套装置的换热器的操作条件见表1、2。 表1 加氢裂化高压换热器操作条件 设 备 编 号 介 质 温 度 ℃ 压 力 MPa 管程 壳程 管程 壳程 管程 壳程 E101 反应流 出 物 热循氢 414 254 17.64 19.35 E102/A 反应流 出 物 新鲜 原料 378 307 17.56 18.99 E102/B 反应流 出 物 新鲜 原料 363 202 17.45 19.02 E103 反应流 出 物 冷循 环氢 329 254 17.44 19.42 E104 反应流 出 物 新鲜 原料 276 202 17.34 19.06 E105/A 反应流 出 物 丁烷塔原料 237 194 17.24 2.08 E105/B 反应流 出 物 丁烷塔原料 209 139 16.90 2.03 表2 渣油加氢高压换热器操作条件 设 备 编 号 介 质 压 力 MPa 温 度 ℃ 管程 壳程 管程 壳程 管程 壳程 I-E101 II-E101 反应流 出 物 反应 进料 17.4 20.5 454 427 I-E102A II-E102A 混 合 进 料 热高 分气 20.6 17.2 400 427 I-E102B II-E102B 混 合 进 料 热高 分气 20.4 17.1 360 401 I-E103 II-E103 混合氢 热高 分气 20.6 17.2 280 320 3 换热器的结构简介 以渣油加氢装置的高压换热器为例,以下简单介绍高压换热器的结构形式。 3.1 管箱结构 管箱的结构详见图1。 图 1 管箱结构图 3-管箱 4-管板 5-壳侧垫片 7-分程隔板套圈 9-内法兰 10-内法兰螺栓 11-三合环 12-内套筒 13-垫片压板 14-管箱垫片 15-管箱盖 16-压环 17-内圈螺栓 18-固定环 19-螺纹锁紧环 20-外圈螺栓 21-换热管子 22-检漏口 3.2 管箱结构的特点 ⑴、管程压力的传递过程:管程内的压力所产生的轴向力,由管箱盖(15)通过螺纹锁紧环(19)的外螺纹和管箱(3)的内螺纹啮合,传递给管箱体。 ⑵、壳程压力的传递过程:管板(4)两侧压差产生的轴向力,由管板通过分程隔板套圈(7)、内法兰螺栓(10)、内法兰(9)、三合环(11)传递给管箱。 ⑶、管程密封结构:由管箱垫片(14)、垫片压板(13)、固定环(18)、外圈螺栓(20)、管箱盖(15)所组成。调节外圈螺栓的力矩,密封比压随着改变,从而达到控制密封的目的。 ⑷、壳程密封结构:由壳程垫片(5)、管板(4)、分程隔板套圈(7)和内法兰螺栓(10)所组成。调节内法兰螺栓,可控制密封面比压。为使管程和壳程之间不串漏,密封垫片应充分压紧,要达到密封所需的压紧力,其方法是在安装时用内法兰螺栓第一次压紧,待操作过程中发现有内漏现象时上紧内圈螺栓即可达到密封。为补偿膨胀差引起的压缩量的大小变化,在内套筒与管板之间加金属平垫。(加氢裂化高压换热器无此结构) 4 检修过程存在问题 加氢裂化高压换热器于1982年使用,已检修多次,而渣油加氢高压换热器于1999年投用,2001年进行了第一次检修,两套装置的换热器在检修过程中都存在一些问题。 4.1 外圈螺栓粘结 在拆卸渣油加氢换热器ⅠE103时,发现外圈螺栓有旋不动的现象,螺栓螺纹与螺纹锁紧环发生粘结,拆卸极为困难,即使注入大量的松锈剂,锁紧环上仍有8个螺栓拆不动。在拆卸其它几台时也发现有同样现象,使用的专用液压工具(德国WREN 5型)的扭矩对于ⅠⅡE102达到了7000N*M,仍无法拆卸(ⅠⅡE102螺栓规格为1-1/2″,规定的拆卸正常力矩为990N*M,最大为1320N*M),ⅠE102A更有一条螺栓的螺帽被拧断,还有部分螺栓在旋松1/4圈后便越拧越紧。在锁紧环拆下后对旋不动的螺栓进行再次的拆卸,仍无法旋转出来。检查发现已经拆卸下来的外圈螺栓中有60%在螺纹的底部3~7丝的位置啮合面有明显的伤痕。 外圈螺栓出现粘结的原因是外圈螺栓设计不合理,即该螺栓直径小而长度偏长,如E101的螺栓规格为φ38×866,见图2,由于顶部螺纹受力及在开工时对 图2 外圈螺栓 其进行了不同程度的热紧,有螺纹部分螺栓容易挠曲变形,造成整个螺栓拆卸困难。而比较加氢裂化高压换热器的外圈螺栓,其由螺栓和顶柱组成,见图3,因而结构合理,上紧时外圈螺栓的变形较小,主要由顶柱吸收,因而检修时不存在拆不出来的现象。 图3 外圈螺栓和顶柱 4.2 锁紧环螺纹和管箱螺纹损伤 渣油加氢换热器因部分外圈螺栓无法拆卸致使螺纹锁紧环无法自由旋转,为保证装置的检修施工进度,施工单位对螺纹锁紧环进行了较大力矩的强制拆卸,其中ⅠⅡE103及ⅠE101、ⅠE102A均能较轻松旋开,约用了1~2t的力,而ⅠE102B、ⅡE102A起始较费力,旋开后旋力较小,但ⅡE101旋开后旋转力渐大,调整主吊的导链及锁紧环水平度的作用并不明显,其旋转力最大到3~5t。以上各台锁紧环旋出后,发现其螺纹及管箱的螺纹有不同程度的划痕。而ⅡE102B因拆卸不下的螺栓较多,锁紧环无法自由旋转,在现场进行了强制旋转试验,用吊车绕换热器管箱1/2圈加力,负荷以1t为梯次从1t加载到11t,在加载过程中,检查锁紧环与管箱的间隙,顶间隙从1.6mm逐渐减小至11t时的0.90mm,底间隙从1.0mm逐渐增大至11t时的2.0mm,而锁紧环却未有动作。按日方制造厂的检修施工说明,采用加热的方法在管箱外缘缠绕电加热片(约400mm宽),外包硅酸铝镁毯保温,加热片距离管箱外缘大于50mm,在以较大的速度升温后,温度分别达到80℃、100℃、150℃、200℃时进行拆卸,仍无效果。最后决定用钻床钻掉螺栓,直到螺栓的光杆部分,而后使用专用工具按拆卸方案规定的步骤将锁紧环拆下,锁紧环和管箱的螺纹也有不同程度的划痕。 螺纹损伤以ⅡE101最严重,锁紧环的26扣螺纹中不同程度损坏的螺纹有22扣,从第3扣到第24扣,其中3~5扣为梯形螺纹的下梯形腰面拉伤,从6~16扣为螺纹上、下梯形腰面均拉伤;从8扣到24扣为螺纹上梯形腰面拉伤。其中第5扣、6扣、15扣、16扣损伤最严重。从损伤的形貌看,系拉伤或划伤,部分螺纹牙扣可见明显凹坑及毛刺,部分螺纹已出现划伤引起的材料流失。另外,经对损坏及未损坏的螺纹卡尺测量,也发现梯形螺纹上端面尺寸减少,最低处为4.52mm。ⅠE102B、ⅡE102A的螺纹损伤与ⅡE101相类似,其它的较轻。 螺纹损伤部位简图如下图4箭头所示。 图4 螺纹损伤部位 部分外圈螺栓拆卸不下来,致使锁紧环无法自由旋出,在受力状态下强力拆卸螺纹锁紧环,是造成螺纹损伤的主要原因。另外拆卸专用工具在现场操作较困难也是造成螺纹损伤的一个间接原因:加氢裂化高压换热器拆卸锁紧环的工装为杠杆加平衡重的工装,其结构简单,易调节,操作方便可靠,因而拆卸容易;而渣油加氢的拆卸锁紧环的工装为悬臂式工装,虽然具有依赖外部辅助装备少,可多方位调节等优点,但存在工装结构复杂,不易调节的缺点。因专用工具为非平衡结构,操作过程须随时调节,以确认锁紧环的重心。在施工中锁紧环的水平度可能有偏差,且其结构与加氢裂化有较大不同,后者为大螺纹,螺距为20mm,丝扣少,只有16扣,且螺纹布置在管箱的外侧,易于确定水平方位,见图5;而前者换热器螺纹螺距为16mm,有26扣螺纹,位于管箱的内侧,见图6。 图5 渣油加氢管箱螺纹 图6 加氢裂化管箱螺纹 因ⅡE101、ⅠE102B和ⅡE102A三台换热器的锁紧环螺纹损伤严重,采取了锁紧环堆焊后重新加工螺纹(保持原尺寸)的处理措施。 渣油加氢换热器锁紧环拆卸困难,可通过改外圈螺栓结构来解决,同时在拆卸时应严格控制锁紧环与管箱之间的间隙,及时调整锁紧环的水平度。另外也可改工装形式,以方便拆卸时的操作。 4.3 内法兰螺栓拆不下 在拆卸加氢裂化换热器内法兰螺栓时,经常出现的问题是内法兰螺栓拧不下来。内法兰螺栓和内法兰内丝扣粘结很紧,若加大力距把就会出现把乱丝扣的情况,内法兰螺栓拆不出,因而内法兰也就无法取出,给检修的下一步工作带来了极大的困难。 4.3.1 原因分析 内法兰和螺栓是处于高温、高压的氢气和油中,环境恶劣。造成内法兰螺栓拧不出来的原因主要是: ⑴、内法兰螺栓在力的作用下头部产生变形,即弯曲和墩粗。使用中内法兰螺栓受到以下4个轴向力的作用: ①、安装时上紧力距产生的压紧力; ②、壳程与管程介质压力差产生的压紧力; ③、分程套筒与管箱体轴向热膨胀量之差产生的压紧力; ④、运行中上紧内圈螺栓产生的压紧力。 ⑵、内法兰螺栓与内法兰内丝扣材质搭配不当,高温作用下变形咬死; ⑶、内法兰内丝扣及内法兰螺栓丝扣较长,因所配丝扣是细牙螺纹,如有某一局部出现变形或错位,在拧螺栓不畅顺的情况下,若加大力距拧,丝扣就会出现乱扣现象。 4.3.2 处理方法 处理上述问题的主要方法有: ⑴、若出现内法兰螺栓把不动或乱扣拧不出来时,只能在内法兰螺栓底部,即在内法兰螺栓底部压紧管箱之间的空挡处,采用电焊或等离子切割机,将螺栓切割掉一小段,形成一个空隙,以便于取出三合环,再取出内法兰。 ⑵、取出内法兰后,将已经切割的内法兰螺栓用钻床钻掉,再根据内法兰内丝扣的损伤情况,进行堆焊,重新攻配螺栓。 ⑶、为防止回装时内法兰螺栓拧不进去及乱扣现象的发生,在回装内法兰螺栓之前,需将内法兰每个螺栓用丝攻攻一遍,直至所配螺栓出入自如。 ⑷、若内法兰螺栓孔破损严重,而修复又无法保证质量时,只有更换新的内法兰。 ⑸、改进结构 ①、内法兰螺栓原为通丝结构,如图7,顶紧分程隔板部分易产生丝扣变形(即上述的变曲和墩粗),造成难于拆卸。故可将螺栓前部丝扣车小为缩径光杆,如图8,避免螺栓顶部变曲和墩粗。 图7 内法兰螺栓 图8改进后的内法兰螺栓 ②、在内法兰内侧径向(对准螺栓孔)攻一M8的丝孔,安装时用螺柱封死,检修时拆下螺柱,用仪表用手摇泵强力注入煤油或润滑油,达6MPa左右的压力时内法兰螺栓丝扣会冒油,对丝扣起到清洗和润滑丝扣的作用,便于拆卸螺栓。 4.4 三合环取不出来 三合环是除锁紧环外另一个主要轴向承力件,起着关键的作用,其结构见图9,拆卸顺序为先拆卸底部一块,再拆其余两块。由于长时间的使用及受高温、 图9 三合环 高压的影响,三合环与管箱表面都产生氧化层,在检修过程中,每次拆卸都会遇到三合环与凹槽之间的间隙(只有0.5mm)被氧化皮堵结死,再加上原先配有起拔作用的螺栓孔(3个M12的孔)被腐蚀而失去作用,因而造成三合环取不出来。我们在检修时采取了以下措施取出三合环: ⑴、将每一块三合环用铜锤敲打一遍,用铲沿三合环槽边将氧化层彻底清理干净。 ⑵、取一条加减丝,在每块三合环一端与管箱内对正端,用电焊焊死连接,然后一边收紧加减丝,一边敲打三合环。如果还是取不出,再加焊一个加减丝,直至取出为止。 ⑶、用丝攻重新处理原配螺栓孔,直至螺栓能上进去。 三合环如果变形严重,装配时则应更换新的三合环。 原设计仅利用1个M12的螺栓孔将三合环拆出凹槽,实际上可行性不大,尤其是对于长期运行的换热器,三合环的拆卸非常困难。有些炼油厂在三合环上各打2个M22的通孔(底部15mm长为光孔),见图10。检修时用螺栓向下旋,将三合环顶出,这是一个有效的措施。 图 10 改进后三合环 4.5 壳侧垫片失效 壳侧垫片存在的问题主要是:由于高压换热器壳侧垫片槽(见图11)所选 图11 壳侧垫片槽图 用的密封垫片是基本型缠绕垫,在历次检修过程中,多次因垫片密封不好而出现泄漏。密封失效的主要原因是: ⑴、垫片太薄,厚度达不到规定要求。管束抽出后,发现壳程垫片与垫片槽几乎平齐,有的则完全平齐,管板密封面外缘与管箱体有明显压痕。垫片厚度要求为5.0~5.5mm。 ⑵、垫片内外径与垫片槽误差大,垫片宽度得不到保证。垫片槽宽度22mm,但所用的垫片宽度只有16~18mm,由于垫片所受的力较大再加上垫片宽度、厚度得不到保证,当垫片达到相应的把紧力后,迫使垫片急剧压缩并向内外侧扩张,这是造成密封泄漏的主要原因。垫片宽度要求为20~21mm。 ⑶、垫片不耐压,收缩性太大。 由于垫片质量要求高,故在订货时要提出技术要求及允许误差极限,并在垫片到货后,认真检查确认,达到技术要求才允许使用。 4.6 管箱密封泄漏 4.6.1 原因分析 管箱密封泄漏的主要原因有: ⑴、 垫片质量差; ⑵、 压板的垫片接触面损坏; ⑶、 垫片压板变形过大,造成传力不均,导致垫片局部未被充分压缩,从而造成泄漏; ⑷、 垫片压板未能充分压缩垫片,造成密封泄漏。 4.6.2 措施 针对密封泄漏的原因,可采取以下措施: ⑴、 提高垫片质量。 ⑵、严格控制压板的变形量。当压板的外径缩小量大于2mm或变形量“A”、“B”(见图12)大于10mm时应更换压板。其中垫片压板产生缩径的原因是管箱与压板由于材料的不同,受热产生的膨胀量不同,当拆卸换热器时压板就会产生缩径;而垫片压板产生变形的原因(排除压板材料本身的因素)为:“A”部分的变形是由于上紧锁紧环上的外圈螺栓引起的,“B”部分的变形是由于上紧管箱盖上的内圈螺栓引起的。 图12 压板变形量的测量 ⑶、锁紧环安装到位后,外圈螺栓先对角上紧,以防止垫片压板翘曲,造成压板或垫片脱落。 ⑷、用规定的力矩上紧外圈螺栓,保证垫片达到要求的压缩量(开工时还要按要求进行热紧)。 4.7 锁紧环上紧后垫片压板掉下 加氢裂化换热器的锁紧环上紧后发现垫片压板掉下,这种情形发生过几次。图13为固定环、压板和垫片的装配图:垫片槽深度为4.5mm,垫片厚度为3mm, 图13 压板装配图 垫片压板挂在1.5mm深的槽内,背面挂在固定环上。固定环的轴向固定方法是将沿管箱周向均布的3个M6限位螺钉旋出至螺钉半个端面顶住固定环。可采取以下措施来保证管程垫片压板和管箱槽对正: ⑴、壳体三个限制轴向位移的螺钉顺畅好用; ⑵、压板试安装,确认可以入槽; ⑶、固定环内圆确认与图纸无误,与垫片压板试安装,间隙合适; ⑷、换热器管程通入氮气或压缩空气,确认管程检漏口无气体外漏,这样可及时检测施工安装质量。 实际上这种安装方法可靠性差,因为垫片压板的直径大,重量也大,光靠3个M6的限位螺钉很难固定固定环,重心不稳时有向外脱落的趋势;另外螺纹锁紧环安装时如有震荡或安装不当,会导致垫片压板脱落,而此时管箱内部已看不到,最终导致垫片槽和垫片压板损坏。渣油加氢换热器的固定环的定位方法,是在固定环上沿周向均匀开3个M10的径向通孔,安装时用螺钉顶紧管箱内表面,这种方法大大提高了安装可靠性。 5 结束语 以上介绍了两套装置换热器在拆装时存在的主要问题,通过分析其产生原因,找出了处理对策。 参考文献 1. 偶国富等.首台国产化螺纹锁紧环换热器的结构缺陷及改造思路.压力容器,2001;18(6):33~35 2. 杨树人.日产加氢裂化装置高压换热器部分结构改进.金陵石油化工,1997(1):44~49 作者简介:苏国柱,男,1969年生,1991年毕业于浙江大学,高级工程师,从事炼油厂设备管理工作。通讯地址:茂名炼化股份有限公司机动部,邮政编码:525011 Performance Defects and Improvement of Threaded Locking Ring Heat Exchanger SINOPEC Maoming Refinery & Chemical Co. ,Ltd. SU Guo zhu Abstract: The imported H-H threaded locking ring heat exchangers used in the hydrotreating plants are found to have design defects during equipment overhaul. The outer main bolts,interior flange bolts and locking thread are damaged to some extents resulting in difficult removal and leakage. Improved bolt feature and removal program have adopted in solving the problems and favourably operation achieved. Key words: threaded locking ring high pressure heat exchanger;disassemble;defect; improvement 10
展开阅读全文

开通  VIP会员、SVIP会员  优惠大
下载10份以上建议开通VIP会员
下载20份以上建议开通SVIP会员


开通VIP      成为共赢上传

当前位置:首页 > 环境建筑 > 其他

移动网页_全站_页脚广告1

关于我们      便捷服务       自信AI       AI导航        抽奖活动

©2010-2025 宁波自信网络信息技术有限公司  版权所有

客服电话:0574-28810668  投诉电话:18658249818

gongan.png浙公网安备33021202000488号   

icp.png浙ICP备2021020529号-1  |  浙B2-20240490  

关注我们 :微信公众号    抖音    微博    LOFTER 

客服