收藏 分销(赏)

湘潭市规划管理技术规定.doc

上传人:xrp****65 文档编号:5882058 上传时间:2024-11-22 格式:DOC 页数:34 大小:540.50KB 下载积分:10 金币
下载 相关 举报
湘潭市规划管理技术规定.doc_第1页
第1页 / 共34页
湘潭市规划管理技术规定.doc_第2页
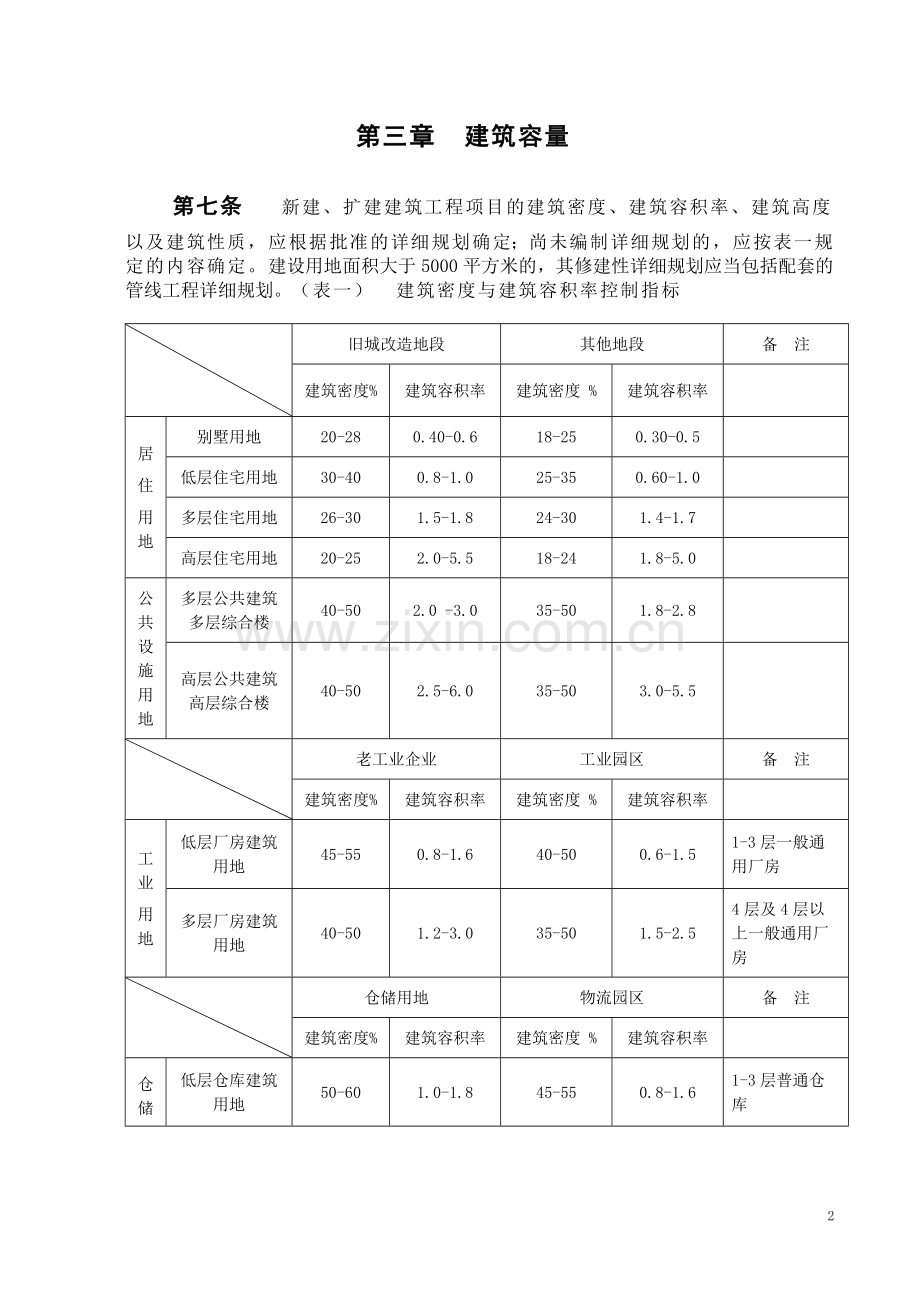
第2页 / 共34页


点击查看更多>>
资源描述
湘潭市规划局规划管理技术规定 (报批稿) 第一章 总 则 第一条 为加强我市城市建设的规划管理,保证城市规划的实施,根据《中华人民共和国城市规划法》、《湖南省<城市规划法>实施办法》、《湘潭市城市总体规划》、《湘潭市城市规划管理细则》以及其他有关法律、法规和规范,制定本规定。 第二条 本规定适用于湘潭市城市规划区。本规定是编制、审批分区规划、详细规划的具体规定和确定技术经济指标的依据。各县(市)及建制镇可结合各地实际参照执行。 第二章 建设用地分类及适建范围 第三条 根据中华人民共和国《城市用地分类与规划建设用地标准》(GBJ137—90),城市建设用地分类包括居住用地、公共设施用地、工业用地、仓储用地、对外交通用地、道路广场用地、市政公用设施用地、绿化用地、特殊用地和其他用地等十大类(详见附件一)。 第四条 不同用地性质的地区和不同的规划阶段,可根据地区特点及规划深度要求,采用“标准”中建设用地分类的全部或部分类别。 第五条 各类建设用地的划分,应遵循土地使用相容性的原则。在已经批准的详细规划地段内进行建设的,应按批准的详细规划执行;确需在未经批准详细规划的地段内进行建设的,应根据城市总体规划、分区规划和《各类建设用地适建范围表》(见附件二)的规定执行。 第六条 凡附件二中未列入的建设项目,应由城市规划管理部门根据对周围环境的影响和基础设施条件,具体核定适建范围。 凡需改变《各类建设用地适建范围表》的规定范围内用地性质的,应先提出调整申请,报城市规划行政主管部门按规定程序批准后执行。 第三章 建筑容量 第七条 新建、扩建建筑工程项目的建筑密度、建筑容积率、建筑高度以及建筑性质,应根据批准的详细规划确定;尚未编制详细规划的,应按表一规定的内容确定。建设用地面积大于5000平方米的,其修建性详细规划应当包括配套的管线工程详细规划。(表一) 建筑密度与建筑容积率控制指标 旧城改造地段 其他地段 备 注 建筑密度% 建筑容积率 建筑密度 % 建筑容积率 居 住 用地 别墅用地 20-28 0.40-0.6 18-25 0.30-0.5 低层住宅用地 30-40 0.8-1.0 25-35 0.60-1.0 多层住宅用地 26-30 1.5-1.8 24-30 1.4-1.7 高层住宅用地 20-25 2.0-5.5 18-24 1.8-5.0 公共设施用地 多层公共建筑多层综合楼 40-50 2.0 -3.0 35-50 1.8-2.8 高层公共建筑高层综合楼 40-50 2.5-6.0 35-50 3.0-5.5 老工业企业 工业园区 备 注 建筑密度% 建筑容积率 建筑密度 % 建筑容积率 工业 用地 低层厂房建筑用地 45-55 0.8-1.6 40-50 0.6-1.5 1-3层一般通用厂房 多层厂房建筑用地 40-50 1.2-3.0 35-50 1.5-2.5 4层及4层以上一般通用厂房 仓储用地 物流园区 备 注 建筑密度% 建筑容积率 建筑密度 % 建筑容积率 仓储用地 低层仓库建筑用地 50-60 1.0-1.8 45-55 0.8-1.6 1-3层普通仓库 多层仓库建筑用地 40-50 1.5-3.0 35-50 2.0-3.0 4层及4层以上普通仓库 注: 1、有关指标在规定的幅度内由城市规划行政主管部门综合考虑有关规定及实际情况后确定,原则上较高的容积率适应较低的建筑密度。 2、对未列入表一的科研机构、大专院校、文化艺术、幼儿园、托儿所、大中小学、医疗卫生、体育场馆等建筑的容量控制指标均应按有关规范执行。 3、地下室,停车库等附属设施,其面积可不计入容积率。 4、特殊情况下,指标可作适当调整。 第八条 在满足自身的规划要求下,能为社会公众提供广场、绿地等公共使用空间,又符合消防、卫生、交通、空域等有关规定的,可在原详细规划或控制指标的基础上酌情增加建筑面积,并按表二的规定换算。但增加的建筑面积总计不得超过原核定建筑面积的百分之十五。 <表二> 提供公益性公共开放空间建筑面积补偿换算表 建设项目容积率 每提供1平方米有效空间面积,允许增加的建筑面积 〈1.2 1.5 1.2-2.5 1.8 2.5-3.5 2.2 3.5-4.5 2.6 4.5以上 3.0 注:为社会公众提供公益性公共开放空间应为满足自身公共空间指标要求以外的面积。 第十条 建筑用地未达到下列最小面积的,不得单独建设: (一)多层居住建筑、多层公共建筑为800平方米; (二)中高层居住建筑为2000平方米(建筑高度为9层至15层);高层居住建筑为3000平方米(建筑高度为16层以上); (三)中高层公共建筑为3000平方米(建筑高度大于或等于24米,小于50米);高层公共建筑为4000平方米(建筑高度大于或等于50米); (四)建筑基地未达到前款规定的最小面积,但有下列情况之一,且确实不妨碍规划实施的,城市规划管理部门可予以核准建设: (1)邻接土地已经完成建设或为河道、道路等,确实无法调整合并的; (2)因城市规划街区划分、市政公用设施等的限制,确实无法调整合并的。 第四章 建筑绿地 第十一条 各类建筑基地内绿地面积占基地总面积的比例(绿地率)应当符合表三规定的要求。临城市道路交叉口和主次干道的公共建筑应将集中绿地临街布置作为公共绿地。 第十二条 居住区内应设置集中公共绿地,包括居住区中心绿地、小区中心绿地、组团中心绿地等,其最小规模应符合表四的规定。 公共绿地的总指标,应根据人口规模分别达到:组团级应不小于0.5平方米/人;小区级(含组团级公共绿地)应不小于1平方米/人;居住区级(含小区、组团级公共绿地)应不小于1.5平方米/人。上述指标在旧城改造地段可酌情降低 ,但不得低于相应指标50%,公共绿地内绿地面积(含水面)不宜小于总绿地面积的70%。 <表三> 绿 地 率 一 览 表 项目类别 代号 绿 地 率 集中绿地率 工业、仓库 M1 应不小于30%,产生污染工厂应不小于35% 不小于10% 行政办公 C1 应不小于35% 不小于10% 金融、商业 C2 应不小于30%,旧城改造应不小于25% 不小于10% 文化娱乐、宾馆 C3 应不小于35%,旧城改造应不小于25% 不小于10% 体育 C4 应不小于35% 不小于10% 学校、科研 C5 应不小于35% 不小于10% 一类居住区 R1 应不小于40% 不小于10% 二类居住区 R 应不小于35%,旧城改造应不小于25% 不小于10% 注:1、在人均公共绿地、绿地率和集中绿地率不一致时取最大值。 2、在混合功能区宜按项目类别分别计算绿地率。 <表四> 公共绿地的规模要求 公共绿地名称 最小规模(公顷) 规划要求 居住区中心绿地 1.0 明确功能划分,以绿地为主兼有体育活动、晨练及休闲功能。辅以铺装小品,建筑密度控制在5%以下。 小区中心绿地 0.4 组团中心绿地 0.04 绿地的设置应满足有不少于1/3的绿地面积在标准的建筑间距范围之外的要求。 块状、带状绿地 宽度应不小于8米。 第十三条 湘江沿岸绿化按湘江生态经济带规划控制。在规划中确定的城市景观道、城市快速路、高速公路连接线等必须保证每侧宽度不小于10米的绿化带。 中心城区内各组团之间应设200-800米宽的绿带,绿带用地是法定永久性非建筑用地,除绿化生产管理性建筑物、构造物外,不得建其他性质的建筑物、构筑物。绿带可以用作绿化生产用地(苗圃、花圃)。有条件的可以建设公园,建成公园的,其面积计入游憩绿地。     中心城区以外的城镇之间至少留出500-1000m的田园绿地,避免夹道沿线开发建设。工业用地的防护绿带的宽度最低不小于10m。 第十四条 为美化环境,有条件的可发展屋顶绿化、垂直绿化、湖、河的坡岸绿化等。 第五章 建筑间距 第十五条 各类建筑的建筑间距除必须符合消防、抗震、卫生、防疫、环保、工程管线、建筑安全保护和强制性条文等方面的要求外,还必须符合下列规定: (一)根据日照、通风等基本要求和本市用地的实际情况,多层居住建筑的间距一般规定为: 1、多层住宅长边向阳、朝南且平行布置时,其最小间距在旧城改造地段不得小于南向建筑的北向外墙从地面至女儿墙顶部高度的1.0倍;在其他地段不得小于1.1倍。当南向住宅为点式住宅(面宽小于24米)时,按相应间距的0.9倍控制。 当建筑方位偏东或偏西时,则应采用表五规定的不同方位间距折减系数换算。 <表五> 方位间距折减系数换算表 方位 00-150 150-450 折减系数 1.0L 0.90L 2、相互垂直布置的条式(长度超过24米)居住建筑,其间距控制应符合表六的规定。 <表六> 垂直布置间距控制表(附图) 布局形式 间 距 备 注 当北侧为南北向布置的居住建筑,南侧为东西向布置的建筑时。 其间距L在旧城改造地段内不小于南侧建筑高度的0.6倍;在新区不小于0.7倍;在旧城改造地段确有困难时,经核准,其最小间距不小于0.5倍。 南侧建筑面宽(a)为15-24米时,按点式建筑间距控制。 山墙不得开窗、挑阳台 当北侧为东西向布置的居住建筑,南侧为南北向布置的建筑时。 其间距L不小于8米 山墙不得开窗、挑阳台 当南侧建筑为高层建筑时,其间距应不小于18米 其间距L应不小于南侧建筑高度的0.5倍 当南北向布置的居住建筑的东侧为东西向布置的建筑时。 其间距L不小于8米 山墙不得开窗、挑阳台 当东侧建筑为高层建筑时,其间距应不小于18米 其间距L应不小于东西向布置的建筑高度的0.5倍 当东西向布置的居住建筑的东侧为南北向布置的建筑时。 其间距L应不小于南北向布置的建筑高度的0.5倍 南北向建筑面宽a为15-24米时,按点式建筑间距控制。 山墙不得开窗、挑阳台 备注:凡其中一幢建筑为高层建筑时,应同时按消防要求予以控制。 3、居住建筑一般不宜采用东西向(方位角大于450的建筑)布置,确实无法避免时,其间距为东侧建筑高度的0.9倍。 4、住宅底层为商店或其它非居住用房时,住宅间距的计算,应包含底层的高度。但同一裙房(不论裙房为若干层)之上的几栋建筑之间间距计算,可不计裙房高度;并同时保证北侧建筑住宅部分的间距在旧城改造地段内不小于南侧建筑高度(扣除北侧建筑裙房等高度后)的1.0倍,新区不小于1.1倍。 住宅底层均布置有层高2.2米以下的车库等附属设施或住宅下部为等高非居住建筑的,以及北侧住宅底层布置有车库等附属设施或住宅下部为非居住建筑的,其间距计算可扣除车库的高度或非居住建筑的高度,反之则不能扣除,但最小间距不应小于南向建筑高度的0.8倍。 居住建筑位于不同标高基地上时应符合下列规定:南高北低时应以北侧建筑基地为起点以南侧建筑檐口为顶点的高度计算间距;南低北高时以南侧建筑高度扣除基地高差后计算间距,但最小间距不应小于12米。 5、多层居住建筑的山墙间距之间最小不得不小于6米,单栋住宅的长度不宜超过80米,同时需满足消防间距或通道要求,最小间距内山墙原则上不得有外露楼梯和窗洞,若在两侧山墙有卧室和客厅等主要房间开启非防火窗洞,则其间距不得小于9米,单侧开启按不小于6米控制。多层居住建筑的山墙宽度必须小于等于15米,山墙宽度大于15米的其间距按平行布置的居住建筑控制。 6、特殊情况可根据日照阴影分析等确定。 (二)根据日照、通风等基本要求和本市用地的实际情况,低层居住建筑的间距一般规定为: 1、低层住宅长边向阳、朝南且平行布置时,其最小间距在旧城改造地段不得小于南向建筑的北向外墙从地面至女儿墙顶部高度的1.1倍;在其他地段不得小于1.2倍。当建筑方位偏东或偏西时,则应采用表五规定的不同方位间距折减系数换算。 2、南北向平行布置的低层居住建筑间的最小间距不得小于8米。低层居住建筑与北侧多层居住建筑的间距不得小于9米。 3、相互垂直布置的条式(长度超过24米)居住建筑,其间距控制应符合表六的规定。 4、低层居住建筑的山墙间距之间最小不得小于4米。同时需满足消防间距或通道要求,最小间距内山墙原则上不得有外露楼梯和窗洞。 (三)多层居住建筑与低层居住建筑之间的间距按南向和东向建筑高度计算间距,符合本条第(一)、(二)要求。多层及低层居住建筑与3层(高度10米)以下且在规划中又属需改造地段的旧民居建筑之间的间距按相应间距的0.6倍计算,同时需满足消防间距或通道要求。 (四)不规则平面多层建筑,按建筑的最凸出的外围线和周围的建筑关系计算建筑间距。不平行的多层建筑之间的间距,按相互间最小的距离计算房屋间距,不平行的多层建筑其长边交角≥45º的按相互垂直布置计算间距。 (五)住宅建筑出挑阳台最大出挑距离为1.8米。 高、中高、多、低层住宅建筑每户南阳台或东西向主阳台连续长度不得大于8M,北阳台或东西向次阳台连续长度不得大于4M,每户阳台总长度不宜超过建筑面宽总长度的60%。 封闭阳台,阳台出挑距离、连续长度或阳台总长度超出以上规定值的,应从阳台外边缘计算建筑间距。 临道路一侧出挑的建筑物、阳台、雨蓬等出挑宽度不应超过1.8米,并不得超出道路红线,与地面的净高度按规范执行。临其他方位出挑的建筑物不得超出建筑定位界线。 (六)高层建筑(含中高层住宅,下同)与居住建筑之间的间距按下列规定确定: 1、 高层居住建筑与高层居住建筑南北向平行布置的: 必须满足地面一层在大寒日满窗日照有效时间(上午8时至下午4时)不少于2小时。并同时符合下列要求: 间距 高度 建筑面宽≥30米 建筑面宽≤30米 最小值 旧城改造 其他地段 旧城改造 其他地段 ≤50米 0.7H 0.8H 0.65H 0.7H 24米 >50米 10+0.5H 15+0.5H 20+0.25H 22.5+0.25H 注:以上两个数值不一致时取较大值。 2、当建筑方位偏东或偏西时,按表五进行折算。 3、高层居住建筑一般不应采用东西向(方位角大于450的建筑)布置,确实无法避免时,其间距按南北向布置的相应标准的0.9倍计算,其最小距离不小于21米。 4、高层非居住建筑位于高、多、低层居住建筑南侧时按本条第六款第1、2小款执行;高层非居住建筑位于高、多、低层居住建筑北侧时按第十七条第三款执行。 5、高层居住建筑与高层居住建筑垂直布置的,其间距在旧城改造地段不得小于南侧或东侧建筑高度的0.35倍、在其他地段不得小于0.4倍,并不得小于13米;高层居住建筑与多、低层居住建筑垂直布置的,间距不得小于13米;一侧是防火墙的,间距不得小于9米。 6、高层居住建筑与高、多、低层居住建筑的山墙间距,按照消防间距控制,但山墙有居室窗户的,间距不得小于13米。如高层居住建筑的山墙宽度≥24米、多、低层居住建筑山墙宽度≥15米,其山墙间距应符合本条第六款第三小款要求。 (七)在符合本条(一)至(六)项间距规定的前提下,多、低层建筑与北侧高层建筑、中高层住宅的最小间距不得小于13米。 第十六条 非居住建筑的间距(沿城市主次干道除外),须在相同类型的布置方式时的居住建筑间距的要求上,同时须满足各专业规范要求。 医院病房、休(疗)养建筑、幼儿园、托儿所和大、中、小学教学楼的建筑间距,除必须符合消防、卫生及声廊等规定外,还必须符合下列规定: (一)南侧为多层建筑或中高层住宅的,其间距在新区不小于南侧建筑高度的1.5倍,在旧城改造地段,不小于南侧建筑高度的1.25倍。 (二)南侧为高层建筑的,其间距应通过日照分析来确定,保证被遮挡的前述建筑符合国家有关规范的日照有效时数。 第十七条 除十五条规定的建筑之外的其他非居住建筑(不包括零星附属设施,如配电房、门卫、围墙等)的建筑间距除应满足城市设计、景观环境、消防、卫生防疫、环境保护、工程管线、人防疏散、建筑保护和施工安全等有关要求外,还应符合下列规定: (一) 多、低层非居住公共建筑南北向平行布置或南面为多、低层居住建筑的,南北向的间距在旧城改造地段不小于南面建筑物高度的0.8倍,在其他地段不小于南面建筑物高度的1.0倍;但南面建筑物是多层北向为低层非居住建筑的,其最小间距不得小于6米;同时应符合消防要求。 (二) 多、低层非居住公共建筑东西向(偏角≥45°)平行布置或东面为多、低层居住建筑的,其间距在旧城改造地段不小于东面建筑物高度的0.6倍,在其他地段不小于东面建筑物高度的0.7倍;但东面建筑物是多层的,其最小间距不得小于9米;同时应符合消防要求。 (三) 非居住建筑与居住建筑垂直布置时:非居住建筑位于居住建筑南侧或者东侧的,其间距按照居住建筑间距的规定执行;非居住建筑位于居住建筑西侧时其间距不小于6米;非居住建筑位于居住建筑北侧的,其间距按照本条第(一)款执行。 (四) 高层非居住公共建筑平行布置的,南北向的间距不小于南面建筑物高度的0.6倍,但不得小于21米;东西向的间距不小于较高建筑物高度的0.4倍,但不得小于13米。 第六章 建筑退让 第十八条 沿建筑基地边界和城市道路、公路、河道、山体、铁路两侧以及电力线路保护区范围内的建筑物,其退让距离除必须符合消防、防汛和交通安全、景观、环保等方面的规定外,应同时符合本章规定。 建筑红线退让指标分为退让用地红线、退让道路规划红线,退让绿地规划绿线、河道规划蓝线、文物保护和市政公用设施规划紫线等。 第十九条 沿建筑用地红线的建筑物,其离界最小距离按以下规定控制,但离界距离小于消防间距时,应按消防间距的规定控制。 (一) 当界外是空地,建设项目性质未明确时,南北向布置的多层建筑与基地边界的南北向的间距按不小于建筑高度的0.5倍控制,与基地边界的东西向的端距不小于3米;东西向布置多层建筑与基地东西向的间距为不小于建筑高度的0.40倍,与基地南北向的端距不小于6米。 (二) 当界外是空地,建设项目性质未明确时,南北向布置的低层建筑与基地边界的南北向的间距按不小于建筑高度的0.5倍控制,且最小间距不得小于6米;与基地边界的东西向的端距不小于2米;东西向布置低层建筑与基地东西向的间距为不小于建筑高度的0.40倍,且最小间距不得小于4米,与基地南北向的端距不小于4米。 (三) 高层建筑的退界应符合下列规定: 1、当界外是空地,建设项目性质未明确时,高层建筑或中高层住宅与北向基地边界线的正向退界不小于L-10米(L为标准间距),且最小间距不得小于12米;与南向基地边界线的正向退界按不小于10米控制。侧向端距按不小于建筑高度的0.15倍控制。 2、当界外是永久性建筑的,按标准间距控制。    (四)界外是公共绿地的,各类建筑的最小离界距离按不小于建筑物高度的0.5倍距离控制;在市级城市公园周边各类建筑的最小离界距离30至50米;各类建筑退让城市桥梁边线的最小距离100米。 (五)地下建筑物的离界距离,不小于地下建筑物深度(自室外地面至地下建筑底板的底部的距离)的0.7倍,且最小值为3米。 (六)当界外是3层建筑高度10米以下的旧民居且在规划中又属需改造地段的,按地十五条第(三)款的要求执行。 (七)当界外是永久性建筑物的按建筑间距要求控制。 第二十条 沿城市道路两侧新建、改建、扩建的建筑物,后退规划道路红线的距离应按批准的详细规划执行;尚未编制详细规划的,其后退距离应视规划道路红线的宽度、道路的性质和视距三角形的要求确定。 (一)临城市规划确定的二环线、韶山路、河东大道、芙蓉路、书院东路、建设中路、建设南路、丝绸路、吉安路、板塘大道、昭山大道、月华路、福星路及湘江生态经济带防洪景观道等进行新建、改建、扩建建筑物,后退道路红线不小于10米。 (二)建筑物后退河西地区其他道路每侧不小于道路红线宽度的1/20,后退河东地区和羊牯、赤马地区道路每侧不小于道路红线宽度的1/10。 (三)不在道路交叉口视距三角形范围内开设出入口的建筑物后退道路交叉口视距三角形的距离不小于相交的两条道路平均宽度的1/5。 (四)在道路交叉口视距三角形范围内开设人流出入口的建筑物,后退道路交叉口视距三角形的距离在符合本条第(三)款后,应根据道路的等级分别再退10-20米。 (五)高层建筑后退道路红线距离除在满足以上后退要求后,应根据道路的等级分别再退建筑总高度的1/10—1/5。 注:1、高层建筑后退道路红线距离应与第三十条第(一)项综合考虑。 2、交叉口后退距离如遇立交时,按立交用地控制。 3、 中高层住宅后退道路红线距离按高层建筑与多层建筑或裙房后退道路红线距离的平均值控制。 4、 当与公路、高速公路等后退距离有矛盾时,按高限控制。 第二十一条 新建有大量人流、车流集散的影剧院、游乐场、体育场、展览管、大型旅馆、办公楼及大型商场等重要建筑物,其主要出入口面向城市道路的,在符合道路后退规定后,应根据道路的等级分别再退10-20米,并妥善安排好出入口位置和停车场地,不得影响城市交通。 第二十二条 沿铁路线布置建筑物时,除按有关专业规范规定执行外,建筑物与最外侧干线铁路中心线的距离不得小于35米。与铁路专用线中心线的距离不得小于20米。 第二十三条 建筑物的围墙、基础、台阶、平台、窗台和除用地范围内连接城市管线以外的其它地下管线(包括管沟、管井等构筑物),均应在划定的建筑控制线范围内建设。 建筑物的阳台、雨蓬、挑檐、凸形封窗,不得突出建筑控制线。 第二十四条 沿河道规划蓝线(按城市总体规划确定的河道规划线)两侧所建建筑物,其建筑控制线后退河道规划蓝线的距离,除有关的规定外,不得小于15M。 第二十五条 建筑物退后架空电力线路的距离及电力线与建筑物最近凸部分的最小水平距离应符合供电部门有关技术规范要求。     第二十六条 凡在城市重要道路两侧及重要广场四周建设的建筑物,应按经批准的分区规划、控制性详细规划确定的规划道路红线以及后退规划道路红线要求执行。 第七章 建筑高度 第二十七条 建筑物的高度除必须符合日照、建筑间距、消防、抗震等方面的要求外,应同时符合本章的规定。 第二十八条 在有净空、高度限制的机场、气象台、电台和其他无线电通讯(含微波通讯)设施周围新建、改建建筑物的,其控制高度应符合有关净空、高度限制的规定。 第二十九条 在文物保护单位、建筑保护地段周围及风景名胜区规划控制地段新建、改建建筑物的,其高度应符合文物保护和建筑保护的有关规定,并按批准的修建性详细规划执行。尚无经批准的修建性详细规划的,应先编制城市设计或建筑设计方案,进行视线分析,提出控制性高度和保护措施,经批准后方可实施。 第三十条 建筑层数应符合下列规定: (一)无电梯的住宅除底层2.2米以下的架空层及车库外,总层数应不超过六层;(坡屋面外缘高度不应超过1.4米) (二)中学教学楼不应超过五层; (三)小学教学楼不应超过四层; (四) 幼儿园、托儿所不应超过三层。 第三十一条 面临城市道路的建筑高度,除应符合消防、日照和沿街景观等要求外,同时宜符合下列规定。 (一)沿路一般建筑的控制高度(H)不得超过道路规划红线宽度(W)加建筑后退距离(S)之和的1.2倍,即:H<1.2(W+S)。 (二)道路交叉口的建筑高度,按宽路计算,但沿窄路部分的建筑长度超过30米时,其超过部分按窄路确定。 (三)城市主要道路和中心地段的建筑高度可视建筑空间环境、天际轮廓线等要求决定。 第八章 居住区规划 第三十二条 居住区按居住户数或人口规模可分为居住区、小区、组团三级。各级标准控制规模应符合表七的规定,其规划结构可以采用居住区---小区---组团、居住区---组团、小区---组团及独立式组团等多种类型。 <表七> 居住区分级控制规模 居住区 小 区 组 团 户数(户) 10000-15000 3000-4000 300-1000 人口(人) 30000-50000 10000-15000 1000-3000 第三十三条 居住区规划总用地,应包括居住区用地和其他用地两类。居住区内各项用地所占比例的平衡控制指标,应符合表八的规定。 <表八> 居住区用地平衡控制指标(%) 序号 用地构成 居住区 小 区 组 团 1 住宅用地(R01) 50-60 55-65 70-80 2 公建用地(R02) 15-25 12-22 6-12 3 道路用地(R03) 10-18 9-17 7-15 4 公共用地(R04) 7.5-18 5-15 3-6 居住区用地(R) 100 100 100 第三十四条 居住区公共服务设施项目及规模配置参照国家及本市相关规定执行。 第三十五条 人均居住用地控制指标应符合表九的规定。 第三十六条 居住区内各类建筑应体现地方风格,并具有个性特点,群体建筑与空间层次应在协调中求变化。居住区内应精心设置建筑小品、绿地,组织好户外的休闲和体育活动场地,丰富和美化环境。 第三十七条 合理安排市政配套设施。配电间、开闭所、水泵房、公共厕所、垃圾收集站、气化站等宜结合其他建筑布置,并注意设计的美观与整体的协调。消防及生活水池应埋入地下,地面覆土深度不少于0.5米,并适宜绿化。 第三十八条 居民委员会(社区)及物业管理用房等宜与其他建筑组合或集中布置,避免单独、分散设置,以减少小区建筑密度,增加绿化面积。 <表九> 人均居住用地控制指标(平方米/人) 居住规模 层数 城市规划区 居 住 区 低层 30-43 多层 19-27 多层、高层 17-26 小 区 低层 28-40 多层 19-26 中高层 15-22 高层 10-15 组 团 低层 23-32 多层 15-22 中高层 13-18 高层 8-11 注:本表各项指标按每户3.2人计算 第三十九条 居住区内主要道路至少应有两个方向与外围道路相连;小区主要道路至少应有两个出入口;机动车道对外出入口数量控制,其出入口间距应不少于150米。 沿街建筑物长度超过160米或总长度超过220米时,应设不小于4米*4.5米的消防通道;人行出入口间距不宜超过80米。居住区内尽端式道路长度不应大于120米,并应设不小于12米*12米的回车场地,当为高层住宅时需满足大型消防车回车要求。 居住区道路:红线宽度应在16--24米 小区道路:路面宽应在6.0--12米,建筑控制线之间的宽度不小于10米。 组团道路:路面宽应在3.5--6.0米,建筑控制线之间的宽度不小于8米。 宅间道路:不宜小于3米 第四十条 住宅区内应按表十三的规定配置机动车车位,机动车车位应集中独立设置或设置地下停车场。其中室外停车位不宜超过总停车位的30%。 第九章 道路交通设施 第四十一条 城市道路规划应严格按照城市总体规划、分区规划、道路网规划以及有关专业规划要求执行。 第四十二条 城市各级道路的规划必须以总体规划所确定的道路为依据,市区道路分为快速路、主干路、次干路和支路四类。并按下列路幅控制。 1、快速路≥35M; 2、主干路≥40M; 3、次干路≥30M; 4、支路 ≥16M。 第四十三条 道路横断面规划应在湘潭市城市总体规划确定的道路红线宽度范围内进行,并在道路网规划中确定,特殊情况需要调整断面形式的,须经市城市规划行政主管部门批准。 第四十四条 道路纵坡及坡长要符合表十的要求 表(十) 道路纵坡及坡长控制指标 道路类别 最小纵坡(%) 最大纵坡(%) 最大坡长(M) 机动车道 ≥0.2 ≤8.0 L≤200 非机动车道 ≥0.2 ≤3.0 L≤50 步行道 ≥0.2 ≤8.0 第四十五条 道路相交宜采用正交,必须斜交时,交叉角不应小于45度,力避“Y”型和错位交叉方式。 第四十六条 道路交叉口必须满足视距三角形要求,视距三角形两腰的长度应不小于两条道路的平均红线宽度;其停车视距参照表(十一)或:道路平面交叉口建筑红线满足视距三角形后退要求,道路交叉口转弯半径一般按以下要求控制:主干路30米至40米;次干路为15米至25米;支路10米至15米。 表(十一) 城市道路停车视距建议值 计算车速(KM/H) 10 15 20 25 30 35 停车视距(M) 10 15 20 25 30 35 计算车速(KM/H) 40 45 50 60 80 停车视距(M) 40 45 60 70 110 第四十七条 立体交叉口边缘外四周15M范围内为控制范围,不得有建(构)筑物。 第四十八条 停车场(库)设置应符合下列要求: (一)机动车停车场(库)的服务半径,在城市中心地段一般不超过500米;在一般地段不宜超过800米。 (二)停车场(库)的出、入口不宜设在主干路上,可在次干路或支路上开设,距主干路交叉口距离应大于70米,且应有单独的车行道。停车场(库)单位车辆的停车面积应符合表十二的规定。 <表十二> 露天(平方米/车位) 室内(平方米/车位) 路边(平方米/车位) 机动车停车场 25-35 30-35 16-20 自行车停车场 1.5-1.8 1.8-2.0 1.0-1.5 注:1、表内机动车车位面积以小型汽车为计算当量。 2、各类机动车辆与小型汽车位的面积换算系数为: 微型汽车:0.7 中型汽车:2.0 大型汽车:2.5 铰接车:3.5 第四十九条 各类建设工程实施停车位配建指标控制要求应符合表十三的规定。其中室外停车位不应少于总停车位的30%。 <表十三> 建设工程停车位配建指标 序号 类别 单位 指 标 备注 机动车 自行车 01 一类住宅 车位/户 1.0-1.5 低层 02 二类住宅 车位/户 0.2-0.5 3.0 03 市属行政办公 车位/百米2建筑面积 0.5-1.2 4.0 机动车 04 非市属行政办公 车位/百米2建筑面积 0.25-0.8 4.0 机动车 05 博物馆、群艺馆、科技馆、图书馆、展览馆 车位/百米2建筑面积 0.6 4.0 0.3-0.5 06 文化活动中心 车位/百米2建筑面积 1.0 4.0 07 会议厅、礼堂 车位/百座 3.0-3.5 30 08 剧场、市级电影院 车位/百座 3.0 20 09 一般电影院 车位/百座 2.0 20 10 大型体育场 车位/百座 3.0 20 11 中小型体育场 车位/百座 1.5 30 12 大中专院校 车位/百学生 0.5 45 13 中学 车位/百学生 0.3 80 14 小学 车位/百学生 0.3 20 15 市、区级综合医院 车位/百米2建筑面积 0.3-0.5 5.0 16 其他医院、诊疗所 车位/百米2建筑面积 0.2 3.0 17 疗养院 车位/百米2建筑面积 1.0 1.0 18 商场 车位/百米2建筑面积 0.5-1.0 20.0 19 农贸市场 车位/百米2建筑面积 0.6 15.0 20 饭店、酒家 车位/百米2建筑面积 1.5 4.0 21 高中档宾馆 车位/客房 0.4-0.6 1.5 22 普通宾馆(招待所) 车位/客房 0.3-0.5 1.0 23 火车站 车位/高峰日每千旅客 3.0 8.0 24 长途汽车站 车位/高峰日每千旅客 2.0 8.0 25 公交枢纽站 车位/高峰日每千旅客 1.5 20 26 旅游区 车位/1公顷游览面积 4.0 10 27 城市公园 车位/1公顷游览面积 4.0 100 注:1、本表机动车停车位以小型汽车为标准当量表示。其他各类机动车辆与小型汽车停车场的面积换算系数参见表十二的注2; 2、本表不包括单位内部职工的停车指标;3、本表为最低指标, 第五十条 郊区公路规划红线两侧应划定隔离带,隔离带的宽度规定如下: (一)国道、快速公路两侧各50米; (二)主要公路、两侧各20米; (三)次要公路两侧各10米。 第五十一条 新建城市道路和城市大型文化、体育、商业、服务、公共绿地、广场等公共场所和居住区应按有关规定设置为残疾人通行的无障碍通道。 第五十二条 公共加油站按以下要求设置: (一)市区范围内的公共加油站宜按(0.9—1.2)公里的服务半径设置。 (二)加油站应大、中、小型结合,以小型为主。其用地面积可参照表十四确定。 <表十四> 加油站的用地面积 级 别 一 二 三 油罐总容量(立方米) 61-150 16-60 ≤15 用地面积(公顷) 0.25-0.30 0.16-0.20 0.10-0.14 (三)加油站的进、出口宜设置在次干路上,并应附设车辆加油等侯车道。 (四)加油站的选址应符合防火规范要求。 (五)加油站污水应经过石油截流设施(废水、油脂和残渣的截流)后才能排入城市排水管道。  第五十三条 公共交通停靠站宜按下列要求设置: 市区公共停靠站的间距一般为500米至600米,道路交叉口附近的站位一般应设在交叉口的出口道一侧,距交叉口的直线段距离应在50米以上。 城市干道上的停靠站应采用港湾式停靠站,其车道宽度为3.0米,直线段长度为20米至40米。 第五十四条 在城市道路上建造建筑物、构筑物时,必须满足通车净高,其中城市干道的通车净高应不少于5.0米,其他道路应不少于4.5米。 第十章 管线工程 第五十五条 管线工程建设应当满足工程建设标准强制性条文的要求并符合城市规划和城市景观规划,严格控制城市架空线建设,现有架空线路应逐步入地,管线工程应当与城市道路、公路以及沿线建设项目工程统一规划,综合平衡,统筹安排、协调建设。 第五十六条 在城市道路、公路的
展开阅读全文

开通  VIP会员、SVIP会员  优惠大
下载10份以上建议开通VIP会员
下载20份以上建议开通SVIP会员


开通VIP      成为共赢上传

当前位置:首页 > 环境建筑 > 其他

移动网页_全站_页脚广告1

关于我们      便捷服务       自信AI       AI导航        抽奖活动

©2010-2026 宁波自信网络信息技术有限公司  版权所有

客服电话:0574-28810668  投诉电话:18658249818

gongan.png浙公网安备33021202000488号   

icp.png浙ICP备2021020529号-1  |  浙B2-20240490  

关注我们 :微信公众号    抖音    微博    LOFTER 

客服