收藏 分销(赏)

风管制作标准.doc

上传人:pc****0 文档编号:5881149 上传时间:2024-11-22 格式:DOC 页数:14 大小:2.04MB 下载积分:10 金币
下载 相关 举报
风管制作标准.doc_第1页
第1页 / 共14页
风管制作标准.doc_第2页
第2页 / 共14页


点击查看更多>>
资源描述
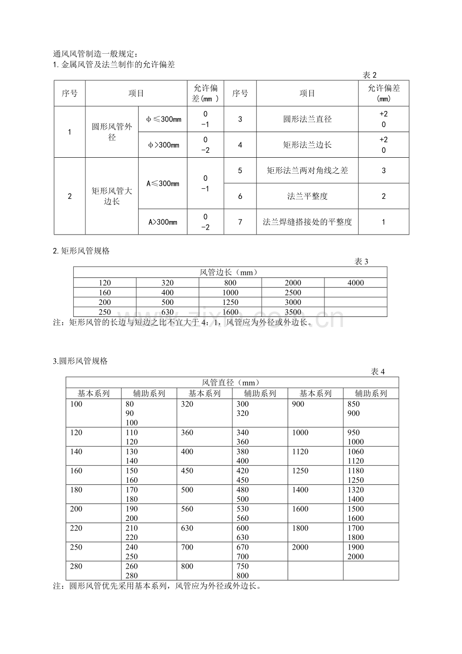
通风风管制造一般规定: 1.金属风管及法兰制作的允许偏差 表2 序号 项目 允许偏差(mm ) 序号 项目 允许偏差(mm) 1 圆形风管外径 φ≤300mm 0 -1 3 圆形法兰直径 +2 0 φ>300mm 0 -2 4 矩形法兰边长 +2 0 2 矩形风管大边长 A≤300mm 0 -1 5 矩形法兰两对角线之差 3 6 法兰平整度 2 A>300mm 0 -2 7 法兰焊缝搭接处的平整度 1 2.矩形风管规格 表3 风管边长(mm) 120 320 800 2000 4000 160 400 1000 2500 200 500 1250 3000 250 630 1600 3500 注:矩形风管的长边与短边之比不宜大于4:1,风管应为外径或外边长。 3.圆形风管规格 表4 风管直径(mm) 基本系列 辅助系列 基本系列 辅助系列 基本系列 辅助系列 100 80 90 100 320 300 320 900 850 900 120 110 120 360 340 360 1000 950 1000 140 130 140 400 380 400 1120 1060 1120 160 150 160 450 420 450 1250 1180 1250 180 170 180 500 480 500 1400 1320 1400 200 190 200 560 530 560 1600 1500 1600 220 210 220 630 600 630 1800 1700 1800 250 240 250 700 670 700 2000 1900 2000 280 260 280 800 750 800 注:圆形风管优先采用基本系列,风管应为外径或外边长。 4.圆形弯管弯曲半径和最少节数 表5 弯管直径D(mm) 弯曲半径R 弯曲角度和最少节数 900 600 450 300 中节 端节 中节 端节 中节 端节 中节 端节 80~220 ≥1.5D 2 2 1 2 1 2 -- 2 240~450 D~1.5D 3 2 2 2 1 2 -- 2 480~800 D~1.5D 4 2 2 2 1 2 1 2 850~1400 D 5 2 3 2 2 2 1 2 1500~2000 D 8 2 5 2 3 2 2 2 注:弯曲半径以中心线计,除尘系统圆形弯管弯曲半径大于或等于2倍弯管直径。 5.镀锌板风管及配件钢板厚度(mm) 表6 类别 直径或长边 圆形风管 矩形风管 除尘系统风管 中低压系统 高压系统 80~320 0.5 0.5 0.8 1.5 340~450 0.6 0.6 0.8 1.5 480~630 0.8 0.6 0.8 2.0 670~1000 0.8 0.8 0.8 2.0 1120~1250 1.0 1.0 1.0 2.0 1320~2000 1.2 1.0 1.2 3.0 2500~4000 1.2 1.2 1.2 按设计要求 注:罗旋风管的钢板厚度可减少; 排烟系统风管钢板厚度可按高压系统; 特殊除尘系统风管钢板厚度应符合设计要求。 6.不锈钢板风管和配件板材厚度(mm) 表7 风管直径或长边尺寸 不锈钢板厚度 100~500 0.5 530~1120 0.75 1180~2000 1.0 2500~4000 1.2 7.铝板风管和配件板材厚度(mm) 表8 风管直径或长边尺寸(mm) 铝板厚度 100~320 1.0 340~630 1.5 670~2000 2.0 2500~4000 2.5 8.硬聚氯乙烯板圆形风管板材及外径允许偏差(mm) 表9 风管直径 板材厚度 外径允许偏差 100~320 3 -1 340~630 4 -1 670~1000 5 -2 1060~2000 6 -2 9.硬聚氯乙烯板矩形风管板材及外边长允许偏差(mm) 表10 风管直径 板材厚度 外径允许偏差 100~320 3 -1 340~500 4 -1 530~800 5 -2 850~1250 6 -2 1320~2000 8 -2 10. 金属风管法兰用料规格(mm) 表11 风管种类 圆形风管直径或 矩形风管大边长 法 兰 用 料 规 格 扁钢 角钢 不锈钢 扁铝 圆形薄钢板风管 ≤140 150-280 300-500 530-1250 1320-2000 -20×4 -25×4 L25×3 L30×4 L40×4 矩形薄钢板风管 ≤630 670-1250 1320-2500 3000-4000 L25×3 L30×3 L40×4 L50*5 圆、矩形 不锈钢风管 ≤280 320-560 630-1000 1120-2000 -25×4 -30×4 -35×6 -40×8 圆、矩形 铝板风管 ≤280 300-560 600-1000 1060-2000 L30×4 L35×4 L40*4 -30×6 -35×8 -40×10 -40×12 11. 塑料圆形法兰尺寸 表12 风管直径(mm) 法 兰 用 料 规 格 镀锌螺栓规格 宽×厚(mm) 孔 径 (mm) 孔 数 (mm) 100~160 180 200-220 360-400 450 500 560-630 700-800 900 1000-1250 1400 1600 1800-2000 -35×6 -35×6 -35×8 -35×8 -35×8 -35×10 -35×10 -40×10 -40×10 -45×12 -45×12 -50×15 -60×15 7.5 7.5 7.5 7.5 9.5 9.5 9.5 9.5 11.5 11.5 11.5 11.5 11.5 6 8 8 10 14 18 18 24 24 30 38 38 48 M6×30 M6×30 M6×35 M6×35 M8×35 M8×40 M8×40 M8×40 M10×40 M10×45 M10×45 M10×50 M10×50 12. 塑料板矩形法兰尺寸 表13 风管直径 法兰用料规格 镀锌螺栓规格 宽×厚 孔径 孔数 120-160 200-250 320 400 500 630 800 1000 1250 1600 2000 -35×6 -35×6 -35×8 -35×8 -35×10 -40×10 -40×10 -45×12 -45×12 -50×15 -60×18 7.5 7.5 7.5 9.5 9.5 9.5 11.5 11.5 11.5 11.5 11.5 3 4 5 5 6 7 9 10 12 15 18 M6×30 M6×35 M6×35 M8×35 M8×40 M8×40 M10×40 M10×45 M10×45 M10×50 M10×60 注:风管与法兰的连接处加三角支撑,三角支撑间距300~~400mm。 13. 风管强度要求 (1) 矩形风管边长≥630mm和保温风管边长≥800mm,其管段长度在1.2m以 上均应采取加固措施。对边长小于或等于800mm的风管,宜采用楞筋、楞线的方 法加固,强筋、楞线外凸方向为风管外侧。 (2)当中压和高压风管的管段长度大于1200mm时,应采取加固框的形式加固。高压风 管的单咬口缝应有加固、补强措施。当风管的板材厚度大于或等于2mm时,加固 措施的范围可放宽。 (3)三通加固采用角钢框或分流板加固。角钢加固为管外加固。加固角钢采用L40角 钢。风管角钢加固采用风管周边加固、风管大边加固、风管内纵向设置角钢加固; 风管压筋采用十字交叉筋或纵向平行筋。 三通制作及加固: 整体式三通,当三通长边大于1000mm时,三通采用分流板加固,比例S1:S2=a :c 在三通上不允许做变径 当两个主管道由一个三通引出时,三通采用下图的加固和分流形势。 主管与主管的三通形势 主管与支管的三通形式 加固方式采用楞线(楞筋)、角钢加固或管内支撑的形式图: 风管管内支撑形式及材料(见附录1、附录2)。 : 14.矩形风管的弯管,可采用内弧形或内斜线形弯管。当边长A大于或等于500mm时,应设置导流片。 (1)内外弧形弯头,当弯头平面边长A=R≥900mm时,在其中间加1片导流片作为加固。 当弯头R<A时,弯头内附导风板,导风板间隔见下表。 导风板安装计算 表14 R/A 片数 X X1 X2 X3 0.35~0.70 1 0.35A 0.65A 0.14~0.30 2 0.2A 0.3A 0.5A 0.067~0.14 3 0.1A 0.15A 0.25A 0.5A (2)内弧直角弯头:当弯头平面边长A>500mm时,加设导流片。 当弯头侧面边长B>1000mm时,导流片分2节制作,同时增加一片连接板。 矩形弯头导流片的规格和尺寸 表15 A 片数 a1 a2 a3 a4 a5 a6 a7 a8 a9 a10 a11 a12 连接板L 500 4 95 120 140 165 510 630 4 115 145 170 200 670 800 6 105 125 140 160 175 195 880 1000 7 115 130 150 165 180 200 215 1130 1250 8 125 140 155 170 190 205 220 235 1410 1600 10 135 150 160 175 190 205 215 230 245 255 1930 2000 12 145 155 170 180 195 205 215 230 240 255 265 280 2500 15.圆形风管的三通或四通,支管与主管的夹角宜为150~600 ,夹角制作偏差应小于30。(见附录3) 16.矩形风管的三通或四通,可采用分叉式或分隔式。(见附录4) 17.制作金属风管时,板材的拼接咬口和圆形风管的闭合咬口,可采用单咬口;矩形风管或配件的四角组合可采用转角咬口、联合咬口、按扣式咬口;圆形弯管的组合可采用立咬口。 高压系统或1000级以上空气净化、气力输送、生物工程等系统不得使用按扣式咬口。 咬口形式图: 当矩形风管边长大于或等于630mm和保温风管边长大于或等于800mm,且其管段长度大于1200mm时,均应采取加固措施。对边长小于或等于800mm的风管,宜采用楞筋、楞线的方法加固,当中压和高压风管的管段长度大于1200mm时,均应采用加固框的形式加固。 天圆地方制作时,在圆口处至方口四角压均匀楞线,圆口与方口采用角钢法兰。(见图) 不同咬口组合时的冲角尺寸: 18.角钢法兰,风管与法兰连接采用翻边时,翻边应平整宽度应一致,且不应小于6mm,并不得有开裂和孔洞 方法兰孔加工数目表: 表16 法兰尺寸 冲孔总数 法兰尺寸 冲孔总数 法兰尺寸 冲孔总数 A B A B A B L25×4 120 120 4 L25×4 500 200 12 L30×4 1000 320 20 L25×4 160 120 6 250 400 160 8 320 14 500 22 L25×4 200 120 6 500 630 24 160 8 L25×4 630 200 16 800 26 200 250 14 1000 28 L25×4 250 120 6 320 16 L40×4 1250 400 22 160 8 400 500 24 200 500 18 630 26 250 630 20 800 28 L25×4 320 160 L30×4 800 320 18 1000 30 200 10 400 L40×4 1600 500 250 500 20 630 32 320 12 630 22 800 34 L25×4 400 200 10 800 24 1000 36 250 1250 38 320 12 L40×4 2000 800 400 1000 40 1250 42 园法兰孔加工数目表: 表17 法兰规格 孔数 法兰规格 孔数 法兰规格 孔数 -20×4 φ80-90 4 L30×4 φ530-560 14 L35×4 φ1060-1120 26 -20×4 φ100-140 6 L30×4 φ600-630 16 L35×4 φ1180-1250 28 -20×4 φ150-200 8 L30×4 φ670-700 18 L40×4 φ1320-1400 32 L25×4 φ200-280 8 L30×4 φ750-800 20 L40×4 φ1500-1600 36 L25×4 φ300-360 10 L30×4 φ850-900 22 L40×4 φ1700-1800 40 L30×4 φ380-500 12 L350×4 φ950-1000 24 L40×4 φ1900-2000 44 角钢法兰制作: (1) 法兰尺寸应按所给规格尺寸加2~3毫米,对角线误差在3毫米以内。 (2) 正方形法兰冲孔应能互换,所有法兰冲孔间距均匀,间距误差小于1毫米,累计误差小于3毫米,冲孔间距以孔心计算,四角孔的中心应在两相邻边框冲孔中心线的焦点上。(见图) (3) 圆法兰卷制平整,圆度均匀,直径误差为正3毫米,不圆度误差正负3毫米,法兰冲孔应能互换。焊接牢固,焊缝处不设置螺孔 (4) 当法兰尺寸不在列表中时,法兰螺栓及铆钉间距,低压和中压系统风管应小于或等于150mm,高压系统风管应小于或等于100mm。矩形法兰四角处应设螺孔。 (5) 风管与角钢法兰的连接,管壁厚度小于或等于1.5mm时,可采用翻边铆接,铆接应牢固;管壁厚度大于1.5mm时,可采用满焊或翻边间断焊。风管与扁钢法兰连接,可采用翻边连接或焊接。 19.圆形风管无法兰连接形式时,承插连接插入深度大于30mm,有密封措施,适用于低压风管直径小于700mm;带加强筋连接插入深度大于20mm,有密封措施,适用于中低压风管;芯管连接插入深度大于20mm,有密封措施,适用于中低压风管。 圆形风管芯管连接 风管直径D(mm) 芯管长度L(mm) 自攻螺丝或抽芯铆钉数量(个) 外径允许偏差(mm) 圆管 芯管 120 120 3*2 -1~0 -3~-4 300 160 4*2 400 200 4*2 -2~0 -4~-5 700 200 6*2 900 200 8*2 1000 200 8*2 承插连接形式图: 20.风管及配件表面应平整,圆弧均匀。咬口缝应严密、宽度一致,并不得有十字交叉的拼接缝。焊接缝应作外观检查,不得有气孔、夹渣、裂缝等缺陷。焊接后板材的变形应矫正。 21.制作涂塑钢板风管时,涂塑面应设在风管内侧,加工时应避免损坏涂层,损坏部分应进行修补。 22.空气净化系统风管的制作,除应满足有关规定外,尚应符合下列规定 (1) 风管的板材加工前应去除油污及积尘,并应选择中性清洁剂清洗。 (2) 风管部件和设备搬运时不得碰伤,存放时应采取避免积尘和受潮的措施。 (3) 板材应减少拼接。矩形风管底边宽度小于或等于900mm时,不应有拼接缝,大于900mm时,应减少纵向接缝,且不得有横向接缝。 (4) 风管所用的螺钉、螺母、垫圈、铆钉均应采用镀锌或其它防腐措施,并不得采用抽芯铆钉。 (5) 风管不得采用楞筋加固方法,加固框或加固筋不得设在风管内。 (6) 应按洁净等级或设计要求,在咬口缝、铆钉缝以及法兰翻边等缝隙处采取涂密封胶或其它密封措施。 (7) 风管的无法兰连接,不得采用S型插条、直角型平插条及立联合角插条。 (8) 1000级以上空气洁净系统风管不得采用按口式咬口。 23.不锈钢板风管 (1) 不锈钢板风管壁厚小于或等于1mm时,板材连接宜采用咬接,大于1mm时宜采用氩弧焊接或电弧焊焊接,不得采用气焊。采用氩弧焊或电弧焊时,宜选用与母材相匹配的焊丝或焊条;采用手工电弧焊时,应防止焊接飞溅物沾污表面,焊后应将焊渣及飞溅物清除干净。 (2) 不锈钢板风管与配件的表面,不得有划伤、刻痕等缺陷;加工和堆放应避免与碳素钢材料接触。 (3) 不锈钢板风管的法兰采用碳素钢时,并采用镀铬或镀锌等表面处理措施。铆钉材料宜采用不锈钢。(法兰用料同镀锌板风管法兰) (4) 不锈钢板风管不宜在焊缝及其边缘处开孔。 (5) 不锈钢板风管除采用法兰连接形式外,亦可采用无法兰连接形式。 24.铝板风管制作 (1) 材料应采用纯铝板或防锈铝合金板。表面不得有刻划,并不应有划伤等缺陷。 (2) 铝板风管和配件壁厚小于或等于1.5mm时,板材连接可采用咬接,大于1.5mm时,可采用氩弧焊接或气焊焊接,并应采用与母材材质相匹配的焊丝。焊前应清除焊口和焊丝上的氧化皮及污物。焊后应用热水清洗除去焊缝表面残留的焊渣、焊药等。焊缝应牢固,不得有虚焊和烧穿等缺陷。 (3) 铝板风管法兰采用碳素钢时,应作防腐处理。铆钉采用铝铆钉。(法兰用料同镀锌板风管法兰) (4) 铝板风管的连接不宜采用插条形式的无法兰连接方法。 25.硬聚氯乙烯板风管 (1) 热成型的硬聚氯乙烯板风管和配件不得出现气泡、分层、硬化、变形和裂纹等缺陷。 (2) 硬聚氯乙烯板风管及配件的板材连接,应采用焊接,并应进行坡口。焊缝应填满,焊条排列应均云,不得出现焦黄、断裂等缺陷,焊缝强度不得低于母材的60%。(焊缝形式见附表) (3) 硬聚氯乙烯板矩形风管的成形,四角可采用煨弯或焊接的方法。当采用煨弯时,纵向焊缝宜设置在距煨弯角大于80mm处。 (4) 硬聚氯乙烯板风管与法兰的连接应采用焊接。法兰端面应与风管轴线成直角。当半径或边长大于500mm时,其连接处宜加三角支撑,三角支撑的间距宜为300~400mm。连接法兰的两个三角支撑应对称 (5) 硬聚氯乙烯板风管亦可采用套管连接或承插连接的形式。套管连接时,套管长度宜为150~250mm,其厚度不应小于风管壁厚。圆形风管直径小于或等于200mm,且采用承插连接时,插口深度宜为40~80mm。粘接处应去除油污,保持干净,并应严密和牢固。(连接形式图见附录5) (6) 硬聚氯乙烯矩形风管,其四角焊接成形时,边长大于或等于630mm以及煨弯成形边长大于或等于800mm的风管,当管段长度大于1200mm时,均应采取加固或加强筋等加固措施,其固定应采用焊接,加固框的规格宜与法兰相同。 26.插接式三通及接口形式: 金属风管制作工程质量鉴定标准 类别 项目 质量标准 检验方法 检查 数量 保 证 项 目 1 风管规格 风管的规格尺寸必须符合设计要求。 尺量和观察 一般系统按制作数量量抽查10%洁净工程安制作数抽查20%均不少于5件 2 风管咬口 必须紧密、宽度均匀,无孔洞、半咬口、胀裂缺陷。 观察,检查 3 洁净系统风管接缝 洁净系统风管,部件等所有接缝,必须严密不漏。 灯光及观察,检查 4 洁净系统内表面。 必须平整光滑,严禁有横向,拼缝和管内没加固或采用凸棱加固方法 观察,检察 5 洁净系统风管清洁。 洁净系统风管必须保持清洁。 白绸布擦或检验。 基 本 项 目 项 目 合格:折角平直,圆弧均匀,两端平行,无明显翘角。表面凸凹不大于5mm,风管于法兰连接牢固,翻边基本平整,宽度不小于6mm紧贴法兰。 拉线、尺量和观察检验。 1 风管外观 2 风管法兰 合格:法兰孔距符合设计要求和施工规范,焊接牢固。焊缝处不设置螺孔,螺孔具备互换性。 尺量、观察、检查 3 风管加固 加固牢固整齐,间距适宜,均匀对称。 观察和检查 允 许 偏 差 项 目 项目 允许偏差(mm) 1 圆形风管 外径(mm) (ф≤300) 0, -1 用尺量互成 90°的直径检查。 (ф>300) 0, -2 2 矩形风管大边 (mm) (≤300) 0, -1 尺量检查 (>300) 0, -2 3 圆形法兰直径 +2.0 用尺量互成 90°直径 4 矩形法兰边长 +2.0 用尺量四边 5 矩形法兰对角线之差 3 用尺量 6 法兰平整度 2 塞尺量检查 7 法兰焊缝搭接处平整度 1 法兰放在平台上用塞尺检查 风管制作应注意的质量问题: 1. 风管制作以单片形式、L形式为主,其次以□形、∪形为制作形式,下料尺寸误差在2mm以内,对角线误差3mm以内。同一种规格的料重叠起来检查,要求一致 。 2. 风管短边咬制大口,大口留量30mm,长边咬制小口,小口留量7~8mm。 3. 两端组合法兰留量总和90mm,大口边去角65×30mm,小口边去角65×10mm,去角方正,法兰折弯处剪口深度45mm。 4. 咬口后应保证风管的截面尺寸,大口包边宽度7~8mm,小口宽度7~8mm,咬口无坏口,按扣口要连接牢固,检验方法是,用边角料咬制大小口各一片,组装后用锤向外锤击口不开裂为合格。 5. 风管组合时联合大口要砸平、砸严,按扣要组合牢固,角件安装应全部压入槽内,不允许出现压接不实现象,不能因受力而脱落。 6. 风管制作时应注意表面防护,避免镀锌层的划伤,严禁踩踏,如不可避免的踩踏后应擦干净,折弯角度应保证90度,不足时调整折弯机。 7. 风管需要板材拼接时,拼接处严密,咬口处板重叠量不大于2mm。弯头联合角小口在遇到单平口接缝时,应分别咬制,单平口处小口手工制作。单平口可采用两个大口或一个大口和一个小口的拼接形式。 8. 风管一端为盲板时,盲板采用联合口形式,大边冲角30×55mm,小边冲角10×45mm。 9. 变径管制作时,大小口留量应在画出实形后在咬口边加出30mm或10mm的咬口量,不得在法兰处直接加出咬口量。变径斜边的小口可采用弯头咬口机加工以保证组合法兰完整。 10. 风管要求折角平直,圆弧均匀,两端面平行,无翘角,表面凹凸不大于5mm;风管与法兰连接牢固, 翻边平整,宽度不小于6mm,紧贴法兰 11.矩形风管扭曲,翅角造成风管段之间连接受力不匀,法兰垫片也无法压紧容易漏风。安装时不能保证风管平直度,应在操作时注意。 12.洁净系统的风管严密性:洁净风管的严密性达不到,运转时漏风量达,局部有哨声、不但浪费且导致灰尘吸入风管,增大了高效过滤器负荷。 故必须采取以下措施。 (1)洁净系统风管端部或三通分支管局部,在采用联合口时,要求咬口缝必须达到连续、紧密、宽度均匀。无孔洞,半咬口及胀裂现象。 (2)洁净系统风管要洁净,在制作前洗板、烘干。制作时不得粘有油污,在制好检查合格后,擦拭干净,马上封闭,放入成品区。 (3)严禁违反标准规定的操作,不合格品不得流转工序、下道工序必须拒绝上道工序的不合格品。严禁不合格品出厂。 (4)柔性短接均采用人造革,具有减震、防潮、不透气的柔性材料。内壁光滑,且不易产生尘埃的材料。接缝处严密和牢固,且不宜做异径接管使用。 PVC通风管道质量标准 保 证项目 项 目 质量标准 检验方法 检验数量 1 风管规格 风管规格,尺寸必须符合尺寸设计要求 尺量和观察,检验 每种规格抽查10%不少于5件。 2 焊 缝 合格:坡口形式和焊接质量符合施工规范(GBJ243-97)规定焊缝无裂纹,焦黄。断裂等缺陷,纵向焊缝错开 观察, 检查 基本项目 1 风管外观 表面基本平整圆弧均匀拼缝处无明显凹凸。两端平行,无明显翅曲翅角,焊缝饱满 拉线,测量和观察,检查  2 风管加固 合格:加固牢固可靠整齐美观,风管与法兰连接三角支撑面间距适宜,均匀对称 观察,尺量,检查 类别 项目 允许偏差 检验方法 检验数量 允许偏差项目 1 风管外径 ф≤630mm 0, -1 用 尺 量 每规格按数量抽查10%,但不少于5件 ф>630mm 0,-2 矩形风管大边 ≤630mm 0, -1 >630 mm 0, -2 应注意质量问题(防止风管扭曲翅角应做到): 1.展开下料时,矩形板料四角要严格角方。 2.风管两个相对边的长度和宽度要相等。 3.折方准确。 4.焊接时,应按标准加工坡口。 5.管长要按标准做,与厚度要匹配.并符和设计要求。 6.风管与法兰的连接处加三角支撑,三角支撑间距300~~400mm。 7.焊缝不得开裂要平整。 8.选用焊条时选用与板材,材质颜色一致。 风管制作 1.风管制作以单片形式、L形式为主,其次以□形、∪形为制作形式,下料尺寸误差在2mm以内,对角线误差4mm以内,1.0和1.2板不得使用按扣咬口形式。 2.风管短边咬制大口,大口留量30mm,长边咬制小口,小口留量7~8mm。 3.两端组合法兰留量总和90mm,大口边去角65×30mm,小口边去角65×10mm,去角方正,法兰折弯处剪口深度45mm。 4.咬口后应保证风管的截面尺寸,大口包边宽度7~8mm,小口宽度7~8mm,咬口无坏口,按扣口要连接牢固,检验方法是,用边角料咬制大小口各一片,组装后用锤向外锤击口不开裂为合格。 5.风管组合时联合大口要砸平、砸严,按扣要组合牢固,角件安装应全部压入槽内,不能因受力而脱落为合格。 6.风管制作时应注意表面防护,避免镀锌层的划伤,严禁踩踏,如不可避免的踩踏后应擦干净,折弯角度应保证90度,不足时调整折弯机。 7.风管需要板材拼接时,拼接处严密,咬口处板重叠量不大于2mm。弯头联合角小口在遇到单平口接缝时,应分别咬制,单平口处小口手工制作。单平口可采用两个大口或一个大口和一个小口的拼接形式。 8.风管一端为盲板时,盲板采用联合口形式,大边冲角30×55mm,小边冲角10×45mm。 9.变径管制作时,大小口留量应在画出实形后在咬口边加出30mm或10mm的咬口量,不得在法兰处直接加出咬口量。变径斜边的小口可采用弯头咬口机加工以保证组合法兰完整。
展开阅读全文

开通  VIP会员、SVIP会员  优惠大
下载10份以上建议开通VIP会员
下载20份以上建议开通SVIP会员


开通VIP      成为共赢上传

当前位置:首页 > 环境建筑 > 其他

移动网页_全站_页脚广告1

关于我们      便捷服务       自信AI       AI导航        抽奖活动

©2010-2025 宁波自信网络信息技术有限公司  版权所有

客服电话:0574-28810668  投诉电话:18658249818

gongan.png浙公网安备33021202000488号   

icp.png浙ICP备2021020529号-1  |  浙B2-20240490  

关注我们 :微信公众号    抖音    微博    LOFTER 

客服