收藏 分销(赏)

桥梁工程监理规划-最终版.doc

上传人:xrp****65 文档编号:5803593 上传时间:2024-11-20 格式:DOC 页数:151 大小:1.19MB 下载积分:10 金币
下载 相关 举报
桥梁工程监理规划-最终版.doc_第1页
第1页 / 共151页
桥梁工程监理规划-最终版.doc_第2页
第2页 / 共151页


点击查看更多>>
资源描述
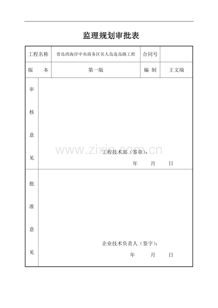
青岛市工程建设监理有限责任公司 监理规划 监理规划审批表 工程名称 青岛西海岸中央商务区名人岛连岛路工程 合同号 版 本 第一版 编 制 王文瑞 审 核 意 见 工程技术部(签章): 年 月 日 批 准 意 见 企业技术负责人(签字): 年 月 日 青岛西海岸中央商务区名人岛连岛路工程 监 理 规 划 编制: 青岛市工程建设监理有限责任公司 青岛西海岸中央商务区名人岛连岛路工程项目监理部 2015年3月10日 目 录 一、工程概况……………………………………………………………… 5 (一)工程名称 (二)参建单位 (三)建设地点 (四)项目概述 (五)质量标准 (六)建设工期 二、监理工作依据…………………………………………………………5 三、监理工作范围、内容和目标…………………………………… 7 (一)监理工作范围 (二)监理工作内容 (三)监理工作目标 四、监理组织机构及职责范………………………………….17 (一)监理组织机构设置 (二)监理人员岗位职责 (三)拟投入本项目的主要检测设备及办公设施一览表 五、项目质量监理目标及主要控制措施…………………………26 (一)质量控制的目标及目标分解 (二)质量控制的任务 (三)项目质量控制的基本方法 (四)施工工艺的质量控制要点 (五)质量控制点的设置 (六)工程质量控制措施与手段 (七)监理控制重点及对策 (八)质量通病防治方案 六、进度控制目标及主要控制措施…………………………………56 (一)进度控制的目标 (二)进度控制的任务 (三)进度控制的基本方法 (四)进度控制措施 七、投资控制目标及主要控制措施…………………………………61 (一)投资控制的目标 (二)投资控制的任务 (三)投资控制的基本方法 (四)投资控制措施 八、合同管理目标及主要控制措施..................................................68 (一)合同管理的目标 (二)合同管理的具体方法 (三)合同管理措施 九、信息管理措施………………………………………………………76 (一)监理信息管理 (二)监理信息记录和报告 (三)监理档案 十、组织协调措施………………………………………………………81 (一)组织协调的目标及内容 (二)组织协调的方法与措施 十一、安全环保控制……………………………………………………85 (一)安全与环保控制目标 (二)环保危险源分析 (三)安全控制措施 (四)环保控制措施 (五)文明施工监理措施 十二、监理工作制度………………………………………………………91 (一)工程会议制度 (二)监理工作日志制度 (三)工程建设监理现场旁站制度 (四)监理通知制度 (五)质量缺陷处理制度 (六)工程测量管理制度 (七)工程材料验证试验管理制度 (八)工程材料标准试验管理制度 (九)工程抽样试验管理制度 (十) 工程材料验收试验管理制度 (十一) 工程进度计划的检查管理制度 (十二) 工程变更管理制度 (十三)工程费用索赔管理制度 (十四)工程争端与仲裁管理制度 (十五)工程承包人的违约管理制度 (十六)工程分包、转让与指定分包管理制度 (十七)工程保险与保函管理制度 (十八)工程监理月报制度 (十九) 监理记录管理制度 (二十)文件管理制度 (二十一)对外行文审批制度 (二十二)学习制度 (二十三)监理服务质量调查制度 (二十四)商品砼、构配件管理制度 (二十五)安全防护制度 (二十六)监理机构形象管理制度 十三、监理工作程序…………………………………………………..113 一、工程概况 (一)工程名称:青岛西海岸中央商务区名人岛连岛路工程 (二)参建单位:青岛第一市政工程有限公司(一标段) 中交第一航务工程局有限公司(二标段) (三)建设地点:黄岛区滨海大道以南、柏果树河以西、山前村南侧海域,青岛西海岸经济新区中央商务区南部岸线 (四)项目概述 名人岛连岛路工程南接名人岛、北临滨海大道及接疏港2号高速公路,是名人岛对外联系的主要通道,工程全长630米,其中道路工程340米、桥梁工程290米、宽36米,按照城市主干道标准建设,总投资约1.7亿元。 名人岛连岛路工程共分两个施工标段,其中一标段主要施工内容为连岛路1号桥,为景观性桥梁。连岛路1号桥起点桩号K0+308.00,终点桩号K0+598.00,跨径组合为(2×35m)+(40+70+70+40m)=290m,桥梁整幅设置,桥面宽度36米。主桥上部结构为4跨钢结构箱梁,采用单箱多室断面。箱梁梁高3m,为主跨的1/23.3。桥面以上设钢结构装饰。引桥上部结构为2跨钢结构箱梁,采用单箱多室断面。箱梁梁高3m,为主跨的1/17.5。主桥桥墩采用空心薄壁墩。横向设双支座,支座间距12米。主墩基础采用8根Ф1.5m钻孔灌注桩,承台厚度2.5米。引桥桥墩采用实心墩,横向设双支座,支座间距12米,基础采用5根Ф1.5m钻孔灌注桩,承台厚度2.5米。桥台采用轻型肋板式桥台,基础采用12根Ф1.5m钻孔灌注桩,桥台前护底设计同海堤设计。 二标段主要施工内容为一号桥南北两侧的道路工程,施工项目内容包括道路工程、海堤工程、管线工程、景观及照明工程等,涉及道路、水工、桥梁、给排水、绿化、电气等多个专业 (五)质量标准:工程质量符合国家现行的市政工程施工质量验收规范的规定,达到合格的标准。 (六)建设工期:工程合同工期自2014年3月5日至2015年5月30日。 二、监理工作依据 本工程开展施工监理工作的主要依据包括: 1、本工程监理招投标文件、监理中标通知书和签定的工程建设监理合同; 2、业主和承包商签定的工程建设施工合同; 3、经有关部门批准的工程项目文件和设计文件,如图纸、工程变更、计划投资批文等; 4、国家和地方有关工程建设管理的法律、法规; 5、山东省现行的预算定额、取费标准及有关建设管理办法; 6、业主发布的其他文件、授予的各项职权,监理工程师和承包人在工程实施过程中有关的会议记录、函电和其它文字记载以及业主签发的所有施工图纸和所有指令。 7、市政公用工程有关的设计、施工验收标准、规范及规程: (1)《城市桥梁设计规范》(CJJ11-2011) (2)《公路桥涵设计通用规范》(JTG D60-2004) (3)《公路钢筋混凝土及预应力混凝土桥涵设计规范》(JTG D62-2004) (4)《公路桥涵地基与基础设计规范》(JTG D63-2007) (5)《城市道路工程设计规范》(CJJ37-2012) (6)《城镇道路路面设计规范》(CJJ169-2012) (7)《城市道路交通设施设计规范》(GB50668-2011) (8)《青岛市城市道路技术导则》(青岛市城乡建设委员会 2012.08) (9)《城镇道路工程施工与质量验收规范》(CJJ 1-2008) (10)《城市桥梁工程施工与质量验收规范》(CJJ 2-2008) (11)《堤防工程设计规范》(GB50286-2013) (12)《城市防洪工程设计规范》(GB/T50805-2012) (13)《室外排水设计规范》(GB50014-2006) (14)《室外给水设计规范》(GB50013-2006) (15)《给水排水管道工程施工与质量验收规范》(GB50268-2008) (16)《市政给水管道工程及附属设施标准图集》(07MS101) (17)《城市道路照明设计标准》(CJJ45-2006) (18)《供配电系统设计规范》(GB50052-2009) (19)《城市道路照明工程施工及验收规范》(CJJ89-2012) (20)《公路桥涵施工技术规范》(JTG/T F50-2011) (21)《公路工程质量检验评定标准》(JTG F80/1-2004) (22)《铁路钢桥制造规范》(TB10212-2009) (23)《铁路桥梁钢结构设计规范》(TB10002.2-2005) (24)《钢结构工程施工质量验收规范》(GB50205-2001) 三、 监理工作范围、内容及目标 (一)监理工作范围 根据招标文件,本工程施工监理的范围为:本工程施工图范围内的施工及保修阶段全过程监理。 (二)监理工作内容 A、施工准备期的监理工作 自签订监理合同、监理工程师进驻现场,到签发开工令的这段时间,为施工准备期。 监理合同签订后,总监理工程师将迅速开展以下业务准备工作: 1. 督促承包商按时进场,对项目经理和主要管理人员进行资格审查 监理工程师将督促承包商尽快按照投标承诺按时进驻现场,对承包商项目经理部进行资格审查,检查承包商主要技术、管理人员是否符合投标承诺并如数进场。 1)按照投标文件和合同承诺,督促承包商尽快组建项目经理部进驻现场。 2)对项目经理部主要人员,如项目经理、技术主管、设备主管、安全主管进行资格审查和能力考察,检查其资格证书及实际业务水平是否满足工程需要。 3)对有特殊资质要求的承包商的工作人员,检查其资质证书及实际业务水平是否符合要求。 4)对分包商的资质和人员进行资质检查。 5)对承包商、分包商进场不及时、人员不满足要求的情况,监理工程师将书面通知承包商,责成其按照合同承诺进场或更换人员。 2. 检查督促现场四通一平的准备情况 监理工程师将按合同的规定,检查业主责任范围内的四通一平、资料提供、坐标交验等工作的完成情况,以便于承包商开展现场工作。对于没有完成的内容,监理工程师将督促、协助业主尽快完成。 3. 监理工程师的协助工作 监理工程师将协助业主与有关政府部门的联络,协助地方材料的考察和土方的处理等。 4. 督促设计图纸的提交和设计交底 监理工程师将按合同规定的时间,检查业主提供施工图纸、资料的情况,以及设计交底的组织安排;协助业主尽快按合同完成此项工作,以便承包商开展工作。 5. 督促承包商按时编制、提交施工组织设计 督促承包商按照合同要求及时编制、提交施工组织设计,并进行审查。对施工组织设计不合理或无法满足合同要求的内容,将要求修改和完善。将按如下方法进行施工组织设计审查: 1)对本工程的水文、气象、地质等和施工环境条件的分析、调查是否全面、准确,施工工艺、材料供应、施工设备选型、计划安排是否充分考虑了当地自然条件的影响。 2)施工总平面布置是否符合现场条件,是否有利于生产组织和提高生产效率。 3)对施工方法的选用是否合理,是否满足设计要求,是否安全、可靠。 4)总进度计划的安排能否满足合同工期要求,各分项工程的工期安排是否合理,设备、材料、人员的配置是否能满足工程进度的要求。 6. 对承包商的机械、设备进行检查 监理工程师将检查承包商进驻现场的施工机械、设备的规格、性能及工作状态,是否符合合同规定及承诺。 1)监理工程师将要求承包商对主要施工机械进场报验、记录,并能证明这些进场的施工机械和设备的规格、性能和数量能够满足工程要求,并有完善的质量保证资料。 2)如果发现进场的机械设备型号、数量与合同文件或施工组织设计中规定的不一致时,将要求承包商说明原因,必要时可要求调换或补充。主要机械及设备的改变须经监理工程师的批准。 3)监理工程师将对施工机械、设备的配套使用做必要的分析,特别是对用于关键线路施工中的机械设备的生产能力要进行详细计算,以确保能满足施工要求。 7. 审查承包商的质量保证体系 监理工程师将审查承包商建立的质量保证体系,是否完整和有效,是否从制度、组织和技术上保证每个环节、每个工序的施工均处于受控制状态,从而保证工程质量达到优良的目标。 1)检查质量检验人员的技术业务水平是否满足要求,对不符合要求的人员将要求承包商更换。 2)检查承包商质量检查程序、质量岗位责任制及质量奖惩制度是否合理可行。对不符合要求的部分,要求承包商加以补充或修订。 3)检查承包商实验设备及试验人员的资质,要求承包商提供实验设备的合格证书及试验人员的资格证书。设备及人员资质不合格时不批准其承担试验任务。 4)检查承包商材料管理人员和材料管理制度是否有利于工程质量,并有利于文明施工。 5)检查施工技术管理制度是否有利于工程质量,施工技术交底制度是否能够得到落实。 8. 审查承包商的安全保证体系 监理工程师将对承包商的安全保证体系进行审查,全面落实“安全第一、预防为主”的方针,做到事事讲安全、时时抓安全,确保工程安全施工。对于安全制度不健全、不完善的,将坚决要求改正。 1)检查承包商的安全管理制度,是否符合《安全生产法》的规定,是否实行了一岗双责的安全责任制度,是否满足工程实际需要。 2)检查安全管理人员是否具有安全管理岗位上岗资质。 3)现场检查承包商的安全标志、安全设施以及人员的安全知识掌握状况是否符合安全管理规定。 4)检查承包商是否制定了安全事故处理预案。 9. 督促业主对工程坐标系统和高程点的移交,检查承包商基线、基点的测量 1)监理工程师将旁站监理承包商基点、基线的布设工作,对基点基线的测量进行复核。 2)监理工程师将审核承包商提供的工程测量成果图表,并书面予以批复。 10. 对承包商进场材料检查 1)在工程材料未进入工地前,监理工程师将审核承包商提交的材料清单。对质量保证材料如产地、厂家以及出厂合格证、检验合格证等进行审核,禁止不符合要求的材料进场。 2)监理工程师将对需要的材料进行实地考察了解。 3)监理工程师将要求对进场材料按照规范要求的频率和方法进行验收和定期抽样检验。对不合格的材料禁止用于本工程中。 11. 要求承包商提前安排标准试验 对混凝土配合比、抗压强度试验、砂、石、水泥、涂料等的质量检验,监理工程师将要求承包商尽可能早安排,以便比较选择,保证工程质量。并要求将有关实验资料报监理工程师核查。 12. 召开第一次工地例会,进行监理交底 总监理工程师将主持召开第一次工程例会,将逐项检查落实各方开工前准备工作,进行监理工作交底,明确各项工作目标、程序以及工作联系方法等。 13. 签发开工命令 按照施工合同的要求和预定的施工准备时间,在各方准备工作基本完成、尤其是业主全部按期履行了开工准备义务后,经业主批准,监理工程师向承包商签发开工令。 B、施工期的监理工作 施工期是指开工后至竣工验收前的这段时间。这是工程监理工作的关键阶段。这一阶段,监理工程师的主要工作有: 1. 核查施工队伍资质变化情况,并对承包商派出的管理人员和施工队的素质,以及承包商选择的分包商的变化情况进行资格审查。 2. 严格控制施工质量,检查和检验建筑材料和半成品的质量情况、施工操作情况、质量探测取样和测试情况、施工设备的运转情况。对不符合质量标准和存在安全隐患的作业将责令承包商返工或停工。对隐蔽工程及重要工程部位和环节,按施工合同的时限要求及时组织检查和验收。检查施工机具和机械,保证施工质量。审查单位、分部工程的施工方案。检查各项生产环境、劳动环境、管理环境条件;进行施工工艺过程质量控制工作。检查工序质量,严格工序交接检查制度。认真做好质量签证工作,行使质量否决权。组织质量协调会。做好中间质量验收准备工作。参与质量事故调查,提出处理意见和书面报告,并监督处理方案的实施。 3. 根据施工准备阶段的工程情况,进一步完善工程控制性进度计划,并据此进行阶段进度控制;审查施工单位施工进度计划,确认其可行性并满足工程控制性进度计划要求;制定业主方材料和设备供应进度计划并进行控制;对施工进度进行跟踪,掌握施工动态;研究制定预防工期索赔的措施,做好处理工期索赔工作;在施工过程中,做好对人力、材料、机具、设备等的投入控制工作以及转换控制工作、信息反馈工作、对比和纠正工作,使进度控制定期连续进行;定期主持召开进度协调会议,及时协调有关各方关系,使工程施工顺利进行。 当施工进度滞后于计划时,将要求承包商及时采取措施,确保计划工期。定期召开施工现场例会,及时向业主通报现场情况。建立周调度会、月、季、年计划会议制度,要求承包商逐月报告工程进展情况。监理工程师将逐月向业主报告进度控制情况,并对工程进度信息进行加工,对进度目标的实现进行风险分析。 4. 控制工程费用,核实承包商提供的工程进度报表和工程量清单。通过工程付款控制、工程变更费用控制、预防并处理好费用索赔、挖掘节约投资潜力来努力实现实际发生的费用不超过计划投资。制定本阶段资金使用计划,并严格进行付款控制,作到不多付、不少付、不重复付;严格控制工程变更,力求减少变更费用;研究确定预防费用索赔的措施,以避免、减少对方的索赔数额;及时处理费用索赔,并协助业主进行反索赔;根据有关合同的要求,协助做好应由业主方完成的,与工程进展密切相关的各项工作;做好工程计量工作;审核施工单位提交的工程结算书等。 5. 核查承包商提出的工程变更,向业主提供意见或建议。在得到授权时,签发工程变更通知。 6. 参与施工合同管理,审核索赔报告,协调各方关系,公正地维护各方的合法权益。评估承包商提出的工期延长或费用索赔报告,协助业主进行核查并签署意见和付款通知书;测算承包商责任造成的工程损失并报业主。如果需要应向业主提出反索赔建议。 7. 在履约过程中,对于业主和承包商提交的有关工程的通知和各种报告,需要监理审核、核对或确认后转交的,监理将在合理的时间内及时审查和转交。若因监理延误给工程带来损失,将由监理承担违约责任。 8. 接受建设主管部门及质量监督机构以及业主对监理工作的监督和检查,每月5日前向业主提交监理月度报告,并在工程全部竣工验交后一个月内向业主提交监理报告。 C、竣工验收期的监理工作 竣工验收是工程建设的一个重要环节,是对工程施工以及设计情况进行系统的检查与考核,也是对施工合同、监理合同履行情况的全面总结和评价。这一期间监理工程师的主要工作,包括组织工程的初步验收、协助组织工程验收、总结评价监理合同履行情况等。 1. 组织初步验收 1)逐个组织单位工程的实物验收 ①根据工程的进展情况和合同工期计划,监理工程师将要求承包商按照共同商定的单项工程划分,制订出单项工程的验收计划。 ②单位工程基本具备验收条件时,总监理工程师将组织业主、承包商、监理工程师对工程现场进行检查,提出单位工程质量初步意见,确定尾工内容和施工计划。 2)逐个组织单位工程的资料验收 ①监理工程师将要求承包商按照合同和业主的要求,制定详细的竣工文件编制计划。 ②督促承包商及时绘制竣工图,确保图纸资料与实物同步。 ③研究解决承包商在编制竣工文件过程中存在和提出的问题。 ④按照竣工文件编制计划要求,逐个单位工程检查承包商完成竣工图及竣工资料是否合格。 3)初步验收的程序 ①单项工程基本完工、竣工文件基本编制完成后,承包商向监理工程师提出初步验收报告。 ②监理工程师审查初验报告。 ③监理工程师会同业主代表组织承包商、设计代表对工程现场和各种资料进行检查。 ④总监理工程师召集初验会议,讨论决定是否通过初验,并向业主提出初验报告。 2. 进行监理工作总结、整理监理工作档案 1)监理工作总结 工程结束后,总监理工程师将组织各专业、专项监理工程师,依据监理合同和监理规划详细总结监理工作情况,于工程竣工验交后一个月内向业主提出监理工作总结报告。监理工作总结报告的内容主要有: ①工程概况; ②监理组织机构以及服务时间; ③质量、进度、投资、安全、环保等目标的实现情况; ④监理工作的信息管理、合同管理和组织协调措施的执行情况; ⑤监理资料情况; ⑥施工合同履行评价; ⑦监理工作评述。 2)监理工作档案 总监理工程师将组织对整个监理工作过程中形成的监理资料系统汇总成册,按合同规定的时间内交业主。监理档案的主要内容有: ①监理合同; ②监理规划、监理细则、监理月报; ③与业主的往来文件; ④与承包商的往来文件; ⑤监理备忘录、会议纪要、专题报告; ⑥材料工程质量抽验单; ⑦工程质量事故处理记录(报告); ⑧工程质量评估报告; ⑨监理工作总结报告。 3. 协助业主组织竣工验收 1)督促承包商及时提交完整的技术业务资料,完整地将有关资料移交业主。 2)安排专职人员保存和收集竣工验收时政府部门所需的资料。 3)协助业主进行工程结算。 4)协助业主组织环保、职业卫生、安全、消防的专项验收 ①总监理工程师将按照设计文件组织对环保设施、劳动安全设施以及消防设施的施工、配备情况进行专项检查,对不完善部分组织业主或承包商予以补充和完善。 ②协助业主组织环保、劳动安全以及消防设施的专项验收。 D、保修期的监理措施 1. 保修期一般为竣工验收后一年。保修期的目的是为了在一定时间内,在工程交付使用以后,通过实践来检验承包商的施工质量是否完全按照合同的要求施工。如果出现质量缺陷且属于施工责任,承包商应进行处理,且费用自负。 2. 保修期监理人员的安排:保修期间,监理机构保留编制和责任分工,但撤离施工现场。总监理工程师将根据工作需要安排人员处理具体事宜,随时满足现场监理工作的需要。 3. 保修期监理工作的内容 1)工程验收合格后,承包商向业主移交工程供其使用,并从验收合格之日起计算保修期。 2)业主在使用时,若发现工程出现质量缺陷应记录在案,分清哪些是属于施工原因所至,应由承包商负责;哪些是使用时人为造成的破坏,则非承包商的责任。保修期满后向监理工程师提交修复报。 3)在保修期内,监理工程师应定期到工程现场检查,承包商也可保留一定的人员在现场,以便在审查确认业主的保修报告时容易统一意见。 4)监理工程师应认真审查业主提交的修复报告,核算修复费用,分清双方责任。属施工质量缺陷的,修复费用由承包商负责;属于使用时人为破坏或合理磨损,则修复费用由业主承担。审查无误后,应通知承包商在双方商定的期限内,完成保修工程。 5)缺陷项目修复后,监理工程师应会同业主共同对工程进行验收,验收合格后,签发工程保修证书。保修工作全部完成,签发《工程保修期满证书》,业主则应向承包商支付工程余款。 按照规定,当承包商接到监理工程师发出的保修通知后,14天内应开始返修,并在双方商定的时间内修复完毕,否则业主有权委托他人进行修复。缺陷责任范围的修复费用由承包商承担。在保修工程完工并验收合格后,业主应按照合同中的约定,将保留金及其利息一起返还承包商。 (三)监理工作目标 以公正、公开、独立自主的立场,用规范化的管理、科学的监控手段、严谨的工作态度,全面优质地完成本工程的监理工作。 1、质量监理目标 达到本工程质量“一次性验收合格”、“争创优质工程”的目标。 2、进度监理目标 本工程计划工期450天。 协助业主确定总体工作进度计划,审查并督促承包方进度的实施,及时采取有效措施调整进度偏差。 确保工程在规定的工期内完成,在保证质量和计划投资范围内,尽可能缩短工期,使工程早日投入使用。 3、投资控制目标 本工程计划投资额约1.5亿元。 根据工程的实际情况从设计、施工直至施工保修阶段积极开展工程造价的控制工作。 处理好质量与进度的关系,控制好可能引发工程造价提高的日工量、额外工程、设计变更、价格调整等方面的工作。 作好索赔与反索赔的预防和控制。 监控好工程量的计量及支付工作,合理地降低工程造价。 确保工程总投资不超过计划投资总额。 4、安全控制目标 确保本工程安全合格; 安全伤亡零事故; 无责任事故。 5、合同管理目标 以公正的立场维护业主及承包方在合同条款中规定的权益。 正确处理合同纠纷,促使各方履行合同。 合同及与合同相关的资料要真实、完备。 工程资料的收集、整理、移交要符合建委及市档案馆的要求。 6、组织协调 协调好业主、承包商、分包商、供货商及相它相关方的关系。 16 四、监理组织机构及职责范围 (一)监理组织机构设置 根据本工程的建设规模、建设周期、工程类型、设计标准、使用功能要求和监理工作范围,并依据业主在标书中对监理的要求和我公司监理经验,拟安排参与本项目监理部的人员计7人,其中包括总监1名、专业监理工程师4人,现场监理员2人。 其它岗位人员另行配备(如资料管理和后勤人员等将兼管或另行配备),根据现场施工进度情况按需要进住现场。根据我公司多年监理经验,本工程常驻现场人员不少于7人,并按工程进展状况以满足各阶段、各专业监理工作需要为前提,及时调整和充实一线监理人员。各专业监理工程师原则上不做调整,根据工程实际情况确有必要对人员进行调整时,经甲方同意后再行调整。监理部组织机构、岗位设置及人员安排见下图: 拟派驻本工程的项目监理部组织机构见下图: 项目监理部组织机构图 总监理工程师 总 监 代 表 道 路 监理工程 师 给排水监理工程 师 桥梁 监理工程 师 监理员 监理员 (二)监理人员岗位职责 1、总监理工程师岗位职责 按照监理工作实行总监理工程师负责制的原则,总监理工程师是监理单位委派履行监理合同的负责人,具体承担现场履行监理合同的责任,行使监理合同授予的工作权限,对监理工作有最后的决定权。总监理工程师的主要职责是: 1)执行监理公司的指令和交办的任务,组织领导监理工程师开展监理工作,负责编制监理工作计划,组织实施,并督促、检查执行情况; 2)保持与业主的密切联系,了解业主的意愿和要求,并负责与施工单位负责人联系,确定工作中需要配合及需提供的资料或需协商解决的问题; 3)审核承包商的施工组织设计; 4)督促检查承包商的开工准备工作,审签开工报告; 5)参加设计交底和图纸会审; 6)参加与项目有关的生产、技术、安全、质量、进度等会议; 7)签发工程质量通知单,工程质量事故分析及处理报告、返工、停工命令,审查往来文函,总监阅后签字,并转交有关监理工程师代办; 8)编制本监理部的监理规划,安排监理工作计划,并组织实施。领导、组织本项目部监理工程师开展工作,检查落实执行情况; 9)对分项、分部工程进行抽检和组织竣工初验工作; 10)组织监理工作会议,签发监理机构有关文件,下达有关指令; 11)分析监理工作状况,不断总结经验,按时完成月、年监理总结; 12)组织实施工程项目保修期的监理工作; 13)组织整理工程竣工监理档案资料,对工程项目的质量、进度和费用控制等进行全面总结,并编写监理工作总结报告。 2、总监理工程师代表岗位职责: 在总监理工程师的领导下,协助总监理工程师完成上述工作。经总监理工程师授权,行使总监理工程师职责 3、专业监理工程师岗位职责 专业监理工程师负责做好分管范围内的有关监理工作,主要职责如下: 1)现场检查工程质量、进度、复测、检测试验数据、核实工程所需材料的采购供应情况,检查进场材料是否符合要求; 2)检查施工工艺是否存在问题,提出意见; 3)在关键工序和工程的重要部位做好旁站监理工作; 4)收集施工过程中的资料,并做好收集资料记录存档; 5)做好监理工作计划、小结、报表、资料文件、监理日志的管理; 6)深入现场掌握工程质量、进度、施工管理、安全生产、文明施工情况及时填写监理日志、研究分析监理工作存在的问题; 7)及时向总监报告上述事实; 8)按核实的工程量、批复进度款报表,控制投资; 9)负责施工图预算,年度结算、竣工结算的控制审查; 10)参加图纸会审及设计交底; 11)做好本专业监理总结; 12)做好材料质量的平行检测。 4、造价监理工程师岗位职责 造价监理工程师主要职责如下: 1)负责本工程的计量工作;审核工程计量的数据和原始凭证;审核承包人所报工程材料用量、机械设备出场、工程量清单等; 2)按工程承包合同的规定现场计量,核实合同工程量清单规定的任何完工的数量和价值; 3)按工程承包合同的规定审查期中支付证书及合同终止后任何款项的支付证书,对不符合合同文件要求的工程项目和施工活动,有权建议总监暂时拒付,直到上述项目和施工达到要求; 4)按工程承包合同规定,对合同执行期间由于国家颁布的法律、法规等致使工程费用发生增减和其他事项价格的涨落而引起的工程费用的变化,提出给予调整或不予调整的意见; 5)按工程承包合同文件规定的变更范围对工程或任何部分的形式、质量、数量及任何施工程序建议总监作出变更的决定,并负责确定变更工程的单价和价格,经业主同意下达变更通知; 6)对承包人提出的竣工期延长或费用索赔,应就其中申述的理由查清全部情况,并依据合同规定的程序审核延长工期或索赔的款项,经业主批准后发出通知; 7)监督承包人按施工合同已确定的事项(质量、工期、工程内容等)施工,并对合同的实施进行协调; 8)对合同实施情况进行跟踪,将实际情况与合同要求进行对比分析,找出偏差,同时对工程建设的实施进行诊断,向承包人提出合同实施方面的意见、建议乃至警告; 9)协助项目法人履行合同责任,以保证工程的顺利进行和消除产生索赔的诱因; 10)受理合同事宜,根据合同规定进行评估和处理; 11)对合同变更进行事务性处理,如落实变更措施,修改相关资料、检查变更结果、做好变更记录等; 12)按规定程序公正合理地处理索赔事件; 13)根据合同规定处理违约事件,调解争端,在仲裁过程中作证; 14)监督承包人进入本工程的主要技术、管理人员构成,数量与合同所列名单是否相符。对不称职的主要技术、管理人员,经总监理工程师批准有权提出更换要求。 5、 试验监理工程师岗位职责 试验监理工程师主要职责如下: 1)负责检查施工单位试验条件和实验人员资质等试验资料; 2)监督施工单位材料试验,收集和审查材料试验资料; 3)按规定见证承包商对材料取样送检,建立见证取样台账; 4)按规定对材料进行平行检验试验,建立平行检验台账; 5)负责整理、收集相关的试验资料,并指导资料员建立目录归档。 5、测量工程师岗位职责 (1)、在总监理工程师的领导下开展工作,定期向其汇报工作;安排好本项目助理人员的分工并进行检查、指导。 (2)、复核承包人提供的原始基准点、基准线和基准高程;监督、检查承包人的交桩、恢复定线,并将结果报驻地监理工程师。 (3)、在各项工程开工之前,严格按规范要求对承包人的施工放线测量进行监督检查和认可;在各项工程进行之中,对控制工程的位置、高程、尺寸及其线形的准确性进行监督检查和认可。 (4)、考察承包人的测量人员业务水平,要求承包人经常对测量仪器进行校正和保养。 (5)、认真复核承包人因施工需要而增设或移动的导线点、水准点及各种辅助标志;监督承包人对所有测量标志的保护,直至交工验收完成时为止。 (6)、检查承包人记录整理的测量记录、资料,并确保在分阶段工作完成后归档。 (7)、向总监理工程师提出监理工作的建议,反映监理工作中存在的问题;有权否决下级监理人员的决定和签证。 6、试验工程师的岗位职责 (1)、在总监理工程师的领导下开展工作,定期向其汇报工作;安排好本项目助理人员的分工并进行检查、指导。 (2)、熟悉并掌握本项目试验技术规范和试验方法,有效地对施工质量进行控制,密切配合驻地工程师完成质量监理任务。 (3)、根据合同要求,检查承包人试验室的人员、仪器设备情况,充分使用监理试验室,完成监理抽检及平行试验。 (4)、以试验规范为准则,作好开工前验证、标准及工艺三大试验;施工过程中,做好抽样试验;每分项工程完工后,做好验收试验。 (5)、试验工程师工作重点应放在对承包人试验进行旁站监理上,并按监理规范规定的频率和总监办的抽检频率使用监理试验室进行试验;若仍有疑问,则取样送监理认可的有资质的监测单位进行复核试验。 (6)、检查承包人试验的记录、资料,并确保在分阶段工作完成后归档。 (7)、向总监理工程师提出监理工作建议,反映监理工作中存在的问题;有权否决下级监理人员的决定和签证。 7、安全监理工程师岗位职责 安全环保监理工程师主要职责如下: 1)全面掌握关于施工安全和环保管理工作的有关规定及技术标准; 2)检查到场设备的检验资料和性能; 3)检查记录监理部和承包商安全环保措施落实情况和个人防护用品配备、佩带情况,检查安全培训记录和特殊工种上岗证; 4)检查主要设备的安全运行及安全保持情况; 5)定期组织安全环保工作检查,并与政府安全环保检查工作协调进行; 6)与各专业监理工程师联系,提出安全环保是否符合要求及存在的隐患; 7)定期向总监报告施工安全环保情况。 8、信息资料管理员岗位职责 信息资料管理员的主要职责是: 1)及时处理各专业人员转交的监理文件资料,保证文件资料的完整性; 2)负责现场各种信息的采集,并登记; 3)负责编写监理台帐,并整理归档; 4)负责收集整理工地所有会议纪要,整理后交总监审查、并负责发送有关单位; 5)技术资料、各种往来文件收发办理签收登记手续,然后交总监审阅,再分别交有关监理工程师办理; 6)对各专业确认返回的文件资料,按统一编目系统进行分类整理归档; 7)负责现场办公用品的保管、领用; 8)负责现场人员考勤。 9、监理员岗位职责 监理员主要职责如下: 1)及时处理各驻地人员转交的监理文件资料,发现问题及时与各驻地监理工程师联系,确保文件资料的完整性; 2)负责现场各种信息的收集、整理,及时反馈总监理工程师; 3)负责编写监理台帐,并整理归档; 4)负责监理部的印章保管工作,严格按照职责分工使用印章;所有使用印章的文件应登记、留存;收集整理工地所有会议纪要,整理后交总监审查,并负责分送有关单位; 5)负责对工程建设各方往来文件进行妥善保管、登记和发送; 6)对技术资料、各种文件的收发办理签收登记手续,并确保资料的完整性、准确性和有效性; 7)对各专业监理工程师确认返回的文件资料,按统一的编目系统进行分类整理归类; 8)完成总监理工程师临时交办的各项工作。 (三)拟投入本项目的主要检测设备及办公设施一览表 为了提高监理质量控制水平,体现质量控制以数据说话的科学原则,监理仪器和设备的配置应确保质量控制工作的正常开展,其规格、性能和数量应符合测试工作的具体要求。为了监理工作的顺利开展,保证监理信息渠道畅通,我们拟投入必要的办公、交通和通信设备(见表1)。 表1 本工程自备监理仪器、设备及交通工具一览表 分类 序号 名 称 规 格 数量 性
展开阅读全文

开通  VIP会员、SVIP会员  优惠大
下载10份以上建议开通VIP会员
下载20份以上建议开通SVIP会员


开通VIP      成为共赢上传

当前位置:首页 > 环境建筑 > 公路桥梁

移动网页_全站_页脚广告1

关于我们      便捷服务       自信AI       AI导航        抽奖活动

©2010-2026 宁波自信网络信息技术有限公司  版权所有

客服电话:0574-28810668  投诉电话:18658249818

gongan.png浙公网安备33021202000488号   

icp.png浙ICP备2021020529号-1  |  浙B2-20240490  

关注我们 :微信公众号    抖音    微博    LOFTER 

客服