收藏 分销(赏)

病案:室间隔缺损皮肤粘膜淋巴结 综合症.doc

上传人:pc****0 文档编号:5674063 上传时间:2024-11-15 格式:DOC 页数:3 大小:58KB 下载积分:10 金币
下载 相关 举报
病案:室间隔缺损皮肤粘膜淋巴结 综合症.doc_第1页
第1页 / 共3页
病案:室间隔缺损皮肤粘膜淋巴结 综合症.doc_第2页
第2页 / 共3页


点击查看更多>>
资源描述
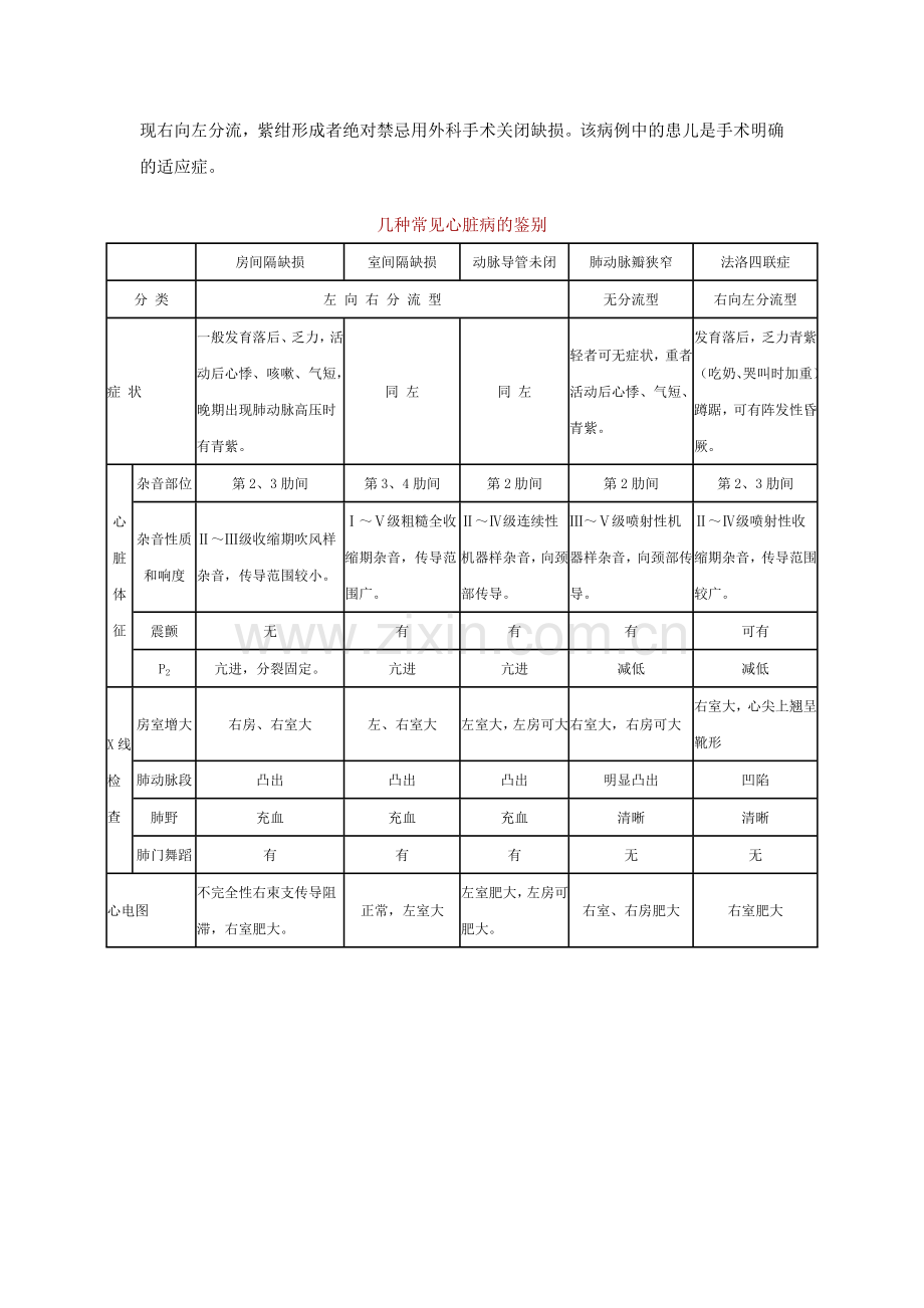
患者,男,5岁 主诉:发现心脏杂音5年 病史:生后1月体检时发现有心脏杂音,生后反复呼吸道感染,3月龄时因患肺炎和充血性心力衰竭入院,给予洋地黄和利尿剂治疗,效果良好。2岁以内患肺炎5次。平日易感乏力,活动后有气促,但无青紫,体重增长缓慢。 体格检查:   发育营养差,体格瘦小。双肺呼吸音粗糙,未闻及干、湿罗音。胸骨左缘第3、4肋间闻及IV级吹风样收缩期杂音,肺动脉第二音较亢进,心尖区闻及短促舒张期杂音。 心电图显示左右心室肥大。(视频显示)   胸部X线片示两肺充血,心脏呈中度扩大,左右心室均大,以左心室显著,肺动脉段突出,主动脉结偏小。(视频显示心脏常规拍片) 问题:1. 最可能的诊断    2. 为明确诊断,需再选择哪一项相对简便、经济又无创的检查    3. 治疗原则 诊断依据:患儿生后1月即发现心脏杂音,应考虑到有先天性心脏病。病儿自幼反复呼吸道感染,患肺炎数次,提示为肺经常处于充血状态;平时易感乏力,活动后有气促为体循环量减少所致;再加上患儿平日无青紫,提示可能为潜伏青紫型即左向右分流型心脏病。其有中型及大型心内左向右分流的患者,由于肺循环量增加,易患肺部感染,经常有早期充血性心力衰竭;由于休循环流量减少,影响生长发育,体重增加缓慢。体检发现胸左缘第3、4肋间有IV级收缩期杂音,肺动脉第二音亢进,左右心室均大,肺动脉段突出,主动脉结偏小,均符合室间隔缺损的表现。心尖区闻及短促舒张期杂音,乃由于缺损较大,分流量多,而有相对性二尖瓣狭窄所致。 治疗原则 缺损小者,不一定需手术治疗,中型缺损临床上有症状,如消瘦、乏力、气促、影响生长发育者,宜于学龄前期手术。大型缺损在6个月以内发生内科难以控制的心力衰竭,包括反复罹患下呼吸道感染和生长缓慢,应予以手术;肺动脉压力持续增高,肺血流量与体循环量之比大于2:1,右心室压力仅适度增高而肺血管阻力正常,应及时手术修补缺损。具有大型室间隔缺损的患儿由于肺血管疾患,由于梗阻型肺动脉高压的形成,出现右向左分流,紫绀形成者绝对禁忌用外科手术关闭缺损。该病例中的患儿是手术明确的适应症。 几种常见心脏病的鉴别 房间隔缺损 室间隔缺损 动脉导管未闭 肺动脉瓣狭窄 法洛四联症 分 类 左 向 右 分 流 型 无分流型 右向左分流型 症 状 一般发育落后、乏力,活动后心悸、咳嗽、气短,晚期出现肺动脉高压时有青紫。 同 左 同 左 轻者可无症状,重者活动后心悸、气短、青紫。 发育落后,乏力青紫(吃奶、哭叫时加重)蹲踞,可有阵发性 昏厥。 心脏体征 杂音部位 第2、3肋间 第3、4肋间 第2肋间 第2肋间 第2、3肋间 杂音性质和响度 Ⅱ~Ⅲ级收缩期吹风样杂音,传导范围较小。 Ⅰ~Ⅴ级粗糙全收缩期杂音,传导范围广。 Ⅱ~Ⅳ级连续性机器样杂音,向颈部传导。 Ⅲ~Ⅴ级喷射性机器样杂音,向颈部传导。 Ⅱ~Ⅳ级喷射性收缩期杂音,传导范围较广。 震颤 无 有 有 有 可有 P2 亢进,分裂固定。 亢进 亢进 减低 减低 X线检查 房室增大 右房、右室大 左、右室大 左室大,左房可大 右室大,右房可大 右室大,心尖上翘呈靴形 肺动脉段 凸出 凸出 凸出 明显凸出 凹陷 肺野 充血 充血 充血 清晰 清晰 肺门舞蹈 有 有 有 无 无 心电图 不完全性右束支传导阻滞,右室肥大。 正常,左室大 左室肥大,左房可肥大。 右室、右房肥大 右室肥大 病案 皮肤粘膜淋巴结综合征 患儿, 男, 4岁。 主 诉:发热伴左颈部肿胀5天。 现病史:5天前,无明显原因,患儿出现发热,体温持续在之间,无寒战,家人发现患儿左颈部肿胀,逐渐加重,表面不红,触之疼痛。发热1天后,患儿面部及躯干出现红色皮疹,不痒,患儿自觉乏力,食欲下降,大小便正常。 体格检查:T 35.8℃,P 150次/分,R 80次/分,W 20kg,急性热病溶,意识清楚,头面部及躯干散在粟粒大小充血性皮疹,左颈部淋巴结肿大,触之疼痛,表皮不红,双眼结膜充血,双瞳孔等大等圆,口唇干、红、皲裂,口腔粘膜充血,杨梅舌,咽部充血,扁桃体肿大,充血,无脓性分泌物。颈软,胸廓对称无畸形,三凹征(-),双肺听诊未闻及湿啰音,心音有力,心率120次/分,节律齐,无杂音,腹软,肝脾肋下未触及,双手足红肿,木实感,关节无红肿,生理反射存在,病理反射未引出。 实验室检查:   血常规:   尿常规:(-)   心电图:   超声心动图:冠状动脉左前降支内膜增厚,欠光滑。
展开阅读全文

开通  VIP会员、SVIP会员  优惠大
下载10份以上建议开通VIP会员
下载20份以上建议开通SVIP会员


开通VIP      成为共赢上传

当前位置:首页 > 行业资料 > 医学/心理学

移动网页_全站_页脚广告1

关于我们      便捷服务       自信AI       AI导航        抽奖活动

©2010-2026 宁波自信网络信息技术有限公司  版权所有

客服电话:0574-28810668  投诉电话:18658249818

gongan.png浙公网安备33021202000488号   

icp.png浙ICP备2021020529号-1  |  浙B2-20240490  

关注我们 :微信公众号    抖音    微博    LOFTER 

客服