收藏 分销(赏)

混凝土工程支模体系.pdf

上传人:jin****ong 文档编号:55930 上传时间:2021-06-23 格式:PDF 页数:3 大小:169.61KB 下载积分:0.5 金币
下载 相关 举报
混凝土工程支模体系.pdf_第1页
第1页 / 共3页
混凝土工程支模体系.pdf_第2页
第2页 / 共3页


点击查看更多>>
资源描述
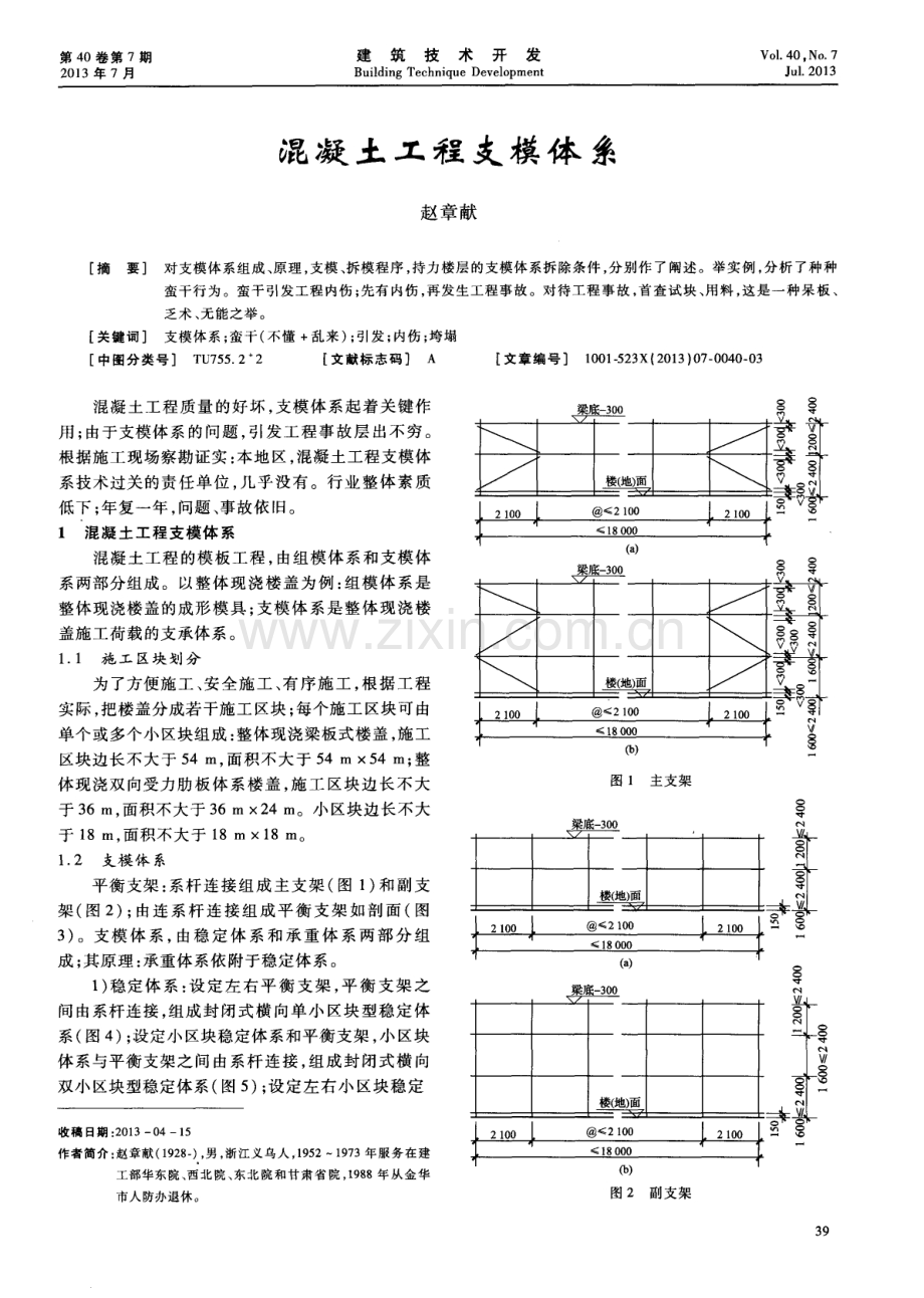
第 4 0卷第 7期 2 0 1 3年 7月 建筑技术开发 Bu i l di ng Te c hn i q u e De v e l o pme n t Vo 1 4 0, No 7 J u 1 2 0 1 3 混凝 土 工 程 支模 体 系 赵章献 摘要 对支模体系组成 、 原理 , 支模 、 拆模程序 , 持力楼层 的支模体 系拆 除条件 , 分别作 了阐述 。举实 例 , 分析 了种种 蛮干行为 。蛮干引发工程 内伤 ; 先有 内伤 , 再发生工程事故 。对待工程事 故 , 首 查试 块 、 用料 , 这是一种 呆板 、 乏术 、 无能之举 。 关 键词 支模体系 ; 蛮干 ( 不懂 + 乱来 ) ; 引发 ; 内伤 ; 垮 塌 中图分类号 T U 7 5 5 2 2 文献标 志码 A 【 文章编号 1 0 0 1 - 5 2 3 X( 2 0 1 3 ) 0 7 0 0 4 0 0 3 混凝土工程质量的好坏 , 支模体系起着关键作 用 ; 由于支模体系的问题 , 引发工程事故层出不穷。 根据施工现场察勘证实 : 本地区, 混凝土工程支模体 系技术过关的责任单位 , 几乎没有。行业整体素质 低下 ; 年复一年 , 问题、 事故依旧。 1 混凝 土工 程支模 体 系 混凝土工程 的模板工程 , 由组模体系和支模体 系两部分组成 。以整体现浇楼盖为例 : 组模体系是 整体现浇楼盖的成形模具 ; 支模体 系是整体现浇楼 盖施工荷载的支承体系。 1 1 施 工 区 块 划 分 为了方便施工、 安全施工、 有序施 工, 根据工程 实际, 把楼盖分成若干施工区块 ; 每个施工区块可由 单个或多个小 区块组成 : 整体现浇梁板式楼盖 , 施工 区块 边长 不 大于 5 4 m, 面积 不 大 于 5 4 m 5 4 m; 整 体现浇双向受力肋板体系楼盖 , 施工 区块边长不 大 于 3 6 m, 面积不大于 3 6 m 2 4 m。小区块边长不大 于 1 8 m, 面积不 大 于 1 8 m 1 8 m。 1 2 支模 体 系 平衡支架 : 系杆连接组成主支架 ( 图 1 ) 和副支 架 ( 图 2 ) ; 由连系杆连接组 成平衡支架如剖 面( 图 3 ) 。支模 体 系, 由稳 定体 系和 承重体 系两部 分组 成 ; 其原理 : 承重体系依附于稳定体系。 1 ) 稳定体 系: 设 定左右平衡 支架 , 平衡 支架之 间由系杆连接 , 组成封 闭式横 向单小区块 型稳定体 系 ( 图 4 ) ; 设定 小 区块稳 定体 系 和平衡 支 架 , 小 区块 体系与平衡支架之间 由系杆连接 , 组成封闭式横 向 双小区块型稳定体系( 图 5 ) ; 设定左右小 区块稳定 收稿 日期 : 2 0 1 3 0 41 5 作者简介 : 赵章献 ( 1 9 2 8 ) , 男 , 浙江义乌人 , 1 9 5 21 9 7 3年服务在 建 工部华东院 、 西 北院 、 东 北院 和甘肃省 院 , 1 9 8 8年 从金华 市人 防办退休 。 , 譬 萎 楼 (地 J面 8 、 盒 2 1 0 0 。 2 1 0 0 2 1 0 0 墨 V 1 8 0 0 0 - 楼 (地 )面 图 1 主支架 楼( 地) 面 楼( 地) 面 图 2 副支架 童 0 0 寸 w 0 0 、 。 3 9 。 。 t , 引 。 。 齄 昌 。 。 引 。 _【 。 。 剑 。 _【 第 7期 赵章献 : 混凝 土工程 支模 体 系 第 4 0卷 图 3 平衡支架剖面 蜀 l l l l I l l l l l l 8 l l l l I , l I l l l l 1 8 0 0 0 1 8 0 0 0 图 5双小 区块 稳定 体系 体系, 小区块稳定体系之间系杆连接 , 组成封闭式横 向三小区块型稳定体 系( 图 6 ) 。根据 工程实 际, 其 它类型以此类推 。当施工区块小于 9 m9 m时 , 可 以不设 稳定 体 系 , 但 4角 立 杆 两侧 的连 系杆 上 面 应 设 撑杆 ( 图 7 ) 。 l l l l I l l l l l l I , I l l l l 。 8 。 、 l l I l l I l I l l I l l I I I l _ j l 8 o 0 O 1 8000 l 8 00 0 图 6 三小 区块稳定体系 刮 角立杆 上 3 0 o 图 7 角立杆示意 2 ) 承重体系 : 由承重立杆 , 承重横杆 , 以及根据 需要 在立 杆 与立杆 之 间设置 的连 系杆 组成 。承 重体 系的连系杆宜设置在稳定体系连系杆的同一高度 , 并每边的两端及 中间 , 各有 一处与稳定 体系连接 。 承重立杆和承重横杆 的设置 : 应根据混凝土施 工荷 载 的大小 , 经 计算 确定 ; 并 间距 不大 于 2 1 m。 立杆抗压强度计算 =N ( ) ( 1 ) 横杆抗弯强度计算 = M W o r =2 1 0 MP a ; 横 杆抗弯强度 =M I V= 6 2 5 MP a =2 1 0 MP a 。 这是一种不经计算 , 系杆强度严重不足的蛮干施工 行 为 。 图 9 支模 实物 2 ) 持力楼 层 ( 图 8 ) : 1 ) 比如南楼 的五 层与六 层 : 六层 7月 1 、 3 、 4 E l 浇筑, 五层 6月 9 、 1 0、 1 1 、 1 2 、 1 3 、 1 4 E t 拆模 , 也就是说浇筑楼层的施 工荷载全部 由持力楼层承担。经计算 : 浇筑楼层 的计算施工荷 载 持力楼层的设计荷载为 1 4 2; 相 当于给持力楼 层做了一次破坏性试验。这是一种破坏性超载的蛮 干施 工 行为 。2 ) 再 比 如二 层 与 三 层 : 二 层 元 月 1 5 、 1 6 、 1 7日浇筑 , 三层 2月 2 、 3 、 4日浇筑 , 两者 间隔 1 7 d 。元月 1 7日至 2月 2日, 当地平均气温 4 9 C, 浇筑第三层楼层混凝 土的时候 , 第二层楼层混凝土 的强度还不到设计强度 的 6 0 。经计算 : 计算施工 荷载 设计荷载为 1 7 8 。这是一种超破坏性超载的 蛮干 施 工行 为 。 2 4施 工技 术鉴 定 根据金华市建 筑材料试验所检测报告 , 仅五层 楼层肋板体系内实测 的裂缝共 5 0 1条。其 中: 竖 向 裂缝 4 8 1条 ; 斜 向裂缝 2 O条 , 出现在肋与柱整体连 接处肋 的端部。所有裂缝均呈枣核形位于肋高的中 部。针对 以上裂缝 问题 , 召开 了业 内专家鉴定 会。 与会专家核查了施工 日记 、 施工程序、 用料保质书和 混凝土强度试块报告 。鉴定结论 : “ 施工基本符 合 设计要求 , 基本 符合 现行施 工验 收规 范。 ” 实属 荒 唐 、 可悲1 3 结论 实例分析了种种蛮干施工行为 ; 其实 , 蛮干设计 行为或者蛮干管理行为, 尤其是蛮干管理行为 , 引发 工程 内伤最为严重。现实 中, 人们往往只注重 肉眼 看得见的裂缝 ( 外伤) 问题 , 忽视或不认识或害怕他 人认识工程内伤的真相 , 这是最危险的。应该懂得 , 看不见 的内伤才是 致命 的 , 它是发 生一切 工程 事 故的根源 ; 垮塌是一种 突发事故 。对 待工程事故 , 首查试块 、 用料 , 这是 一种 呆板 、 乏 术、 无能 之举 ; 此举 , 被有心人 用作 以假护 假、 隐瞒 真相之 案例 , 比比 皆是 。 事实证明 : 裂缝或垮塌事故 , 均 由混凝土结构 内伤而发生 的; 所 以 , 只须找 出引发结 构 内伤 的始 作俑者 , 无数 说不 清、 道 不 明的事故 真相 , 亦 就大 白了 。 查不清事故真相 , 有两种可能: 无能 ; 不能。因 为无能 , 所以不懂得事故真相; 因为有 亏, 所以清查 不能太认真。不认错 , 不等于没有错 ; 不承认事实 , 不等于事实不存在。 41
展开阅读全文

开通  VIP会员、SVIP会员  优惠大
下载10份以上建议开通VIP会员
下载20份以上建议开通SVIP会员


开通VIP      成为共赢上传

当前位置:首页 > 环境建筑 > 安全文明施工

移动网页_全站_页脚广告1

关于我们      便捷服务       自信AI       AI导航        抽奖活动

©2010-2025 宁波自信网络信息技术有限公司  版权所有

客服电话:0574-28810668  投诉电话:18658249818

gongan.png浙公网安备33021202000488号   

icp.png浙ICP备2021020529号-1  |  浙B2-20240490  

关注我们 :微信公众号    抖音    微博    LOFTER 

客服