收藏 分销(赏)

钢筋混凝土设计原理课程设计 地铁设计.pdf

上传人:pin****uju 文档编号:54507 上传时间:2021-06-18 格式:PDF 页数:18 大小:332.01KB 下载积分:0.5 金币
下载 相关 举报
钢筋混凝土设计原理课程设计 地铁设计.pdf_第1页
第1页 / 共18页
钢筋混凝土设计原理课程设计 地铁设计.pdf_第2页
第2页 / 共18页


点击查看更多>>
资源描述
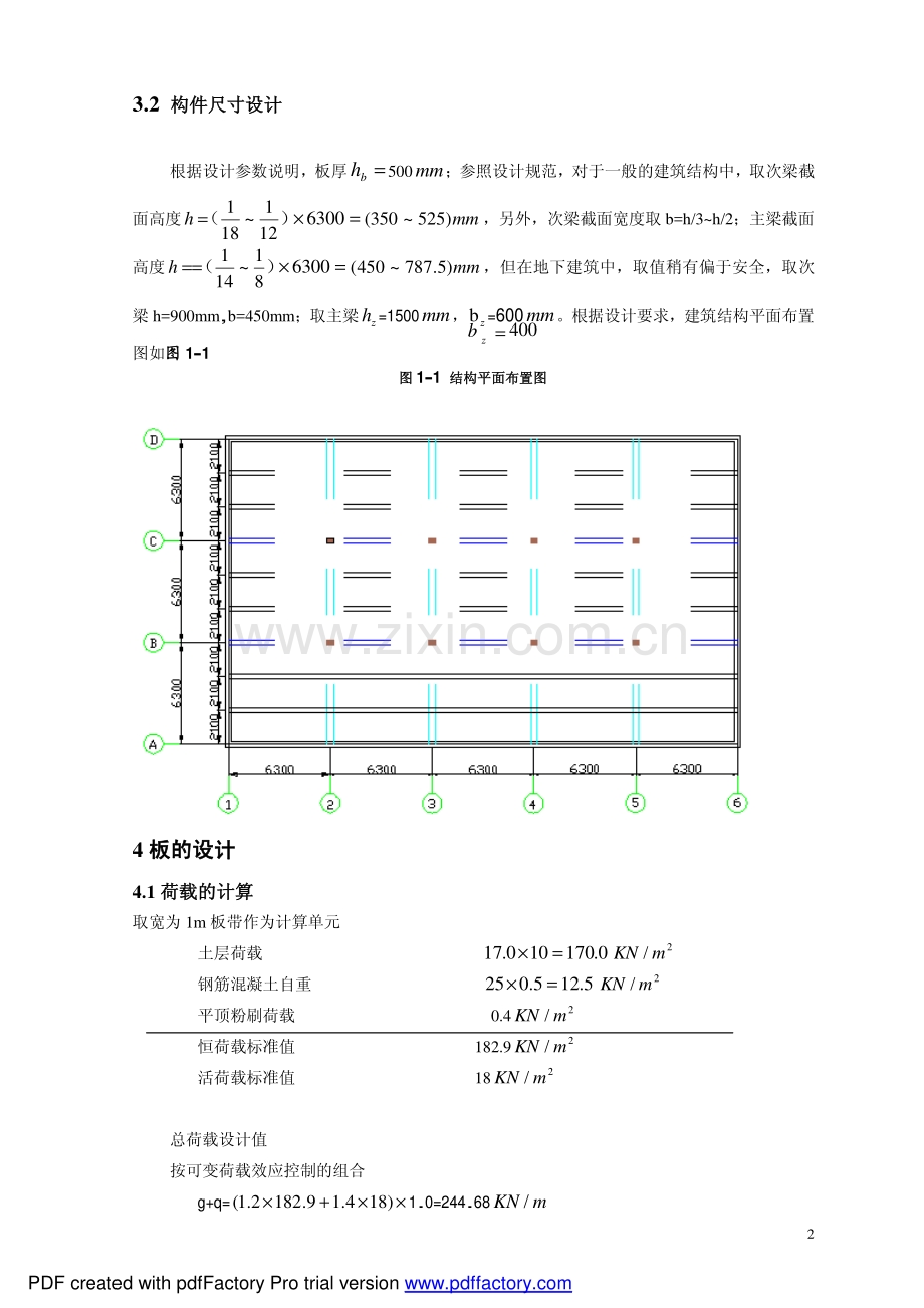
1 钢筋混凝土设计原理课程设计钢筋混凝土设计原理课程设计 1 工程概况工程概况 设计地下室顶板离地面为粉质粘土,土的抗剪强度为 28.7Kpa,内摩擦角为 25 度,土层透 水性为:微弱,土层厚度 10m,地下水位为- 5.0m,地下水对钢筋混凝土结构具有弱溶解性,综 合评价其腐蚀等级为:中等腐蚀,土的密度为 17.0KN/m3 。 2 设计参数说明设计参数说明 主 梁 下 附 墙 垛 尺 寸 为450450mm, 下 设 计 柔 垫 为 200mm, 混 凝 土 柱 尺 寸 500500mm;地下室的安全等级为二级,根据工程概况,结合前人设计经验,取顶板设计厚 度为 500mm; 混凝土采用 C35, 板内采用钢筋 HRB335 级别热轧钢筋, 次梁和主梁采用 HRB400 级热轧钢筋; 钢筋混凝土的容重为 25 3 / mKN, 设计忽略地下水的荷载, 顶板荷载为 18 2 / mKN。 平顶粉刷荷载为 0.4KN /m3;地下室顶板人防等级为 6 级。 C35 等级混凝土:7 .16= c f 2 / mmN,57 . 1 = t f 2 / mmN HRB335 级热轧钢筋:300= y f 2 / mmN HRB400 级热轧钢筋:360= y f 2 / mmN 3 结构平面布置结构平面布置 3.1结构平面布置的原则结构平面布置的原则 在进行结构平面布置时,应遵守下述布置原则: (1) 梁格的布置要考虑生产工艺、使用要求和支承结构的合理性。 (2) 柱网与梁格尺寸除应满足生产工艺和使用要求外, 还应使结构具有尽能好的经济效果。 (3) 梁格应尽可能布置得规整、统一,板的厚度和梁的截面尺寸尽量统一减少梁板跨度的 变化,以简化计算,方便施工。 (4)避免集中荷载直接作用于板上。 PDF created with pdfFactory Pro trial version 2 3.2 构件尺寸设计构件尺寸设计 根据设计参数说明,板厚= b h500mm;参照设计规范,对于一般的建筑结构中,取次梁截 面高度)( 12 1 18 1 =h6300=mm)525350(,另外,次梁截面宽度取 b=h/3h/2;主梁截面 高度)( 8 1 14 1 =h6300=mm)5 .787450(,但在地下建筑中,取值稍有偏于安全,取次 梁 h=900mm,b=450mm;取主梁 z h=1500mm, z b=600mm。根据设计要求,建筑结构平面布置 图如图图 1-1 图图1-1 结构平面布置图结构平面布置图 4 板的设计板的设计 4.1 荷载的计算荷载的计算 取宽为 1m 板带作为计算单元 土层荷载 0 .170100 .17= 2 / mKN 钢筋混凝土自重 5 .125 . 025= 2 / mKN 平顶粉刷荷载 0.4 2 / mKN 恒荷载标准值 182.9 2 / mKN 活荷载标准值 18 2 / mKN 总荷载设计值 按可变荷载效应控制的组合 g+q=+)184 . 19 .1822 . 1 (1.0=244.68mKN / = 400 z b PDF created with pdfFactory Pro trial version 3 由上可知,所以板内力计算时取 g+q=244.68mKN /。 4.2 计算简图及跨度计算简图及跨度 参照设计规范,梁板的跨度计算,根据下表表 1-2: 表表 1- 2 梁板的跨度计算梁板的跨度计算 计算跨度 支承情况 梁 板 两端与梁柱整体连接 净跨 n l 净跨 n l 两端支承在砖墙上 1.05 n l)(bln+ )(nlhl nn + 一端与梁整体连接,另一端承在砖墙上 1.025 n l) 2 ( b ln+ ) 2 ( 2 a l h l nn + 注:表中注:表中b为梁的支承宽度,为梁的支承宽度,a为板的搁置长度,为板的搁置长度,h为板厚。为板厚。 次梁截面高度 h=900mm,b=450mm, 取 a=185mm。 根据结构的平面布置, 板的实际支承情况, 板的计算跨度为: 边跨 :mm h ll n 1840 2 500 )1852252100( 2 110 =+=+= mm a ln5 .1757 2 1 =+ 故边跨取mml5 .1757 10 =。 中间跨 mmll n 16504502100 220 = 由于边跨与中间跨的跨度差%10%1 . 65 .1757/ )1650-5 .1757(=,故可按等跨连续板计算内 力。板的计算简图如下:图图 1-2 及图及图 1-3: 图图 1- 2 板的跨度计算示意图简图板的跨度计算示意图简图 图图 1- 3 板的计算简图板的计算简图 PDF created with pdfFactory Pro trial version 4 4.3 弯距设计值计算弯距设计值计算 各板控制截面的弯矩设计值按下式计算: 2 0 )(lqgM dd += 根据上面的公式计算得: 7 .687575. 17575. 168.244 11 1 )( 11 1 2 01 =+=lqgM dd mkN 56.6065. 165. 168.244 11 1 )( 11 1 2 0 =+=lqgM ddB mkN 58.4765. 165. 168.244 14 1 )( 14 1 2 0 =+=lqgM ddC mkN 64.4165. 165. 168.244 16 1 )( 16 1 2 032 =+=lqgMM dd mkN 4.4 截面配筋计算截面配筋计算 板截面有效高度mmh45050500 0 =。 因中间板带的内区格四周与梁整体连接, 故 2 M、 3 M和 c M值可降低 20%,从而取值为四周的 0.8 倍。最少配钢筋率为 min =0.45=%100 y t f f %100 300 57. 1 45. 0 =0.236%,板截面配筋计算过程见下表表 1-3。 表表 1- 3 板截面配筋计算板截面配筋计算 2,3 C 截面 1 B 板带 中板带 板带 中板带 弯矩系数 11 1 11 1 16 1 14 1 跨度 0 l 1.7575 1.650 1.650 1.650 M 68.7 -60.56 47.58 38 -41.64 -33.3 2 01 bhf c 2 01 bhfc= 62 1038. 314507 .160 . 1= PDF created with pdfFactory Pro trial version 5 2 01 bhf M c S = 0.0203 0.0179 0.014 0.0112 0.0123 0.0099 s 211= 0.0203 0.01790.1 取 0.1 0.014 0.0112 0.01230.1 取 0.1 0.00990.1 取 0.1 y c s f bhf A 01 = 508 2505 351 281 2505 2505 %100 c s A A 0.0011% 0.263 %取 0.263 % 0.056% 0.00078%0.263% 取 0.263% 0.00062%0.263% 取 0.263% 0.056% 0.056% AS 1711 2505 1711 1711 2505 2505 配筋(mm 2) 522 625 522 522 625 625 实际配筋(mm 2) AS=1900 AS=2945 AS=1900 AS=1900 AS=2945 AS=2945 注意: 表中支座截面注意: 表中支座截面1 . 0%100 y t f f %100 c s A A 时, 按时, 按 min 配钢筋。配钢筋。 配筋图如图 1- 4: 图图 1-4 1-4 4.5 板截面受剪承载力验算板截面受剪承载力验算 板截面剪力设计值可按下式计算:() n Vgq l=+ 为荷载重分布剪力系数,参照表表 1-4 PDF created with pdfFactory Pro trial version 6 表表 1- 4 为荷载重分布剪力系数为荷载重分布剪力系数 截面 荷载情况 端部支座 支承情况 Ain Bex Bin Cex 均布荷载 搁支在墙上 0.45 0.6 0.55 0.55 梁与梁、梁与墙整体连续 0.5 0.55 0.55 0.55 集中荷载 搁支在墙上 0.45 0.65 0.6 0.55 梁与梁、梁与柱整体连续 0.5 0.6 0.6 0.55 注:表中的注:表中的 Ain、Bex、Bin、Cex表示支座的内外侧的代号。表示支座的内外侧的代号。 板截面最大剪力设计值发生在内力支座,其值为 KNV22265. 168.24455. 0= 对于不配箍筋和弯起钢筋的一般板类受弯构件,其斜截面受剪承载力应符合下列规定: 0 7 . 0bhfV th 55.494450100057 . 1 0 . 17 . 07 . 0 0 =bhft h 222=VkN 由其斜截面受剪承载力符合 0 7 . 0bhfV th ,则板不需要配箍筋和弯起钢筋。 5 次梁计算次梁计算 5.1 次梁配筋的构造要求次梁配筋的构造要求 (1) 截面尺寸:次梁的跨度 l = 4 m6 m,梁高 h=(1/181/12)l,梁宽 b =(1/31/2)h,应满 足表 1- 7 的规定。纵向钢筋的配筋率一般为 0.6%1.5%。 (2) 次梁在砌体墙上的支承长度 a240 mm。 (3)钢筋的直径:梁的纵向受力钢筋及架立钢筋的直径不宜小于表表 1-5 的规定。对钢筋直 径的要求出于混凝土结构截面受力的需要。混凝土结构中,受力钢筋的尺寸应与截面高度及跨度 有一定的比例,过于纤细的钢筋难以起到应有的承载受力和构造的作用。 表表 1-5 梁内纵向钢筋的最小直径梁内纵向钢筋的最小直径 注:注:h为梁高,为梁高,l为梁的跨度。为梁的跨度。 (4) 钢筋的间距:钢筋混凝土结构中钢筋能够与混凝土协同工作,是由于它们之间存在着粘 结锚固作用。因此,受力钢筋周围应有一定厚度的混凝土层握裹。对于构件边缘的钢筋,表现为 保护层厚度;而对于构件内部的钢筋,则表现为钢筋的间距。钢筋间距还应考虑施工时浇筑混凝 土操作的方便。梁纵向钢筋的净间距不应小于表表 1-6 的规定。 表表 1-6 梁内纵向钢筋的最小净距梁内纵向钢筋的最小净距 PDF created with pdfFactory Pro trial version 7 注: (注: (1)净间距为相邻钢筋外边缘之间的最小距离。)净间距为相邻钢筋外边缘之间的最小距离。 (2)当梁的下部钢筋配置多于)当梁的下部钢筋配置多于 2 层时,两层以上水平方向中距应比下边两层的中距增大一倍层时,两层以上水平方向中距应比下边两层的中距增大一倍。 (5) 梁侧的纵向构造钢筋:由于混凝土收缩量的增大,近年在梁的侧面产生收缩裂缝的现象 时有发生。裂缝一般呈枣核状,两头尖而中间宽,向上伸至板底,向下至于梁底纵筋处,截面较 高的梁,情况更为严重。 (6) 当连续次梁的跨度相等或相差不超过 20%, 且活载与恒载之比 q/g3 时, 梁内纵向钢筋 的弯起及截断可按图 1- 5 进行。 图图 1-5 等跨连续次梁的钢筋布置等跨连续次梁的钢筋布置 规范规定:当梁的腹板高度 hw450 mm 时,在梁的两个侧面沿高度配置纵向构造钢筋 (腰筋), 每侧纵向构造钢筋(不包括梁上、 下部受力钢筋及架立钢筋)的截面面积不应小于腹板截面 面积 bhw 的 0.1%,且其间距不宜大于 200 mm。此处,腹板高度 hw ,矩形截面为有效高度;对 T 形截面,取有效高度减去翼缘高度;对 I 形截面,取腹板净高。 (7) 对钢筋混凝土薄腹梁或需作疲劳验算的钢筋混凝土梁,应在下部二分之一梁高的腹板内 沿两侧配置直径为 8 mm14 mm、间距为 100 mm150 mm 的纵向构造钢筋,并应按下密上疏的 方式布置。 在上部二分之一梁高的腹板内, 纵向构造钢筋上述第(5)条的规定配置。 如图图 1-5 所示, 中间支座负钢筋的弯起,第一排的上弯点距支座边缘为 50 mm;第二排、第三排上弯点距支座边 缘分别为 h 和 2h。 支座处上部受力钢筋总面积为 As,则第一批截断的钢筋面积不得超过 As/2,延伸长度从支 座边缘起不小于 n l/5+20d(d 为截断钢筋的直径);第二批截断的钢筋面积不得超过 As/4,延伸长 度不小于 n l/3。所余下的纵筋面积不小于 As/4,且不少于两根,可用来承担部分负弯矩并兼作架 立钢筋,其伸入边支座的锚固长度不得小于 a l。 位于次梁下部的纵向钢筋除弯起的外,应全部伸入支座,不得在跨间截断。下部纵筋伸入边 支座和中间支座的锚固长度详见混凝土结构设计 。 连续次梁因截面上、下均配置受力钢筋,所以一般均沿梁全长配置封闭式箍筋,第一根箍筋 可距支座边 50 mm 处开始布置,同时在简支端的支座范围内,一般宜布置一根箍筋。 PDF created with pdfFactory Pro trial version 8 根据设计平面布置图,有主梁1500= z hmm,600= z b。次梁的跨度计算示意图见图见图 1-6 图 1- 6 次梁的跨度计算示意图 5.2 荷载计算荷载计算 取次梁为 1m 长作为计算单元 板传来的恒荷载 mKN /09.3841 . 29 .182= 次梁自重 5 . 4)5 . 09 . 0(45 . 0 25=mKN / 次梁三面粉刷 48. 04 . 025 . 09 . 04 . 0=+)(mKN / 恒荷载标准值 389.07mKN / 活荷载标准值 8 .371 . 218=mKN / 总荷载设计值 按可变荷载效应控制的组合 mKNqg/8 .5198 .374 . 107.3892 . 1=+=+ 所以,次梁内力计算时取 g+q=519.8KN/m。 5.3 计算简图计算简图 次梁按考虑塑性重分布计算内力,结合图图 1-6 故由表 4 可得次梁的计算跨度为: 中间跨 mmll n 57006006300 0 = 边跨 mmalll nn 55902/250)1853006300(2/5 .58425700025. 1025. 1 0 =+=+= 故边跨取mml5590 0= 。 与中跨的计算跨度相差(%10%9 . 15700/ )55905700V 1625V 1625V 0 0.7/ t f bhkN 427.78V 427.78V 427.780.105% 0.925%0.105% 0.823%0.105% 00 25. 17 . 0h s A fbhfV sv yvtcs += 1086824.53 1620486.28 1442599.03 因为 VCSV,箍筋已能承受剪力,故不需要弯起钢筋。 6 主梁设计主梁设计 主梁按弹性理论计算内力。柱截面尺寸为 500500mm,主梁几何尺寸及支承情况如图图 1-8 所 示。 2 01 bhf M c s = 0.06 0.26 0.044 0.215 s 211= 0.062 0.307 0.045 0.244 y c s f bhf A 01 = 4727 5543 3431 4406 实配钢筋 828(直) 732(直) 725(直) 925(直) 实配钢筋面积 4926 5630 3436 4418 PDF created with pdfFactory Pro trial version 11 图图 1- 8 主梁跨度计算示意图主梁跨度计算示意图 6.1 荷载计算荷载计算 为简化计算,主梁自重按集中荷载考虑。 次梁传来的荷载 kN74.32743 . 68 .519= 主梁自重 KN5 .311 . 2)5 . 05 . 1 (6 . 025= 主梁三面粉刷 KN184 . 2 4 . 021 . 25 . 05 . 16 . 01 . 2=+)( 恒荷载标准值 3308.424kN 活荷载标准值 186.3=113.4kN 恒载设计值 G=1.23308.424=3970.1kN 活载设计值 Q=1.4113.4=158.76kN 6.2 计算简图及跨度计算简图及跨度 由于主梁线刚度较柱线刚度大很多,故中间支座按铰支座考虑。主梁的支承长度为 370mm。 计算跨度: 中间跨 mml6300 0 = 边 跨 0 l=mmbln625.6311 2 600 )2501856300(025. 12/025. 1=+=+ 0 l=mmbaln6350300185)250185600(2/2/=+=+ 故边跨的计算跨度取 0 l=6311.6mm。 边跨与中间跨的平均跨度为 0 l=(6311.625+6300)/2=6305.8mm 边跨与中间跨的计算跨度相差 0,为等跨连续梁,其计算简图如图图图 1-9 所示。 PDF created with pdfFactory Pro trial version 12 图图 1- 9 主梁计算简图主梁计算简图 6.3 内力计算内力计算 对图所示三跨连续梁,可采用内力系数计算各控制截面内力,即 弯矩 12oo Mk Glk Ql=+ 剪力 34 Vk Gk Q=+ 式中, 1 k、 2 k、 3 k、 4 k为内力系数,由设计规范查取。 下面以变荷载效应控制的组合为例说明计算过程,即取 G=3970.1kN 和 Q=158.76kN 计算,永 久荷载效应控制组合计算过程从略(经计算不控制截面设计) 。 o Gl和 o Ql计算如下: 边跨 mKNGl=68.250573116. 63970.1 0 mKNQl=10023116 . 6 158.76 0 中间跨 mKNGl=63.250116.33970.1 0 mKNQl= 9 . 10013 . 6158.76 0 支座 B mKNGl= 6 . 250113 . 63970.1 0 mKNQl= 9 . 10013 . 6158.76 0 主梁弯矩计算见表 PDF created with pdfFactory Pro trial version 13 表表 1- 9 主梁弯矩计算主梁弯矩计算 主梁剪力计算见表表 1-10 表表 1- 10 剪力计算剪力计算 项 次 荷载简图 A V k 左B V k 右B V k 2910 733. 0 1 .5030 267. 1 1 .3970 00. 1 49.137 866. 0 180 134. 1 - - - - - - - - - 1 . 21 133 . 0 1 . 21 133 . 0 76.158 000 . 1 项 次 荷载简图 1 M k B M k 2 M k c M k 1 .6114 244. 0 1 .6678 267. 0 1675.78 067. 0 6678.1 267. 0 58.289 289. 0 25.133 133. 0 25.133 133. 0 - - - - - - - - - 1 .44 044. 0 25.133 133. 0 38.200 200. 0 - - - - - - - - 6 .299 229. 0 6 .311 311. 0 3 .170 170. 0 17.89 089. 0 72.29 3 17.89 = 2 .89 089. 0 3 .170 170. 0 59.311 311. 0 + maxB M maxC M 6403.68 - 6811.37 1542.51 - - - - - - - - - + maxB M 5011.56 - 6811.37 1475.4 - - - - - - - - - + maxB M 6070 - 6989.69 1505.46 - 6767.27 + maxC M 6084.38 - 6768.1 1505.44 - 6989.69 PDF created with pdfFactory Pro trial version 14 4 .109 689. 0 1 .208 311. 1 194 222. 1 1 .14 089. 0 1 .14 089. 0 5 .123 778. 0 + - Bnax V , Cnax V- 3047.49 - 5530.1 1 .3970 + Bnax V , Cnax V 2931.1 - 5329 4128.86 + - Bnax V 3019.4 - 5630.2 3776.1 + Cnax V- 2924.1 - 5364.2 4093.6 6.4 内力包络图内力包络图 将各控制截面的组合弯矩值和组合剪力值,分别绘于同一坐标图上,即得内力叠合图,其 外包线即是内力包络图,具体见大图。可见,对主梁而言,按可变荷载效应控制的组合所得的 内力设计值将控制截面配筋。 6.5 配筋计算配筋计算 在正弯矩作用下主梁跨中截面按 T 形截面计算配筋, 边跨及中间跨的翼缘宽度均按较小值 采用,即 mmlbf20873/6262 0 = mmSbb nf 63005850450 =+=+= 故取mmbf2087 =,并取mmh1440601500 0 =。因为 MKNhhhbf fffC =5 .20737)2/5001440(50020877 .160 . 1)2/( 0 1 此值大于 1 M和 2 M,故属于第一类 T 形截面。 主 梁 支 座 截 面 及 负 弯 矩 作 用 下 的 跨 中 截 面 按 矩 形 截 面 计 算 , 取 mmh10005001500 0 =。支座 B 边缘截面弯矩 B M: mkNMB=+=475.5957-25 . 086.412869.6989-b/2V -max O 其中支座截面剪力kNV86.412876.158 1 . 3970 0 =+=。 主梁正截面及斜截面承载力计 算结果分别见表 1- 11 和 1- 12. 表表 1- 11 主梁主梁正正截面承载力计算截面承载力计算 截面 边跨跨中 B 支座 中间跨跨中 M/ mkN 6403.7 - 6989.69 1542.51 b或 , f b 2087 600 2087 2 01 bhfc 或 2 01 hbf fc , 72271 20777.5 72271 PDF created with pdfFactory Pro trial version 15 2 01 bhf M c s = 0.089 0.336 0.021 s 211= 0.093 0.43 0.02 y c s f bhf A 01 = 12965 17234 2788 实配钢筋 740(直) 536(弯) 740(直) 740(弯) 336 弯) 实配钢筋面积 13885 17592 3770 表表 1- 12 主梁斜截面受剪承载力计算主梁斜截面受剪承载力计算 截面 边支座 A B 支座 (左) B 支座(右) /V kN 3047.5 5630.2 4128.9 0 25 . 0 bhfc c 3607.2V 3607.2V 3607.2V 0 7 . 0bhft 949.5V 949.5V 949.5) ,本设计中大部分纵筋由后者控制钢筋截断点,其中锚固长度按 y a t f ld f =确定,取 40d(d 为纵筋直径) 。但由 0 1.2 a lh+所确定的截断点仍位于负弯矩受拉区 内,故从其充分利用截面伸出的长度应按 0 1.21.7 a lh+确定,另外钢筋的搭接长度取 200mm。 6.8 附加横向钢筋附加横向钢筋 1、在梁下部或截面高度范围内有集中荷载作用时,应在该处设置附加横向钢筋(吊筋、箍筋) 承担。附加横向钢筋应布置在长度 1 (23 )S Shb=+的范围内; 2、当构件的内折角处于受拉区时,应增设箍筋。该箍筋应能承受未在受压区锚固的纵向受 拉钢筋 As1的合力,且在任何情况下不应小于全部纵向钢筋 As合力的 35%。 7 防水设计防水设计 防空地下室设计应做好室外地面的排水处理,避免在上部地面建筑周围积水。防空地下室 的防水设计不应低于地下工程防水技术规范(GB 50108)规定的防水等级的二级标准。上部建 筑范围内的防空地下室顶板应采用防水混凝土,当有条件时宜附加一种柔性防水层。 7.1 防水混疑土设计防水混疑土设计 1、一般规定、一般规定 (1)防水混凝土应通过调整配合比,掺加外加剂、掺合料配制而成,抗渗等级不得小于 S6。 (2) 防水混凝土的施工配合比应通过试验确定, 抗渗等级应比设计要求提高一级(0.2MPa)。 2、设、设 计计 (1) 防水混凝土的设计抗渗等级,应符合设计规范的规定。 (2) 防水混凝土的环境温度,不得高于 80;处于侵蚀性介质中防水混凝土的耐侵蚀系 数,不应小于 0.8。 (3) 防水混凝土结构底板的混凝土垫层,强度等级不应小于 C15,厚度不应小于 100mm, 在软弱土层中不应小于 150mm。 (4) 防水混凝土结构, 结构厚度不应小于 250mm;裂缝宽度不得大于 0.2mm,并不得贯 通;迎水面钢筋保护层厚度不应小于 50mm。 3、材、材 料料 (1)防水混凝土使用的水泥,水泥的强度等级不应低于 32.5MPa;在不受侵蚀性介质和冻 融作用时,采用普通硅酸盐水泥、硅酸盐水泥、火山灰质硅酸盐水泥、粉煤灰硅酸盐水泥、矿渣 硅酸盐水泥,使用矿渣硅酸盐水泥必须掺用高效减水剂;在受侵蚀性介质作用时,应按介质的性 质选用相应的水泥;在受冻融作用时,应优先选用普通硅酸盐水泥,不宜采用火山灰质硅酸盐水 泥和粉煤灰硅酸盐水泥。 (2)防水混凝土所用的砂、石,石子最大粒径不宜大于 40mm,泵送时其最大粒径应为输 送管径的 14;吸水率不应大于 1.5;不得使用碱活性骨料。其他要求应符合普通混凝土用 PDF created with pdfFactory Pro trial version 17 碎石或卵石质量标准及检验方法 (JGJ 5392)的规定;拌制混凝土所用的水,应符合混凝土 拌合用水标准(JGJ 6389)的规定。 (3) 防水混凝土可根据工程需要掺入减水剂、膨胀剂、防水剂、密实剂、引气剂、复合型 外加剂等外加剂,其品种和掺量应经试验确定。所有外加剂应符合国家或行业标准一等品及以上 的质量要求。 (4) 每立方米防水混凝土中各类材料的总碱量(Na2O 当量)不得大于 3kg ,灰砂比宜为 1:1.51:2.5;水灰比不得大于 0.55;普通防水混凝土坍落度不宜大于 50mm。防 水混凝土采用预拌混凝土时,入泵坍落度宜控制在 12020mm,入泵前坍落度每小时损失值不应 大于 30mm,坍落度总损失值不应大于 60mm;掺加引气剂或引气型减水剂时,混凝土含气量应 控制在 35; 防水混凝土采用预拌混凝土时,缓凝时间宜为 68h。 (5) 使用减水剂时,减水剂宜预溶成一定浓度的溶液。 (6) 防水混凝土拌合物必须采用机械搅拌,搅拌时间不应小于 2min。掺外加剂时,应根 据外加剂的技术要求确定搅拌时间。 防水混凝土拌合物在运输后如出现离析, 必须进行二次搅拌。 当坍落度损失后不能满足施工要求时,应加入原水灰比的水泥浆或二次掺加减水剂进行搅拌,严 禁直接加水。 (7) 防水混凝土必须采用高频机械振捣密实,振捣时间宜为 1030s,以混凝土泛浆和不 冒气泡为准,应避免漏振、欠振和超振。渗加引气剂或引气型减水剂时,应采用高频插入式振捣 器振捣。 7.2 卷材防水层卷材防水层 1、 一般规定一般规定 (1)卷材防水层适用于受侵蚀性介质作用或受振动作用的地下工程。 (2)卷材防水层应铺设在混凝土结构主体的迎水面上。 (3) 卷材防水层用于建筑物地下室应铺设在结构主体底板垫层至墙体顶端的基面上, 在外 围形成封闭的防水层。 2、 设设 计计 (1)卷材防水层为一或二层。高聚物改性沥青防水卷材厚度不应小于 3mm,单层使用时, 厚度不应小于 4mm,双层使用时,总厚度不应小于 6mm;合成高分子防水卷材单层使用时,厚 度不应小于 1.5mm,双层使用时,总厚度不应小于 2.4mm。 (2)阴阳角处应做成圆弧或 45(135)折角,其尺寸视卷材品质确定。在转角处、阴阳角等 特殊部位,应增贴 12 层相同的卷材,宽度不宜小于 500mm。 3、 材材 料料 (1) 卷材防水层应选用高聚物改性沥青类或合成高分子类防水卷材,卷材外观质量、品种 规格应符合现行国家标准或行业标准 卷材及其胶粘剂应具有良好的耐水性、耐久性、耐刺穿性、 耐腐蚀性和耐菌性;高聚物改性沥青防水卷材的主要物理性能应符合设计规范的要求。 (2) 粘贴各类卷材必须采用与卷材材性相容的胶粘剂, 高聚物改性沥青卷材间的粘结剥离 强度不应小于 8N10mm;合成高分子卷材胶粘剂的粘结剥离强度不应小于 15N10mm,浸水 PDF created with pdfFactory Pro trial version 18 168h 后的粘结剥离强度保持率不应小于 70。 8 人防设计人防设计 8.1 地下室人防设计要求地下室人防设计要求 1、材料设计 (1)防空地下室结构的材料选用,应在满足防护要求的前提下,做到因地制宜、就地取材。 地下水位以下或有盐碱腐蚀时,外墙不宜采用砖砌体。当有侵蚀性地下水时,各种材料均应采取 防侵蚀措施。 (2)防空地下室钢筋混凝土结构构件,不得采用冷轧带肋钢筋、冷拉钢筋等经冷加工处理 的钢筋。 2、构造要求 砌体结构的防空地下室,由防护密闭门至密闭门的防护密闭段,应采用整体现浇钢筋混 疑土结构。 3、人防防水设计 结合 人民防空地下室设计规范 (GB 500382005) , 参照地下室顶板的防水设计施工。 参考资料参考资料 1 混凝土结构设计规范 (GB 500102002) ; 2 建筑结构荷载规范 (GB 500092001) ; 3 砌体结构设计规范 (GB 500032001) ; 4钢筋混凝土连续梁和框架考虑内力重分布设计规程(CECS 51:93) ; 5 人民防空工程战术技术要求 ; 6 人民防空地下室规范 (GB 5003894) ; 7 地下工程防水技术规范 (GB 501082001) ; 8 地下防水工程实用技术沈春林编写,机械工业出版社 ; 9钢筋混凝土结构构造手册; 10教材: 混凝土结构设计原理 ; 混凝土结构设计 ; 钢混凝土组合结构 。 PDF created with pdfFactory Pro trial version
展开阅读全文

开通  VIP会员、SVIP会员  优惠大
下载10份以上建议开通VIP会员
下载20份以上建议开通SVIP会员


开通VIP      成为共赢上传

当前位置:首页 > 环境建筑 > 铁路地铁

移动网页_全站_页脚广告1

关于我们      便捷服务       自信AI       AI导航        抽奖活动

©2010-2026 宁波自信网络信息技术有限公司  版权所有

客服电话:0574-28810668  投诉电话:18658249818

gongan.png浙公网安备33021202000488号   

icp.png浙ICP备2021020529号-1  |  浙B2-20240490  

关注我们 :微信公众号    抖音    微博    LOFTER 

客服