收藏 分销(赏)

既有预应力混凝土连续梁桥逆序切割拆除的监控分析.pdf

上传人:c****e 文档编号:53106 上传时间:2021-06-15 格式:PDF 页数:2 大小:160.95KB 下载积分:0.5 金币
下载 相关 举报
既有预应力混凝土连续梁桥逆序切割拆除的监控分析.pdf_第1页
第1页 / 共2页
既有预应力混凝土连续梁桥逆序切割拆除的监控分析.pdf_第2页
第2页 / 共2页
本文档共2页,全文阅读请下载到手机保存,查看更方便
资源描述
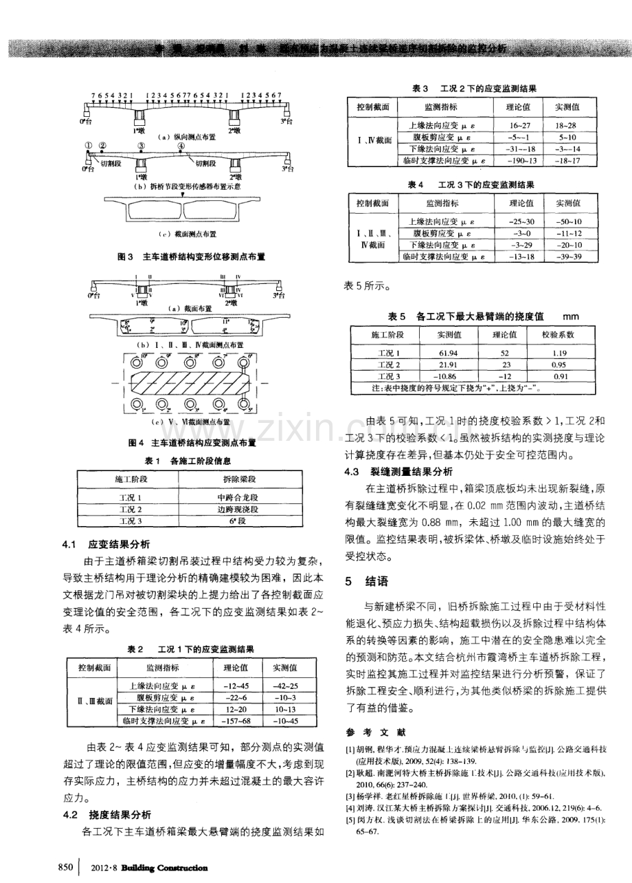
既有预应力混凝土连续梁桥逆序 切割拆除的监控分析 M o n i t o r i n g An a l y s i s o f Re v e r s e d Cu t t i n g o f f Ex i s t i n g P r e s t r e s s e d Co n c r e t e Co n t i n u o u s Gi r d e r Br i d g e 李 强祝哨晨刘 琳 杭州市城市基础设施建设发展中心 杭州 3 1 0 0 0 3 摘 要: 以杭州市一座预应力混凝土连续梁桥为例 ,介绍 了该桥主车道桥拆桥施工的方案 ,并对拆除过程中的施工监控 结果进行了分析 ,可为同类桥梁的拆除施工及监控提供参考。 关键词: 连续梁桥 逆序切割 拆桥 施工监控 中图分类号: U 4 4 5 6 文献标识码 B 【 文章编号】1 0 0 4 1 0 0 1 ( 2 0 1 2 ) 0 8 0 8 4 9 0 2 1 工程概 况 杭州霞湾桥建成于 1 9 9 6年 , 主桥的上部结构采 用预应 力混凝土三跨连续箱型梁, 跨径布置为 3 2 m +5 8 m + 3 2 m , 全桥宽 4 0 6 m 。主车道箱梁为双室箱梁, 梁宽 1 7 1 m , 翼板 宽 2 3 5 m , 根部梁高 3 0 m , 跨中梁高 1 5 m 辅车道桥 为单 箱单室结构 , 梁宽 l 1 m , 翼板宽 2 5 0 m , 梁高设置与主车道 桥相同。桥梁设计荷载为机动车道汽 一 2 O 、 挂 -1 0 0 , 非机动 车道汽 - 1 0 、 人群荷载 4 k P a 。霞湾桥原桥主桥箱梁采用挂 篮悬臂浇筑施工, 梁体悬臂施工时支撑在墩旁托架上 , 全桥 分为 7段挂篮施工。 2 0 1 0年 8月浙江华东工程安全技术有限公司对该桥 进行了检测及静荷载试验 ,检测结果显示该桥箱梁裂缝非 常严重 , 裂缝宽度远超过规范限值 , 静载试验结果表 明, 该 桥的承载力不能满足汽 - 2 0级荷载要求。因此需对该桥主 车道桥进行拆除重建。 2拆桥施工方 案 在综合比对后,本工程决定采用逆 向工序法逐段切割 拆除的施工方案 ,即利用两侧辅车道桥搭设龙门吊对拆除 物进行吊装 , 采用混凝土切割机 , 按原施工顺序逆向对称拆 除,切割完后的混凝土块再利用龙 门吊配合驳船运送到场 外进行破除。 具体拆除方案如图 1 所示。 龙门吊轨道梁布置 在辅车道桥腹板上方 ,剩余辅车道桥 断面可以提供一个机 动车道通车和人非混行道通行。为防止主车道桥在结构体 作者简 介:李强( 1 9 7 3 一 ) , 男 , 研究生 , 高级 丁程师 ; 作者地址 :杭 州市 中河 中路 2 7 5号 ( 3 1 0 0 0 3) 收稿 日期 :2 0 1 2 - 0 7 0 2 系转换及各悬浇节段拆除过程 中发生失稳 ,在墩柱两侧各 设 5根 4 6 0 9 m m1 6 m m钢管立柱构成 临时支撑体系 , 同 时为使钢管立柱更好的受力 , 将其中的 3 根布置于腹部下。 图 1 主道 桥拆桥 施工方案 贝雷架 由于主桥单箱双室箱梁宽度较大, 因此切割混凝土箱 梁时 , 每段箱梁分 3 块进行切割, 尽 量降低龙门吊吊装重 量, 以保证辅车道桥安全 , 箱梁切割示意图如图 2 所示。 L 一 , 一 一 箱粱w 制线 l :; : 一 图 2 主道桥 箱梁切割示意 3拆桥 过程中的施工监控 通过对霞湾桥主车道桥拆桥过程中梁体、 桥墩及临时 设施各控 制截面的应力、 变形及裂缝等关键指标的监控 , 实 时了解结构的安全状况 , 确保被拆梁体、 桥墩及临时设施始 终处于受控状态。其中各关键指标 的测点布置图 3 、 图 4 。 4 施工监控的结果分析 本文以前三个施工阶段作为讨论对象 , 具体内容如表 1 所示 。 建 筑 施 工第3 4 卷第8 期 I 8 4 9 l 馓 ( )纵向溯点布霰2 懒 l - 墩 墩 ( b)拆桥节段变形传感器布赶示意 ( )截哺 i测点帮最 图 3 主车道桥结构变形位移测点布置 世 l 懒 )截踊布置驯救 ( b ) I、m 截呵测点布置 ( c )V、截两测点椎置 图 4 主车道桥结构 应变测 点布 置 表 1各施工阶段信息 施工 阶段 拆 除梁 段 工况 1 中跨合龙段 工况 2 边跨 现浇 段 工况 3 段 4 1 应变结果分析 由于主道桥 箱梁切割吊装过程 中结构 受力较为复杂 , 导致主桥结构用于理论分析的精确建模较为困难 ,因此本 文根据龙门吊对被切割梁块的上提力给出了各控 制截面应 变理论值的安全范围 ,各工况下的应变监测结果如表 2 表 4所示 。 表 2 工况 1下的应变监测结果 控制截面 监测指标 理论值 实测值 上缘法 向应变 “3 一 l 2 4 5 - 4 2 2 5 、 截面 腹板剪应变 “3 - 2 2 6 1 0 3 下缘法向应变 “ 3 l 2 2 0 1 0 1 3 临时支撵法向应变 8 - 1 5 7 - 6 8 - 1 0 - 4 5 由表 2 表 4应变监测结果可知 ,部分测点的实测值 超过 了理论的限值范围, 但应变的增量幅度不大 , 考虑到现 存实际应力,主桥结构的应力并未超过混凝土的最大容许 应力。 4 2 挠度结果分析 各工况下主车道桥箱梁最大悬臂端的挠度监测结果如 8 5 0 l 2 0 1 2 8 m 曲 | g 表 3 工况 2下的应变监 测结果 控制截面 监测指标 理论值 实测值 上缘法向应变 8 1 6 N 2 7 1 8 2 8 I、 截面 腹板剪应变 3 - 5 - 1 5 - 1 0 下缘法向应变 3 3 1 一 l 8 - 3 - - 1 4 临时支撑法向应变 “s 一 1 9 0 l 3 1 8 1 7 表 4 工况 3下的应变 监测 结果 控制截面 监测指标 理论值 实测值 上缘法向应变 L L s - 2 5 3 O 一 5 O l 0 I、 、 、 腹板剪应变 一 3 0 1 1 1 2 截面 下缘法向应变 8 3 2 9 - 2 0 - l 0 临时支撑法向应变 8 一 l 3 1 8 - 3 9 - 3 9 表 5 所示。 表 5 各工况下最大悬臂端的挠度值 mm 施工阶段 实测值 理论值 校验系数 工况 l 6 1 9 4 5 2 1 1 9 工 况 2 2 1 9 l 2 3 0 9 5 工况 3 1 0 8 6 一 l 2 0 91 注 : 表中挠度的符号规定下挠为“ + ” , 上挠为“ 一 ” 。 由表 5可知 , 工况 1时的挠度校验系数 1 , 工况 2 和 工况 3下的校验系数 1 。 虽然被拆结构的实测挠度与理论 计算挠度存在差异, 但基本仍处于安全可控范围内。 4 3裂缝测量结果分析 在主道桥拆除过程中, 箱梁顶底板均未出现新裂缝 , 原 有裂缝缝宽变化不明显 , 在 0 0 2 m m范围内波动 , 主道桥结 构最大裂缝宽为 0 8 8 m m,未超过 1 D 0 m m的最大缝宽的 限值。监控结果表明, 被拆梁体、 桥墩及临时设施始终处于 受控状态。 5 结语 与新建桥梁不同,旧桥拆除施工过程 中由于受材料性 能退化、 预应力损失、 结构超载损伤以及拆除过程中结构体 系的转换等因素的影响,施工中潜在的安全隐患难 以完全 的预测和防范。 本文结合杭州市霞湾桥主车道桥拆除工程, 实时监控其施工过程并对监控结果进行分析预警 ,保证了 拆除工程安全、 顺利进行, 为其他类似桥梁的拆除施工提供 了有益的借鉴。 参考文献 1 胡钢, 程华才 预应力混凝上连续梁桥悬臂拆除 J 监控【J l l 公路交通科技 位 用技术版) , 2 0 0 9 , 5 2 (4 ) : 1 3 8 1 3 9 2 】 耿超 南淝河特大桥主桥拆 除施 l 技术U j _ 公路交通科技( 应 技术版) , 2 0 1 0 , 6 6 ( 6 ) : 2 3 7 - 2 4 0 3 】 杨学祥 老红星桥拆除施 j 世界桥梁, 2 0 1 0 , ( I ) : 5 9 6 1 【 4 刘涛 汉江某大桥主桥拆除力 案探A I J I 交通科技, 2 0 1 ) 6 1 2 , 2 1 9 ( 6 ) : 4 - 6 5 】 闵方权 浅 谈切 割法在桥梁拆除 E的应用I J J _ 华东公路, 2 0 0 9 , 1 7 5 ( 1 ) : 65 -6 7
展开阅读全文

开通  VIP会员、SVIP会员  优惠大
下载10份以上建议开通VIP会员
下载20份以上建议开通SVIP会员


开通VIP      成为共赢上传

当前位置:首页 > 通信科技 > 监控/监视

移动网页_全站_页脚广告1

关于我们      便捷服务       自信AI       AI导航        抽奖活动

©2010-2026 宁波自信网络信息技术有限公司  版权所有

客服电话:0574-28810668  投诉电话:18658249818

gongan.png浙公网安备33021202000488号   

icp.png浙ICP备2021020529号-1  |  浙B2-20240490  

关注我们 :微信公众号    抖音    微博    LOFTER 

客服