收藏 分销(赏)

高含沙高速过流堰面抗冲磨混凝土裂缝处理实践.pdf

上传人:yi****ou 文档编号:52176 上传时间:2021-06-11 格式:PDF 页数:3 大小:263.60KB 下载积分:0.5 金币
下载 相关 举报
高含沙高速过流堰面抗冲磨混凝土裂缝处理实践.pdf_第1页
第1页 / 共3页
高含沙高速过流堰面抗冲磨混凝土裂缝处理实践.pdf_第2页
第2页 / 共3页


点击查看更多>>
资源描述
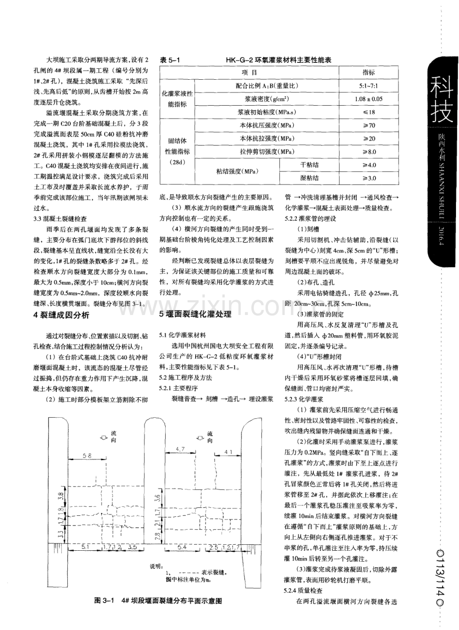
高含沙高速过流堰面抗冲磨混凝土裂缝处理实践 1前言 摘要 关键词 王嵩松黄烨 ( 中国水利水电建设工程咨询西北公司 陕西 西安7 1 0 0 7 5 ) 本文从现场施工条件、 过程控制等方面做了介绍, 重点对裂缝成因、 裂缝化学灌浆的程序及工艺 进行了阐述。通过闸坝度汛泄洪后检查 , 对处理效果进行实例验证, 结果满足设计要求; 对类似 工程的抗冲磨混凝土裂缝处理, 具有 良好的借鉴和指导作用。 抗冲磨混凝土; 高速过流面; 裂缝化灌 中图分类号: T V 6 5 1 1 文献标识码 : B 尼 泊尔 上崔树 里 3 A水 电站为径 流 引水 式电站, 是崔树里河四个梯级电站之一, 工程 区距离尼泊尔首都加德满都北部约 1 0 0 k m, 电 站坝址处多年平均流量为 1 9 2 6 7 m , 设计引 用发电流量 5 l m , 河道坡降大于 3 0 0 , 泄洪 建筑物年运用达 5 0 0 0 h以上 , 将会长时间受大 量推移 质泥沙的磨损 。 挡水闸坝一期工程在溢流堰抗冲磨混凝 土施工完成后 , 堰面出现了裂缝 。因溢流堰处 于高速过 流区 , 长期位 于水下 , 后期检查 和修 复 困难 。如处置不 当将在后 期对 电站正 常运 行造成影响,并将加大维护和修复成本 。因 此 ,针对 工程 特点和运行 条件 ,检查分 析成 因 , 尤 其是要选用合适 的工艺和材料 , 一次性 解决高速过流区混凝土裂缝处理,并保证经 济 、 可靠的效果是解决问题的关键 。 2基本资料 2 1 T程概况 该电站工程装机容量 6 0 M W, 为三等中型 工程 , 主要任务是发电, 年发电运行时间超过 8 0 0 0 h 。主要建筑物为 3 级 , 包括 壅水建筑物 、 泄洪建筑 物 、 引水 系统 建筑物 、 发 电厂房及开 关站等。其拦河闸坝的主要作用是壅高进水 口水位 , 从而保证进水 口的设计引用流量, 并 在洪水期 能够正常宣 泄河道洪水 。主体结构 包括 4孔开敞式有闸溢流堰 、 自由溢流堰 以及 鱼道。 有闸溢流堰体采用 W E S 标准实用堰型, 控制段长 3 2 5 m, 堰顶高程 E L 8 6 1 5 m, 单孔净 宽 l 1 6 m。堰体表层 以及 闸墩下 部 2 m高范 围 均设有 5 0 c m厚的 C 4 0硅 粉抗 冲耐磨混凝土 。 2 _2 水文、 气象及地质情况 崔树里河发源于中国西藏,电站以上流 域位于喜马拉雅山脉的高山区域 , 河谷狭窄, 主要水 源 是 喜马 拉雅 山脉 的雪 山 和冰 川融 水 。工 程 区在 炎热 的夏 季最 高 温度 为 3 6 4 l , 在冬季最低气温可达 1 5 一 7 。 工程 百年一遇和 千年一遇重 现期 的洪 峰 流量分别是 1 6 0 6 m3 s 和 2 4 2 4 m 3 s 。 每年 6月 9月为雨季 , 月径 流 占年径流 的 7 5 。 8 。河 流 泥沙 由洪水带来 ,河床质主要 由砂砾卵石 夹 漂石组成 ,近年检测资料表明最大含沙量 6 8 3 5 g , 且含有大量的推移质 。 拦河闸坝除左侧坝肩位于基 岩外 , 整个 坝 基 和右岸取水结构 均位 于河流 的深厚覆盖层 上 , 原岩岩性为 片麻 岩 、 石英岩 和片岩 。地基 承载力标准值大于 4 0 0 k P a ,能满足枢纽建筑 物 的建基面要求 。 3施工过程控制及裂缝检查情况 3 1 C 4 0 抗冲磨混凝土配制 砂石 骨料料源为工程 区域河 滩料场砂 卵 石, 在筛分厂加工后直接用于拌制混凝土。骨 料无潜在碱 一硅酸盐反应危害物质,氯化物 含量 、 压碎指标 、 云母和针片状含量等各项检 测指标结果符合规范要求, 级配良好。胶凝材 料采用印度生产 的 4 3级水泥 和适 量硅粉 , 为 降低水化热并保证 昆 凝土施工质量, 配合比中 还掺用了 1 0 粉煤灰及 0 6 的高效缓 凝减水 剂。混凝土设计龄期为 2 8 d , 抗压强度保证率 P = 9 5 , 和易性良好, 拌和生产质量控制 良好。 3 2浇筑施 工控制 坏区,因此不会发生倾倒破坏, 3 组裂隙的极 点 不在滑动破坏 区 ,滑动破坏发 生的可能性 较 小 , 组合裂 隙的极点分布在 滑动破坏 区, 第 二组 和第三组裂 隙有楔体破坏 的危险 ,第一 组和第二组组合裂隙的极点在滑动破坏区的 边缘 , 有楔体 破坏 的可能 , 应进 行稳定 验算 。 N 图 3 赤平投影极点分析图 以组合裂隙为后缘拉裂面,以边坡岩层为底 滑面产生的滑动破坏也是存在的,对单滑面 型和双滑面型均应进行分析计算。 从 分析 图形和判 断结果可 以看 出 ,两种 方法判断结果一致。极点分析法与赤平投影 大圆分析法 相 比有一定 的优势 ,大 圆分析法 不能判断倾倒破坏范围,失稳模式判断不如 极点分析法精准,尤其是在节理面较多的情 况下,采用极点分析法分析失稳模式和范围 则更加清晰。 4结语 在进行岩 质边 坡稳 定性 初 步判 别时 , 在 节 理 面 较 少 的情 况 下 可 采 用 大 圆 分析 法 , 在节理裂隙面较多的情况下采用极点分析 法较 为 方便 。 但是 此 方法 只 可用 于初 步 稳 定分析判断 , 需要针对滑动 、 楔体 、 倾倒等 破 坏模 式 做进 一 步 的分析 ,计 算 安 全 系数 和采 取 支 护措 施后 的效果 ,才 能 最 终确 定 边坡 稳定 状态 。陕西水 利 参考文献 1 1 陈祖煜 , 汪小刚 , 杨健等 岩质边坡稳 定性 分 析 一原理 方法 程序 MI 北京 : 中国水利水 电 出版 社 2 0 0 5 2 1 昊绍强 极射赤平投影 法在岩质 边坡 稳定性 分析 中的应用U J 西部探矿工程 2 0 0 9 , 2 1 ( 1 0 ) 3 杨 洪, 巫德斌 赤平投 影法极 点分析 法在 岩 质 开挖边坡破坏模 式分析 中的运 用 J 1 低碳 世 界 2 0 1 3 , (2 4 ) ( 责任 编 辑 : 畅妮 ) 大坝施工采取分两期导流方案, 设有 2 孔 闸的 4 #坝段属 一期工 程 ( 编号分 别为 1 # 、 2 #孑 L ) ,混凝土浇筑施工采取 “ 先深后 浅、 先高后低” 的原则, 从齿槽开始按 2 m高 度逐层升仓浇筑。 溢流堰混凝土采取分期浇筑方案 , 在 完成 一期 C 2 0台阶基 础混凝土后 ,分 3段 完成溢流面表层 5 0 e ra厚 C 4 0 硅粉抗冲磨 混凝土浇筑,其中 1 # 孔采用拉模法浇筑 , 孔采用拼装小钢模逐层翻模的方法施 工 。C 4 0混凝土浇筑均安排在夜间进行 , 施 工期温控满足设计要求 , 浇筑完成后采用 土工布及时覆盖并采取长流水养护,于雨 季前完成 该部位施工 ,当年汛 期该 闸坝未 过水 。 3 3混凝土裂缝检查 雨 季 后在 两孔 堰 面 均 发现 了多 条裂 缝,主要分布在弧门底坎下游部位的斜线 段 , 裂缝 基本 呈直线状 , 缝宽沿 全长没有大 的变化 , l 孔 的裂缝条数略多于 2 #孔 。经 检查顺水方向裂缝宽度大部分为 0 1 m m , 最大为 0 5 ra m , 深度小于 l O c m ; 河方向裂 缝宽度为0 5 m m 2 O m m, 深度较顺水向裂 缝深 、 长度横贯堰面 。裂缝分布见 图 3 - 1 。 4裂缝成 因分析 通过对裂缝分布、 位置素描以及切割、 钻 孔检查, 结合施工过程控制情况分析认为: ( 1 )在台阶式基础上 浇筑 C 4 0抗 冲耐 磨堰面混凝土时,该流态的混凝土尽管经 过振捣, 但仍存在重力作用下产生沉降, 混 凝土本身收缩等因素。 ( 2 )施 工时部分模 板架立: 割 除不彻 表 5 1 H K G一 2环 氧灌 浆材料主要性能表 项 目 指标 配合 比例 A: B ( 重量 比) 5 : 1 7 : 1 化灌浆液性 能指标 浆液密度( g , c I n 2 ) 1 0 8 O 0 5 浆液初 始粘度 ( MP a s ) 1 8 本体抗压强度( MP a ) 7 0 固结体 本体抗拉强度( M P a ) 2 0 性能指标 拉伸剪切强度( M P a ) 8 0 ( 2 8 d) 干粘结 4 0 粘结强度( MP a ) 湿粘结 3 O 底, 是导致顺水方向裂缝产生的主要原因。 ( 3 )顺 水流方 向的裂缝 产生跟施 浇筑 方向控制也有一定的关系。 ( 4 )横河方向裂缝的产生同时受到一 期基础台阶棱角钝化处理及工艺控制因素 的影 响。 经判断已发现裂缝总体以表层裂缝为 主,为保证该关键部位的施工质量和可靠 性 , 对所有裂缝均采用化学灌浆的方式进 行处理 。 5堰面裂缝化灌处理 5 1 化学灌浆材料 选用中国杭州国电大坝安全工程有限 公司生产的 H K G 一 2低粘度环氧灌浆材 料 , 主要性能指标见下表 5 1 。 5 2 施工程序及方法 5 2 1 主要程序 裂缝普查一 刻槽 一造孔一 埋设灌浆 一 、 -( 3 -向 流 4 7 n : : : 二 : 一 二: : 二 霉支 二 : 广 _一 : j l 一一 = = 、I 一一 j : l N 1 5 l 1 7l _ 2 I 3 5 l I 5 4 - i 说 明: l 一一 髑中标洼单位: 图3 1 4 #坝段堰面裂缝分布平面示意图 管 一冲洗清理基槽并封闭 一通风检查一 化学灌浆一混凝土表 面处理一质量检查 。 5 2 2 灌浆管的埋设 ( 1 ) 刻槽 采用切 割机 、 冲击钻 辅助 , 沿裂缝 ( 以 裂缝为中心 ) 刻宽 4 c m、 深 5 c m的 U 形槽 ; 刻槽要平顺不应出现锐角,并尽量避免对 周边混凝土面的破坏 。 ( 2 ) 布孔 、 造孔 采用电钻骑缝造孔, L 径 q b 2 5 ra m, 孔 距 2 0 c m 3 0 e m, 孑 L 深 5 c m l O c m。 ( 3 ) 灌浆管的固定 用高压风、 水反复清理“ U ” 形槽及孔 道 , 然后插入 d ) 2 0 m m塑料管, 用环氧胶泥 固定 , 并逐条编号记录。 ( 4 ) “ U ” 形槽封闭 用 高压风 、 水再次清 理“ U ” 形 槽 , 待槽 内干燥后采用环氧砂浆将槽逐层回填, 确 保缝面、 管口均密封严实。 5 2 3 化学灌浆 ( 1 )灌浆前先采用压缩空气进行畅通 性 、 密封性以及管路牢固性 、 可靠性的检查 , 吹出缝内残留物并确保缝面连通和干燥。 ( 2 ) 化灌时采用手动灌浆泵进行, 灌浆 压力为 0 2 M P a 。竖向缝采取“ 自 下而上、 逐 孔灌浆” 的方式, 灌浆时由下至上逐点进行 灌注 ,先从最低处 1 #灌 浆孔 进浆 ,待 2 # 孔冒浆颜色正常后将 1 择 孔关闭, 然后将进 浆管移至 孔,并据此依次上移灌注; 在 最后一个灌浆孔稳压灌注至吸浆率为零 , 续灌 l O m i n 后结束灌浆。对横河方向裂缝 在遵循 “ 自下而上 ” 灌浆原 则的基 础上 , 方 向上从左侧向右侧逐孔推进灌浆。对于不 串浆的孔 , 单孔灌注至注入率为零 , 持 压续 灌 l O m i n 后转至另一个孔灌注。 ( 3 ) 灌浆完成待浆液凝固后 , 切除外露 灌浆管, 表面用砂轮机打磨平顺。 5 2 4质量检查 在两孔溢流堰面横河方向裂缝各选 01 1 1 1 0 华阴市长涧河右堤退建段堤基防渗措施 摘要 关键词 1工程概况 王 运 峰 ( 华 阴市防汛抗旱指挥部 办公 室 陕西 华 阴 7 1 4 2 0 0 ) 堤防渗漏问题直接威胁堤防工程的安全, 因此在河道治理中对堤防防渗处理是很有必要的。本 文主要分析了华阴市长涧河右岸退建新堤防堤基渗漏问题及其渗漏愿因, 通过防渗方案比较合 理选用防渗处理措施, 以彻底解决堤防渗漏问题, 确保长涧河行洪安全。 堤防; 渗透破坏; 防渗措施 中图分类号 : 丁 V 2 2 3 4 文献标识码 : B 华 阴市地处黄河 流域渭河下 游 。境 内南 山支流众多 , 皆发源于秦岭北麓, 由南向北注 入渭河。长涧河属渭河南 山支流之一 , 上游由 华山峪 、 黄甫峪、 杜峪三条支流汇流而成, 主 流黄甫峪发 源于华 山之东 ,出峪后流经华 山 镇、 华阴市区西部 、 岳庙 、 五合 、 北社等乡镇 , 在五合村东北汇人渭河 , 全长 2 9 4 k m, 入 渭 口 断面以上流域面积 7 6 8 k in 。长涧河源头高程 2 0 0 0 m 2 6 4 0 m左右 ,出峪后降至 5 0 0 m 6 0 0 m,穿越山前洪积扇群后 ,高程降低到 3 4 0 m3 5 0 m, 此后以平缓比降汇入 胃 河。 上游 河段 比降较大, 发生洪水时, 常挟带大量砾、 卵石 推移质 , 多堆积 于峪 口; 下游 河段受渭河 倒灌 淤塞 , 尾 闽河段 形成地上 “ 悬 河” , 堤防临 背差 2 m一 4 m 。枯水季节流量小 , 汛期多集中 于 6月 l 0月。 长涧河堤防堤基多为砂层 、壤土、砂壤 土 、 中砂 现 状堤身存 在大量 洞穴 , 尾 阊河段 河床较窄, 河床被淤塞抬高, 堤防达不到十年 一 遇防洪标 准。在 渭河 “ 2 0 0 3 8 ” 和“ 2 0 0 5 1 0 ” 洪水 中险情频 发 , 给华阴北 社乡 、 太华 办 、 华 西镇 1 0万群众的生命财产安全造成极大威 胁。长涧河作 为华 阴市 的东大 门, 是华 阴防汛 工作 的重 中之重 , 对长 涧河的彻底治理 , 为华 阴市乃至渭南市的整个防汛起到至关重要的 作用。 按照省 市水 利部 门有关 文件 安排 , 对 长 涧 河 老西 潼 公 路 以北 1 + 5 0 0至河 口段 进 行 河床拓宽 ,退建右岸堤防范围为 1 + 5 0 0 7 + 4 6 3 , 长度 5 9 6 3 m , 拓宽退建后设计河底宽 度 5 5 m。 由于长涧河拓宽退建段位于渭河洪水倒 灌河段 , 考虑 渭河洪水倒灌 时洪水下泄不 畅 , 滞 留时间较 长 , 易形成稳定 渗流 , 因而对 该段 堤防堤基应 进行渗透稳定 分析 ,并实施 必要 的防渗措施 。本文主要以 2 + 0 0 03 + 8 0 0段堤 基为代表段进行防渗设计。 2退建右堤堤基地质条件 长涧河拓宽退建段堤防设计高度为 3 m 7 m, 堤 基位于渭河 一 、 二 级阶地 上 , 堤 基岩性 以砂壤土 、 粗 中砂 、 中细砂 、 壤 土为主 , 属弱 强透 水地基 。其 中右堤 2 + 0 0 03 + 8 0 0段堤基 为厚度大 于 3 0 m的细砂层 , 其下 为壤土 。 上层 细砂层渗透系数 K - 4 6 1 0 c n Y s , 允许水力比 降J = 0 2 , 内摩擦角 = 2 9 。, 承载力特征值 L k = 1 6 0 k P a ; 壤土层渗透系数 K = I 3 2 1 0 m s , 允许水力比降J : 0 5 6 ,内摩擦角 = 1 1 。, 承载力特征值 = 1 2 0 k P a 。堤身填筑土料采用 的 渭 河 滩 土 料 击 实 试 验 后 渗 透 系 数 在 1 0 m s 量级, 为相对不透水层。 3退建右堤基防渗方案 3 1 右堤 2 + 0 0 03 + 8 0 0段堤基渗透稳定分析 该段堤防级别为 4 级 。堤身高度 7 m一 1 0 m, 堤顶宽度 8 m, I临水侧边坡 1 : 2 5 , 背水 侧边坡 l: 2 0 。堤 身为均质土堤 , 堤基为相对 强透水堤基。选取 3 + 5 0 0断面作为计算代表 断面 , 进行渗流稳定分析。 依 据堤 防 工 程 设 计 规 范 ( GB 5 0 2 8 6 2 0 1 4) , 在临 水侧设 计洪 水位 +背 水侧无水工况时 , 分别计算沿背水坡渗出段 渗 透坡降 、 沿 堤基渗流出 口段渗透坡降 。经分 析 , 堤防背水侧出逸点高度为 1 7 9 m ; 沿背水 坡渗出段计算渗透坡降 J = 0 3 7 0 7 6 , 允许渗 透 比降 J = O 8 6 , J 【 J 1 。因此 , 堤身不会发生渗透破坏 , 但堤 基渗流出口 有可能产生渗透破坏, 应采取防渗 措施。 3 2右堤 2 + 0 0 03 + 8 0 0段堤基防渗设计 结合上述渗透稳定分 析 , 对该段 右堤退建 新堤堤基进行防渗处理。依据 土石( 堤) 坝的 设计 与计 算 及 堤 防工 程设计规范 取 3个点 ,对化灌 后情 况进行 了压 水检 查 , 压力 0 3 M P a , 合格率 1 0 0 。检查孔采用环 氧砂浆回填后, 对灌浆所有条带涂刷一层环 氧胶 泥。 6结语 ( 1 )通过本次溢流面裂缝化灌处理施工 表明, 化学灌浆的流动充填性较强, 对细微裂 缝采用“ 低压慢灌” 的效果好 , 操作方便 、 快 捷 、 可靠 。 ( 2 ) 在导 截流施工完成后 , 开始 二期基坑 施工。汛期仅集中采用一期4 # 坝段两孔闸过 流 , 最大泄洪量约 9 2 0 m 、 流速 约 2 0 r r d s , 基本 接 近设计洪水 的水力 学指标 。经汛 后旱地检 查表明, 泄洪后 1 # 孔溢流面整体完好 , 裂缝化 灌处理的条带完好, 未见脱落、 气蚀等破坏。 充分说明在高泥沙河流、 高速过流部位, 采用 该化学灌浆方案能满足对 C 4 0 抗冲磨混凝土 裂缝处理的要求。 ( 3 )靠 近河道中心及二期上游 围堰 的 2 # 闸孔, 因受坝前来水流态影响, 汛期洪水搬运 的绝大多数推移质( 汛后在下游消力池已发现 最 大粒 径达 8 0 c m一 1 0 0 c m)均经此孔 宣泄 , 使 该 溢流面抗冲磨混凝 土表层发生 了冲击和磨 蚀破坏, 而下部化灌过的裂缝仍胶结良好, 没 有发生片状剥离、 大面积掉块等破坏问题。 ( 4 ) 对位于河道坡降大、 推移质多的河流 闸坝,其高速过流面的混凝土结构抗冲磨设 计改进及维护问题 ,仍需做进一步的研究和 处理。陕西水利 ( 责 任 编 辑 : 畅妮 )
展开阅读全文

开通  VIP会员、SVIP会员  优惠大
下载10份以上建议开通VIP会员
下载20份以上建议开通SVIP会员


开通VIP      成为共赢上传

当前位置:首页 > 环境建筑 > 基础工程/设备基础

移动网页_全站_页脚广告1

关于我们      便捷服务       自信AI       AI导航        抽奖活动

©2010-2026 宁波自信网络信息技术有限公司  版权所有

客服电话:0574-28810668  投诉电话:18658249818

gongan.png浙公网安备33021202000488号   

icp.png浙ICP备2021020529号-1  |  浙B2-20240490  

关注我们 :微信公众号    抖音    微博    LOFTER 

客服