收藏 分销(赏)

输水倒虹吸混凝土结构伸缩缝渗漏处理施工技术.pdf

上传人:e****n 文档编号:51990 上传时间:2021-06-09 格式:PDF 页数:4 大小:541.62KB 下载积分:0.5 金币
下载 相关 举报
输水倒虹吸混凝土结构伸缩缝渗漏处理施工技术.pdf_第1页
第1页 / 共4页
输水倒虹吸混凝土结构伸缩缝渗漏处理施工技术.pdf_第2页
第2页 / 共4页


点击查看更多>>
资源描述
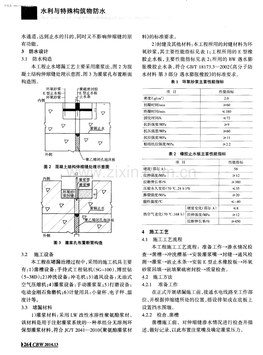
水利与特殊构筑物 防水 薯 戮 鲻瓣 懑 躲 强 薹 输水倒 虹吸 涅凝 土结构伸 缩 缝 渗漏 处 理 施 工技 术 刘红萍, 张 川, 霍斌伟 ( 葛洲坝集团基础工程有限公司, 湖北 宜昌4 4 3 0 0 2 ) 。 ” 。 摘要: 南水北调工程某输水倒虹吸混凝土结构伸缩缝在浇筑过程中, 因止水片位置偏移或止水片周边混凝土振捣不密 实而出现渗水现象。通过凿槽、 嵌缝、 化学灌浆和重做止水片处理, 封闭了渗水通道, 同时又保证了伸缩缝的原有功能。 关键词: 结构伸缩缝; 渗漏治理; 嵌缝; 化学灌浆; 水溶性聚氨酯; 环氧砂浆 文章编号: 1 0 0 7 4 9 7 X( 2 0 1 4 ) 一 1 3 0 0 2 5 0 4 中图分类号 T V 6 7 2 + 5 文献标识码: B Tr e a t me n t Te c h n o l o g y f o r Ex p a n s i o n J o i n t s S e e p a g e i n W a t e r De l i v e r i n g Co n c r e t e S t r u c t u r e wi t h I n v e r t e d S i p h o n s Li u Ho n g pi n g, Zh a ng Ch u a n, Hu o Bi n we i ( G e z h o u b a G r o u p F o u n d a t i o n E n g i n e e ri n g C o , L t d , Y i c h a n g , H u b e i 4 4 3 0 0 2 , C h i n a ) A b s t r a c t : I n t h e S o u t h t o n o r t h Wa t e r D i v e r s i o n P r o j e c t , w a t e r s e e p a g e h a p p e n e d w i t h t h e e x p a n s i o n j o i n t s o f o n e i n v e r t e d s i p h o n wa t e r d e l i v e ri n g c o n c r e t e s t r u c t u r e d u e t o t h e p o s i t i o n o f f s e t o f wa t e r s t o p s t ri p s o r u n c o mp a c t e d v i b r a t i o n o f t h e c o nc r e t e a r o u nd t h e s t rips du ring t he c a s t i ng Th e s e e p a g e pa t h wa s c l o s e d by g o u ge c a r v i n g ,c a ul ki n g,c h e mi c a l g r o u t i ng a n d w a t e r s t o p s t ri p s r e b u i l t ; m e a n w h i l e , b y d o i n g l i k e t h i s , t h e o ri g i n a l f u n c t i o n s o f t h e e x p a n s i o n j o i n t s w e r e e n s u r e d Ke y w o r d s : s t ruc t u r e e x p a n s i o n j o i n t ;s e e p a g e t r e a t me n t ; c a u l k i n g ; c h e mi c a l g r o u t i n g ; w a t e r s o l u b l e p o l y u r e t h a n e ;e p o x y m ortar 1 工程概况 渠道与道路或河沟高程接近 、处于平面交叉时, 通常需要修建倒虹吸 , 使水从路面或河沟下穿过 。 某输水倒虹吸为河渠交叉建筑物, 承担着南水北 调工程总干渠渠道的输水任务。该输水倒虹吸为钢 筋 昆凝土箱涵结构 ,管身段总长 2 0 4 m,共 1 3个管 节 , 管节与管节之间设置伸缩 缝 , 缝宽 2 c m, 采用紫 铜止水带和橡胶止水带双层止水装置 , 同时选用聚乙 烯闭孔泡沫板填缝, 并填充双组分聚硫密封胶联合止 水 。 收稿 日期 : 2 0 1 4 0 3 1 2 作者简介: 刘红萍, 女, 1 9 6 4 年生, 高级工程师, 主要从事水利 水电工程施 工技 术方面工作 。 联 系地址 : 4 4 3 0 0 2湖北省 宜昌市 西坝桥头路 1 0号葛洲坝集团基础工程有限公司。 2 渗漏原因分析 在混凝土浇筑过程中, 输水倒虹吸的部分 昆 凝土 结构伸缩缝止水失效 , 出现渗水现象( 图 1 o经实地 勘查与讨论研究,分析该工程混凝土结构伸缩缝止 水装置失效 的原因主要 有 : 1 ) 在混凝 土模板安装 和浇筑过程中, 结构伸缩 缝定位止水装置 的托架 、 卡具 出现变形或位 移 ; 2 ) 混凝土浇筑时, 结构伸缩 缝止水片周边混凝土振 捣不密实。 图1 施工缝渗水情况 为保证输水倒虹吸 安全运行, 研究决定采用凿槽、 嵌缝、 灌注 L W水溶性 改性聚氨酯浆材、 重做止水片等处理措施, 来封闭渗 学兔兔 w w w .x u e t u t u .c o m 一 水通道 , 达到止水的 目的, 同时又不影响伸缩缝的原 有功能 。 3 防水设 计 3 1 防水构造 本工程止水堵漏工艺主要采用灌浆法 , 图 2为混 凝土结构伸缩缝处理示意图, 图 3 为灌浆孔布置断面 构造图。 内 蚧 氧 泵 一 一 聚 硫 封 版 : 型止水板一 一 E型止水板 环氧砂浆一 2 一 止水条 广 J _ l f l j 铜止水 J_ -_ -_H 图2 混凝土结构伸缩缝处理示意图 板 图 3 灌 浆孔布置断面构造 3 2 施工设备 本工程在堵漏治理过程中, 采用 的施工机具主要 有 : 1 ) 凿槽设备 : 手持式工程钻机( S G 一 1 0 0 ) 、 博世钻 ( 5 - 3 8 D ) ; 2 ) 冲洗设备 : 冲毛机 ; 3 ) 通风设备 : 无油式 空气压缩机; 4 ) 灌浆设备: 手动灌浆泵; 5 ) 打磨设备: 电动金刚石角磨机; 6 ) 计量用具: 小量杯、 电子秤 、 温 度计等。 3 3 堵漏材料 1 ) 灌浆材料 : 采用 L W 改性水溶性聚氨酯浆材 。 该材料是用于注射灌浆系统的一种单组分无溶剂环 保型灌浆材料, 符合 J C T 2 0 4 1 -2 0 1 0 ( 聚氨酯灌浆材 料 的标准要求。 2 ) 封缝及其他材料 : 本工程所用的封缝材料为环 氧砂浆, 其主要性能指标见表 1 ; 工程所用的 E型橡 胶止水板 , 主要性能指标 见表 2 ; 所用 的 B W 遇水膨 胀橡胶止水条 , 符合 G B T 1 8 1 7 3 3 2 0 0 2 高分子防 水材料 第 3 部分 遇水膨胀橡胶 的标准要求。 表 1 环氧砂浆主要性能指标 项目 性能指标 密度 ( g c m ) 2 O 初凝时间 m i n 6 0 终凝 时间 m i n 1 8 0 固化时间 h 7 2 抗折强度 MP a 9 抗压强度 MP a 6 0 抗拉强度 MP a l l 粘结抗 拉强 度 MP a 2 2 表 2 橡胶止水板主要性能指标 项目 性能指标 硬度( 邵尔 A) 5 8 拉伸强度 MP a 1 2 拉断伸长率 3 8 O 压缩永久变形 ( 7 O、 2 4 h ) 3 5 撕裂强度 MP a 2 0 脆性 温度 - 4 0 硬度变化( 邵尔 A) 8 热空气老化( 7 0 o C、 1 6 8 h ) 拉伸强度 MP a 1 2 拉断伸长率 4 5 0 4 施工工艺 4 1 施工工艺流程 本工程施工工艺流程 :准备工作一渗水情况检 查一凿槽一 冲洗槽基一安装灌浆嘴一封缝一通风检 测一灌浆一嵌止水条一安装 E型止水橡胶板_ 环氧 砂浆 回填 填聚硫密封胶一质量检查 。 4 2 施工方法 4 2 1 准备工作 在正式开展堵漏施工前, 接通水电线路至工作部 位, 并根据伸缩缝所处的位置, 搭设排架或在底板上 设置挡水围堰。 4 2 2 检查 、 凿槽 凿槽施工前 ,对伸缩缝渗水情况进行检查并描 述, 做好记录, 以此布置注浆嘴及确定灌浆压力。 学兔兔 w w w .x u e t u t u .c o m 学兔兔 w w w .x u e t u t u .c o m 7 ) 遇水膨胀止水条安装完毕后 , 即可在桩头顶面 及侧面抹压 1 0 1 5 m m厚聚合物水泥防水砂浆。 聚合 物水泥防水砂浆宜分两次进行抹压, 第 2 次铺抹结束 1 2 h后 , 方可进行 2 4 h的淋水养护。 3 1 - 3 铺贴 B A C防水卷材 1 ) 清理基层, 铲除异物 , 使基层表面干净、 平整 、 无锐物。 2 ) 在基层上弹出卷材铺贴控制线 , 然后对准基准 线揭下 B A C改性 沥青 防水卷材的隔离膜进行铺贴 , 边揭隔离膜边用胶辊滚压卷材表面 , 挤压出空气。相 邻卷材之间采用搭接方式 , 长短边搭接宽度均为 1 0 0 mm。搭接前 , 先揭除卷材搭接边 的隔离膜 , 随即用胶 辊用力滚压 , 排出空气 , 使卷材搭接边粘结严密。 3 ) 基础底板阴阳角部位铺贴防水卷材附加层, 附 加层 卷材总宽度 为 5 0 0 mm,水平 面和垂直 面各 占 25 0 mm 。 3 2 池壁防水施工工艺 池壁防水施工流程 : 池壁对拉螺栓洞处理一浇筑 2 0 mm厚 1 : 2 5水泥砂浆找平层一铺设 4 mm厚 B AC 改性沥青防水卷材一施工 4 0 m m厚 E P S 聚苯板保护 层一 回填土。 3 2 1 铺贴 4 m m厚 B A C防水卷材 1 )铺贴立面卷材时, 应先将接槎部位的卷材揭 开, 并将表面清理干净。 2 ) 卷材应竖向铺贴, 铺贴立面卷材时, 自上而下 J止 喜 止 业 上 - 水 利 与 特 殊 构 筑 物 防 水 一 进行 。施工时 , 由上往下边撕隔离膜 , 边慢慢往下滚 铺 。 3 ) 立面搭接应采取错茬搭接的方式 , 搭接长度不 小于 3 0 0 fi l m 。 相邻两幅卷材在立面搭接时, 接头不得 留在同一水平线上。 3 2 2 回填土 1 )填土前应将基底的积水、垃圾等杂物清理干 净 。 2 ) 回填时必须分层回填 , 防止出现因野蛮作业而 破坏 E P S聚苯板保护层等现象。 4 结语 在本工程地下消防废水池防水施工期 间, 对施工 过程中各工序进行了全方位旁站的施工监督, 对节点 部位、 漏水隐患部位进行了重点控制, 结合现场实际 情况, 制定了切实可行的施工工艺, 确保了防水工程 如期按质完成。 本防水工程验收合格, 受到建设单位、 监理单位的好评。 参考文献 : 【 1 】 中国建筑防水材料工业协会 建筑防水手册【 M 北京: 中国 建筑工业 出版社 , 2 0 0 1 2 】 沈春林 聚合物水泥防水涂料 M 北京: 化学工业出版社, 2 0 0 3 3 】 国家人 民防 空办公 室 G B 5 0 1 0 8 -2 0 0 8地下 工程 防水技 术规范【 s 】 北京: 中国计划出版社 , 2 0 0 8 ( 上接第 2 7页) 该输水倒虹吸为河渠交叉建筑物 , 承担着南水北 调总干渠渠道的输水任务。建筑物上部为天然河道, 结构伸缩缝 长期渗水 会 导致混凝土钙质析出 , 影 响混凝土 自身质量 , 同时 会导致建筑物周边回填 细料逐渐被掏空 , 影响整 体结构的安全运行, 因此 必须封闭渗水通道。 采用凿槽 、嵌缝 、 化 图9 处理后的伸缩缝 学灌浆、 重做止水片等施工技术处理混凝土结构伸缩 缝渗水, 施工工艺简单 , 止水效果见效快, 且不影响伸 缩缝 的原有功能 , 施工质量有所保证 , 值得类似工程 借鉴 。对于环形伸缩缝 , 建议整条缝一次性进行封闭 处理, 以保证渗漏封闭处理质量, 避免局部渗水封闭 后渗漏外延 , 引起重复处理工作。 参考文献 : 【 1 杨胜, 袁大伟 , 吕联亚, 等 建筑防水材料 M 北京: 中国建 筑 工业 出版 社 2 0 0 7 【 2 】 全国轻质与装饰装修建筑材料标准化技术委员会 J C T 2 0 4 1 -2 0 1 0聚氨酯灌浆材料 s 北京: 中国建材工业 出版 社 2 0 1 0 3 1 全国橡胶与橡胶制品标准化技术委员会 G B T 1 8 1 7 3 3 2 0 0 2高分子防水材料 第3部分 遇水膨胀橡胶 s 】 北京: 中国标准 出版社 。 2 0 0 2 学兔兔 w w w .x u e t u t u .c o m
展开阅读全文

开通  VIP会员、SVIP会员  优惠大
下载10份以上建议开通VIP会员
下载20份以上建议开通SVIP会员


开通VIP      成为共赢上传

当前位置:首页 > 环境建筑 > 基础工程/设备基础

移动网页_全站_页脚广告1

关于我们      便捷服务       自信AI       AI导航        抽奖活动

©2010-2026 宁波自信网络信息技术有限公司  版权所有

客服电话:0574-28810668  投诉电话:18658249818

gongan.png浙公网安备33021202000488号   

icp.png浙ICP备2021020529号-1  |  浙B2-20240490  

关注我们 :微信公众号    抖音    微博    LOFTER 

客服