收藏 分销(赏)

钢-混凝土混合连续刚构桥主跨钢混接头施工技术简介.pdf

上传人:ne****t 文档编号:51366 上传时间:2021-06-09 格式:PDF 页数:6 大小:446.77KB 下载积分:0.5 金币
下载 相关 举报
钢-混凝土混合连续刚构桥主跨钢混接头施工技术简介.pdf_第1页
第1页 / 共6页
钢-混凝土混合连续刚构桥主跨钢混接头施工技术简介.pdf_第2页
第2页 / 共6页


点击查看更多>>
资源描述
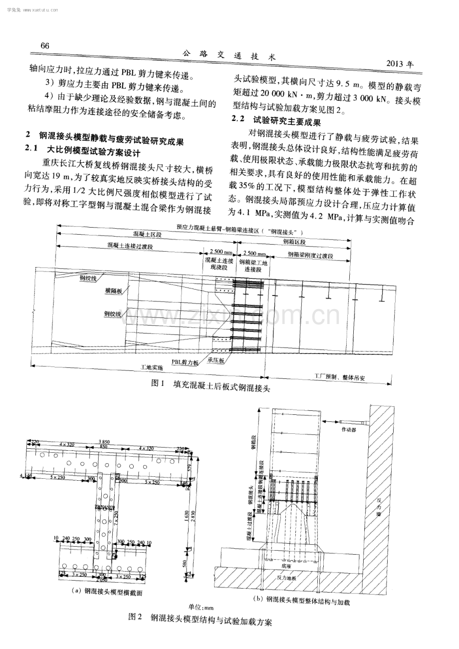
公路交通技术2 0 1 3年 4月 第 2期T e c h n o l o g y o f H i g h w a y a n d T r a n s p o r t A p r 2 0 1 3 N o 2 钢一 混凝土混合连续刚构桥主跨钢混接头施工技术简介 王俊如 , 秦晓锋 , 郑 罡 , 解天宝 ( 1 重庆城建控股( 集团) 有限责任公司, 重庆4 0 0 0 1 3 , 2 招商局重庆交通科研设计院有限公司, 重庆4 0 0 0 6 7 ) 摘要: 介绍连续刚构桥钢混接头的施工技术。通过在混凝土悬臂箱梁端头对钢混接头安装质量进行动态( 多自由 度 ) 精确控制来 满足主跨 3 3 0 n l 连 续刚构桥 结构的安全性、 耐 久性和抗 疲劳性 能等要求 , 为 以后 同类桥梁的设计 、 施 工规 范制定、 施 工技术和控制提供理论依 据与工程经验。 关键词: 钢混接头; 试验; 设计; 吊装; 控制; 精度 文章编 号 : 1 0 0 9 6 4 7 7 ( 2 0 1 3 ) 0 2 0 0 6 5 0 6 中图分类号 : U 4 4 8 2 1 文献标识码 : B l n t r o d u c t i o n t o Co n s t r u c t i o n T e c h n i q u e s f o r Re i n f o r c e d Co n c r e t e J o i n t s o f Ma i n Sp a n in S t e e 1 c o n c r e t e Co n t i n u o u s S t e e I S t r u c t u r e Br i d g e s WA N G J u n r u , Q I N X i a o f e n g ,Z HE N G G a n g , X I E T i a n b a o 近几十年来 , 随着世界大跨度桥梁的发展, 开发 了混凝土和钢箱组合 的桥梁结构形式 , 钢混接头 随 之大量应用于大跨径钢混组合的斜拉桥 、 拱桥 主拱 中。钢混组合桥梁的钢混接头主要以承受轴 向压力 为主。在梁式桥 、 拱桥 、 斜拉桥及悬索桥等 4大类桥 梁 中, 梁式桥仍然占 8 0 以上 , 其 中, 混凝土连续刚 构桥在性能 、 施工、 造价等方面具有明显优势和竞争 力, 已成为大跨径桥梁的主要桥型之一。然而, 大跨 径连续刚构梁桥普遍存在 自重效应 大、 后 期下挠等 难题 , 且其已成为影响该类桥梁跨度增 大的技术瓶 颈 。 重庆长江大桥复线桥与 1 9 8 0年建成 的既有桥 紧邻 。既有桥为 8 6 5 m+ 4 X 1 3 8 m+ 1 5 6 m+ 1 7 4 m+ 1 0 4 5 m混凝土 T型刚构桥 。为满足桥位资源与既 有桥共享 、 桥型与既有桥及环境相协调 、 通航净宽大 于 3 0 0 m的边界条件 , 复线桥需采用 8 6 5 m+ 4 x 1 3 8 m+ 3 3 0 m+ 1 0 4 5 1T I 连续刚构与连续梁组合结构 , 由 此引出建造主跨 3 3 0 m世界最大跨径刚构桥难题 。 1 9 9 6年 , 我国建成 国内最大跨连续刚构桥一虎 门大 桥 , 其主跨为 2 7 0 m; 1 9 9 8年 , 挪威建成世界最大跨 连续 刚构桥-S t o l ma s u n d e t 大桥 , 其 主跨 为 3 0 1 m。 若 3 3 0 m刚构桥采用普通混凝土 , 则其 自重效应大 的问题难以解决; 若采用轻质高强混凝土, 则其技术 性能尚难满足要求 ; 若采用钢结构 , 则存在超厚板工 艺技术等制造难题。 2 0 0 6年建成 的重庆长江大桥复线桥为钢一 混凝 收稿 日期 : 2 0 1 2 0 9 2 9 作者简介 : 王俊如( 1 9 6 2 一 ) , 男 , 重庆市人 , 本科 , 教授级高工 土混合连续刚构 + 连续 梁组合桥结构形式 , 其 主跨 为 3 3 0 m, 列 同类型桥梁世界第一。该桥 主跨充分 利用了材料 比强度 不同的特点 , 采用了钢 一 混凝 土 混合结构 , 用 1 0 8 m钢箱梁替代跨中部分混凝土梁 , 成功地解决了? 昆凝土桥梁恒载效应大的世界性建桥 难题 , 推动了刚构桥跨越能力的发展。该桥建成前 , 钢混结构在连续 刚构桥 中还没有应用先例 , 故如何 处理主要承受弯矩和剪力作用的钢混接头是该桥设 计的关键。 1 连续刚构桥钢混接头构造 1 1 构造 连续刚构桥钢混接头受力特点是以承受弯矩和 剪力作用为主。重庆长江大桥复线桥主跨跨 中钢箱 梁和混凝土箱梁的结合部采用了填充混凝土后板式 钢混接头, 见图 1 。方法是将接头处钢箱梁翼缘 、 顶 板 、 底板和腹板钢板形成双壁钢箱 , 将填充的混凝土 与紧邻的混凝土箱现浇梁段通过 P B L剪力键、 剪力 钉 、 预应力钢筋 、 普通钢筋等进行很好的连接。其中 预应力短束和长束钢筋分别锚固在混凝土箱梁的横 隔板 、 钢箱梁的横隔板 , 以及混凝土横隔板后梁段顶 板 、 底板 、 腹板 的齿块上 。 1 2内力传递机理 1 )钢混 接头之 间的轴 向压 应力通过 承压板 、 P B L 剪力键共同传递。 2 )当轴向拉应力大于钢混接头预应力产生 的 学兔兔 w w w .x u e t u t u .c o m 一 : 轴向 , 拉应力通过 P B L 剪力键来传递 。 ? 应 力 主 要 由 P B L 剪 力 键 来 传 递 。 一 钍 论及经验数据 ,钢与混凝土问的 粘结摩 阻 力 作 为 连 接 途 径 的 安 全 储 客 毒 邺 通技术 2 01 3血 耋 模 型 ,其 向 尺 寸 达 9 5 m 。 模 型 的 静 载 弯2 一 0 0 0 0 k , 剪力超过 3 0 0 0 k No 姜 型 结 构 与 试 验 加 载 方案见图 2 取 偎 2 2 试验研究主要成果 横 。 钢 工地实施 图 1 填充混凝土后板式钢混接头 ( a )钢混接头模型横截面 1 制、 整体吊安 l 出 螂 蜊 : 一 一 硼 邋 什 一 一c T 一 一一 1 上 r 由 dr 【 底 ( b ) 钢混接头模型整体结构与加载 单位 : mm 一 图2 钢混接头模型结构与试验加载方案 学兔兔 w w w .x u e t u t u .c o m 2 0 1 3年第 2期 王俊如, 等: 钢一 混凝土混合连续刚构桥主跨钢混接 头施 工技术简介 6 7 良好。试验还验证了钢混接头设计 的合理性及实施 可行性 。 通过试验研究 , 优化设计时采取 了增加过渡板 等有效措施以使钢混接头顶、 底板剪力键协调受力, 充分发挥 P B L剪力键的作用, 增强钢混接头的可靠 性 和安全性。此外 , 还采取了扩大腹板贯穿钢筋开 孔等措施来加强钢混接头混凝 土结构 的相互联接 , 采取了取消腹板最外 层 P B L剪力键钢板和 在 P B L 剪力键钢板上开设纵筋孔道等必要措施来保证腹板 纵向钢筋的连续性和钢混接头的整体性。 在具体施工过程 中, 采取有效措施控制钢混接 头的精确定位和钢混结合部混凝土的质量, 是保证钢 混接头施工质量、 钢与混凝土之间内力正常传递和桥 梁结构安fi t l、 耐久性、 抗疲劳I生 等性能的关键。 3 连续刚构桥钢混接头施工技术特点 3 1 钢混接头安装精度 在主跨两端钢混接头安装时 , 应充分考虑后续 钢箱梁整体吊装合龙时的精度需要。 1 )接头钢箱钢板的端 口边应与桥轴线垂直 ; 腹 板端 口边的仰角与钢箱梁起吊后的端口边仰角吻合。 2 )主跨两端钢混接头段端 口的距离相对准确; 桥面板在两腹板位置处的高差不大于 l m m; 焊接缝 宽 6 8 m m, 最大不超过 3 0 m m( 大间隙焊缝 ) 。 3 2 钢混接头施工要求 1 )钢混接头的钢箱部分按设计要求在工厂制 造 , 需特别注意保证厚板 的焊接质量。 2 )两端钢混接头 的钢箱需在工厂与钢箱梁进 行整体预拼装 , 以保证钢混接头与钢箱梁整体 吊装 合龙时各部位几何尺寸的精度和线形。 3 )吊装支架须既可满足钢混接头安装施工 , 又 能保证钢箱梁吊装合龙需要。 4 )采用计算机控制集群千斤顶提升系统 , 计算 机 自动对千斤顶的运行与受力进行调节 , 以实现 吊 装提升力和位移同步。定位精度控制在1 m m, 以 控制两端钢混接头空间几何相对状态 , 为钢箱梁整 体吊装合龙精度提供质量 、 技术保障。 4 重庆长江大桥复线桥钢混接头施工技术 4 1 吊装支架系统设计 4 1 1 设计原则 支架系统设 计应满 足 J T G T F 5 0 _2 0 1 1 公路 桥梁施工技术规范 、 G B 5 0 0 1 7 钢结构设计规程 等规范及施工设计图的相关要求 ; 须将主梁悬臂施 工挂篮的三角主桁改造成吊装支架 , 其相对较轻 、 刚 度大 、 变形小 、 稳定性好 、 便于安拆 , 可满足钢混接头 安装施工和保证钢箱梁整体吊装合龙需要; 起吊系 统便于操作 , 自动化程度高。 4 1 2 设计荷载 主要包括 : 吊装支架 、 起吊千斤顶系统 、 操作平 台等 自重 ; 人群 、 预应力张拉设 备、 焊接设备等施工 荷载 ; 水动力荷载 , 定位钢缆附加力 ; 钢箱梁整体运 输重量等。 综合分析 吊装支架 吊装钢混接头和钢箱梁受力 的工况, 按整体吊装中跨合龙段钢箱梁的最不利工 况进行设计 , 分别进行吊装支架的强度 、 刚度及稳定 性验算。 4 2 吊装支架系统安装 吊装系统分别设 于主跨两边 的混凝土悬臂端 , 两端 吊装系统各设 2个 吊点 , 每个 吊点布置 2台数 控钢绞线集群千斤顶系统。每个吊点由 4片挂篮三 角主桁经组合形成主承力支架 , 上下游通过横联联 结成一个整体 。后锚采用在箱梁底下方横向搁置扁 担梁 的方式 , 并用精轧螺纹钢筋进行锚 固。安装完 成后 的钢混接头吊装支架系统见图 3 。 正式组装吊装支架系统前, 对各组件分别进行 了荷载试验。三角主桁荷载试验采取平放背靠背对 顶方式 , 见图 4 。加载不小于 1 2 5倍设计荷载。对后 锚精轧螺纹钢筋进行了拉力试验 , 结果表明, 整体结 构抗倾安全系数大于 2 0 , 满足吊装支架系统要求。 为保证支架 吊装前支点定位准确 , 在悬臂梁端 预埋 了锚板和螺栓 。吊装支架系统安装完毕后 , 为 避免吊装时后锚伸长, 对后锚精轧螺纹钢筋施加了 预应力。 安装调试计算机控制集群千斤顶系统, 每端吊 装系统安装 4台数控千斤顶和 1 套液压泵站, 并用 数据电缆将其与计算机连接 , 以实时连续监测每个 千斤顶的行程和荷 载。实 际吊装施工中, 控制系统 将自动检测 、 显示各千斤顶的受力、 行程和调节信 息 , 同时集群千斤顶 系统行程和钢绞线提升力的同 步性也可 自动调节 。 重庆长江大桥复线桥钢混接头起吊系统按如下 方式布置: 两端吊装系统各设 2 个吊点, 每个吊点布 置 2台D L 一 $ 4 1 8 数控钢绞线千斤顶系统; 两端各设 学兔兔 w w w .x u e t u t u .c o m 公路交通技术 2 0 1 3丘 图 3 安装完成后 的钢混接头吊装支架系统 单 位 : l i ra 图4 吊装支架三角主桁平放对顶试验示意 置 1台 D L L 1 1 4 4 D型柴油驱动液压泵站。 4 3 钢混接头吊装定位控制技术 4 3 1 钢混接头钢箱制造与运输 两端钢混接头钢箱在工厂与钢箱梁进行整体预 拼装 , 以保证各部位几何尺寸精度和线形满足设计 要求。工厂验收合格后 , 由船运至桥位大悬臂下方 预定位置。 4 3 2 钢混接头安装预 留、 预埋措施 1 )在? 昆 凝土悬臂梁端节段 、 钢7 昆 接头钢箱的内 腹板和顶板外表面设置型钢劲性骨架预埋件。 2 )为了保证混凝土密实 , 工厂制造时在接头钢 箱顶板及底板顶面设置入料口、 排气孑 L ( q b 5 0 m m) 。 4 3 3 钢混接头钢箱安装就位测量 1 )吊装测量控制点建立。 局部控制方法: 在大桥主墩 T型刚构梁端建立 局部控制点。 轴线控制方法: 以大桥两岸导线控制网为基准 , 设置轴线测量加密点 , 确定两端钢混接头 的轴线控 制点, 见图 5 。 高程控制方法: 以大桥两岸水准控制网为基准 , 在两主墩 中心点设置高程测量加密点, 作为混凝土 悬臂箱梁端高程控制的基准点。 2 )钢混接头安装前连续观测 。 钢混接头钢箱吊装前 , 对主跨悬臂梁端进行 4 8 h ( 1次 3 h ) 连续观测 , 掌握因主跨悬臂端随温度升 降, 其空间状态的变化情况 , 以及两端混凝土箱梁悬 臂端的空间相对位置, 以确定钢混接头的精确安装 和就位后的初始空间状态参数 。 3 )钢混接头钢箱安装控制。 根据已加密的轴线控制点和水准点 , 采 用 2台 全站仪、 2台水准仪对钢混接头两端 的轴线点 、 高程 进行安装测量控制 , 并 向计算机控制集群千斤顶系 统发出指令 , 反复微调钢混接头 的竖向位移及横向 偏转 , 直到钢混接头钢箱精确就位。钢混接头轴线 精确定位计算简图见图 6 。 钢箱梁 已完成T 梁 钢混接头钢箱 钢 s ( 安装时 图5 5 、 7 钢混接头局部控制点示意 图6 钢混接头轴线精确定位计算简图 学兔兔 w w w .x u e t u t u .c o m 2 0 1 3 年第2期 王俊如, 等: 钢一 混凝土混合连续刚构桥主跨钢混接头施工技术简介 6 9 钢混接头轴线测点定位控制值与实测值 的偏差 计算公式 : 6 =S l x S 2 x s i n fl ( S 1 +S 2 )。 式中, 6为钢混接头轴线测点定位控 制值与实测值 的偏差 ; S 。 、 S 为轴线控制点到钢混接头轴线定位测 点长度控制值 ; S 、 S 为轴线控制点到钢混接头轴 线定位测点长度的实测值。 为确保两端钢混接头精确就位及钢混接头与钢 箱梁的正常合龙, 钢混接头精确就位后, 在接头两端 的高程平面控制点上, 针对钢箱梁合龙收集其偏扭 控制的初始参数 , 见图7 。 图 7 钢混接头纠偏计算简图 钢混接头高程偏差 计算公式: A H= H 2 一 ( Hl +H 3 ) 2 , t g u=h s =L D 。 式 中, 日钢混接头高程偏差 ; H 、 H 3 为钢 昆接 头同 截面顶板对称 于中轴线测点相对高程 ; H 2 为 与 H 、 同截面中轴线顶板测点相对高程 ; 为钢混接头 沿顶板轴线偏转角 ; h为 测点相对轴线测点 偏 转值; S为测点 分别到H 、 1 -1 3 测点距离; L为顶板 轴线与底板轴线偏差值; D为测点处钢箱梁梁高。 4 3 4 钢混接头吊装就位及锁定 在重庆长江大桥复线桥钢? 昆 接头 吊装施 工时, 针对现场实际情况 , 采取了以下措施。 1 )收集近 3 d的气候和洪水信息 , 在钢混接头 钢箱 吊装前 , 测量桥位处江水流速 ( 2 m s ) , 昼夜 气温温差在 1 O o c以内。 2 )将千斤顶 的吊具下放至钢混接头钢箱 吊耳 上方 , 定位船与运输驳船协同配合 , 将钢混接头钢箱 吊耳与吊具起吊相对位置控制在 1 m范围内, 吊耳 与吊具穿销连接 。 3 )吊装 系统 千斤 顶逐渐 加载 至初始力 , 对 吊 耳 、 吊具 、 销连接等各部位进行检查。在千斤顶连续 提升时 , 操作员监控各千斤顶的同步性 和受力均匀 性 , 提升速度控制在 2 8 m h内。待钢混接头钢箱提 升至安全高度时 , 运输驳船驶离。 4 )调整钢混接头钢箱 的空间姿态 , 精确就位。 提升过程中, 采用仪器观测混凝土悬臂端 、 吊架主梁 及后锚系统等的变形情况, 并做好记录。 沿桥轴线偏转就位微调 : 在吊架上设置辅助千斤 顶调节系统 , 利用在钢混接头钢箱上设置的辅助 吊孔 来调节钢混接头钢箱的沿桥轴线倾角及平衡状态。 平面就位微调 : 在主吊千斤顶支撑座与提升支架 梁中间设置不锈钢板平面滑移面 , 使用辅助液压千斤 顶 , 将满载下的主吊千斤顶支撑座沿提升支架纵 向、 横向水平移动, 从而实现对钢混接头的精确定位。 微调范围: 纵向微调范围 1 5 0 m m, 横向微调范 围 1 0 0 m m, 上下微调范围 5 0 mm, 微调精度 l m m。 5 )劲性骨架锁定 。 平面位置锁定 : 在钢混接头钢箱 吊装精确就位 后 , 经测量和监控复核无误后 , 进行平面劲性骨架的 锁定 , 并焊接成剪刀撑。同时在顶板顶面上下游翼 缘板位置各设置一组平面劲性型钢骨架联接 , 见 图 8 ( a ) 。 竖向位置锁定 : 在平面劲性骨架施工完成后 , 在 钢混接头钢箱 和混凝土悬臂梁 内侧腹板 ( 上游 、 下 游) 同时焊接竖 向型钢劲性骨架 , 并预 留出腹板侧 模位置 , 见图 8 ( b ) 。 4 3 5钢混接头段混凝土施工 1 )现浇混凝土施工平台及钢筋 、 模板安装。 钢混接头钢箱混凝土与混凝土悬臂梁端 的钢筋 混凝土同时浇筑。设置型钢 吊架形成施工平 台, 侧 模采用大块钢模 , 内顶板采用组合钢模 , 底板 、 翼缘 板采用卓 良模板。 2 )混凝土施工。 ( 1 )混凝土配合 比。 钢混接头部位混凝土应专门作配合比设计 , 优先 选用低收缩 、 微膨胀混凝土, 同时添加适量外掺剂以 减小混凝土水灰 比, 降低用水量, 减小7 昆 凝土的收缩。 混凝土还需具有流动性好 、 收缩补偿、 早强等性能 。 ( 2 )混凝土浇筑。 钢混接头混凝土采取一次性浇筑完成。接头混 凝土分部位、 分层连续浇筑, 振捣密实, 分层厚度控 制在 2 0 e m。同时 , 在腹板适 当位置增设振捣孔 和 附着式振捣器 , 保证混凝土浇筑密实。 ( 3 )保证混凝土浇筑密实措施。 利用在钢混接头钢箱顶板及底板顶面的预留入 料 口加强振捣 , 以保证混凝土密实 。待混凝土初凝 学兔兔 w w w .x u e t u t u .c o m 7 0 公路交通技术 2 01 3 卑 ( a )平面 J 卜 I If , 、 劲 陡骨架 1 4 oh 、 、 , j 钢箱 段预埋 件 昆 凝土段 恢埋件 i 工 厂 焊 栩 混 扯 ( b )竖向 单位 : m m 图 8 劲性骨架 锁定示 意 后 , 凿除入料孔 口混凝土至钢板底面 ,用预先准备 的 与钢箱加工厂制作同等规格的钢板焊接密封 。 浇筑混凝土 3 0 d后 , 在钢混接头钢箱顶板钢与 混凝土结合部位钻孔压浆 , 填充缝隙密实 ,以提高钢 混接头钢箱桥面钢板与混凝土结构之间的密实性 、 整体性和抗疲劳性。 ( 4 )混凝土养护措施。 为控制钢箱和混凝土热 传导性能出现较 大差 异, 该部位混凝土养护时, 须采取封闭保温保湿养 护, 控制混凝土和钢箱温度变化一致。 3 )预应力施工。 待钢混接头混凝土达到设计强度后 ,先张拉横 向预应力, 再张拉竖向预应力, 最后张拉纵向预应 力 。纵向预应力张拉严格按设计 的张拉顺序进行 , 两端钢混接头预应力 同时张拉 ,上下游侧沿梁体 中 心线对称张拉 。预应力张拉完毕后 ,及时进行孔道 压浆 、 浇筑封锚混凝土和安装防护罩 。 4 )钢混接头施工完毕后 , 通过辅助千斤顶沿主 纵梁前移主吊千斤顶系统至预定位置 ,安装三角 吊 架斜拉带。调试、 检狈 0 吊装支架和数控集群千斤顶 系统, 为后期主跨合龙段钢箱梁吊装作准备 。 5结语 钢混接头在重庆长江大桥复线桥建设中的成功 应用 , 实现了混凝土梁式桥跨越能力 的重大技术突 破 , 填补了世界梁桥建设技术在该方面的空白 ,为建 设世界最大跨径连续刚构桥施工提供 了质量和安全 保障, 也为以后同类桥梁的设计 、施工规范制定 、 施 工技术和控制提供了理论依据与工程经验 ,其社会 、 经济效益显著 , 具有重要的参考价值 。 参 考 文 献 1 唐建华 , 向中富, 冯强 ,等 特大跨径连续刚构桥研 究与实践重庆长江大桥复线桥 M 北京 : 人 民交通 出版社 2 0 0 8 2 重庆交通科研设计院 重庆石板坡长江大桥加宽改造 工程正桥 钢一 混接头模型试验研究项目报告 R 重 庆: 重庆交通科研设计院, 2 0 0 6 3 田军伟, 郑罡, 唐光武 ,等 重庆石板坡长江大桥复 线桥钢一 混凝土接头模型静载与疲劳试验研究 J 。 公 路交通技术, 2 0 0 7 ( 2 ) : I 1 3 一 I 1 7 4 卫星, 李小珍, 李俊 ,等 钢一 混凝土混合结构在大 跨度连续 刚构桥中的应用 J 中国铁道科学, 2 0 0 7 ( 5 ) 4 3 4 6 5 余郁, 谢鉴云, 承T - , 等 大跨径连续刚构桥施工 监控技术 J 现代交通技术, 2 0 1 0 ,7 ( 2 ) : 3 7 3 9 6 顾安邦, 向中富, 黄海东, 等 重庆石板坡长江大桥复线 桥工程施工控制报告 R 重庆: 重庆交通大学 2 0 06, 7 中国工程建设标准化协会组织 GB 5 0 01 7 - 2 0 0 3 钢 结构设计规范 s 北京: 中国建筑工业出版社 2 0 03 8 吴晓勇 大跨径连续刚构桥施工质量控制 J 建设科 技, 2 0 1 0 ( 1 2 ) : 9 7 9 8 学兔兔 w w w .x u e t u t u .c o m
展开阅读全文

开通  VIP会员、SVIP会员  优惠大
下载10份以上建议开通VIP会员
下载20份以上建议开通SVIP会员


开通VIP      成为共赢上传

当前位置:首页 > 环境建筑 > 基础工程/设备基础

移动网页_全站_页脚广告1

关于我们      便捷服务       自信AI       AI导航        抽奖活动

©2010-2026 宁波自信网络信息技术有限公司  版权所有

客服电话:0574-28810668  投诉电话:18658249818

gongan.png浙公网安备33021202000488号   

icp.png浙ICP备2021020529号-1  |  浙B2-20240490  

关注我们 :微信公众号    抖音    微博    LOFTER 

客服