收藏 分销(赏)

四川某水电站厂区枢纽尾水检修闸门金属结构安装工程专项施工方案.doc

上传人:快乐****生活 文档编号:4971378 上传时间:2024-10-21 格式:DOC 页数:33 大小:907.54KB 下载积分:12 金币
下载 相关 举报
四川某水电站厂区枢纽尾水检修闸门金属结构安装工程专项施工方案.doc_第1页
第1页 / 共33页
四川某水电站厂区枢纽尾水检修闸门金属结构安装工程专项施工方案.doc_第2页
第2页 / 共33页


点击查看更多>>
资源描述
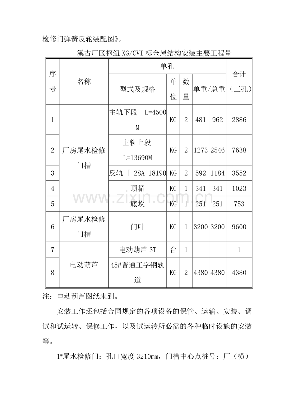
目 录 1概述 2 2施工布置 3 3安装程序与工艺措施要求 4 4主要设备安装措施 8 5质量安全保证措施 18 6计划进度 20 7资源配置 22 8完工验收 22 溪古厂区枢纽XG/CVI标金属结构工程安装专项施工方案 1概述 溪古水电站位于四川省甘孜藏族自治州九龙县境内,是九龙河“一库五级”梯级开发方案中自上而下的第一梯级,为“龙头水库”电站,采用混合式开发。坝~厂址间河道长约19.2km。主厂房总长68.52m,宽19.50m,高37.19m,其中主机间长46.50m,宽19.50m,高37.19m;安装间长22.00m,宽19.5m,高25.00m。主机间内安装三台单机容量为83MW的立轴混流式水轮发电机组,机组安装高程2416.20m。厂房尾水闸门宽3.21m,高2.52m,由设置在主厂房下游的启闭机操作。 1.1施工图纸及主要工程量 QY52JD-521-5(1)《厂房尾水检修门门槽总图》 、QY52JD-521-6(1)《厂房尾水检修门门叶总图》QY52JD-521-6(2)、《厂房尾水检修门弹簧反轮装配图》。 溪古厂区枢纽XG/CVI标金属结构安装主要工程量 序号 名称 单孔 合计 (三孔) 型式及规格 单位 数量 单重/总重 1 厂房尾水检修门槽 主轨下段 L=4500 M KG 2 481 962 2886 2 主轨上段L=13690M KG 2 1273 2546 7638 3 反轨 [ 28A-18190M KG 2 592 1184 3552 4 顶楣 KG 1 341 341 1023 5 底坎 KG 1 251 251 753 6 厂房尾水检修门槽 门叶 KG 1 3200 3200 9600 7 电动葫芦 电动葫芦3T 台 1 1 8 45#普通工字钢轨道 KG 2 4380 4380 4380 注:电动葫芦图纸未到。 安装工作还包括合同规定的各项设备的保管、运输、安装、调试和试运转、保修工作,以及试运转所必需的各种临时设施的安装等。 1#尾水检修门:孔口宽度3210mm,门槽中心点桩号:厂(横)0+000、厂(纵)0+010.63;底坎面高程为2410.31m,孔口高程为2412.83m(净高2520mm),顶止水座板中心线距离底坎262mm,高程为2412.93m。 2#尾水检修门:孔口宽度3210mm,门槽中心点桩号:孔口:厂(横)0+000、厂(纵)0+013.50;底坎面高程为2410.31m,孔口高程为2412.83m(净高2520mm),顶止水座板中心线距离底坎2.62m,高程为2412.93m。 3#尾水检修门:孔口宽度3210mm,门槽中心点桩号:孔口:厂(横)0+000、厂(纵)0+027.00;底坎面高程为2410.31m,孔口高程为2412.83m(净高2520mm),顶止水座板中心线距离底坎2.62m,高程为2412.93m。 1. 2甲供材料及设备 甲供上表所列的全部设备。 (1)规划在上游场地A内修建金属结构制造拼装场及零星钢结构堆放场; (2)采购本工程所需的钢材、焊接材料、外购件和涂装材料; 1.3引用标准和规程规 (1)《起重设备安装工程施工及验收规范》GB50278-98; (2)《电气装置安装工程起重机电气装置施工及验收规范》GB50256-96; (3)《钢焊缝手工超声波探伤方法和探伤结果分析》GB11345-89; (4)《涂装前钢材表面锈蚀等级和除锈等级》GB8923-88; (5)《钢熔化焊接接头射线照相和质量分级》GB3323-87; (6)《钢结构高强度螺栓连接的设计、施工及验收规程》JGJ82-91; (7)《水工金属结构防腐蚀规范》SL105-95; (8)《水利水电工程启闭机制造、安装及验收规范》DL/T5019-94; (9)《水利水电工程钢闸门制造安装及验收规范》DL/T5018-94。 (10)《水利水电基本建设工程单元工程质量等级评定标准,金属结构及启闭机械安装工程》(试行)SDJ249.2-88 (11)《焊条质量管理规程》JB3223-83 (12)《水工金属结构焊接通用技术条件》SL36-92 (13)《水工金属结构焊工考试规则》SL35-92 (14)《装配通用技术条件》Q/ZB76-73 (15)《溪古水电站工程闸门技术协议》等文件 2施工布置 2.1施工场地布置 根据合同工程量及结合土建进度等综合因素,以及施工工艺流程,拟在工地右侧EL2428.5平台Q5515起重式塔机附近修建一占地面积200m2的金属结构设备贮存场。 配置一台Q5515起重式塔机,根据需要期间租用一台25t汽车吊,进行场内设备的装卸、堆放及拼装过程中的吊装工作。 2.2设备的保管及场内转运 闸门及其埋件采取露天存放,为了防止受潮、锈蚀和风沙等,使用防雨布遮盖,为防止设备变形,结构下面用枕木等支撑垫平。闸门及其埋件的加工面妥善防护,以免碰伤或锈蚀。 由建设单位将设备材料卸至我部的金结加工场地,施工期间,采用汽车吊吊至平板车,再运至塔机起吊范围内或采用Q5515塔机直接吊至工作面,设备的就位采用塔机吊装。 2.3 施工用水、电、气 金属结构制造拼装存放场内的施工用水取自水池(场A现有水池)。 金属结构制造的施工用电及土建相同,直接从变压器架设专线,现场照明、小型器具用电直接从土配电柜接取,场内主要用电设施有3m3/min空压机1台,ZX7-400IGBT直流电焊机1台,CG1-30半自动切割机1台,场内照明等。安装现场施工电源主要取自就近的土建施工布置电源。 2.4施工道路布置 施工道路采用土建现有通道,主要设备、器具转运均由Q5515塔机吊从右侧平台至工作面。 3安装程序及工艺措施要求 3.1一般要求 (1)安装前应具备的资料,备总图、部件总图、重要的零件图等施工安装图纸及安装技术说明书;备出厂合格证和技术说明书;造验收资料和质量证书;安装用控制点位置图。 (2)安装使用的基准线,应能控制门槽的总尺寸及埋件各部位构件的安装尺寸以及安装精确度。为设置安装基准线用的基准点应牢固、可靠、便于使用,并应保留到安装验收合格后方能拆除。 (3)安装检测必须选用满足精度要求,并经国家批准的计量检定机构检定合格的仪器设备。 (4)我部在安装工作中使用的所有材料,应有产品质量证明书,并应符合施工图纸和国家有关现行标准的要求。 3.2安装前的检查和清理 (1)安装前的检查 我部在进行本合同各项设备安装前,应按施工图纸规定的内容,全面检查安装部位的情况和设备构件和零部件的完整性和完好性。对重要构件和部件应通过预拼装进行检查。 1)埋件埋设部位一、二期混凝土结合面是否已进行凿毛处理并冲洗干净;预留插筋的位置、数量是否符合施工图纸要求。 2)按施工图纸逐项检查各安装设备的完整性。 3)逐项检查设备的构件、零部件的损坏和变形情况。 4)对上述检查中发现的缺件、构件损坏和变形等情况,我部应书面报送监理人,并负责按施工图纸要求进行修复和补齐处理。 (2)清理 设备安装前,我部应对建设单位提供的设备,按施工图纸和制造厂技术说明书的要求,进行必要的清理和保养。 3.3焊接 (1)焊工和无损检验人员资格 1)从事现场安装焊缝的焊工,必须持有有关部门签发的有效合格证书。焊工中断焊接工作6个月以上者,应重新进行考试。 2)无损检测人员必须持有国家专业部门签发的资格证书。 (2)焊接材料 1)我部采购的每批焊接材料,应具有产品质量证明书和使用说明书。 2)焊接材料的保管和烘焙应符合DL/T5018-94第条的规定。 (3)焊接工艺评定 在进行本合同项目各构件的一、二类焊缝焊接前,应按DL/T5018-94第4.1节规定进行焊接工艺评定。 (4)焊接质量检验 1)所有焊缝均应按DL/T5018-94第条的规定进行外观检查。 2)焊缝的无损探伤应按DL/T5018-94第4.4.3条至第条的规定进行。 3)焊缝无损探伤的抽查率,除应符合DL/T5018-94第条的规定外,还应按监理人指定,抽查容易发生缺陷的部位,并应抽查到每个焊工的施焊部位。 (5)焊缝缺陷的返修和处理 焊缝缺陷的返修和处理应按DL/T5018-94第4.5节的规定进行。 3.4螺栓连接 (1)螺栓连接副应具有质量证明书或试验报告。 (2)螺栓、螺母和垫圈应分类存放,妥善保管,防止锈蚀和损伤。使用高强度螺栓时应做好专用标记,以防及普通螺栓相互混用。 (3)钢构件连接用普通螺栓的最终合适紧度为螺栓拧断力矩的50%~60%,并应使所有螺栓拧紧力矩保持均匀。 3.5涂装 (1)涂装范围 1)施工图纸明确规定由本合同我部完成的涂装部位。 2)现场安装焊缝两侧未涂装的钢材表面。 3)我部在接受所移交的设备时,对全部设备表面涂装情况进行检查后所发现的损坏部位。上述检查结果应报送监理人,需要修复的涂装损坏部位须经监理人确认。 4)安装施工中设备表面涂装损坏的部位。 (2)涂装材料 我部采购的涂装材料,其品种、性能和颜色应及制造厂所使用的涂装材料一致。若我部要求采用其它代用材料时,须进行试涂,证明其合格,并经监理人批准后方能使用。 (3)涂装工艺措施报告 我部在涂装施工开始前28天,应按施工图纸和制造厂使用说明书的要求提交现场涂装的工艺措施报告,报送监理人审批。工艺措施应说明环境条件及保证措施,表面预处理措施,各种涂装材料的施涂方法、采用设备、质量检验和损坏的修补措施等。 (4)表面预处理 1)涂装前,应将涂装部位的铁锈、氧化皮、油污、焊渣、灰尘、水分等污物清除干净。闸门表面的除锈等级应达到DL/T5018-94第条和第条规定的标准。机架等主要结构件除锈等级应达到DL/T5019-94第条的规定。 2)涂装开始时,若检查发现钢材表面出现污染或返锈,应重新处理,直到监理人认可为止。 3)当空气相对湿度超过85%,钢材表面温度低于露点以上3℃,不得进行表面预处理。 (5)涂装施工 1)经预处理合格的钢材表面应尽快涂装底漆。在潮湿气候条件下,底漆涂装应在4h内完成;在晴天或较好的气候条件下,最长不应超过12h。 2)我部应严格按批准的涂装材料和工艺进行涂装作业,涂装的层数、每层厚度、逐层涂装的间隔时间和涂装材料的配方等,均应满足施工图纸和制造厂使用说明书的要求。 3)涂装时的工作环境及表面预处理要求同,若制造厂的使用说明书中另有规定时,则应按其要求施工。 (6)涂装质量检验 漆膜涂装的外观检查、湿膜和干膜厚度测定以及附着力和针孔检验应按SL105-95第3.4节的要求进行。 3.6橡胶粘合 (1)所有闸门橡胶水封接头的粘接,应由我部通过试验选定粘接方法,并应经监理人批准。 (2)采用热胶合时,应按橡胶水封厂提供的操作规程进行粘结和硫化,并应提供及橡胶水封形状和断面一致的加热压模。 (3)采用冷粘接时,我部应提交一份包括冷胶剂的技术性能和有关参数、粘结工艺及其试验数据的冷粘接措施报告,报送监理人批准后实施。 3.7埋件安装 (1)本合同项目的埋件安装包括:主轨、反轨、侧轨、底槛、门楣等。 (2)我部必须按施工图纸的要求和以下各项条款的规定,进行埋件的安装施工。 (3)埋件就位调整完毕,应及一期混凝土中的预留锚栓或锚板焊牢。严禁将加固材料直接焊接在主轨、反轨、侧轨、门楣(胸墙)等的工作面上或水封座板上。 (4)埋件上的所有不锈钢材料的焊接接头,必须使用相应的不锈钢焊条进行焊接。 (5)埋件所有工作面上的连接焊缝,应在安装工作完毕和浇注二期混凝土后仔细进行打磨,其表面粗糙度应及焊接构件一致。 (6)埋件安装完毕后,应对所有的工作表面进行清理,门槽范围内影响闸门安全运行的外露物必须清除干净,并对埋件的最终安装精度进行复测,作好记录报监理人。 (7)安装好的门槽,除了主轨道轨面、水封座的不锈钢表面外,其余外露表面,均应按有关施工图纸或制造厂技术说明书的规定,进行防腐处理。 3.8加固固定材料 根据施工图纸预埋或安装足够强度和刚度的临时支撑,以保证闸门、门槽及启闭机的安装精度。不允许由于加固强度不够出现浇筑二期混凝土时跑模、安装后的门槽出现变形、移位以及一、二期混凝土连接强度不符合要求等现象。 4主要设备安装措施 4.1埋件安装 埋件安装包括主轨、反轨、底槛、门楣、锁锭装置、电动葫芦机械和电气设备基础埋件等。 (1)门槽埋件安装按技术要求 ①.及二期砼结合的一期砼表面必须进行凿毛处理以保证一、二期砼结合良好。 ②.埋件就位调整完毕,应及一期混凝土中的预留锚栓或锚板焊牢。严禁将加固材料直接焊接在主轨、反轨、侧轨、门楣(胸墙)等的工作面上或水封座板上。 ③.埋件上所有不锈钢材料的焊接接头,使用相应的不锈钢焊条进行焊接。 ④.埋件所有工作面上的连接焊缝,应在安装工作完毕和浇筑二期混凝土后仔细进行打磨,其表面粗糙度应及焊接构件一致。 ⑤.埋设在一、二期混凝土的设备就位调整完毕,应安装足够的钢支撑件进行加固,使得门槽埋件在浇筑一、二期混凝土时不发生变形,位移等情况。 ⑥.埋件安装完毕后,应对所有的工作表面进行清理,门槽范围内影响闸门安全运行的外露物必须清除干净,并对埋件的最终安装精度进行复测,作好记录报监理人。 ⑦.门槽埋件安装完毕,应对所有的工作表面进行清理,门槽范围内影响闸门安全运行的外露物必须清除干净,并在监理人在场时对门槽尺寸和埋件的最终安装精度进行复测。同时检查二期混凝土及埋件接触面和一期混凝土及二期混凝土接触面是否良好,如有必要应对埋件后的孔隙进行压力灌浆。 ⑧.安装好的门槽,除了主轨工作面、不锈钢水封座表面外,其余外露表面,均按图纸进行防腐处理。 (2)门槽埋件安装方案 由于门槽埋件在制造厂采用分部位、分段(节)制造,故其安装采用预设安装基准点,并通过挂钢琴线分段(节)控制相对尺寸的方法进行安装。待全部安装后再进行整体检测、验收。其各段(节)接头在二期砼浇筑后焊接并磨平。 门槽埋件安装质量控制标准为:DL/T5018-94规范。 门槽埋件从省道进入场A,采用Q5515起重塔吊进行卸车及吊装就位。 (3)门槽埋件安装工艺流程 设备的接收及检查→底坎一期砼预埋插筋检查、矫正→底坎安装控制点测放→底坎吊、安装→检查验收→底坎二期砼浇筑→主、反轨安装控制点测放→脚手架搭设→门槽一期砼预埋插筋检查、矫正→主反轨吊、安装→门楣吊、安装→主、反轨及门楣安装验收→主、反轨、门楣等二期砼浇筑、养生→拆模→门槽埋件形位尺寸整体复测→接头部位焊接磨平→刷漆→拆除脚手架。 主、反轨调整、固定 埋件清点检查 底槛吊装就位 底槛测量控制点设置 调整、固定 底槛二期砼回填 主、反轨测量控制点设置 脚手架搭设 反、副轨吊装、调整、固定 门楣吊装、调整、固定 检查、验收 埋件二期砼回填 轨道接头焊接、磨平 测量、复查 门槽清理 涂 漆 验 收 (4)门槽埋件安装主要安装方法及技术措施 底坎安装概述:先放好底坎高程点,焊接好托架,将底坎吊装就位后,再放底坎中心,绷好钢琴线,进行调整底坎。调整过程中用水准仪监测底坎的波状度和扭曲。底坎对孔口中心偏差小于±5mm;高程偏差小于±5mm;工作表面一端对另一端高差不大于2mm;接头处错牙小于1mm。底坎安装前应重点检查局部不平度,超标应矫正合格后再进行安装。 ①.门槽埋件安装前检查和清理 按施工图纸逐项检查各安装设备的完整性; 逐项检查设备的构件、零部件的损坏和变形情况; 按施工图纸和制造厂技术说明书的要求,进行必要的清理和保养; 对上述检查和清理发现的缺件,构件损坏等情况,以书面文件报送监理人,并负责按施工图纸要求进行修复和补齐处理。 ②.门槽一期砼预埋插筋的检查及矫正 埋件安装前,按设计图纸和技术要求对一期砼预埋插筋的位置、数量进行检查核对,对漏埋的插筋应补埋或用型钢(如角钢)连接加固,对弯曲变形的插筋进行矫直,以保证门槽埋件加固的强度和可靠性。 ③.安装控制点的测放 埋件安装前按监理人提供的安装基准点,测放埋件安装控制点,测放后进行复检,合格后方可使用。 测量使用的经纬仪、水准仪、钢尺等计量器具经国家一级计量单位按规定的检定周期进行检定,测量时计入修正值,以保证测量成果的准确性、可靠性。 底坎安装基准控制点,包括闸门孔口中心线点、底坎中心线点和底坎安装高程点。闸门孔口中心线点测放在门槽砼底板上,底坎中心线点和高程点可合二为一测放到门槽砼侧墩上。所有测点应用红色铅油作出标记。 ④.底坎安装调正 底坎吊装就位后首先将底坎长度中心线对正孔口中心线,然后通过两侧的中心高程点焊接线架并架设钢琴线进行调正。 底坎安装主要控制项目为:工作面高程、里程、局部不平度、两端高低差和工作面在孔口中心线方向的倾斜度。 底坎安装采用水准仪、钢尺和铁水平尺进行监测,通过千斤顶或花拦螺栓进行调正,检查合格后用钢筋及预埋插筋焊接固定,钢筋搭接长度应不小于设计图要求。 ⑤.主反轨安装调正 主反轨安装主要控制项目为:对门槽中心线距,对孔口中心距、高程、工作表面接合处错位、表面扭曲等,安装后对孔口跨度、工作轨道跨度、止水座面跨度进行抽检。 一般主反轨由多节组成,安装时由下至上逐节吊装,并利用悬挂控制基准钢线,每间隔500mm测量一点,边调正边利用螺栓拉紧器临时固定,待轨道检查合格后,用钢筋进行焊接固定。焊接搭接长度不小于设计国家要求。 侧轨安装概述:底坎调整加固验收完毕,回填后进行侧轨安装。每节侧轨放两个点。安装过程中,用拉紧器对侧轨进行调节。侧轨对孔口中心偏差工作范围内小于+2~-1mm,工作范围处在4到-2之间;接头处错牙小于1mm;工作表面平面度小于2mm;侧止水座板曲率半径小于±5mm;表面扭曲度小于1mm。调节完毕加固过程中,为防止门槽变形或移位,应先焊接门槽一边,再焊接插筋一边,搭接长度不小于100mm。侧轨安装主要控制工作面到孔口中心距、垂直度、局部平面度、曲率半径,施工时应监测两侧轨的跨距及同一高程两侧轨工作面及门槽中心线的平行度。 ⑥.门楣安装 门楣安装主要控制项目为:对门槽中心线距离、门楣止水中心到底坎面的距离、工作表面平面度、接合部位错牙及表面扭曲等。 门楣安装重点是门楣中心对底槛面的距离h小于±3mm;工作表面平面度小于2mm;工作表面组合处错位小于0.5mm;表面扭曲度小于1.5mm。加固方式同侧轨加固方式一样。 门楣一般可在主轨安装到门楣位置以后进行安装,安装前清理一期砼预留槽内的杂物,检查并矫正一期锚筋,并在主轨侧面焊上支撑门楣(胸墙)的托板。门楣(胸墙)吊入后拉钢线进行测量调正,检查合格后用圆钢搭焊牢固。 运输道路为现有施工通道,采用Q5515起重塔吊进行卸车及吊装就位。 4.2闸门安装方案 运输方案 施工通道:现有通道,省道----钢架桥----左岸----场A(Q5515起重塔机下); 运输道路:现有施工通道满足要求,在拖车上铺设垫木;装车时用四点吊装并在钢绳及门叶受力处垫管皮或破布。封车用钢绳、封车用正八字或倒八字法封车,汽车受力后应重心、中心基本分配合理。在封车的时候用手动葫芦连接钢丝绳并拉紧葫芦使钢丝绳绷紧,另外还要做适当的加固措施。 吊装方案 1#机检修闸门(单块重3.2t)直接采用Q5515起重塔机吊装就位。 2#检修闸门及3#检修闸门吊装方案:方案一:采用电动葫芦直接吊装就位:Q5515起重塔机吊至1#尾水闸墩平台后,再利用电动葫芦吊装至2#孔、3#孔,此方案前提,电动葫芦具备使用条件。方案二:采用Q5515起重塔机吊至1#尾水闸墩平台后利用槽钢+无缝钢管+手动葫芦牵引平移至2#、3#孔,再利用龙门架吊装就位。优先采用方案一,前期为排架到顶,动葫芦具备使用条件。方案三::采用Q5515起重塔机吊至1#尾水闸墩平台后利用槽钢+无缝钢管+手动葫芦牵引平移至2#、3#孔,(电动葫芦未安装好前)在排架柱上预埋天锚,再吊装就位。 优先采用方案一,前期为排架到顶,动葫芦具备使用条件(需结合封建项目及电动葫芦动位情况确定)。 闸门吊装施工方法:焊接两个用于吊装门叶的吊耳,注意两吊耳的位置应相对于门叶重心对称。卸车后置于垫有方木墩的地面上,采用单侧起吊翻身,在翻身受力处用型钢托架焊接加固,确保不变形;当门叶侧立至75度时,下面垫以斜面托架,然后缓慢间断提升,闸门在斜面托架上慢慢滑移至90度侧立位置,然后再移动闸门,对位入槽。 安装方法 土建交面 吊装设施准备 闸门清扫、分解吊入孔口锁定 闸门逐节拼装、检查、焊接 闸门附件安装 闸门静平衡试验 闸门启闭试验 闸门表面清扫、补漆 施工期运行、维护 验收、移交 1) 安装程序:(见下面的流程图) 2)门体安装 ① 装前对门叶及附件的数量、质量和外形尺寸进行全面检查。 ② 闸门门叶运输至适当位置,分节安装临时水封,要求按设计尺寸在长度方向预留2-3mm压缩量。 ③ 底坎上放好调整楔子板。吊装下节门叶至门槽内并落在楔子板上,用千斤顶调整门叶水平、垂直度。 ④ 中间节门叶,对准两节门叶出厂时的定位卡板,调整门叶组合缝间隙和门叶水平、垂直度,符合要求后,在门叶面板背面焊接临时拉板使之固定。 ⑤ 同样步骤吊装上节门叶,整体调整门叶的水平和垂直度,符合要求后固定。 ⑥ 接检测完毕后,在闸门上部封闭门槽,并封闭顶止水及门楣上部,以防厂房进水口上部浇筑施工时,杂物坠落而损坏闸门或卡住闸门。 3)焊接 ① 闸门焊接时,应尽量布置偶数焊工进行对称施焊,注意预留一定的反变形量。所有焊缝尽量保证一次性连续施焊完毕,严格按“焊接工艺规程”的要求进行所有焊缝的焊接。 ② 施焊位置应距焊缝端部30mm以上,其长度应在50mm以上,间距为200-300mm,厚度不宜超过正式焊缝高度的二分之一,最厚不宜超过8mm。施焊前,认真检查定位焊质量,如有裂纹、气孔、夹渣等缺陷应及时清除干净再焊。 本合同项目的闸门安装包括门叶、水封装置、支承装置、导向装置、锁定装置等。 (4)安装技术要求 ①.埋件安装已结束,并验收合格。 ②.闸门主支承部件的安装调整工作在门叶结构经过螺栓或焊接组装、测量校正合后方能进行。所有主支承面应调整到同一平面上,其误差不得大于施工图纸的规定。 ③.平面闸面的水封装置安装允许偏差和水封橡皮的质量要求,应符合DL/T5018-94第条至9.2.7条的规定。安装时,应先将橡皮按需要的长度黏结好,再及水封压板一起配钻螺栓孔。橡胶水封的螺栓孔,应采用专用钻头使用旋转法加工,不准采用冲压法和热烫法加工。其孔径应比螺栓直径小1mm。 ④.平面闸门安装完毕后,清除埋件表面和门叶上的所有杂物,包括不锈钢水封座板表面的水泥浆、焊渣。在滑道支承面和滚轮轴套涂抹或灌注润滑脂。 ⑤.经监理人检查合格的平面闸门及埋件,方能按招标文件规定进行涂装修补。 ⑥.平面闸门安装完毕,应作静平衡试验。试验方法为:将闸门自由地吊离地面100mm。通过滚轮或滑道的中心测量上、下游方向及左、右方向倾斜,单吊点闸门的倾斜不应超过门高的1/1000,且不大于8mm。当超过上述规定时,应予以配重调整。 (5)闸门安装工艺要点 ①.门体拼装前熟悉合同文件、设计图纸、制造厂技术和GB/T5018-94规范要求。 ②.门体焊接: a、门体拼装焊接工作在拼装形位尺寸检查合格后进行。 b、闸门焊接前按DL/T5018-94规范和闸门的具体材质、板厚、接头型式和焊接位置进行焊接工艺评定,并将评定报告报监理人审批。 c、闸门焊接前根据批准的焊接工艺评定报告和DL/T5018-94第4.3节的规定编制详细的焊接作业指导书,经监理人审批后执行。 d、闸门焊接闸门由持有合格证的焊工进行焊接,焊接中严格监督焊工持证上岗。严禁非合格焊工焊接。 e、焊接使用的焊条有出厂质量证明文件并应按说明书规定作焊前的烘干处理,并符合DL/T5018-94第4.3.6条规定。 f、闸门焊接由偶数焊工按照由中间向四周对称发展的原则施焊,焊接中要求速度均等,焊接规范相近。闸门焊接前对焊接接头进行认真检查,如间隙过大先进行堆焊,并在修磨达到设计要求后方可焊接。 g、闸门焊接中利用架设钢琴线和水准仪等方法对焊接变形进行监测,发现不正常情况时及时合理调整焊接工艺。 h、闸门焊接后首先进行焊缝外观质量检查,合格后按DL/T5018-94规范要求作超声波探伤检查,超声波探伤执行GB11345标准。 i、焊接缺陷的返修和处理按DL/T5018-94第4.5节的规定进行。焊缝同一部位返修不得超过二次。第三次返修前由技术人员编制详细返修工艺报监理人审批且在技术人员监督下返修。返修后的焊段应按原技术条件进行扩大的超声波探伤。 ③.门体拼装检查合格后安装附件并检查支承跨度,节间水封接触情况,顶止水中心到门体底缘距离、两侧止水中心距、侧挡块间距等主要尺寸和支承滑块的共面性,其误差不得大于施工图规定。 ④.顶侧止水和支承滑块(支承滚轮)安装时参考门槽埋件安装后复测的数值,以保证水封压缩量达到设计要求,水封应用专用钻头钻孔。 ⑤.门体吊入门槽前,清除门槽埋件和门叶上的所有杂物,特别要清除不锈钢水封座板面上的水泥浆。在滑道支承面上涂沫润滑油脂。 (6)平面闸门试验 闸门安装完毕后,我部会同厂家代表、监理人对平面闸门进行试验和检查。试验前检查并确认充水装置在其行程内升降自如、密封良好;吊杆的连接情况良好。 平面闸门的试验项目包括: ①.无水全行程启闭试验。试验过程中检查滑道或滚轮的运行有无卡阻现象,双吊点闸门的同步应达到设计要求。在闸门全关位置,水封橡皮无损伤,漏光检查合格,止水严密。在试验全过程中,水封橡皮及不锈钢水封座板的接触面采用清水冲淋润滑,以防损坏水封橡皮。 ②.静水全行程试验。在无水试验检验合格后,进行本项试验,试验及检查内容同无水试验。 ③.动水启闭试验。按施工图纸要求进行动水条件下的启闭试验,试验水头尽可能及设计水头相一致。动水试验前,根据施工图纸及现场条件,编制试验大纲报送监理人批准后实施。 4.3电动葫芦的安装 (1)轨道安装 采用Q5515起重式塔吊直接吊装到位。 ①.电动葫芦轨道安装前,对钢钢轨的形状尺寸进行检查,发现有超值弯曲、扭曲等变形时,应进行矫正,并经监理人检查合格后方可安装。 ②.吊装轨道前,测量和标定轨道的安装基准线,轨道实际中心线及安装基准线的水平位置偏差;当跨度小于或等于10m时,不超过2mm;当跨度大于10m时,应不超过3mm。 ③.轨距偏差:当跨度(S)小于或等于10m,应不超过±3mm;当跨度(S)大于10m时。轨距偏差应按下式计算,但最大不超过±5mm。 ΔS=±[3+0.25(S-10)] ④.轨道顶面的纵向倾斜度:门式电动葫芦不应大于3/1000;台车式电动葫芦不大于1/1000,每2m测一点,在全行程上最高点及最低点之差不大于10mm。 ⑤.轨道的纵向直线度误差不超过1/1500,在全行程上最高点及最低点之差应不大于2mm。 ⑥.同跨两平行轨道在同一截面内的标高相对差:当跨度小于或等于10m时,不大于5mm;当跨度大于10m时,应不大于8mm。 ⑦.两平行轨道的接头位置应错开,其错开距离不等应等于前后车轮的轮距。接头用联接板联接时,两轨接头处左、右偏移和轨面高低差均不大于1mm,接头间隙不应大于2mm。伸缩缝处轨道间隙的允许偏差为±1mm。 ⑧.轨道安装符合要求后,应全面复杳各螺栓的紧固情况。 ⑨.轨道两道的车挡应在吊装电动葫芦前装妥;同跨同端的两车挡及缓冲器应接触良好,有偏差时应进行调整。 电动葫芦轨道、设备均采用Q5515起重式塔吊直接吊装到位。 (2)电动葫芦安装 ①.电动葫芦的安装、调试和试运转应按施工图纸、制造厂技术说明书的要求和DL/T5019-94的有关规定进行。 ②.起升机构部分的安装技术要求应参照本章第条的有关规定。 ③.门架、台车架的安装应按DL/T5019-94第条的规定进行。 ④.小车轨道安装按DL/T5019-94第条的规定执行。 ① .电动葫芦运行机构安装应按DL/T5019-94第条的规定执行。 ⑥.电气设备的安装,应按施工图纸、制造厂技术说明书和GB50256-96的规定执行。全部电气设备应可靠接地。 ⑦.行程限制器的触板埋设位置及高程应符合制造厂技术说明书的要求。 (3)电动葫芦的试运转 电动葫芦安装完毕后,会同监理人进行以下项目的试验。 ①.试运转前按DL/T5019-97第 要求进行检查合格。 ②.空载试验。起升机构和行走机构(小车和大车)按DL/T5019-94第条的规定检查机械和电气设备的运行情况,应做至动作正确可靠、运行平稳、无冲击声和其它异常现象。 ③.静荷载试验。按施工图纸要求,对主、副钩进行静荷载试验,以检验电动葫芦的机械和金属结构的承载能力。试验荷载依次采用额定荷载的70%、100%和125%。本项试验应按DL/T5019-94第条的有关规定执行。 ④.动荷载试验。按施工图纸要求,对各机构进行动荷载试验,以检验各机构的工作性能及门架的动态刚度。试验荷载依次采用额定荷载的100%和110%,试验导各机构分别进行,当有联合动作试运行要求时,应按施工图纸和监理人的指示进行。试验时,作重复的启动、运转、停车、正转、反转等动作,延续时间至少1h。各机构动作灵活,工作平稳可靠,各限位开关、安全保护联锁装置、防爬装置等的动作应正确可靠,各零部件应无裂纹损坏现象,各连接处不得松动。 5质量安全保证措施 5.1质量保证措施 (1)按ISO9002族质量标准监理健全质量管理体系,确定质量方针,编制质量管理手册。 (2)施工质量须符合技术条款规定和有关规程规范的技术规定。及时收集、整理施工原始记录、资料、说明、整编报表和竣工资料,分析施工质量和工作质量的动态信息,制定改进施工质量的措施,提高质量管理水平。 (3)配备专职的质检员对安装质量进行跟踪检验。各班组配备兼职质检员对本班组施工质量进行控制。 (4)安装过程中,严格实行“工序质量传递卡”制度,不合格的产品决不允许转入下一道工序。每道工序的质量负责人必须在工序质量传递卡上签字确认本工序质量已符合规范要求。下一道工序可拒决接收不符合规范要求的产品进行施工。每一工序均按要求对产品质量进行自检并如实填写质量记录表。通过动态的“工序质量传递卡”和静态的质量记录表,对整个施工过程实行全面质量管理,确保安装质量达到优良标准。 (5)做好图纸会审和技术交底工作,在施工班组配备技术人员,随时了解、掌握和解决现场施工技术问题,施工技术人员必须熟练掌握国家标准、规范。 (6)提高全体员工的质量意识,牢固树立质量第一的观点,普及全体员工全面质量管理教育,加强技术培训,坚持先培训后上岗,促进施工质量水平不断提高。 (7)坚持合格电焊、探伤、起重等特殊工种持证上岗制度。 (8)严格执行焊工及质检员持证上岗制度。 (9)做好设备、材料的管理工作,不允许不合格的材料、设备用于工程制作及安装。 (10)及时做好施工记录和质检记录,并归档保管。 (11)施工中用的测量仪器、计量器具均定期校检,不合格者不能投入使用。 (12)工程竣工验收时本承包人提供以下验收资料: ①工程竣工验收申请报告; ②完工项目清单; ③竣工图; ④安装用主要材料和外购件的产品质量证明书、使用说明书或试验报告; ⑤安装焊缝的工艺评定和检验报告; ⑥高强度螺栓连接副、磨擦面抗滑移系数的复验和安装检查报告; ⑦闸门和电动葫芦的安装、调试、试运转记录和报告,包括埋件的安装记录; ⑧闸门及其埋件、电动葫芦及其埋件的单项质量检查验收证书,安装、调试和试运转记录; ⑨重大缺陷和质量事故处理报告; 5.2安全保证措施 (1)健立建全安全检查及防护机构,项目部设专职安全员,施工班组设兼职安全员。 (2)工作中严格执行“五同时”的规定,即在计划、布置、检查、总结、评比的同时,计划、布置、检查、总结、评比安全工作,创无安全事故工程。起重运输时,严禁使用超过报废标准的各种器具、钢丝绳等。大型设备机部件吊装前须做好详细的安全保证措施后方可施工。操作方式应“稳、准、慢”,以确保运行安全、稳中求快,减少货杜绝违章现象。 (3)起重运输及吊装设备应定期检查设备性能,及时维护保养,确保设备安全运行。 (4)吊装时,指挥统一,传递信号应准确、清晰。 (5)施工支架、平台应搭设牢固并有钢性足够的栏杆,施工部位应有充足的照明。 (6)高空作业应系好安全带,进入施工现场必须戴好安全帽。 (7)电工作业时必须作好防护措施方可施工,并有专人监护。 5.3施工过程中的质量监控 (1)施工准备的检查 ①钢材、电焊条、油漆等主要材料必须具有出厂合格证,其技术参数需符合技术要求,不合格的材料不允许使用。 ②测量控制网点必须达到规定的精度要求。所有测量、计量工具应满足施工精度要求,且经鉴定合格后才能使用。 ③焊接前,制定焊接工艺措施,并报经监理工程师审批。施工中严格按工艺措施执行,并在施工过程中监控。 (2)施工过程中的质量控制 ①施工过程中严格按施工图纸及设计文件进行,如遇有及设计图纸不相符时,应报告设计单位和监理工程师进行修正,待取得文字依据后再继续施工。 ②施工过程中加强施工工序的衔接,每道工序按照”三检制”的程序进行检查.隐蔽工程和关键部位的检查,在监理工程师终检后方可进行覆盖或进入下一道工序。施工中坚持工序质量传递卡制度,不合格的产品决不允许传入下一道工序。 ③严格把好质量关,在施工过程中发生质量缺陷或事故时,坚持“三不放过”的原则,深入现场认真分析,严肃处理.重大的质量事故应立即报告项目经理和总工程师,会同设计人员、监理工程师同意签字后再组织实施。 ④对工程施工质量必须做到奖惩严明,并贯彻质量及经济挂钩的原则,对施工质量作出贡献的单位和个人给予奖励,对造成的质量事故应认真调查、分析,找出事故原因,对事故的责任人或单位给予处罚。 (3)质量奖罚措施 明确岗位职责,确定质量责任人,工程施工前,层层签订质量目标责任书,把经济及质量挂起钩来,对质量实行严格奖罚措施,对各单元工程实行质量责任承包制,将质量指标纳入工资奖金发放考核,按工程质量等级发放工资奖金。 6计划进度 6.1 进度计划 根据土建施工进度及甲供埋件、门槽到位的计划,结合本标段总体施工进度计划的要求(2011防洪度汛计划),拟定以下施工进度计划: 溪古厂区枢纽XG/CVI标金属结构安装施工计划表 序号 施工部位及施工项目 单位 工程量 工期天 计划开始时间 计划完成时间 备注 一、检修门安装             1.1 1#孔检修门             底坎安装 t 0.251 5 2011-5-7 2011-5-12   门轨安装 t 2.346 15 2011-5-14 2011-5-29   顶楣 t 0.341   2011-5-24 2011-5-29   门叶 t 3.2 5 2011-6-8 2011-6-13   1.2 2#孔检修门             底坎安装 t 0.251 5 2011-5-12 2011-5-17   门轨安装 t 2.346 15 2011-5-19 2011-6-3   顶楣 t 0.341   2011-5-29 2011-6-3   门叶 t 3.2 5 2011-6-13 2011-6-18  
展开阅读全文

开通  VIP会员、SVIP会员  优惠大
下载10份以上建议开通VIP会员
下载20份以上建议开通SVIP会员


开通VIP      成为共赢上传

当前位置:首页 > 品牌综合 > 施工方案/组织设计

移动网页_全站_页脚广告1

关于我们      便捷服务       自信AI       AI导航        抽奖活动

©2010-2026 宁波自信网络信息技术有限公司  版权所有

客服电话:0574-28810668  投诉电话:18658249818

gongan.png浙公网安备33021202000488号   

icp.png浙ICP备2021020529号-1  |  浙B2-20240490  

关注我们 :微信公众号    抖音    微博    LOFTER 

客服