收藏 分销(赏)

钢筋钢纤维混凝土连梁的变形特点.pdf

上传人:w****8 文档编号:48893 上传时间:2021-06-07 格式:PDF 页数:5 大小:257.11KB 下载积分:1 金币
下载 相关 举报
钢筋钢纤维混凝土连梁的变形特点.pdf_第1页
第1页 / 共5页
钢筋钢纤维混凝土连梁的变形特点.pdf_第2页
第2页 / 共5页


点击查看更多>>
资源描述
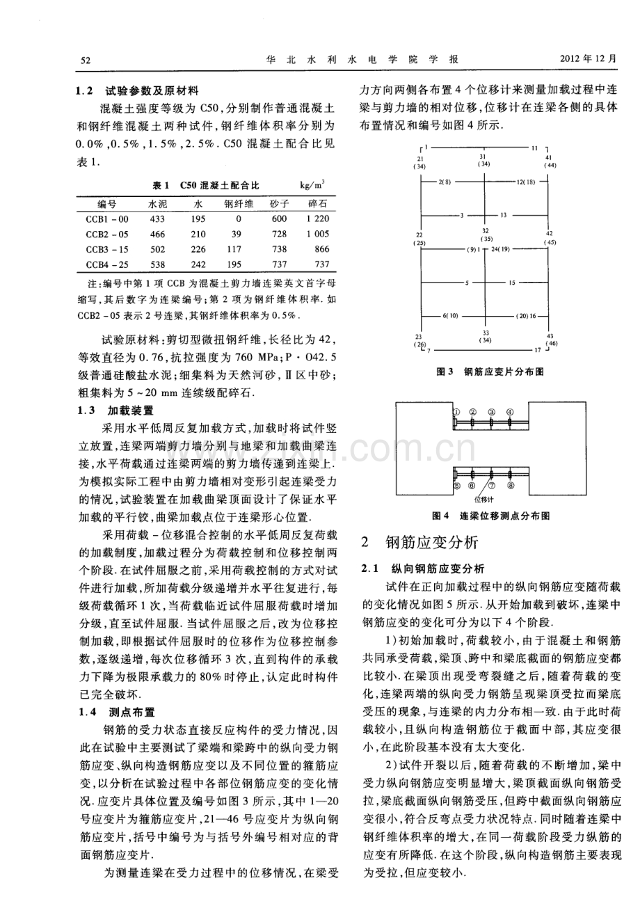
第 3 3卷第 6期 2 0 1 2年 1 2月 华北水利水电学院学报 J o u rn a l o f N o a h C h i n a I n s t i t u t e o f Wa t e r C o n s e r v a n c y a n d Hy d r o e l e c t r i c P o w e r Vo 1 3 3 No 6 De c 2 01 2 文章 编号 : 1 0 0 2 5 6 3 4 ( 2 0 1 2 ) 0 6 0 0 5 1 0 5 钢筋钢 纤维混凝土连梁 的变形特点 赵 军,马 鑫,李光辉 ( 郑州大学 土木工程 学院, 河南 郑州 4 5 0 0 0 1 ) 摘 要 : 通 过 4个不 同钢纤维体积率 的钢筋混凝土 连梁在低周反 复荷载作用下 的试 验 , 测试 了连梁在低周反 复荷载作用下钢筋应变 和侧 向位移 , 分析 了钢 纤维 对连 梁 中钢筋应 变 和侧 向位移 的影 响规律 研 究结 果表 明 : 钢纤维对连 梁的纵向钢筋应变 、 箍筋应变和侧 向位移影 响 明显 ; 随着钢 纤维体积 率的增大 , 钢筋 的极 限应 变和连梁的极限位移都显著增 大 关键 词 : 钢纤维混凝 土 ; 连梁 ; 钢纤维体积率 ; 低周反复荷载 ; 应 变 随着现代混凝土结构理论的发展和混凝土强度 的提高, 剪力墙结构的承载能力 和抗震能力都有大 幅度提升 发生地震时 , 主要 由剪力墙结构来承担和 抵抗水平地震作用 从世界各地发生 的地震破坏情 况来看 , 作为剪力墙结构 中重要构件的连梁最先受 到冲击而破坏 , 连梁作为结构 的第一道防线在墙肢 屈服之前达到屈服 , 尽可能发挥其塑性 变形能力 以 及耗散地震能量 , 可有效减轻整个主体 结构 的损坏 程度 , 因此如何提高连梁的性能也受 到了国内外学 者的广泛重视 钢纤维能显著改善混凝土的抗拉、 抗弯 、 抗剪等 力学性能 , 提高混凝土的延性和韧性 , 增加钢筋混凝 土 结 构 的变形 能 力 和 抗 震 能 力 在 钢 筋 混 凝 土 连梁或者剪力墙中加入钢纤维 , 将改善连梁或剪力 墙结构的承载能力和抗震性能 因此 , 笔者设计了 4 6 0 0 60 0 图 1 试 件尺寸简图 个不同钢纤维体积率 的钢筋混凝土连梁 , 进行低周 反复荷载作用下 的试验研究 1 试验概况 1 1试 件尺 寸 依据文献 1 0 1 2 对试件设 计 的规定 , 同时 , 综合考虑剪力墙结构 中连梁 的尺寸、 加载设备 和试 验空间等 因素 , 取连梁的截面尺寸( 长 宽 高) 为 8 0 0 m m1 5 0 mm4 0 0 mm, 跨高 比为 2 0 , 两端各 有一片 1 0 0 0 m m1 5 0 m m6 0 0 mm的剪力墙 整 个试件呈工字形 , 分为连梁和墙肢两部分 , 总长度为 2 0 0 0 m m, 连梁和墙肢的厚度均为 1 5 0 mm 所有构 件均采用相 同的尺寸和配筋形式 具体试件尺寸和 配筋如图 1和图 2所示 J l O J 1 0 ,1 l O d l O Ll 1 5 J 0 a 叫 删 0 d I 1 1 1 J 一F 8 1 2 o , 1 善 I l I 1 I I I 一 | I 图 2试件配筋简图 收稿 日期 : 2 0 1 2 0 9 2 5 基金 目 : 国家 自然科学 基金项 目( 5 1 0 7 8 3 3 3 ) ; 教育部新世 纪优秀人才支持计划 ( N C E T一1 0 0 1 2 5 ) 作者简 介 : 赵军 ( 1 9 7 1 一 ) , 男 , 河南漯河人 , 教授 , 博导 , 博士 , 主要从 事纤 维材料增强与加 固混凝土结构方面 的研究 f _ , _ _ 5 2 华 北 水利 水 电 学 院 学 报 2 0 1 2年 1 2月 1 2 试验 参数 及原 材料 混凝土强度等级为 C 5 0 , 分别制作普通混凝土 和钢纤维混 凝土两 种试 件 , 钢 纤维 体积 率分别 为 0 0 , 0 5 , 1 5 , 2 5 C 5 0混 凝 土配合 比见 表 1 表 1 C 5 0混凝土配合比 k g m 注 : 编号中第 1项 C C B为混凝 土剪 力墙 连梁英 文首 字母 缩写 , 其后 数 字 为 连 梁 编 号 ; 第 2项 为 钢 纤 维 体 积 率 如 C C B 2 0 5表示 2号连梁 , 其钢纤维体积率为 0 5 试 验原 材料 : 剪切 型微 扭 钢 纤维 , 长径 比为 4 2 , 等效直径为 0 7 6 , 抗拉强度为 7 6 0 MP a ; P0 4 2 5 级普通硅酸盐水泥 ; 细集料为天然河砂 , 区中砂 ; 粗集料 为 5 2 0 m m连 续级 配碎 石 1 3加载 装置 采用 水 平 低周 反 复 加 载方 式 , 加 载 时将 试 件 竖 立放置 , 连梁两端剪力墙分别与地梁和加 载曲梁连 接 , 水平荷载通过连梁两端的剪力墙传递到连梁上 为模拟实际工程中由剪力墙相对变形引起连梁受力 的情况 , 试验装置在加载曲梁顶面设计了保证水平 加载的平行铰, 曲梁加载点位于连梁形心位置 采 用荷 载 一位移 混合 控制 的水平 低周 反 复荷载 的加载制度 , 加载过程分为荷 载控制和位移控制两 个阶段 在试件屈服之前 , 采用荷载控制的方式对试 件进行加载 , 所加荷载分级递增并水平往复进行 , 每 级 荷载 循环 1 次 , 当荷 载 临 近 试件 屈 服 荷 载 时 增加 分级 , 直至试件屈服 当试件屈服之后 , 改为位移控 制加载, 即根据试件屈服时的位移作为位移控制参 数 , 逐级递增 , 每次位移循环 3次 , 直到构件 的承载 力下降为极限承载力 的 8 0 时停止 , 认定此 时构件 已完 全破 坏 1 4测 点布置 钢筋 的受力状态直接反应构件的受力情况 , 因 此在试验 中主要测试了梁端和梁跨 中的纵向受力钢 筋应变 、 纵向构造钢筋应变 以及不 同位置的箍筋应 变 , 以分析在试验过程 中各部位钢筋应变的变化情 况 应变片具体位置及编号如 图 3所示 , 其中 1 2 0 号应变片为箍筋应变片 , 2 1 4 6号应变片为纵向钢 筋应变片 , 括号中编号为与括号外编号相对应的背 面钢筋应变片 为测量连梁在受力过程 中的位移情况 , 在梁受 力方 向两侧各布置 4个位移计来测量加载过程中连 梁与剪力墙的相对位移 , 位移计在连梁各侧 的具体 布置情况和编号如图4所示 图 3 钢筋应变 片分布 图 图 4连 梁 位 移 测 点分 布 图 2 钢筋应变分析 2 1 纵 向钢筋 应变 分析 试件在正向加载过程 中的纵向钢筋应变随荷载 的变化情况如图 5所示 从开始加载到破坏 , 连梁 中 钢筋应变 的变化可分为以下 4个阶段 1 ) 初始加载时, 荷载较小 , 由于混凝 土和钢筋 共同承受荷载, 梁顶、 跨中和梁底截面的钢筋应变都 比较小 在梁顶 出现受弯裂缝之后 , 随着荷 载 的变 化 , 连梁两端的纵 向受力钢筋呈现梁顶受 拉而梁底 受 压 的现象 , 与连 梁 的内力 分布相 一致 由于此 时荷 载较小 , 且纵 向构造钢筋位 于截面 中部 , 其应变很 小 , 在此 阶段 基本 没有 太大 变化 2 ) 试件开裂 以后 , 随着荷载 的不 断增加 , 梁 中 受力纵 向钢筋应变 明显增大 , 梁顶截面纵 向钢筋受 拉 , 梁底截面纵向钢筋受压 , 但跨中截面纵向钢筋应 变很小, 符合反弯点受力状况特点 同时随着连梁中 钢纤维体积率的增大 , 在 同一荷载阶段受力纵筋的 应变有所降低 在这个阶段, 纵 向构造钢筋主要表现 为受拉 , 但应变较小 第 3 3卷第 6期 赵军 , 等 : 钢 筋钢纤维混凝土连梁 的变形特点 5 3 3 ) 随着斜裂 缝 的发展和两端 水平裂缝不 断从 两端向跨中出现, 连梁纵筋的受力也发生变化 , 梁顶 截 面 的拉应 变 和梁 底 截 面 的 压应 变 明显 增 大 , 跨 中 截面纵筋开始受拉 而对 于纵 向构造钢筋 , 梁顶 、 梁 底 和跨 中截 面钢 筋 都 处 于 受拉 状 态 , 且应 变 明显 增 大 , 说明随着钢纤维的加入 , 增大了构造钢筋参与受 力 的程度 4 ) 进入破坏阶段以后 , 由于钢纤维体积率的不 应变 ( a )C C B I - 0 0 纵向受力筋应变 3 0 0 25 0 Z 20 0 旺 1 5 0 1 0 0 5 0 0 Z 窿 应变 ( c ) C C B 2 - 0 5 纵 向受力 筋应变 - 1 0 0 0 0 1 0 0 0 2 0 0 0 3 0 0 0 4 0 0 o 5 0 0 0 6 0 0 0 应变 “ ( e )CC B 3 - 1 5 纵 向受力筋应变 同, 各个试件 中纵 向钢筋的最终受力应变情况也有 较大区别 在钢纤维体积率较小的试件中, 直至试件 破坏纵向钢筋也没有达到屈服 ; 而随着钢纤维体积 率的增加 , 纵向钢筋在破坏阶段达到屈服 这是由于 钢纤维体积率较小时 , 裂缝发展不太充分, 纵 向钢筋 的作用没有得到充分发挥 随着钢纤 维体积率的增 加 , 试件表面形成较密的裂缝体系, 使纵筋的作用得 到有效 发挥 Z 暖 Z 暖 Z 暖 应变 ( b )C C B 1 - 0 0 纵向构造筋应变 Z 旺 应变 ( d ) C CB 2 - 0 5 纵向构造筋应变 应变 “ ( f ) C C B3 -1 5 纵向构造筋应变 0 0 0 - 8 0 0 0- 6 0 0 0 - 4 0 13 0- 21 3 0 0 0 2 0 0 0 4 0 0 06 0 0 0 8 0 0 0 应变 应变 ( g ) C C B 4 2 5 纵向受力筋应变 ( h )C CB 4 2 5 纵 向构造筋应变 图 5连梁纵 向钢 筋应 变图 2 2箍 筋应 变分 析 正 向加载时, 不 同钢纤维体积率试件 中穿过斜 裂缝 的箍筋的应变变化情况如 图 6所示 其 中系列 1为钢纤维体积率 1 5 试件 中的箍筋应变, 系列 2 为未掺加钢纤维试件中的箍筋应变 由图 6可知, 系 列 1和系列 2有基 本相 同的应变变化趋势 , 在未 出 5 4 华北水利水 电学 院学报 2 0 1 2年 1 2月 现斜裂 缝 的时候 , 箍 筋 应 变 很小 , 随 着 裂缝 的 出现 , 箍筋应变会突然增大 , 最后跨越 临界斜裂缝 的箍筋 会 随着 裂缝 的发 展发 生屈 服 0 0 0 图 6试 件 临界 裂 缝 处 箍 筋 应 变 情 况 比较 系列 1和 系 列 2可 以得 到 , 由于 钢纤 维 的 加入 , 箍筋应变的变化趋势有所不同 当荷载为 1 4 0 k N 时, 普通混凝土试件的箍筋应变 明显增大 , 而钢纤维 混凝土试件箍筋在荷载接近 2 4 0 k N时才 出现明显 的增 大趋 势 这 主要 是 由于 乱 向分 布 的钢 纤 维 均 匀 分布于试件 的各个部位 , 当试件开裂 以后 , 跨越裂缝 的钢纤维发挥优异的桥架作用 , 在承担荷载的同时, 还能把裂缝两端的应力 向周围混凝土 中传递; 由于 钢纤维数量较多 , 几乎试件所有截面的混凝土都参 1 2 3 4 测点 ( a ) 试件C C BI _ o 0 位移变化 图 一6 0 31 与受力 , 形成了典型的混凝土多缝开裂状态, 在整个 试件表面产生交叉斜裂缝 网格体系 , 使跨越裂缝 的 箍筋应变大大减小 同时 , 也使箍筋的延性得到了充 分 的发挥 3 侧 向位移分析 各试件在加载过程中在连梁同一侧 4个测点 的 位移变化情况如图 7所示 在荷载较小时, 试件侧 向 位移沿梁长近似呈 线性分布 随着荷载的增加和裂 缝 的出现, 由于弯矩和剪力的作用 , 侧 向位移分布曲 线呈现出接近倒 s形分布特征 , 这和梁的弯曲变形 截然不 同, 反映出试件 以跨 中截 面为反弯点的受力 状态 同时 , 侧向位移分布从线性到非线性 的变化 , 反 映了连 梁 中裂 缝 开展及 刚度 等 的变 化情 况 随着荷载的增加 , 裂缝逐渐开展 , 连梁刚度不断 下降, 且随着荷载的增加刚度下降程度增大 通过对 图 7中各试件位移变化图的比较可见 , 随着试件中 钢纤维体积率的增加 , 在相同荷载作用下, 试件的侧 向位移有所减小 , 但破坏时的极限位移明显增大 , 使 试件的破坏延性有所改善 g 测点 ( b ) 试件C CB 2 - 0 5 位移变化图 4 结语 1 ) 钢纤维体 积率影响着钢筋混凝土连梁 中纵 向钢筋的应变变化 当连梁处于破坏阶段时, 钢纤维 对裂缝的限制作用使纵 向钢筋的抗拉作用得到有效 发 挥 , L O 5 O 5 0 5 O 3 2 2 l l 吕 知 如 加 :2 m 5 0 甚 迥 第 3 3卷第 6期 赵军 , 等 : 钢筋钢纤维混凝土连梁 的变形 特点 5 5 2 ) 钢纤维的加入 , 明显降低 了同级荷载下跨越 裂缝的箍筋应变, 并显著提高了箍筋的极限应变 3 ) 钢纤维的加人 , 明显降低 了试件在 同级荷载 作用下的侧向位移 , 并显著增大了试件 的极 限位移 , 改善了试件的破坏延性 参 考 文 献 1 G a l a n o L , V i g n o l i A S e i s m i c b e h a v i o r o f s h o r t c o u p l i n g b e a m s w i t h d i f f e r e n t r e i n f o r e c me n t l a y o u t s J A C I S t r u c t u r a l J o u r n a l , 2 0 0 0 , 9 7 ( 6 ) : 8 7 68 8 5 2 曹云峰 , 张彬彬 , 赵杰林 , 等 改 善洞 口连梁抗 震性 能的 一 种有效 配 筋 方案 J 重 庆 建筑 大 学 学 报 , 2 0 0 3 , 2 5 ( 5): 2 43 0 3 龚炳年 , 方鄂华 反复荷载 下联肢 剪力墙 结构 连系梁 的 性 能 J 建筑结构学报 , 1 9 8 8 ( 1 ) : 3 4 4 0 4 张宏 战 , 张瑞 瑾 , 黄 承逵 钢 纤维 高 强混凝 土 连梁 抗剪 试验研 究 J 土木工程学报 , 2 0 0 7 ( 1 1 ) : 1 5 2 2 。 5 赵军, 马鑫, 贾博 钢筋钢纤维混凝土连梁的裂缝和破 坏形态 J 中国科技论文 , 2 0 1 2 ( 5 ) : 3 4 3 3 4 6 6 刘华 民 低周反 复荷 载作用 下联 肢剪 力墙 连梁 的抗 震 性能及斜截面抗剪 强度 的试 验研究 D 重庆 : 重庆 建 筑大学 , 1 9 9 7 7 赵军 , 高丹盈 , 杜兴 亮 钢纤 维混 凝土 低剪 力墙抗 震 性 能试 验研 究 J 地 震 工程 与 工程 振 动 , 2 0 0 9( 4) : 1 0 3 1 08 8 邱计划 钢纤 维增 强部分 混凝 土剪 力墙 受力 性能 试验 研究 D 郑 州 : 郑州大学 , 2 0 0 7 9 高丹盈 , 赵军 , 朱海堂 钢纤 维混凝 土设计 与应用 M 北京 : 中国建筑工业 出版社 , 2 0 0 2 1 0 大连理工大 学 C E C S 1 3 : 2 0 0 9纤维 混凝土试 验方 法标 准 S 北京 : 中国计划出版社 , 2 0 1 0 1 1 大连理工大 学 C E C S 3 8 : 2 0 0 4纤维混 凝土结 构技术 规 程 S 北京 : 中国计划 出版社 , 2 0 0 4 1 2 中 国建筑科 学研 究 院 J G J 1 0 1 9 6 建筑 抗震 试验 方 法规程 s 出版地 、 出版社不详 , 1 9 9 7 S t r a i n Cha r ac t e r i s t i c s o f S t e e l Fi b e r Re i nf o r c e d Co nc r e t e Co u pl i ng Be a ms Z HAO J u n,MA Xi n,L I G u a n g h u i ( S c h o o l o f C i v i l E n g i n e e r i n g , Z h e n g z h o u U n i v e r s i t y , Z h e n g z h o u 4 5 0 0 0 1 , C h i n a ) Abs t r ac t :Thr o u g h t h e t e s t r e s e a r c h o n t he 4 r e i n f o r c e d c o nc r e t e c o up l i n g b e a ms wi t h d i f f e r e nt v o l u me f r a c t i o ns o f s t e e l fibe r s u n de r t he l o w c y c l i c r e v e r s e l o a d,t he s t r a i n o f r e i n f o r c e me nt s a n d t h e h o r i z o n t a l di s p l a c e me nt o f t h e c o up l i n g b e a ms wi t h d i f f e r e n t v o l ume f r a c t i o n s o f s t e e l fi b e r s we r e t e s t e d ,a n d t h e e f f e c t s o f d i f f e r e n t v o l u me fra c t i o n s o f s t e e l fi b e r s o n t h e s t r a i n o f r e i n f o r c e me n t s a n d t h e h o r i z o n t a l d i s p l a c e me nt s o f t h e r e i n f o r c e d c o nc r e t e c o u pl i ng b e a ms we r e a n a l y z e dThe r e s u l t s i nd i c a t e d t ha t t he e f f e c t s o f v o l u me fra c t i o n s o f s t e e l fib e r s o n t he s t r a i n o f l o n g i t u di n a l r e i n f o r c e me n t s,t he s t r a i n o f t r a ns v e r s e r e i n f o r c e me n t s a nd t he h o r i z o n t a l d i s p l a c e me nt s o f c o up l i n g be a ms a r e o b v i o us ,wh i c h wi t h t h e i n c r e a s e o f v o l u me fra c t i o ns o f s t e e l f i be r s ,t he u l t i ma t e s t r a i n s o f r e i n f o r c e me nt s a n d t he ul t i ma t e di s pl a c e me n t s o f c o u pl i n g b e a ms i n c r e a s e d s i gn i fic a n t l y Ke y wor d s:s t e e l fib e r r e i n f o r c e d c o nc r e t e;c o up l i ng b e a m ;v o l ume fra c t i o n o f s t e e l fibe r s;l o w c y c l i c r e v e r s e l o a d;s t r a i n ( 责任编辑 : 陈海涛 )
展开阅读全文

开通  VIP会员、SVIP会员  优惠大
下载10份以上建议开通VIP会员
下载20份以上建议开通SVIP会员


开通VIP      成为共赢上传

当前位置:首页 > 环境建筑 > 基础工程/设备基础

移动网页_全站_页脚广告1

关于我们      便捷服务       自信AI       AI导航        抽奖活动

©2010-2026 宁波自信网络信息技术有限公司  版权所有

客服电话:0574-28810668  投诉电话:18658249818

gongan.png浙公网安备33021202000488号   

icp.png浙ICP备2021020529号-1  |  浙B2-20240490  

关注我们 :微信公众号    抖音    微博    LOFTER 

客服