收藏 分销(赏)

钢筋工作业前预先危险性分析、确认、交底.doc

上传人:二*** 文档编号:4778906 上传时间:2024-10-12 格式:DOC 页数:3 大小:54KB 下载积分:5 金币
下载 相关 举报
钢筋工作业前预先危险性分析、确认、交底.doc_第1页
第1页 / 共3页
本文档共3页,全文阅读请下载到手机保存,查看更方便
资源描述
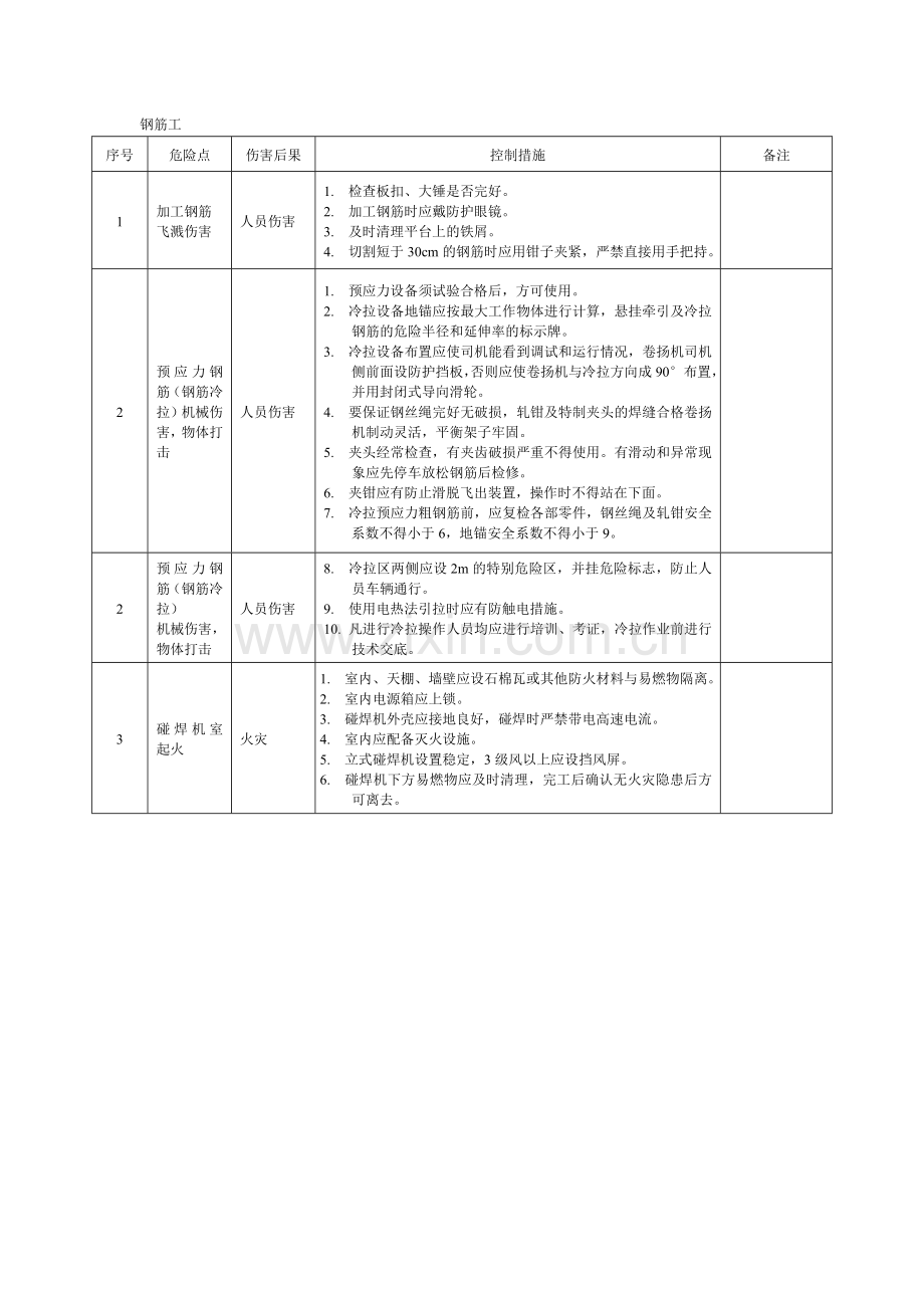
钢筋工 序号 危险点 伤害后果 控制措施 备注 1 加工钢筋 飞溅伤害 人员伤害 1. 检查板扣、大锤是否完好。 2. 加工钢筋时应戴防护眼镜。 3. 及时清理平台上的铁屑。 4. 切割短于30cm的钢筋时应用钳子夹紧,严禁直接用手把持。 2 预应力钢筋(钢筋冷拉)机械伤害,物体打击 人员伤害 1. 预应力设备须试验合格后,方可使用。 2. 冷拉设备地锚应按最大工作物体进行计算,悬挂牵引及冷拉钢筋的危险半径和延伸率的标示牌。 3. 冷拉设备布置应使司机能看到调试和运行情况,卷扬机司机侧前面设防护挡板,否则应使卷扬机与冷拉方向成90°布置,并用封闭式导向滑轮。 4. 要保证钢丝绳完好无破损,轧钳及特制夹头的焊缝合格卷扬机制动灵活,平衡架子牢固。 5. 夹头经常检查,有夹齿破损严重不得使用。有滑动和异常现象应先停车放松钢筋后检修。 6. 夹钳应有防止滑脱飞出装置,操作时不得站在下面。 7. 冷拉预应力粗钢筋前,应复检各部零件,钢丝绳及轧钳安全系数不得小于6,地锚安全系数不得小于9。 2 预应力钢筋(钢筋冷拉) 机械伤害,物体打击 人员伤害 8. 冷拉区两侧应设2m的特别危险区,并挂危险标志,防止人员车辆通行。 9. 使用电热法引拉时应有防触电措施。 10. 凡进行冷拉操作人员均应进行培训、考证,冷拉作业前进行技术交底。 3 碰焊机室起火 火灾 1. 室内、天棚、墙壁应设石棉瓦或其他防火材料与易燃物隔离。 2. 室内电源箱应上锁。 3. 碰焊机外壳应接地良好,碰焊时严禁带电高速电流。 4. 室内应配备灭火设施。 5. 立式碰焊机设置稳定,3级风以上应设挡风屏。 6. 碰焊机下方易燃物应及时清理,完工后确认无火灾隐患后方可离去。 建筑专业使用机械 1 (一) 砂轮机违章作用 人身伤害 1.砂轮机的旋转方向不得正对其他设备、机器。 2.发现砂轮片有缺损或裂纹,严禁使用,有效半径磨损达到原半径的l/3时必须更换。 3.砂轮机必须安装托架,托架与砂轮片间隙应经常凋整,最大不得超过3mm。 4.砂轮机不得两人同时使用一个砂轮片;不得在砂轮片侧面打 磨;不得用砂轮机打磨软金属、非金属及大工件。 2 (二) 平刨机违章作用 人身伤害 1.平刨机必须有安全防护装置,否则严禁使用,严格按操作规程作业。 2.刨旧料时必须将铁钉、泥沙等清理千净后作业。 3.同一台刨机的刀片重量、厚度必须一致,刀架、夹板必须吻合。刀片焊缝超出到头和有裂纹的刀具不使用。紧固刀片的螺钉应嵌入槽内,并离刀背不少于10mm。 3 (三) 压刨机违章作用 人身伤害 1.作业时严禁戴手套,站在刨机的一侧,严格按操作规程施工。 2.进料应平直。发现材料走横或卡住时,应停机降低台面拨正,必须待料走出台面接料 4 (四) 圆盘锯违章作用 人身伤害 1.操作前应进行检查,锯片不得有裂口,螺丝应拧紧后使用。 2.严格按操作规程作业,戴防护眼镜,站在锯片一侧,严禁手臂越过锯片。 5 (五) 手电锯违章作用 人身伤害 1.使用前应检查有无漏电,操作时必须站在绝缘垫上并戴绝缘手套。 2.操作时发现异常响声或故障时,应立即停止使用,由电工检查,并经试验合格后方可继续使用。 6 (六) 钢筋切断机违章作用 人身伤害 1.切断机运转正常后方可断料,断料时手与刀口距离不得小于15cm,活动刀片前进时严禁送料。 2.切长钢筋时应由靠近机械人员指挥,动作一致;切短钢筋时应用套管或钳子夹料不得用手直接送料。 3.机械运转中,严禁用手直接清除刀口附近的短头和杂物。 7 (七) 无齿锯违章作用 人身伤害 1.无齿锯片使用前要检查,使用过程中也要经常检查,发现异常现象应立即停止作业检查、更换。 2.无齿锯片更换时轴螺丝必须拧紧检查后作业。 钢筋工作业前危险性预控分析、确认、交底人员签字:
展开阅读全文

开通  VIP会员、SVIP会员  优惠大
下载10份以上建议开通VIP会员
下载20份以上建议开通SVIP会员


开通VIP      成为共赢上传

当前位置:首页 > 环境建筑 > 其他

移动网页_全站_页脚广告1

关于我们      便捷服务       自信AI       AI导航        抽奖活动

©2010-2026 宁波自信网络信息技术有限公司  版权所有

客服电话:0574-28810668  投诉电话:18658249818

gongan.png浙公网安备33021202000488号   

icp.png浙ICP备2021020529号-1  |  浙B2-20240490  

关注我们 :微信公众号    抖音    微博    LOFTER 

客服