收藏 分销(赏)

比热容的测量.doc

上传人:二*** 文档编号:4765047 上传时间:2024-10-12 格式:DOC 页数:2 大小:85.54KB 下载积分:5 金币
下载 相关 举报
比热容的测量.doc_第1页
第1页 / 共2页
本文档共2页,全文阅读请下载到手机保存,查看更方便
资源描述
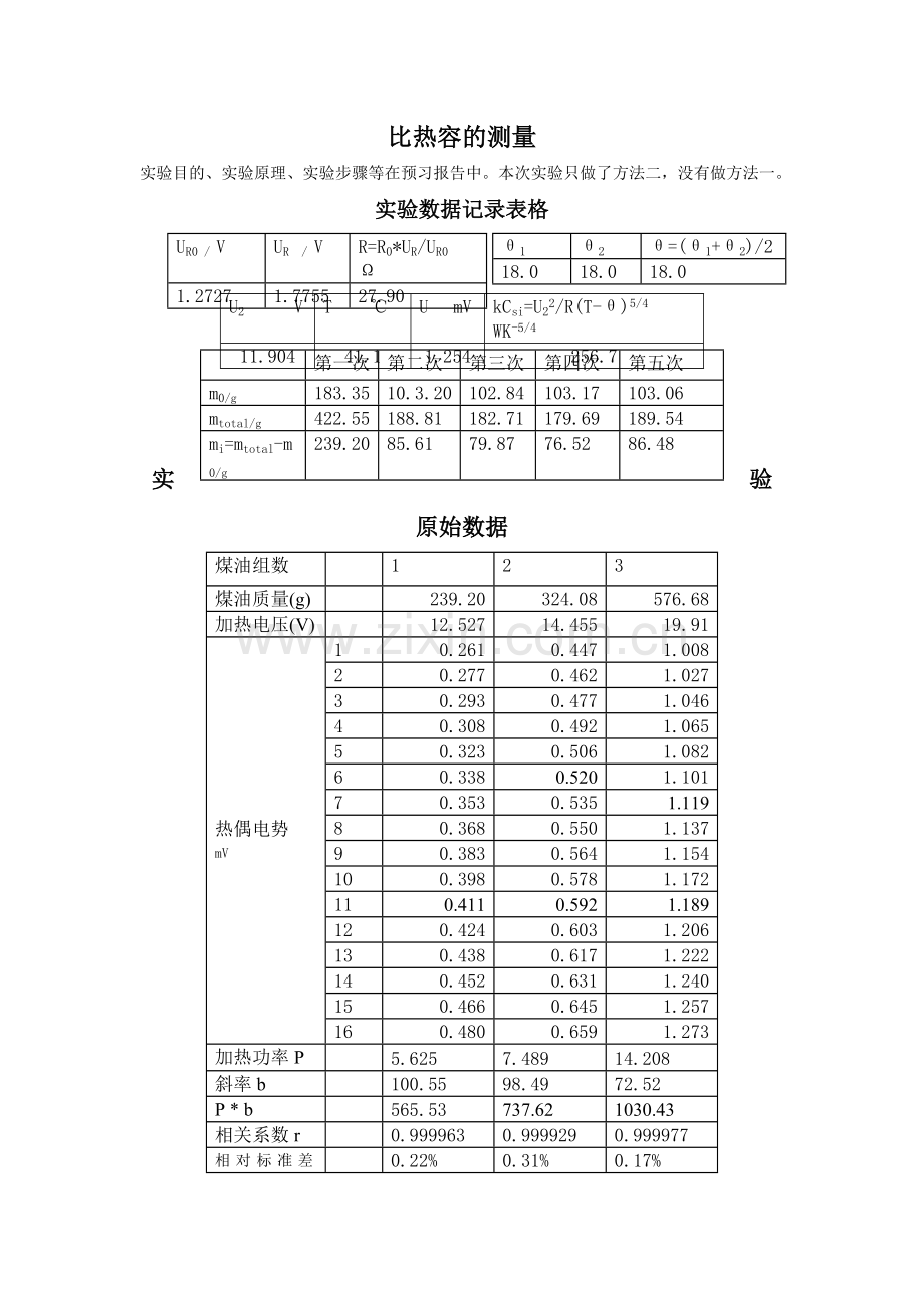
比热容的测量 实验目的、实验原理、实验步骤等在预习报告中。本次实验只做了方法二,没有做方法一。 实验数据记录表格 UR0 / V UR / V R=R0*UR/UR0 Ω 1.2727 1.7755 27.90 θ1 θ2 θ=(θ1+θ2)/2 18.0 18.0 18.0 U2 V T ℃ U mV kCsi=U22/R(T-θ)5/4 WK-5/4 11.904 41.1 1.254 256.7 第一次 第二次 第三次 第四次 第五次 m0/g 183.35 10.3.20 102.84 103.17 103.06 mtotal/g 422.55 188.81 182.71 179.69 189.54 mi=mtotal-m0/g 239.20 85.61 79.87 76.52 86.48 实验原始数据 煤油组数   1 2 3 煤油质量(g)   239.20 324.08 576.68 加热电压(V)   12.527 14.455 19.91 热偶电势 mV 1 0.261 0.447 1.008 2 0.277 0.462 1.027 3 0.293 0.477 1.046 4 0.308 0.492 1.065 5 0.323 0.506 1.082 6 0.338 0.520 1.101 7 0.353 0.535 1.119 8 0.368 0.550 1.137 9 0.383 0.564 1.154 10 0.398 0.578 1.172 11 0.411 0.592 1.189 12 0.424 0.603 1.206 13 0.438 0.617 1.222 14 0.452 0.631 1.240 15 0.466 0.645 1.257 16 0.480 0.659 1.273 加热功率P   5.625 7.489 14.208 斜率b   100.55 98.49 72.52 P * b   565.53 737.62 1030.43 相关系数r   0.999963 0.999929 0.999977 相对标准差s(b)/b   0.22% 0.31% 0.17% 对上述数据进行直线拟合处理。   油质量g 升温测量值 相关系数 斜率 斜率相对标准差 截距 组号 m P*b r c Sc/c a 第 1 组 239.2 565.5 第 2 组 324.1 737.6 第 3 组 576.7 1030.4 0.998484 2.028 3.135% 273.42 得到: 相关系数r=0.998484 斜率k=2.028 T的计算: kCsi=U2/R(T-θ)5/4 =1/4*(*b)= ℃ 不确定度分析 根据 可以得到斜率的相对标准差 又t(3)=12.7 关于数据测量与处理 这次实验的基本原理比较简单。主要的系统误差在于系统对外散热所损失的热量,系统误差修正基本上是对这部分的修正,具体的修正原理见前“实验原理”。利用自然对流的冷却公式以后进行散热修正比较复杂,因此数据处理主要通过计算机完成。这种情况下,散热修正公式的准确性比较重要,这点上,由于热学知识的欠缺,无法做出恰当的分析。 由于测量方法对最后结果会产生影响的部分有: 1、加热丝电阻的阻值:由于加热丝电阻比较小(26欧姆左右),且处在分母位置上,因此电阻值如果有较大变化或者测量不准确,对最终结果会产生影响。这包括两个方面,一是由于温度变化引起的阻值变化,二是比较法测量电阻时产生的误差。其中后者,由于采用的数字电压表,可以认为内阻确为无穷大,不确定度可以通过计算得到,约为阻值的1%,比起最后结果中的不确定度(仅为A类不确定度)基本没有影响。 2、搅拌器:搅拌过程中,搅拌器对液体做功,导致温度上升。
展开阅读全文

开通  VIP会员、SVIP会员  优惠大
下载10份以上建议开通VIP会员
下载20份以上建议开通SVIP会员


开通VIP      成为共赢上传

当前位置:首页 > 环境建筑 > 其他

移动网页_全站_页脚广告1

关于我们      便捷服务       自信AI       AI导航        抽奖活动

©2010-2026 宁波自信网络信息技术有限公司  版权所有

客服电话:0574-28810668  投诉电话:18658249818

gongan.png浙公网安备33021202000488号   

icp.png浙ICP备2021020529号-1  |  浙B2-20240490  

关注我们 :微信公众号    抖音    微博    LOFTER 

客服