收藏 分销(赏)

霓虹灯广告屏装置PLC控制梯形图的设计与调试.doc

上传人:二*** 文档编号:4746863 上传时间:2024-10-11 格式:DOC 页数:21 大小:206.04KB 下载积分:5 金币
下载 相关 举报
霓虹灯广告屏装置PLC控制梯形图的设计与调试.doc_第1页
第1页 / 共21页
本文档共21页,全文阅读请下载到手机保存,查看更方便
资源描述
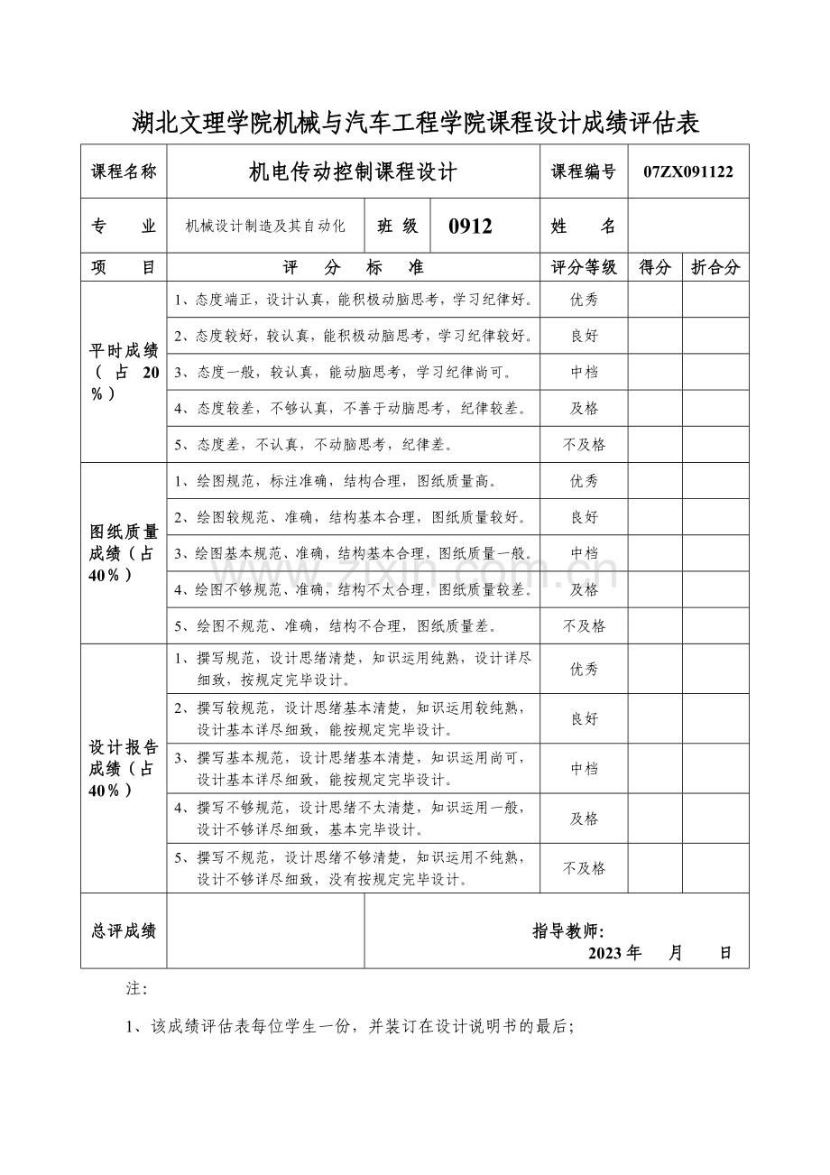
湖北文理学院机械与汽车工程学院课程设计成绩评估表 课程名称 机电传动控制课程设计 课程编号 07ZX091122 专 业 机械设计制造及其自动化 班 级 0912 姓 名 项 目 评 分 标 准 评分等级 得分 折合分 平时成绩(占20%) 1、态度端正,设计认真,能积极动脑思考,学习纪律好。 优秀 2、态度较好,较认真,能积极动脑思考,学习纪律较好。 良好 3、态度一般,较认真,能动脑思考,学习纪律尚可。 中档 4、态度较差,不够认真,不善于动脑思考,纪律较差。 及格 5、态度差,不认真,不动脑思考,纪律差。 不及格 图纸质量成绩(占40%) 1、绘图规范,标注准确,结构合理,图纸质量高。 优秀 2、绘图较规范、准确,结构基本合理,图纸质量较好。 良好 3、绘图基本规范、准确,结构基本合理,图纸质量一般。 中档 4、绘图不够规范、准确,结构不太合理,图纸质量较差。 及格 5、绘图不规范、准确,结构不合理,图纸质量差。 不及格 设计报告成绩(占40%) 1、撰写规范,设计思绪清楚,知识运用纯熟,设计详尽细致,按规定完毕设计。 优秀 2、撰写较规范,设计思绪基本清楚,知识运用较纯熟,设计基本详尽细致,能按规定完毕设计。 良好 3、撰写基本规范,设计思绪基本清楚,知识运用尚可,设计基本详尽细致,能按规定完毕设计。 中档 4、撰写不够规范,设计思绪不太清楚,知识运用一般,设计不够详尽细致,基本完毕设计。 及格 5、撰写不规范,设计思绪不够清楚,知识运用不纯熟,设计不够详尽细致,没有按规定完毕设计。 不及格 总评成绩 指导教师: 2023年 月 日 注: 1、该成绩评估表每位学生一份,并装订在设计说明书的最后; 2、指导教师按课程设计大纲的规定评估成绩,并给出总评成绩; 3、折合分:优秀≥90分,良好80-89分,中档70-79分,及格60-69分,不及格<60分。 湖 北 文 理 学 院 《机电传动控制课程设计》报告 题 目 霓虹灯广告屏装置PLC控制梯形图的设计 专 业 机械设计制造及其自动化 班 级 机制0912 姓 名 邓文超 学 号 指导教师 职 称 吴何畏 副专家 2023年 9 月 30 日 摘 要: 酒香也怕巷子深,在保证产品质量的同时,广告也是抓住消费者眼球的一个重要手段。为展现自己的形象和产品,一般都会采用霓虹灯广告屏来这种广告手法,这就涉及到如何去控制霓虹灯的亮灭、闪烁时间及流动方向等诸多控制问题,如何去快捷、可靠、简朴的去控制,成为人们考虑的重点。PLC是一种用程序来改变控制功能的工业控制计算机,这些霓虹灯的亮灭、闪烁时间及流动方向等均,可以通过PLC来达成控制的规定,这篇课程设计就是根据实验规定,进行输入输出的I/O口估算,选择PLC型号、绘制流程图、设计梯形图、编写程序清单、调试程序、修改程序,最终实现课程规定。在编写程序的时候用到了位移指令,是程序变得更加简洁。基本实现对霓虹灯的对的、稳定地控制。 关键词: 霓虹灯、广告、PLC控制、I/O口估算、位移指令 目 录 第一章 前言 1 1.1课程设计的目的 1 1.2 设计内容及目的 2 第二章 霓虹灯PLC控制的系统总体方案设计 2 2.1 硬件的配置及其组成原理 2 2.2 系统变量定义及分派表 2 2.3 系统接线图设计 3 2.4 系统可靠性设 4 第三章 控制系统的设计 4 3.1 I/O估算 4 3.2 PLC选型 4 3.3 I/O分派表设计 4 3.4 外部接线图设计 4 3.5 控制程序流程图设计 6 3.6 控制程序设计 7 3.7 创新设计内容 7 第四章 系统的调试及解决的问题 8 4.1 系统的调试 8 4.2 结果分析 8 第五章 总结 9 参考文献: 10 附录 11 第一章 前言 1.1课程设计的目的 1.霓虹灯广告屏装置PLC 控制梯形图的设计与调试 该广告屏共有8 根灯管,24 只流水灯,每4 只灯为一组,如下图所示: 2. 控制规定:: (1)该广告屏中间8 根灯管亮灭的时序为:第1 根亮→2 亮→3 亮→……→第8 根亮,时间间隔为1s,全亮后,显示10s,再反过来从8→7→……→1 按1s 间隔顺序熄灭,全灭后停亮2s;再从第8 根开始亮,顺序点亮7→6→……→1,时间间隔1s,显示5s,再从1→2→……→8 按1s 间隔顺序熄灭,全灭后停亮2s,然后反复运营,周而复始。 (2)24只流水灯,4个一组提成6组,从Ⅰ→Ⅱ→……→Ⅵ按1s 时间间隔依次向前移动,且点亮时每相隔1 灯为亮,即从Ⅰ“①、③”亮→Ⅱ“⑤、⑦”亮,同时Ⅰ“①、③”灭→Ⅲ“ 、 ”亮,同时Ⅱ“⑤、⑦”灭……,如此移动一段时间(如30s)后,再反过来移动一段时间:Ⅵ“ 、 ”亮 →Ⅴ“ 、 ”亮,同时Ⅵ“ 、 ”灭,……如此循环往复。 (3)系统有单步/连续控制,有起动和停止按钮。 (4)起动时,灯管和流水灯同时起动,关闭时,可同时也可分别关闭。 (5)在控制规定1 中,若规定将全亮后显示10s 改为以0.5s 间隔同时闪烁5s,试修改程序 (6)*规定有移位指令的应用 3. 编程并模拟调试 4. 画出I/O 端子接线图 1.2 设计内容及目的 这个课程设计就是通过度析控制规定、拟定PLC的I/O接口的数目、选择PLC型号、绘制流程图、设计梯形图、编写程序清单、调试程序、修改程序,实现按上面的规定实现用三菱PLC控制系统控制8个霓虹的和周边的24流水的的有规律的闪烁。 第二章 霓虹灯PLC控制的系统总体方案设计 2.1 硬件的配置及其组成原理 根据规定,硬件的配置重要有:电源;三菱FX系列的PLC(要通过输入输出I/O接口的计算和查三菱的编程手册最终拟定具体型号);8个长灯管;24个流水灯;足够数量的导线。 2.2 系统变量定义及分派表 根据课题规定,初步设计I/O点为输入有6个,输出有23个,具体如下: 输入信号的I/O分派表: 原件 启动按钮 SB1 复位按钮 SB2 灯管复位按钮SB3 流水灯复位 按 钮SB4 单步控制X4 连续控制 X5 相应接口 X0 X1 X2 X3 X4 X5 灯管输出信号I/O分派表: 原件 灯管1 灯管2 灯管3 灯管4 灯管5 灯管6 灯管7 灯管8 相应接口 Y0 Y1 Y2 Y3 Y4 Y5 Y6 Y7 流水灯输出信号I/O分派表: 原件 流水灯1、3 流水灯5、7 流水灯9、11 流水灯13、15 流水灯17、19 流水灯21、23 相应接口 Y10 Y11 Y12 Y13 Y14 Y15 原件 流水灯24、22 流水灯20、18 流水灯16、14 流水灯12、10 流水灯8、6 流水灯4、2 相应接口 Y16 Y17 Y20 Y21 Y22 Y23 2.3 系统接线图设计 2.4 系统可靠性设 PLC涉及中央解决器、主机箱、扩展机箱及相关网络和外部设备。工作现场的设备很多,每个设备都互相关联,其中任何一个设备出了问题都会影响系统的正常工作。我做的课程设计中存在的可靠性的影响因素重要有:工作时外部的电磁辐射的干扰,涉及自身电源的干扰,其他设备的电磁干扰,信号线引入的干扰,接地系统的混乱的信号干扰等等。这些都是影响系统可靠性的因素。 干扰的形成需要同时具有三个要素:干扰源、耦合通道、对干扰敏感的受扰体。因此提高系统可靠性的方法就是克制干扰源、破坏耦合通道、提高敏感元件的抗干扰能力。 具体方法有:用隔离性能较好的隔离变压器;在信号输入输出中采用数字传感器、进行电气隔离;完善接地系统:地线系统合理布置、接地线加粗减小接地阻抗。 第三章 控制系统的设计 3.1 I/O估算 根据设计规定可知,并且PLC点数的选择不管是输入点数还是输出点数都要留有一定的余量15%-20%,根据第二章I/O口分派情况可知,输入信号有6个,输出信号有20个,根据I/O点数可选择FX2N-48MR可编程控制器。 3.2 PLC选型 根据上面I/O点数的计算,考虑要留一定的余量,查PLC编程手册可选择FX2N-48MR可编程控制器。 3.3 I/O分派表设计 输入信号的I/O分派表: 原件 启动按钮 SB1 复位按钮 SB2 灯管复位按钮SB3 流水灯复位 按 钮SB4 单步控制X4 连续控制 X5 相应接口 X0 X1 X2 X3 X4 X5 灯管输出信号I/O分派表: 原件 灯管1 灯管2 灯管3 灯管4 灯管5 灯管6 灯管7 灯管8 相应接口 Y0 Y1 Y2 Y3 Y4 Y5 Y6 Y7 流水灯输出信号I/O分派表: 原件 流水灯1、3 流水灯5、7 流水灯9、11 流水灯13、15 流水灯17、19 流水灯21、23 相应接口 Y10 Y11 Y12 Y13 Y14 Y15 原件 流水灯24、22 流水灯20、18 流水灯16、14 流水灯12、10 流水灯8、6 流水灯4、2 相应接口 Y16 Y17 Y20 Y21 Y22 Y23 3.4 外部接线图设计 3.5 控制程序流程图设计 3.6 控制程序设计 第四章 系统的调试及解决的问题 4.1 系统的调试 在调试过程中用到了三菱的PLC仿真软件,但是它规定掌握和理解仿真软件的指令系统,因此在调试的过程中碰到了一点小麻烦。用这个软件可以清楚的看到程序的没一个环节,也可以清楚的看到运营效果。 4.2 结果分析 仿真结果没有问题,可以满足设计规定。 。 第五章 总结 PLC课程设计已经完毕,但是学习没有结束。在这次课程设计里面,我又重拾了丢了快一年的机电传动控制这门课,很多以前很明白的东西,现在都忘了,又把书翻开慢慢看。我一方面按照规定把课程设计的框架给写出来,再慢慢根据框架写具体的内容,由于个人出于对这门课的爱好,我想尽量做得完善一点,所以对其进行了好几次修改和补充,个人还算比较满意了。不能说这个实验报告有多好,但我努力了,花了心思,感觉这两天做这个东西也比较充实,更重要的是我学到东西了,不仅是把我之前学的捡起来了,还学到了一点新的东西!学习是一种态度,是一种不知足的态度,没有最佳,只有更好,要尽也许完善它,充实它。现在由于在准备考研,时刻充满着危机感,感觉时间很紧迫,没有花大把大把的时间在这个课程设计上面,满打满算我就只花了差不多四天,有些实在不理解的东西,没有纠缠,直接问同学去了。最终在自己的努力、同学的帮助和网络的辅助下完毕了这个课程设计。感谢老师提供了这次课设的机会,我可以更好的系统的学习一门课程,可以更好的理解本专业的相关知识,也能更好的面对后面的学习与生活。 参考文献: [1]. 金宝森,卢智先.材料力学实验[M].北京:机械工业出版社,2023. [10].邓星钟.机电传动控制(第三版)[M].武汉:华中科技大学出版社.2023.
展开阅读全文

开通  VIP会员、SVIP会员  优惠大
下载10份以上建议开通VIP会员
下载20份以上建议开通SVIP会员


开通VIP      成为共赢上传

当前位置:首页 > 包罗万象 > 大杂烩

移动网页_全站_页脚广告1

关于我们      便捷服务       自信AI       AI导航        抽奖活动

©2010-2025 宁波自信网络信息技术有限公司  版权所有

客服电话:0574-28810668  投诉电话:18658249818

gongan.png浙公网安备33021202000488号   

icp.png浙ICP备2021020529号-1  |  浙B2-20240490  

关注我们 :微信公众号    抖音    微博    LOFTER 

客服