收藏 分销(赏)

餐厅食品安全品质检查表.xls

上传人:二*** 文档编号:4733845 上传时间:2024-10-11 格式:XLS 页数:6 大小:132.50KB 下载积分:5 金币
下载 相关 举报
餐厅食品安全品质检查表.xls_第1页
第1页 / 共6页
本文档共6页,全文阅读请下载到手机保存,查看更方便
资源描述
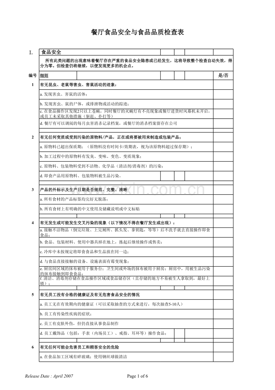
餐餐厅厅食食品品安安全全与与食食品品品品质质检检查查表表I.I.食食品品安安全全 所所有有此此类类问问题题的的出出现现意意味味着着餐餐厅厅存存在在严严重重的的食食品品安安全全隐隐患患或或已已经经发发生生,这这将将导导致致整整个个检检查查自自动动失失效效,得得分分为为零零。但但检检查查仍仍将将继继续续,以以便便发发现现更更多多的的机机会会点点。编编号号 细细则则是是/否否1有有无无昆昆虫虫、老老鼠鼠等等害害虫虫、害害鼠鼠活活动动的的迹迹象象:a.发现害虫、害鼠的活体;b.发现害虫、鼠的尸体,或排泄物或活动的踪迹;c.在食品操作区发现2只以上苍蝇,同时餐厅的灭蝇灯有不亮现象或餐厅进货时风幕机未开启,或员工未采取其他措施(驱赶、扑打等)d.餐厅有可以调阅的每月虫害消杀记录档案,或餐厅的消杀档案留存在公司2有有无无任任何何变变质质或或受受到到污污染染的的原原物物料料/产产品品,正正在在或或将将要要被被用用来来制制造造或或包包装装产产品品;a.原物料已超出保质期;(原物料没有时间卡/效期表,视为该原物料超过保存期);b.加工过程中的原物料有发臭、变味、变色、变质现象;c.原物料、包装物料受到不洁物、化学品(清洁剂/消毒剂)的污染;d.即食产品用原物料、包装物料被生品污染。3产产品品的的外外标标示示及及生生产产日日期期是是否否规规范范、完完整整、清清晰晰a.所有食材的产品标签均完好无脱落;b.所有食材上有明确的中文使用及储藏说明或中文标贴4有有无无发发生生或或可可能能发发生生交交叉叉污污染染的的现现象象(以以下下情情况况不不得得在在餐餐厅厅发发生生或或出出现现):a.接触不洁物品(倒完垃圾、上完厕所、抓头发、拿钥匙,等等)后不洗手就去直接操作即食食品;b.食品、包装材料、使用中器具掉在地上,拣起后继续操作或售卖;c.冷库中未按规定将即食食品和生品放在同一边;d.与食品直接接触的设备、设施表面有霉变现象;e.厨房间区域的抹布被用于服务台;卫生间或外场的抹布被用于厨房;厨房中,用被生品污染的抹布接触到即食食品;f.清洁、消毒剂存储在食品操作区域或食品储存区(且存储的地方不易被生人拿取到,最好上锁);5有有无无员员工工没没有有合合格格的的健健康康证证及及有有无无危危害害食食品品安安全全的的情情况况a.员工无在有效期内的健康证(可以采取抽查的方式来进行,每次抽查5-10人)b.员工有传染性疾病的症状;c.员工有皮肤外伤,但仍直接从事食品制作d.员工戴饰品(包括:手表(内场员工)、戒指、耳环等)操作食品;6有有无无任任何何可可能能会会危危害害员员工工和和顾顾客客安安全全的的危危险险a.在食品加工区域有碎玻璃;使用钢丝球做清洁Release Date:April 2007Page 1 of 6b.设备照明/加热灯非正常裸露c.电线裸露或电器设备违规操作II.卫卫生生与与消消毒毒得得分分7所有员工勤洗手,符合洗手标准8员工穿干净标准的制服。生产区员工须带帽子,另外女生长发还须带发罩9员工手指甲修剪整齐、干净,未涂指甲油和带假指甲10无发生交叉污染的操作情况或器具摆放方式导致交叉污染的可能11所有的清洁和消毒用品应该是PJI认可的;12清洁和消毒剂配制说明书有张贴,并且相关的清洁剂、消毒剂配制浓度正确13消毒溶液应有配制时间、相应浓度和有效期,按规定及时更换;消毒水试纸储存方式正确,而且有被正确使用14有专用的洗手池不做他用,并配有消毒洗手液、消毒抹手液、擦手纸;外场服务柜边上有消毒抹手液15所有的工作台边都有200ppm的消毒水,水吧小器具浸泡在10ppm的消毒水中,且在有效期内;16清洁用具清洁、且整齐的摆放于适当的位置,拖把池清洁且无杂物未堵塞;17厨房区域的清洁:a.内场所有矿棉板完整、无水渍或缺损、缺失现象;b.厨房区照明设施良好,灯箱片及内场通风口保持干净;c.厨房区域墙壁、开关、门及门帘清洁无污垢;d.厨房区域地面及踢脚线清洁;e.所有层架、工作台、货架保持干净f.各种设施、设备内外清洁g.所有地沟、地沟盖、滤网清洁无异味18用于清洗的三个水槽有标示,并有温度提示(清洗:110-120或43.3-48.9;冲洗:75-85或23.9-29.4;消毒:75-85或23.9-29.4)水槽根据需要及时更换清洗液及消毒水;19 所有与食品接触的器具要进行清洗,消毒并正确存放(包括在TABLE上的小器具);20用于摆放食品的容器保持干净(包括:外送保温包,外送机车后备箱等)21空面团盘叠放妥当,预防虫害,如暴露在外面则加以覆盖22垃圾置于有盖的容器内,且容器内外清洁;待丢弃的垃圾袋扎口无破损;23洗手间保持干净,包括房顶、墙面、踢脚、地面、照明、台盆、台面、装饰物及喷香罐保持干净及良好状态24员工有良好的随手清洁习惯卫卫生生与与消消毒毒所所得得分分数数及及百百分分比比III.食食品品存存贮贮安安全全及及原原料料存存贮贮设设备备得得分分25餐厅中的货物按先进先出(FIFO)使用,且所有货物有遮盖物或密封包装并有显而易见的保质期标签;M/T不使用时,随时加盖。且盖子无破损维护良好;26餐厅的食材及盛放食品的容器存放按离地6(15cm),离墙2(5cm),物与物之间1(2.5cm)原则摆放;(即6-2-1原则)不可直接放在地上餐餐厅厅食食品品安安全全与与食食品品品品质质检检查查表表Release Date:April 2007Page 2 of 627冷藏库、冷冻柜、干仓库三处地方照明有防爆罩保护,维护良好;干仓通风良好,不潮湿,无霉味;28有足够可被使用的温度计至少4个29校正温度计偏差并正确记录偏差读数,温度计清洁消毒无破损维护良好;在需要使用温度计的地方温度计被正确使用30餐厅操作区温度适宜(22-27C)_;31冷藏库(33-38或1-4)_;冷藏库清洁维护良好32冷冻柜温度(-1010or-12-23)_冰激凌冷冻柜(-1010or-12-23)_;设备清洁,维护良好33正确的温度范围内且设备良好a)烤炉温度(230+/-10)_时间设定正确6_;比萨出炉的温度至少68_;b)制饼台温度(33-38或1-4)_制饼台原料温度(1-5)_;c)P/T冰箱温度_水吧工作台温度_骑手冰箱温度_(33-38或1-4);c)汤/酱料,在汤炉中(176/酱料,在汤炉中(176以上或80以上)e)咖啡机、开水机水温82_,奶茶出品的温度80_并且无漏水现象,维护良好d)以上设备均按照PJI标准清洁维护,且无破损能正常使用34微波炉、蒸面机内外维护良好能正常使用,且设置正确35保温层架加热系统工作正常,维护良好;保温包加热系统维护良好能正常使用,36汽水机运转正常,CO2容量压力在红色区域以上,CO2气体压力在30-50范围内,有供应商巡检;37餐厅咖啡机正常工作;(屏幕上显示为正常工作提示)38制冰机运转正常,按清洁手册清洁消毒机器39滤水系统按标准配置,按照标准更换滤芯(粗滤两个月、细滤六个月更换一次并保存更换记录);滤水系统紫外消毒灯处在正常工作状态(绿色指示灯有显示)40洗碗机清洗温度在54-60;冲洗温度在82-91,内外清洁能正常使用,无破损维护良好餐餐厅厅食食品品安安全全与与食食品品品品质质检检查查表表Release Date:April 2007Page 3 of 6餐餐厅厅食食品品安安全全与与食食品品品品质质检检查查表表ItemItem#编编号号Action Plan 行行动动计计划划 餐餐厅厅食食品品安安全全与与品品质质检检查查表表 在餐厅的营运操作中,为顾客提供安全和卫生的食品是餐饮行业最基本也是最为重要的前提条件。此表格为餐厅食品安全与品质的检查表格,以帮助和支持餐厅运作。在检查过程中,发现问题尤其是重要问题应随时和餐厅值班经理沟通。当检查完毕,评估人应和餐厅经理或其代表共同总结优点与待改善之处。每次检查的结果,给餐厅复印一份,做留档以便改进。餐厅在24小时内制定整改计划,并发给营运、区经理及QA。对每月检查得分低于60分的餐厅,下月将作为重点重复检查一次。
展开阅读全文

开通  VIP会员、SVIP会员  优惠大
下载10份以上建议开通VIP会员
下载20份以上建议开通SVIP会员


开通VIP      成为共赢上传

当前位置:首页 > 包罗万象 > 大杂烩

移动网页_全站_页脚广告1

关于我们      便捷服务       自信AI       AI导航        抽奖活动

©2010-2026 宁波自信网络信息技术有限公司  版权所有

客服电话:0574-28810668  投诉电话:18658249818

gongan.png浙公网安备33021202000488号   

icp.png浙ICP备2021020529号-1  |  浙B2-20240490  

关注我们 :微信公众号    抖音    微博    LOFTER 

客服