收藏 分销(赏)

海南省物业管理等级收费标准模板.doc

上传人:精**** 文档编号:4682592 上传时间:2024-10-09 格式:DOC 页数:7 大小:70KB 下载积分:6 金币
下载 相关 举报
海南省物业管理等级收费标准模板.doc_第1页
第1页 / 共7页
海南省物业管理等级收费标准模板.doc_第2页
第2页 / 共7页


点击查看更多>>
资源描述
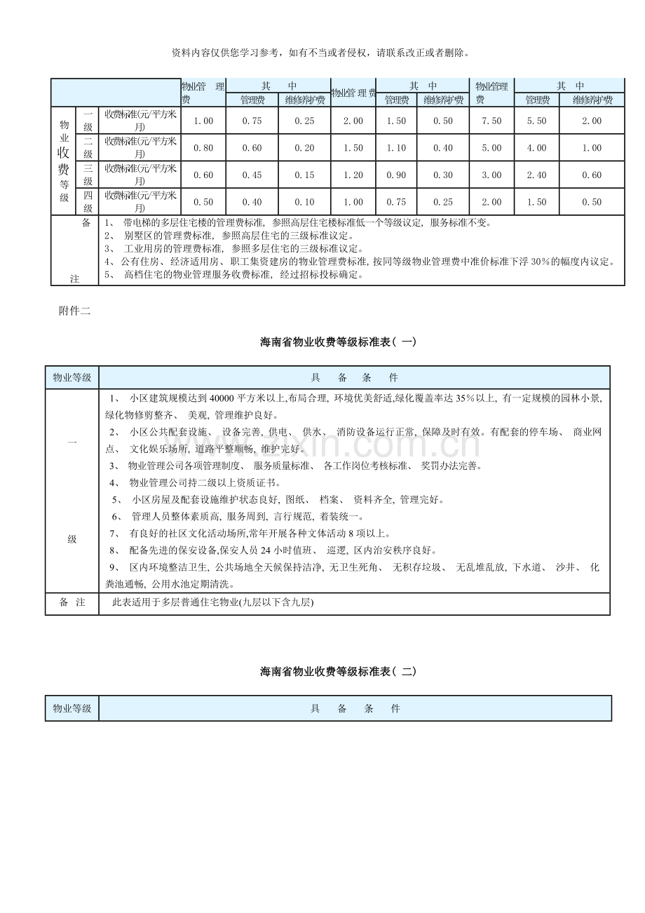
资料内容仅供您学习参考,如有不当或者侵权,请联系改正或者删除。 海南省物价局、 省建设厅关于公布我省物业管理等级收费标准的通知 一九九九年十二月十三日 琼价营字[1999]413号 各市、 县物价局( 办) 、 建设局( 委) 、 洋浦经济发展局, 省属各物业管理公司:   为规范我省物业管理行业的价格行为, 促进物业管理的健康发展, 根据《海南省住宅区物业管理条例》和《海南省物业管理服务收费规定》等文件精神, 海南省物价局会同海南省建设厅制定了海南省物业管理等级收费标准, 现予公布, 并就有关问题通知如下:   一、 物业管理公司与业主委员会必须依据《海南省物业管理费中准价标准表》( 见附件一) 和《海南省物业收费等级标准表》( 见附件二) , 综合测评本小区物业收费等级, 在中准价标准基础上, 按上下浮动20%的幅度内确定本小区的物业管理收费标准。测评物业收费等级是确定物业管理收费标准的基础, 测评中如等级条件多数达不到的, 应低定一级; 如部分达不到的, 按本级确定, 收费标准一般不应超过同等级的中准价标准; 如达不到最低一级( 四级) 条件的, 收费标准按最低一级标准下浮20%的幅度内由双方议定。   二、 物业管理公司必须按照《海南省物业管理服务收费规定》的要求, 持有关资料向同级价格主管部门办理备案手续, 经备案后, 方可收费。   三、 本《通知》附件一所列多层、 高层住宅物业管理费标准系指纯生活用房标准, 住宅小区内的营业性用房、 办公商住两用房, 分别按该标准上浮40%、 20%约定。   四、 本《通知》附件一所列写字楼物业管理费标准系指办公商住两用房标准, 写字楼内的营业性用房, 按该标准上浮30%约定; 纯生活用房, 按该标准下浮30%约定。   五、 各类物业管理费中的日常维修养护费应单独列帐, 专户存储, 专款专用。   六、 为体现”优质优价”原测, 获得全国城市物业管理优秀示范称号、 全国城市物业管理优秀称号、 本省城市物业管理优秀称号的物业, 其收费水平允许在本标准基础上分别上浮10%、 5%、 3%。   七、 海府地区、 三亚地区按本收费标准执行, 其它地区按低于本标准的30%的幅度内确定本地的中准价标准。   八、 管理费中准价标准, 根据我省经济发展状况, 居民承受能力及价格总水平等因素的变化适时调整。   九、 新的物业收费标准从 1月1日起执行。本文下达后, 各级价格主管部门、 各物业小区要依照新规定、 新标准抓紧对各小区收费标准全面进行一次复核调整, 并办理备案手续。未调整备案前, 暂按原标准收费。   附件一: 海南省物业管理费中准价标准表   附表二: 海南省物业收费等级标准表     附件一 海南省物业管理费中准价标准表  物  业  类  型 多层住宅(九层以下含九层) 高层住宅(十层以上) 写    字    楼 物业管  理 费 其   中 物业管 理 费 其  中 物业管理费 其  中 管理费 维修养护费 管理费 维修养护费 管理费 维修养护费 物 业收费等 级 一级 收费标准(元/平方米.月) 1.00 0.75 0.25 2.00 1.50 0.50 7.50 5.50 2.00 二级 收费标准(元/平方米.月) 0.80 0.60 0.20 1.50 1.10 0.40 5.00 4.00 1.00 三级 收费标准(元/平方米.月) 0.60 0.45 0.15 1.20 0.90 0.30 3.00 2.40 0.60 四级 收费标准(元/平方米.月) 0.50 0.40 0.10 1.00 0.75 0.25 2.00 1.50 0.50    备   注 1、 带电梯的多层住宅楼的管理费标准, 参照高层住宅楼标准低一个等级议定, 服务标准不变。 2、 别墅区的管理费标准, 参照高层住宅的三级标准议定。 3、 工业用房的管理费标准, 参照多层住宅的三级标准议定。 4、 公有住房、 经济适用房、 职工集资建房的物业管理费标准, 按同等级物业管理费中准价标准下浮30%的幅度内议定。 5、 高档住宅的物业管理服务收费标准, 经过招标投标确定。   附件二 海南省物业收费等级标准表( 一) 物业等级 具      备     条      件 一     级   1、 小区建筑规模达到40000平方米以上,布局合理, 环境优美舒适,绿化覆盖率达35%以上, 有一定规模的园林小景, 绿化物修剪整齐、 美观, 管理维护良好。   2、 小区公共配套设施、 设备完善, 供电、 供水、 消防设备运行正常, 保障及时有效。有配套的停车场、 商业网点、 文化娱乐场所, 道路平整顺畅, 维护完好。   3、 物业管理公司各项管理制度、 服务质量标准、 各工作岗位考核标准、 奖罚办法完善。   4、 物业管理公司持二级以上资质证书。    5、 小区房屋及配套设施维护状态良好, 图纸、 档案、 资料齐全, 管理完好。    6、 管理人员整体素质高, 服务周到, 言行规范, 着装统一。   7、 有良好的社区文化活动场所,常年开展各种文体活动8项以上。   8、 配备先进的保安设备,保安人员24小时值班、 巡逻, 区内治安秩序良好。    9、 区内环境整洁卫生, 公共场地全天候保持洁净, 无卫生死角、 无积存垃圾、 无乱堆乱放, 下水道、 沙井、 化粪池通畅, 公用水池定期清洗。  备  注   此表适用于多层普通住宅物业(九层以下含九层)   海南省物业收费等级标准表( 二) 物业等级 具      备      条      件  二       级    1、 小区建筑规模达到30000平方米以上,绿化履盖率达30%以上,有园林小景,绿化物修剪整齐、 美观, 管理维护良好。    2、 小区公共配套设施、 设备完善, 供电、 供水、 消防设备使用正常。有相应的停车场、 商业网点、 文化娱乐场所, 道路平整顺畅, 维护完好。    3、 物业管理公司各项管理制度、 服务质量标准、 各工作岗位考核标准、 奖罚办法完善。     4、 物业管理公司持三级以上资质证书。    5、 小区房屋及配套设施维护状态良好, 图纸、 档案、 资料齐全, 管理完好。    6、 管理人员整体素质高, 服务意识强, 言行规范, 着装统一。    7、 有较好的社区文化活动场所,常年开展各种文体活动6项以上。    8、 保安人员24小时值班、 巡逻, 区内治安秩序良好。    9、 区内环境整洁卫生, 公共场地全天候保持洁净, 无卫生死角、 垃圾及时清运, 下水道、 沙井、 化粪池通畅, 公用水池定期清洗。 备  注   此表适用于多层普通住宅物业(九层以下含九层)      海南省物业收费等级标准表( 三) 物业等级 具      备      条       件  三     级   1、 小区建筑规模达到25000平方米以上,绿化覆盖率达25%以上, 绿化物生长良好, 修剪整齐。    2、 小区公共配套设施、 设备较完善, 供电、 供水、 消防设备使用正常, 有相应的停车场地。   3、 物业管理公司各项管理制度、 服务质量标准、 各工作岗位考核标准、 奖罚办法基本完善。   4、 物业管理公司持三级以上资质证书。   5、 小区房屋及配套设施维护状态良好, 图纸、 档案、 资料齐全, 管理基本完好。   6、 管理人员整体素质较高, 服务意识强, 言行规范。     7、 有社区文化活动场所,常年开展多种文体活动4项以上。    8、 保安人员24小时值班,定时巡逻,区内治安良好。   9、 区内环境清洁卫生, 公共场地保持清洁, 下水道、 沙井、 化粪池通畅, 公用水池定期清洗。  备  注 此表适用于多层普通住宅物业( 九层以下含九层)  海南省物业收费等级标准表( 四) 物业等级 具       备       条      件  四 级   1、 小区建筑规模达到 0平方米以上,绿化覆盖率达15%以上 , 绿化物生长良好, 修剪整齐。   2 、 小区公共配套设施、 设备较完善, 供电、 供水、 消防设备使用正常, 有相应的停车场地。     3、 物业管理公司各项管理制度健全。   4、 物业管理公司持有资质证书。    5、 管理人员服务意识强, 言行较规范。   6、 常年开展社区文体活动2项以上。   7、 保安人员24小时值班, 维护小区治安。   8、 小区房屋及配套设施维护状态良好, 图纸、 档案、 资料齐全, 管理较好。   9、 区内环境卫生基本洁净, 公共场地保持清洁, 下水道、 沙井 、 化粪池通畅, 公共水池定期清洗。 备  注 此表适用于多层普通住宅物业( 九层以下含九层)  海南省物业收费等级标准表( 五) 物业等级 具       备       条       件  一      级   1、 小区建筑规模达到40000平方米以上, 布局合理,环境优美舒适,绿化覆盖率达35%以上,有一定规模的园林小景,绿化物修剪整齐、 美观,管理维护良好。   2、 小区公共配套设施、 设备完善, 电梯、 供电、 供水、 消防设备先进, 保障快速有效。有配套的停车场、 商业网点、 文化娱乐场所, 道路平整顺畅, 维护完好。  3、 物业管理公司各项管理制度、 服务质量标准、 各工作岗位考核标准、 奖罚办法完善。  4、 物业管理公司持二级以上资质证书。  5、 小区房屋及配套设施维护状态良好, 图纸、 档案、 资料齐全, 管理完好。   6、 管理人员整体素质高, 服务周到, 言行规范, 着装统一。  7、 有良好的社区文化活动场所, 常年开展各种文体活动8项以上。 8、 实行封闭式管理,配备先进的保安设备,保安人员24小时值班、 巡逻, 区内治安秩序良好。  9、 区内环境整洁卫生, 公共场地全天候保持清洁,无卫生死角、 无积存垃圾、 无乱堆乱放, 下水道、 沙井、 化粪池通畅, 公共水池定期清洗。  备  注   此表适用于高层普通住宅物业( 十层以上含十层)       海南省物业收费等级标准表( 六) 物业等级 具       备       条       件  二   级   1、 小区建筑规模达到30000平方米以上,绿化覆盖率达30%以上 , 有园林小景,绿化物修剪整齐、 美观, 管理维护良好。   2、 小区公共配套设施、 设备完善, 电梯、 供电、 供水、 消防设备较先进, 保障及时有效。有配套的停车场、 商业网点、 文化娱乐场所, 道路平整顺畅, 维护完好。     3、 物业管理公司各项管理制度、 服务质量标准、 各工作岗位考核标准、 奖罚办法完善。   4、 物业管理公司持二级以上资质证书。   5、 小区房屋及配套设施维护状态良好, 图纸、 档案、 资料齐全, 管理完好。   6、 管理人员整体素质高, 服务意识强, 言行规范, 着装统一。   7、 有较好的社区文化活动场所, 常年开展各种文体活动6项以上。   8、 保安人员24小时值班、 巡逻, 区内治安秩序良好。       9、 区内环境整洁卫生, 公共场地全天候保持洁净,无卫生死角 、 无积存垃圾、 无乱堆乱放, 下水道、 沙井、 化粪池通畅, 公共水池定期清洗。 备  注   此表适用于高层普通住宅物业( 十层以上含十层)  海南省物业收费等级标准表( 七) 物业等级 具      备      条       件 三   级   1、 小区建筑规模达到25000平方米以上, 绿化覆盖率达25%以上, 绿化物生长良好, 修剪整齐。   2、 小区公共配套设施、 设备完善, 电梯、 供电、 供水、 消防设备保障有效。有相应的停车场、 商业网点、 娱乐场所。  3、 物业管理公司各项管理制度、 服务质量标准、 各工作岗位考核标准、 奖罚办法基本完善。   4、 物业管理公司持三级以上资质证书。    5、 小区房屋及配套设施维护状态良好, 图纸、 档案、 资料齐全, 管理较完好。    6、 管理人员整体素质较高,服务意识强, 言行规范。  7、 有社区文化活动场所,常年开展各种文体活动4项以上。  8、 保安人员24小时值班, 定时巡逻, 区内治安秩序良好。  9、 区内环境清洁卫生, 公共场地保持清洁, 下水道、 沙井、 化粪池畅通, 公共水池定期清洗。     备  注   此表适用于高层普通住宅物业(十层以上含十层)     海南省物业收费等级标准表( 八) 物业等级 具      备       条      件  四  级   1、 小区建筑规模达到 0平方米以上,绿化覆盖率达15%以上, 绿化物生长良好, 修剪整齐。   2、 小区公共配套设施、 设备维护完好, 电梯、 供电、 供水、 消防设备使用正常, 有相应的停车场地。   3、 物业管理公司各项管理制度、 服务质量标准、 各工作岗位考核标准、 奖罚办法基本完善。   4、 物业管理公司持有资质证书。   5、 小区房屋及配套设施维护状态良好, 图纸、 档案、 资料齐全, 管理较完好。   6、 管理人员服务意识强, 言行较规范。   7、 常年开展社区文体活动2项以上。   8、 保安人员24小时值班, 定时巡逻, 维护区内治安秩序。   9、 区内环境清洁卫生, 公共场地保持清洁, 下水道、 沙井、 化粪池畅通, 公共水池定期清洗。 备  注   此表适用于高层普通住宅物业( 十层以上含十层)  海南省物业收费等级标准表( 九) 物业等级 具       备       条      件 一     级   1、 写字楼建筑规模达35000平方米以上,设计档次高, 质量好, 绿化物或盆花修剪整齐、 美观, 管理维护良好。 2、 写字楼配套设施、 设备完善, 中央空调、 电梯、 供电、 供水、 保安监控、 消防等设备先进, 保障快速有效。有配套的停车场, 车位充分, 管理良好。   3、 物业管理公司各项管理制度、 服务质量标准、 各工作岗位考核标准、 奖罚办法完善。     4、 物业管理公司应用计算机等现代化管理手段,进行科学管理。   5、 物业管理公司持二级以上资质证书。   6、 写字楼及配套设施维护状态良好, 图纸、 档案、 资料齐全, 管理完好。   7、 管理人员整体素质高, 服务周到, 言行规范, 着装统一。    8、 保安人员24小时值班、 巡逻, 保持大楼安全。   9、 写字楼环境卫生整洁, 公共场所、 楼道、 电梯间全天候保持洁净, 下水管、 化粪池通畅, 公共水池定时清洗。 备  注   此表适用于写字楼的物业  海南省物业收费等级标准表( 十) 物业等级 具      备      条      件 二   级   1、 写字楼建筑规模达到30000平方米以上,设计档次高, 绿化物或盆花修剪整齐、 美观, 管理维护良好。     2、 写字楼配套设施、 设备完善, 中央空调、 电梯、 供电、 供水、 保安监控、 消防等设备较好, 保障及时有效。有配套的停车场, 车位充分、 管理良好。   3、 物业管理公司各项管理制度、 服务质量标准、 各工作岗位考核标准 、 奖罚办法较完善。   4、 物业管理公司持二级以上资质证书。   5、 写字楼及配套设施维护状态良好; 图纸、 资料、 档案齐全, 管理良好。   6、 管理人员整体素质高, 服务意识强, 言行规范, 着装统一。   7、 保安人员24小时值班、 定时巡逻, 保护大楼安全。      8、 写字楼环境卫生整洁, 公共场所、 楼道、 电梯间全天候保持洁净, 下水管、 化粪池通畅, 公共水池定时清洗。    备  注  此表适用于写字楼的物业 海南省物业收费等级标准表(十一) 物业等级 具      备      条      件 三   级  1、 写字楼建筑规模达到25000平方米以上,绿化物修剪整齐,管理维护良好。  2、 写字楼配套设施、 设备完善, 中央空调、 电梯、 供电、 供水、 消防等设备,运行使用正常,有配套的停车场。  3、 物业管理公司各项管理制度、 服务质量标准、 各工作岗位考核标准、 奖罚办法基本完善。   4、 物业管理公司持三级以上资质证书。  5、 写字楼及配套设施维护状态良好, 图纸、 档案、 资料齐全, 管理基本完好。  6、 管理人员整体素质较高, 服务意识强, 言行规范。  7、 保安人员24小时值班, 定时巡逻, 维护大楼安全。  8、 写字楼环境清洁卫生, 公共场所、 楼道、 电梯间保持清洁, 下水管、 化粪池通畅, 公共水池定时清洗。 备  注   此表适用于写字楼的物业  海南省物业收费等级标准表(十二) 物业等级 具      备     条      件 四   级 1、 写字楼建筑规模达到 0平方米以上,绿化物修剪整齐,管理维护良好。 2、 写字楼配套设施、 设备较完善, 电梯、 供电、 供水、 消防等设备较好, 使用正常。 3、 物业管理公司各项管理制度基本健全。 4、 物业管理公司持有资质证书。 5、 写字楼及配套设施维护状态良好, 图纸、 档案、 资料齐全, 管理基本完好。 6、 管理人员服务意识强, 言行较规范。 7、 保安人员24小时值班, 定时巡逻, 维护大楼安全。  9、 写字楼环境清洁卫生, 公共场所、 楼道、 电梯间保持清洁, 下水管、 化粪池通畅, 公共水池定时清洗。 备  注 此表适用于写字楼的物业  海南省物业收费等级标准表( 十三) 物业等级 具     备     条      件 一 级     1、 小区建筑规模达到50000平方米以上, 布局合理,设计档次高、 质量好, 房价在当地属高档次水平。     2、 小区绿化覆盖率达40%以上,有一定规模的园林小景,绿化物、 花草修剪整齐、 美观,维护良好。     3、 小区公共配套设施、 设备完善, 电梯、 供水、 供电、 消防设备先进, 保障快速及时有效。停车场、 生活服务、 娱乐场所, 商业网点设施配套、 使用方便。    4、 小区有功能齐全, 设施先进的住户活动会所和充分良好的社区文化活动场所, 并能经常开展各种文体娱乐活动8项以上。  5、 物业管理公司各项管理制度、 服务质量标准、 各工作岗位考核标准、 奖罚办法完善。     6、 物业管理公司应用计算机等现代化管理手段, 进行科学管理并有效地运用。     7、 物业管理公司持二级以上资质证书。  8、 小区房屋及配套设施维护状态良好, 图纸、 档案、 资料齐全, 管理完好。   9、 管理人员整体素质高, 服务周到, 言行规范, 着装统一。     10、 实行封闭式管理, 保安设施先进、 完善, 配备先进的保安设备和监控、 监视报警系统, 保安人员24小时值班、 巡逻区内治安秩序良好。      11、 区内环境优美舒适, 清洁卫生, 公共场地全天候保持清洁,无卫生死角、 无积存垃圾、 无乱堆乱放现象, 下水道、 沙井、 化粪池通畅, 公共水池定期清洗。  备  注   此表适用于高档住宅物业  海南省物业收费等级标准表( 十四) 物业等级 具          备         条         件 一    级   1、 写字楼建筑规模达到35000平方米以上, 设计档次高、 质量好, 布局合理,房价在当地属高档次水平。   2、 写字楼周围绿化物或盆花修剪整齐、 美观, 管理维护良好。    3、 写字楼公共配套设施、 设备完善, 中央空调、 高档电梯、 供电、 供水、 消防设备、 设施先进, 保障快速及时有效。停车场、 娱乐场所、 商业网点设施配套, 使用方便。     4、 物业管理公司各项管理制度、 服务质量标准、 各工作岗位考核标准、 奖罚办法完善。   5、 物业管理公司应用计算机等现代化管理手段, 进行科学管理并有效地运用。   6、 物业管理公司持二级以上资质证书。     7、 写字楼及配套设施维护状态良好, 图纸、 档案、 资料齐全, 管理完好。    8、 管理人员整体素质高, 服务周到, 言行规范, 着装统一。   9、 实行封闭式管理, 保安设施先进、 完善, 配备先进的保安设备和监控、 监视报警系统, 保安人员24小时值班、 巡逻、 治安秩序良好。   10、 区内环境优美舒适, 清洁卫生, 公共场地全天候保持洁净,下水管、 化粪池通畅, 公共水池定期清洗。 备注   此表适用于高档写字楼的物业    
展开阅读全文

开通  VIP会员、SVIP会员  优惠大
下载10份以上建议开通VIP会员
下载20份以上建议开通SVIP会员


开通VIP      成为共赢上传

当前位置:首页 > 管理财经 > 物业管理

移动网页_全站_页脚广告1

关于我们      便捷服务       自信AI       AI导航        抽奖活动

©2010-2026 宁波自信网络信息技术有限公司  版权所有

客服电话:0574-28810668  投诉电话:18658249818

gongan.png浙公网安备33021202000488号   

icp.png浙ICP备2021020529号-1  |  浙B2-20240490  

关注我们 :微信公众号    抖音    微博    LOFTER 

客服